Je me pose la question suite à la lecture d'infos divergentes sur divers forums.
Les feux de route sont-ils commandés par un relais sur un Disco TD5 de 2001 ?
Et si oui, quelle est l'intensité de coupure de ce dernier, et où se trouve-t-il ?
Merci de votre aide !
Relais ou pas ?
Règles du forum
En naviguant sur le site http://www.landroverfaq.com vous reconnaissez avoir lu ses Conditions d’Utilisation, vous déclarez les comprendre et vous acceptez d’y être lié de manière inconditionnelle. Si tel n'est pas le cas, merci de quitter immédiatement ce site.
Vous pouvez joindre autant d'images que nécessaire à vos messages A LA CONDITION EXPRESSE d'utiliser l'hébergement fourni par le site.
L'administrateur effacera systématiquement tout message contenant des photos hébergées chez Imageschack, Casimage, Wistiti ou tout autre hébergeur tiers sans sommation ni justification.
En naviguant sur le site http://www.landroverfaq.com vous reconnaissez avoir lu ses Conditions d’Utilisation, vous déclarez les comprendre et vous acceptez d’y être lié de manière inconditionnelle. Si tel n'est pas le cas, merci de quitter immédiatement ce site.
Vous pouvez joindre autant d'images que nécessaire à vos messages A LA CONDITION EXPRESSE d'utiliser l'hébergement fourni par le site.
L'administrateur effacera systématiquement tout message contenant des photos hébergées chez Imageschack, Casimage, Wistiti ou tout autre hébergeur tiers sans sommation ni justification.
- disco2magoliv
- Habitué
- Messages : 608
- Enregistré le : 01/05/2010 16:50
- Localisation : 06420 dans le sud mais loin de la foule
- Contact :
Re: Relais ou pas ?
Merci du renseignement.
Je pense que je vais en poser un, à la fois pour soulager le commodo, et également pour obtenir plus de puissance sur les ampoules.
Je vais faire la même chose avec les feux de croisement, et en ajouter un autre pour connecter les anti-brouillard de mon nouveau pare choc.
Savez-vous s'il y a un point commun d'alim des feux de routes, et pareil pour les codes?
Je pense que je vais en poser un, à la fois pour soulager le commodo, et également pour obtenir plus de puissance sur les ampoules.
Je vais faire la même chose avec les feux de croisement, et en ajouter un autre pour connecter les anti-brouillard de mon nouveau pare choc.
Savez-vous s'il y a un point commun d'alim des feux de routes, et pareil pour les codes?
- disco2magoliv
- Habitué
- Messages : 608
- Enregistré le : 01/05/2010 16:50
- Localisation : 06420 dans le sud mais loin de la foule
- Contact :
Re: Relais ou pas ?
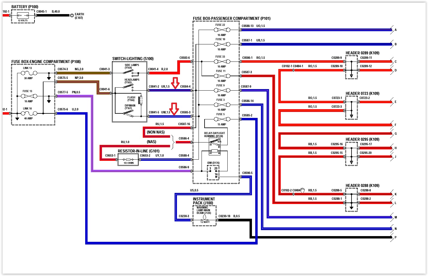
Oui il y en a un entre le commodo et la boite à fusibles habitacle, le les ai repéré par les fléches rouges.
Les codes connecteur C0584 fil4 couleur bleu/rouge.
Les phares connecteur C0585 fil3 couleur bleu/blanc.
Ciao
Pascal.
Pascal.