calage courroie de distribution 2.5 Td
Règles du forum
En naviguant sur le site http://www.landroverfaq.com vous reconnaissez avoir lu ses Conditions d’Utilisation, vous déclarez les comprendre et vous acceptez d’y être lié de manière inconditionnelle. Si tel n'est pas le cas, merci de quitter immédiatement ce site.
Vous pouvez joindre autant d'images que nécessaire à vos messages A LA CONDITION EXPRESSE d'utiliser l'hébergement fourni par le site.
L'administrateur effacera systématiquement tout message contenant des photos hébergées chez Imageschack, Casimage, Wistiti ou tout autre hébergeur tiers sans sommation ni justification.
En naviguant sur le site http://www.landroverfaq.com vous reconnaissez avoir lu ses Conditions d’Utilisation, vous déclarez les comprendre et vous acceptez d’y être lié de manière inconditionnelle. Si tel n'est pas le cas, merci de quitter immédiatement ce site.
Vous pouvez joindre autant d'images que nécessaire à vos messages A LA CONDITION EXPRESSE d'utiliser l'hébergement fourni par le site.
L'administrateur effacera systématiquement tout message contenant des photos hébergées chez Imageschack, Casimage, Wistiti ou tout autre hébergeur tiers sans sommation ni justification.
calage courroie de distribution 2.5 Td
Bonsoir à tous,
Je suis a la recherche d information et surtout savoir comment caler ma courroie de distribution ( repères)pour mon DEF 2,5 TD de 1988?
et aussi le couple et l ordre de serrage pour le joint de culasse et savoir si les culbuteurs doivent être réglé à chaud ou à froid?
Ou sinon ou trouver le manuel d'atelier?
merci d'avance
Je suis a la recherche d information et surtout savoir comment caler ma courroie de distribution ( repères)pour mon DEF 2,5 TD de 1988?
et aussi le couple et l ordre de serrage pour le joint de culasse et savoir si les culbuteurs doivent être réglé à chaud ou à froid?
Ou sinon ou trouver le manuel d'atelier?
merci d'avance
Re: calage courroie de distribution
Bonsoir,
Je voudrais savoir comment caler ma distribution et surtout comment faire et les repéres a prendre ?
Pour un Defender 2,5 TD de 1988
Merci d'avance
Je voudrais savoir comment caler ma distribution et surtout comment faire et les repéres a prendre ?
Pour un Defender 2,5 TD de 1988
Merci d'avance
Re: calage courroie de distribution
Range Classic boite 4 de 77 swap 3.9L Inj .
- The Pater
- Modérateur
- Messages : 13985
- Enregistré le : 25/08/2004 8:19
- Localisation : 06°27'46"E 45°50'29"N
Re: calage courroie de distribution
C'est indiqué aux pages 83 et 84 du "Book 2" du manuel d'atelier.pich a écrit : 09/02/2021 23:21 Je voudrais savoir comment caler ma distribution et surtout comment faire et les repéres a prendre ?
Pour un Defender 2,5 TD de 1988
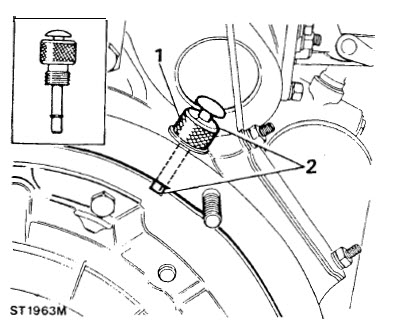
Il te faut un pige pour caler le vilbrequin. Certains utilisent un forêt dans un bouchon percé. La pige Land Rover porte la référence LST 107. Les repères sont sur le carter et les poulies. Il te faut une clef dynamométrique à lecture directe. Primo, as-tu une clef dynamo à lecture directe (pas obligatoirement du même type que sur le dessin) ? Perso j'utilise ma Facom R203.
Une fois la distribution calée, il faut vérifier le calage de la pompe à injection.
A+
Ingénieur :
Personne faisant un travail divinatoire de précision basé sur des informations peu fiables données par des personnes peu qualifiées, voire ignorantes.
=>, magicien, devin, sorcier
Personne faisant un travail divinatoire de précision basé sur des informations peu fiables données par des personnes peu qualifiées, voire ignorantes.
=>, magicien, devin, sorcier
Re: calage courroie de distribution 2.5 Td
Salut,
et comment je vérifie le calage de la pompe à injection?
merci
et comment je vérifie le calage de la pompe à injection?
merci
Re: calage courroie de distribution 2.5 Td
et pour caler le villebrequin, ou ce trouve le trou pour mettre le foret ou pige?
merci d'avance
merci d'avance
- The Pater
- Modérateur
- Messages : 13985
- Enregistré le : 25/08/2004 8:19
- Localisation : 06°27'46"E 45°50'29"N
Re: calage courroie de distribution 2.5 Td
Voir le dessin de ma précédente intervention.pich a écrit : 10/02/2021 17:10 et pour caler le villebrequin, ou ce trouve le trou pour mettre le foret ou pige?
merci d'avance
A+
Ingénieur :
Personne faisant un travail divinatoire de précision basé sur des informations peu fiables données par des personnes peu qualifiées, voire ignorantes.
=>, magicien, devin, sorcier
Personne faisant un travail divinatoire de précision basé sur des informations peu fiables données par des personnes peu qualifiées, voire ignorantes.
=>, magicien, devin, sorcier
- The Pater
- Modérateur
- Messages : 13985
- Enregistré le : 25/08/2004 8:19
- Localisation : 06°27'46"E 45°50'29"N
Re: calage courroie de distribution 2.5 Td
page 84 : avec une pige. Mais je ne l'ai jamais fait et je ne peux pas te renseigner sur le diamètre et la longueur de la pige. A+
Ingénieur :
Personne faisant un travail divinatoire de précision basé sur des informations peu fiables données par des personnes peu qualifiées, voire ignorantes.
=>, magicien, devin, sorcier
Personne faisant un travail divinatoire de précision basé sur des informations peu fiables données par des personnes peu qualifiées, voire ignorantes.
=>, magicien, devin, sorcier
Re: calage courroie de distribution 2.5 Td
salut The Pater,
Merci pour le dessin, le trou se trouve sur le cotés du moteur, mais quel cotés?
merci
Merci pour le dessin, le trou se trouve sur le cotés du moteur, mais quel cotés?
merci
Re: calage courroie de distribution 2.5 Td
Bonsoir,
Et bien aujourd hui j'ai demonter mon ancien moteur et remis le nouveau
Juste 2 pb
Le premier j'ai une fuite de liquide autour de la pompe a eau malgrés un joint neuf
2 eme une fuite au niveau de la poulie de ma pompe d injection
Et bien aujourd hui j'ai demonter mon ancien moteur et remis le nouveau
Juste 2 pb
Le premier j'ai une fuite de liquide autour de la pompe a eau malgrés un joint neuf
2 eme une fuite au niveau de la poulie de ma pompe d injection
Re: calage courroie de distribution 2.5 Td
Bonjour à tous,
J'ai remédier à toutes les petites fuites et il démarre et roule nickel
Faut il que je fasse un rodage et que je resserre la culasse?
Merci d'avance
J'ai remédier à toutes les petites fuites et il démarre et roule nickel
Faut il que je fasse un rodage et que je resserre la culasse?
Merci d'avance