Bonjour à tous,
Étant en train de remonter mon def, je refais le tour de tous les fils électriques non branchés.
Je suis tombé nez à nez sur 2 fils de couleurs identiques (vert avec liseré bleu) qui, je pense, se branchent sur des sondes de température d'eau. Or sur mon moteur (un 2.5D) je ne trouve qu'une seule sonde.
Je pense que la caisse de mon def a été changée, existe-t-il une motorisation qui possède plusieurs sondes de ce type ?
Comment puis-je régler mon problème ?
Merci d'avance de vos réponses.
Fils sonde de température d'eau Def 90 2.5D
Règles du forum
En naviguant sur le site http://www.landroverfaq.com vous reconnaissez avoir lu ses Conditions d’Utilisation, vous déclarez les comprendre et vous acceptez d’y être lié de manière inconditionnelle. Si tel n'est pas le cas, merci de quitter immédiatement ce site.
Vous pouvez joindre autant d'images que nécessaire à vos messages A LA CONDITION EXPRESSE d'utiliser l'hébergement fourni par le site.
L'administrateur effacera systématiquement tout message contenant des photos hébergées chez Imageschack, Casimage, Wistiti ou tout autre hébergeur tiers sans sommation ni justification.
En naviguant sur le site http://www.landroverfaq.com vous reconnaissez avoir lu ses Conditions d’Utilisation, vous déclarez les comprendre et vous acceptez d’y être lié de manière inconditionnelle. Si tel n'est pas le cas, merci de quitter immédiatement ce site.
Vous pouvez joindre autant d'images que nécessaire à vos messages A LA CONDITION EXPRESSE d'utiliser l'hébergement fourni par le site.
L'administrateur effacera systématiquement tout message contenant des photos hébergées chez Imageschack, Casimage, Wistiti ou tout autre hébergeur tiers sans sommation ni justification.
Re: Fils sonde de température d'eau Def 90 2.5D
Bonjour,
D'après ce que j'ai, vert liseré bleu c'est la (ou les) jauge de carburant.
D'après ce que j'ai, vert liseré bleu c'est la (ou les) jauge de carburant.
" Quand le sage montre la lune; l'idiot regarde son doigt "
- nomansland
- Habitué
- Messages : 1745
- Enregistré le : 08/12/2006 10:58
- Localisation : sud 77
Re: Fils sonde de température d'eau Def 90 2.5D
Bonjour Guerric et bienvenu .
C'est tout a fait normal ; Le faisceau est compatible avec le moteur essence , et sur l'essence la sonde se trouve a l'avant droit de la culasse , sur le diesel a l'arrière gauche .
a+Stef
C'est tout a fait normal ; Le faisceau est compatible avec le moteur essence , et sur l'essence la sonde se trouve a l'avant droit de la culasse , sur le diesel a l'arrière gauche .
a+Stef
Re: Fils sonde de température d'eau Def 90 2.5D
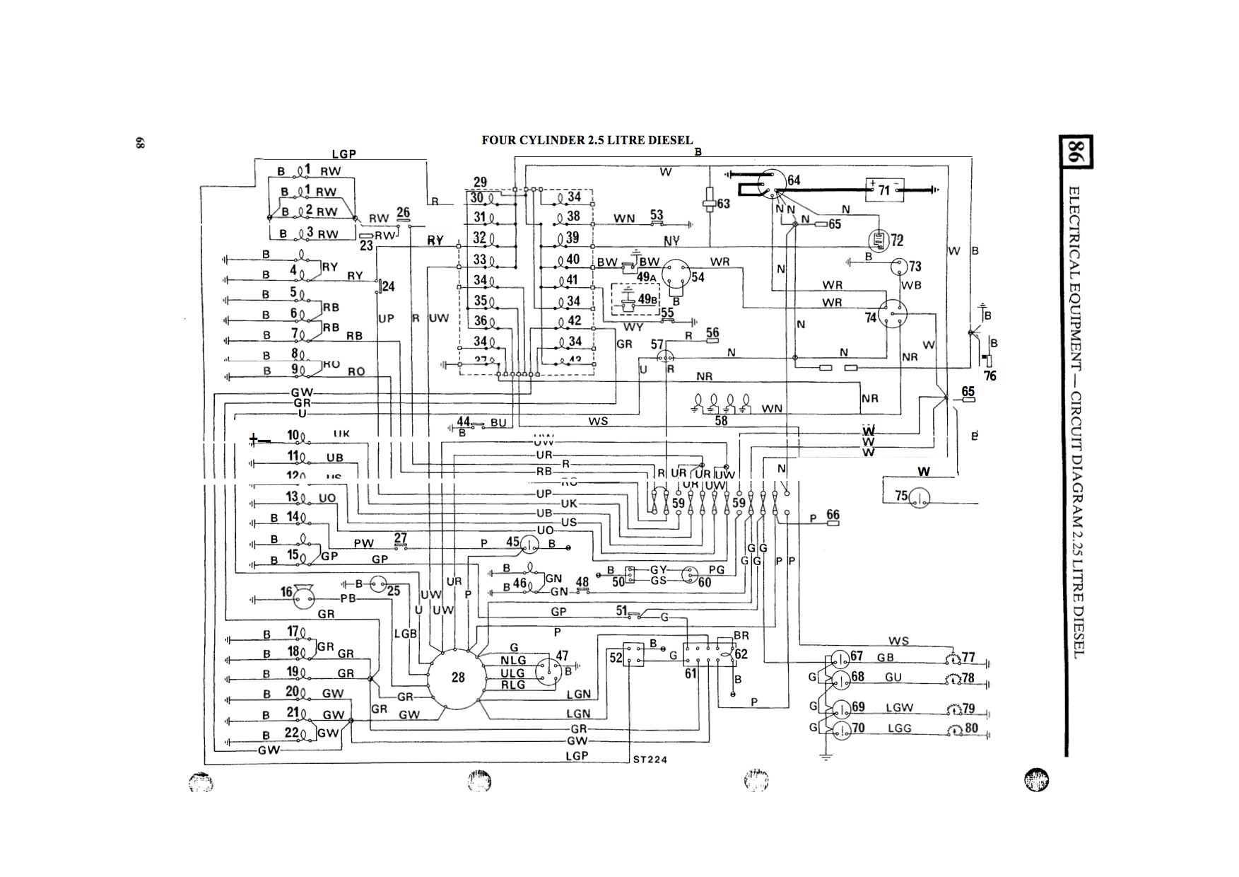
Torero, sur ton schéma, le fil vert et bleu correspond bien à la sonde de température d'eau (G pour vert et U pour bleu)torero a écrit : 01/02/2022 22:49 Bonjour,
D'après ce que j'ai, vert liseré bleu c'est la (ou les) jauge de carburant.
Merci pour ces renseignements précis, je vais isoler un des fils pour régler le problème.nomansland a écrit : 02/02/2022 6:48 Bonjour Guerric et bienvenu .
C'est tout a fait normal ; Le faisceau est compatible avec le moteur essence , et sur l'essence la sonde se trouve a l'avant droit de la culasse , sur le diesel a l'arrière gauche .
a+Stef
A+
Re: Fils sonde de température d'eau Def 90 2.5D
Arf! Exact. J'avais pris B pour bleu...Guerric a écrit : 02/02/2022 12:16
Torero, sur ton schéma, le fil vert et bleu correspond bien à la sonde de température d'eau (G pour vert et U pour bleu)
" Quand le sage montre la lune; l'idiot regarde son doigt "