Bonjour,
Voila mon problème :
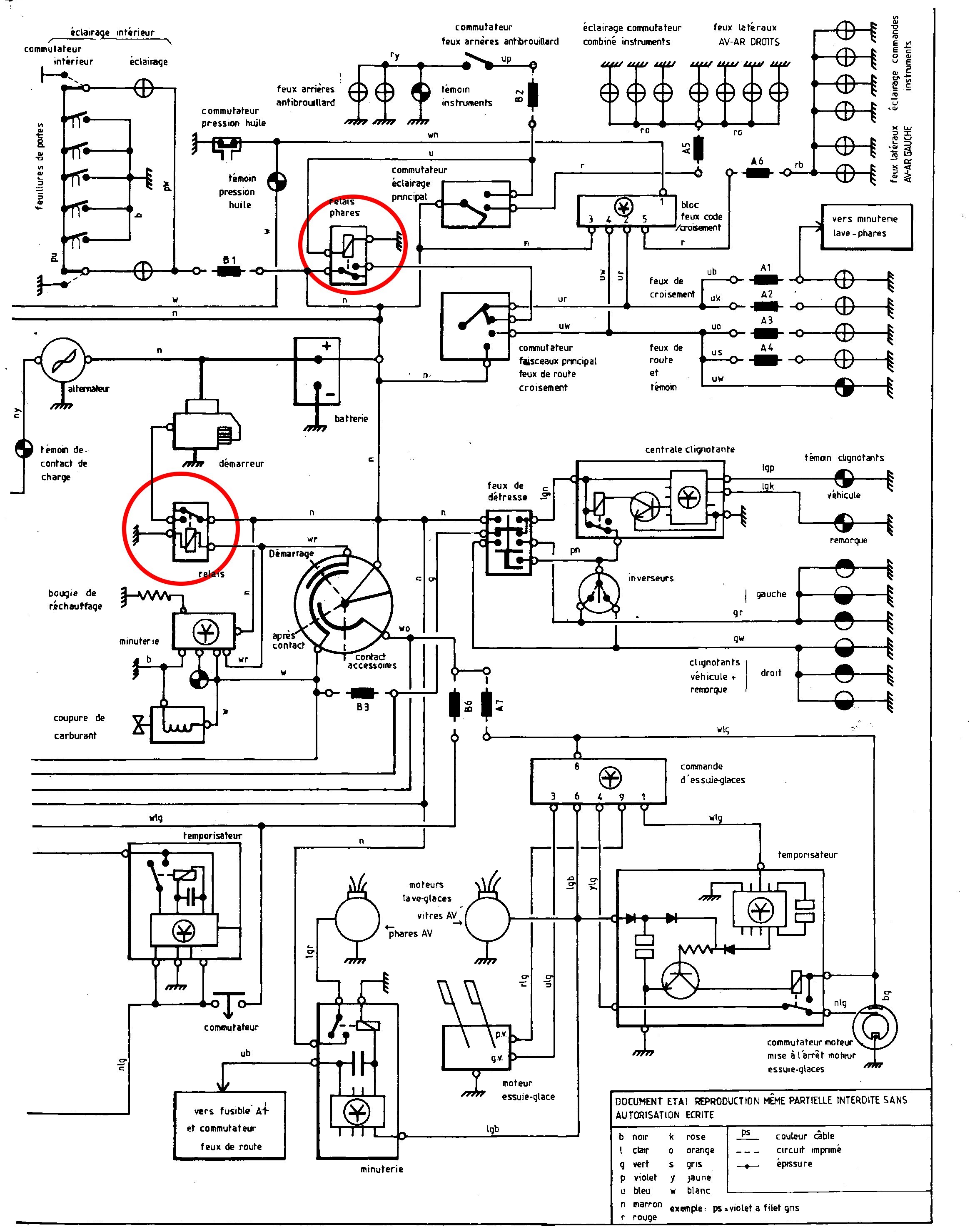
Suite au grippage des bielles d’essuies glaces avant sur mon Discovery 200tdi de 1991,après avoir remis en état le système et même changé le moteur croyant au départ qu’il était HS. Seule la vitesse la plus grande fonctionne même en ayant changé le relais , ce dernier claque mais pas de fonctions alternative , petite vitesse et remise fin de course .(a noter que la grande vitesse fonctionne sans relais)
Si une idée de la panne ? ou si quelqu'un a le shéma électrique .
Je vous remercie
Problème essuie glace avant sur Discovery 200tdi 1991
Règles du forum
En naviguant sur le site http://www.landroverfaq.com vous reconnaissez avoir lu ses Conditions d’Utilisation, vous déclarez les comprendre et vous acceptez d’y être lié de manière inconditionnelle. Si tel n'est pas le cas, merci de quitter immédiatement ce site.
Vous pouvez joindre autant d'images que nécessaire à vos messages A LA CONDITION EXPRESSE d'utiliser l'hébergement fourni par le site.
L'administrateur effacera systématiquement tout message contenant des photos hébergées chez Imageschack, Casimage, Wistiti ou tout autre hébergeur tiers sans sommation ni justification.
En naviguant sur le site http://www.landroverfaq.com vous reconnaissez avoir lu ses Conditions d’Utilisation, vous déclarez les comprendre et vous acceptez d’y être lié de manière inconditionnelle. Si tel n'est pas le cas, merci de quitter immédiatement ce site.
Vous pouvez joindre autant d'images que nécessaire à vos messages A LA CONDITION EXPRESSE d'utiliser l'hébergement fourni par le site.
L'administrateur effacera systématiquement tout message contenant des photos hébergées chez Imageschack, Casimage, Wistiti ou tout autre hébergeur tiers sans sommation ni justification.
- LØLØ
- Modérateur
- Messages : 6210
- Enregistré le : 30/07/2006 15:41
- Localisation : guainville (28 )
- Contact :
Re: Problème essuie glace avant sur Discovery 200tdi 1991
Salut,
Les schémas sont déjà sur le forum, maintenant ce n'est peut-être pas ce qu'il y a de plus compréhensible. Je ne suis pas un spécialiste de l'électricité des disco, mais on dirait sur le schéma que c'est le relais de temporisation qui gère le fin de course et peut-être aussi la petite vitesse. Sinon où se trouve le contacteur fin de course, sur le moteur ? La commande, c'est le commodo est-ce qu'il renvoie une tension sur la connexion de petite vitesse (pv) ou si tu le fais manuellement avec un fil il tourne doucement ? A+
Les schémas sont déjà sur le forum, maintenant ce n'est peut-être pas ce qu'il y a de plus compréhensible. Je ne suis pas un spécialiste de l'électricité des disco, mais on dirait sur le schéma que c'est le relais de temporisation qui gère le fin de course et peut-être aussi la petite vitesse. Sinon où se trouve le contacteur fin de course, sur le moteur ? La commande, c'est le commodo est-ce qu'il renvoie une tension sur la connexion de petite vitesse (pv) ou si tu le fais manuellement avec un fil il tourne doucement ? A+
2 solutions: la bonne et l'Anglaise
LUCAS: Il n'y a pas de contact où il le faut et il y en a un où il ne faut pas
On ne peut aller loin en amitié, si on n'est pas disposé à se pardonner les uns aux autres les petits défauts.
www.eternal-vehicles.fr
LUCAS: Il n'y a pas de contact où il le faut et il y en a un où il ne faut pas
On ne peut aller loin en amitié, si on n'est pas disposé à se pardonner les uns aux autres les petits défauts.
www.eternal-vehicles.fr