Identification prises dans aile gauche DEF TD5

Bidouillages électriques, codes d'erreur ECU...

Modérateurs : The Pater, LØLØ

Règles du forum
En naviguant sur le site http://www.landroverfaq.com vous reconnaissez avoir lu ses Conditions d’Utilisation, vous déclarez les comprendre et vous acceptez d’y être lié de manière inconditionnelle. Si tel n'est pas le cas, merci de quitter immédiatement ce site.

Vous pouvez joindre autant d'images que nécessaire à vos messages A LA CONDITION EXPRESSE d'utiliser l'hébergement fourni par le site.

L'administrateur effacera systématiquement tout message contenant des photos hébergées chez Imageschack, Casimage, Wistiti ou tout autre hébergeur tiers sans sommation ni justification.
Répondre
Avatar du membre
gil13
Habitué
Messages : 86
Enregistré le : 25/10/2007 22:45
Localisation : BOUC BEL AIR

Identification prises dans aile gauche DEF TD5

Message non lu par gil13 »

IMG_6382.JPG
Bonjour chers landistes,
Apres une longue absence me voici de retour sur ce site extraordinaire pour une question de faisceau électrique
Pour changer mon klaxon défaillant, j'ai accédé à "l'intérieur" de l'aile gauche de mon DEF 130 TD5 / année 2000
J'ai trouvé à cet endroit 2 prises femelles inutilisées (une rouge et une noire), quelqu'un aurait 'il une idée sur leur vocation ?
Je joins une photo
Merci :roll:
Avatar du membre
nanard833
Habitué
Messages : 3989
Enregistré le : 10/10/2009 20:18
Localisation : disco 300TDI 431000 bornes

Re: Identification prises dans aile gauche DEF TD5

Message non lu par nanard833 »

Salut,

je crois avoir la même chose dans mon disco mais j'ignore à quoi elle servent, probablement à rien sur un 300 :mrgreen:

A+
Gratter la botte ne soulage guère quand ça démange à l'intérieur (proverbe chinois)
Avatar du membre
nomansland
Habitué
Messages : 1745
Enregistré le : 08/12/2006 10:58
Localisation : sud 77

Re: Identification prises dans aile gauche DEF TD5

Message non lu par nomansland »

Salut ; ne serait-ce pas pour le klakson de l'alarme ?
a+Stef
Avatar du membre
gil13
Habitué
Messages : 86
Enregistré le : 25/10/2007 22:45
Localisation : BOUC BEL AIR

Re: Identification prises dans aile gauche DEF TD5

Message non lu par gil13 »

Bjr,
Connecteurs pour le klaxon de l'arme : non car le DEF en est équipé et elle fonctionne normalment alors que ces 2 connecteurs ne sont pas branchés
Dans l'aile droite il y a aussi 2 connecteurs inutilisés

Pourraient il être des connecteurs "en attente" (antibrouillard ,longue portée ?) , la question est ou aboutissent t'ils :?:
Si quelqu'un avait un schéma de câblage ou un lien DEF TD5 130 2000
Merci

Voici la photo des connecteurs aile droite
Bonne journée à tous
Capture d’écran 2017-09-29 à 10.12.22.png
Modifié en dernier par gil13 le 02/10/2017 0:30, modifié 2 fois.
Avatar du membre
nomansland
Habitué
Messages : 1745
Enregistré le : 08/12/2006 10:58
Localisation : sud 77

Re: Identification prises dans aile gauche DEF TD5

Message non lu par nomansland »

Avec les couleurs des fils on devrait retrouver leur fonctions !!
Avatar du membre
nomansland
Habitué
Messages : 1745
Enregistré le : 08/12/2006 10:58
Localisation : sud 77

Re: Identification prises dans aile gauche DEF TD5

Message non lu par nomansland »

Avatar du membre
LØLØ
Modérateur
Messages : 6210
Enregistré le : 30/07/2006 15:41
Localisation : guainville (28 )
Contact :

Re: Identification prises dans aile gauche DEF TD5

Message non lu par LØLØ »

gil13 a écrit : j'ai accédé à "l'intérieur" de l'aile gauche de mon DEF 130 TD5 / année 2000
J'ai trouvé à cet endroit 2 prises femelles inutilisées (une rouge et une noire), quelqu'un aurait 'il une idée sur leur vocation ?
Salut,

Il s'agit de l'alimentation des pompes de lave glace ( avant et arrière). Car pour les versions anglaises le faisceau électrique des ailes est le même, et ils ont doublé certain connecteur, mais la disposition d'accessoires comme le bocal de lave glace
le klaxon; le boitier de chauffage... est différente et inversé a cause des pédaliers et de la colonne de direction.
Contrôle avec le schéma et la couleur des fils arrivant sur les connecteurs comme le précise nomansland.
schema TD5 1999 essuie glace.jpg
Il doit aller vers un header ( collecteur de raccordement C0287) puis vers les commodos concernés.
Dans l'aile droite il y a aussi 2 connecteurs inutilisés
Il doit s'agir de de connecteurs "en attente" (antibrouillard ,longue portée ?) , la question est ou aboutissent t'ils :?:
Le connecteur 3 broches, sert pour l'option réglage des phares : il fait partie du faisceau d'aile ref : YMD001020
connecteur reglage hauteur de phare.jpg
Le schéma où tu peux voir qu'ils partent vers le Header C0290 et C0288
Schéma reglage phare TD5.jpg
Le petit connecteur avec le fil violet liseré noir, sert pour le Klaxon.
connecteur Klaxon Td5.jpg
Tu peux voir sur le schéma du klaxon le principe du RH ou du LH (Right Hand ou Left Hand). Là les fils vont vers le Header C0285
schéma Klaxon TD5.jpg
En règle générale, les collecteurs de raccordement pour la plus part, se trouvent dans le faisceau derrière la console centrale.
Là le header C0290 facilement reconnaissable a tous ses fils rouges liseré oranges :
Header C0290.jpg
Ici bien emmailloté avec le toron du faisceau principale, tu peux reconnaître le collecteur C0288 avec les 3 fils bleus liseré jaunes assez caractéristique de la commande du réglage en hauteur des phares. la couleur des header dépend du type de raccordement en interne.
Collecteur de raccordement C0288.jpg
Vois cette inter, pour le principe ou celle >là< avec le lien vers Veilleuses-codes-phares HS Def 300tdi/td5
A+
2 solutions: la bonne et l'Anglaise
LUCAS: Il n'y a pas de contact où il le faut et il y en a un où il ne faut pas
On ne peut aller loin en amitié, si on n'est pas disposé à se pardonner les uns aux autres les petits défauts.
www.eternal-vehicles.fr
Avatar du membre
gil13
Habitué
Messages : 86
Enregistré le : 25/10/2007 22:45
Localisation : BOUC BEL AIR

Re: Identification prises dans aile gauche DEF TD5

Message non lu par gil13 »

Bonsoir,

Donc avec toutes vos explications et schémas (super.....!), j'ai compris que sur mon DEF l'alimentation des Klaxons dans aile gauche a donc du être "bricolée" avant mon acquisition ( les connecteurs d'origine ont disparu et remplacés par des fiches plates)

Ce site est une véritable mine d'or bravo :sm3: et merci aux connaisseurs specialistes :)

Me reste plus qu'à identifier ce dernier connecteur marron (inutilisé sur mon DEF,aile gauche toujours)
Capture d’écran 2017-10-02 à 00.14.48.png
Avatar du membre
LØLØ
Modérateur
Messages : 6210
Enregistré le : 30/07/2006 15:41
Localisation : guainville (28 )
Contact :

Re: Identification prises dans aile gauche DEF TD5

Message non lu par LØLØ »

Salut,
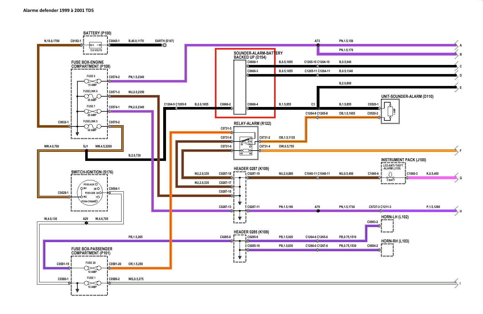
C'est probablement le connecteur pour la batterie d'alarme à 4 broches, répondant au doux nom de C0666. Comme toujours, si tu souhaites une identification certaine, donne nous le nombre et la couleur des fils avec celle du liseré quand il y en a un. Là les couleurs des fils devraient être toutes noirs pour des raisons de confidentialité. Ils sont gainés dans un manchon de protection en plastique noir.
Le plus gros broche 2, celui de 2mm² vient du fusible 5 de 60 A du boitier fusible sous le siège, c'est un 12 V permanent. Donc bien protéger la prise, si elle n'est pas utilisée. Le moyen de 1.5mm² broche 4, c'est la masse qui va sur C0550 visser sur tablier. L'un des deux petits, broche 3 de 0.5mm², c'est la commande qui va à la broche 5 du connecteur vert C0057du boitier d'alarme (AS10) via le header C0289, où il change de couleur pour devenir orange liseré blanc. Enfin le deuxième plus petit fil, broche 1 c'est un 12V après contact qui va au header C0286 pour rejoindre le fusible 1 de 10A du tableau derrière le levier.
faisceau connecteur C0666 sirène d'alarme.jpg
Son schéma:
schéma Alarme defender TD5.jpg
Est ce que par hasard, avec, ou proche, n'y aurait-il pas le connecteur C0520 de la sirène d'alarme avec le fil orange liseré noir ?
faisceau siréne.jpg
A+
2 solutions: la bonne et l'Anglaise
LUCAS: Il n'y a pas de contact où il le faut et il y en a un où il ne faut pas
On ne peut aller loin en amitié, si on n'est pas disposé à se pardonner les uns aux autres les petits défauts.
www.eternal-vehicles.fr
Avatar du membre
gil13
Habitué
Messages : 86
Enregistré le : 25/10/2007 22:45
Localisation : BOUC BEL AIR

Re: Identification prises dans aile gauche DEF TD5

Message non lu par gil13 »

Bonjour,
Désolé pour la réponse tardive, faut bosser dans la semaine .... :?
LOLO a donné toutes les réponses,c'est bien çà : le connecteur "brun" reçoit 4 fils noirs (1 gros ,1 moyen et 2 petits) et effectivement j'ai trouvé deux fils (noir + noir liseré orange (sans connecteur cause bricolage antérieur, la prise CO520 ayant été supprimée )
Merci pour les schémas électriques

Cette batterie d'alarme : est ce une option car mon alarme fonctionne normalement sans que j'ai connaissance d'une batterie autre que la principale ? Cette batterie d'alarme serait donc logée dans l'aile gauche ? En savoir plus sur cette question ?

Y a t'il moyen de commander qlq part des connecteurs d'origine males et femelles

Je me pose toutes ces questions car je veux installer une paire de phares additionnels sur le pare choc ainsi qu'un treuil , je recherchais donc d'éventuels câblages inutilisés entre la cabine et le compartiment moteur

Merci Bon WE
Gilles / DEF 13
Avatar du membre
LØLØ
Modérateur
Messages : 6210
Enregistré le : 30/07/2006 15:41
Localisation : guainville (28 )
Contact :

Re: Identification prises dans aile gauche DEF TD5

Message non lu par LØLØ »

gil13 a écrit : Cette batterie d'alarme : est ce une option car mon alarme fonctionne normalement sans que j'ai connaissance d'une batterie autre que la principale ? Cette batterie d'alarme serait donc logée dans l'aile gauche ?
Salut,
Oui, c'est une option. Mais a mon sens il est préférable d'utiliser ces fils pour une option de ton choix, genre longue portées, plutôt que d'essayer de remonter une alarme d'origine, qui sur les def ne bloque pas les voleurs. Fais toi plutôt un système anti démarrage perso connu de toi seul et de tes héritiers, genre un inter sur le capteur de point mort haut ou un truc dans le genre.
En savoir plus sur cette question ?
Vois sur ce forum anglais: http://www.defender2.net/forum/post310364.html
Y a t'il moyen de commander qlq part des connecteurs d'origine males et femelles
Attends une prochaine brocante, ou trouve un faisceau d'aile complet YMD001020 une 100€ tout de même. Ou vois chez eux Autosparks.
... je veux installer une paire de phares additionnels sur le pare choc ainsi qu'un treuil , je recherchais donc d'éventuels câblages inutilisés entre la cabine et le compartiment moteur
Oui, c'est une très bonne démarche. Dans du 2 mm² tu peux largement passer 10A en récupérant les alimentations sur le connecteur de la batterie additionnelle, tu peux alimenter la partie relais du treuil voir même réaliser avec, une commande par un bouton de lève vitre au tableau de bord et les longues portée.
La deuxième partie du schéma de l'alarme, a toutes fins utiles.
schema alarme TD5 2ème partie.jpg
A+
2 solutions: la bonne et l'Anglaise
LUCAS: Il n'y a pas de contact où il le faut et il y en a un où il ne faut pas
On ne peut aller loin en amitié, si on n'est pas disposé à se pardonner les uns aux autres les petits défauts.
www.eternal-vehicles.fr
Avatar du membre
gil13
Habitué
Messages : 86
Enregistré le : 25/10/2007 22:45
Localisation : BOUC BEL AIR

Re: Identification prises dans aile gauche DEF TD5

Message non lu par gil13 »

Super, j'ai toutes les infos nécessaires à mes projets
Merci LOLO
A bientôt
Gilles DEF13
Répondre

Retourner vers « Electricité • Electronique »