Moteur arrété apres changement d un fusible!
Règles du forum
En naviguant sur le site http://www.landroverfaq.com vous reconnaissez avoir lu ses Conditions d’Utilisation, vous déclarez les comprendre et vous acceptez d’y être lié de manière inconditionnelle. Si tel n'est pas le cas, merci de quitter immédiatement ce site.
Vous pouvez joindre autant d'images que nécessaire à vos messages A LA CONDITION EXPRESSE d'utiliser l'hébergement fourni par le site.
L'administrateur effacera systématiquement tout message contenant des photos hébergées chez Imageschack, Casimage, Wistiti ou tout autre hébergeur tiers sans sommation ni justification.
En naviguant sur le site http://www.landroverfaq.com vous reconnaissez avoir lu ses Conditions d’Utilisation, vous déclarez les comprendre et vous acceptez d’y être lié de manière inconditionnelle. Si tel n'est pas le cas, merci de quitter immédiatement ce site.
Vous pouvez joindre autant d'images que nécessaire à vos messages A LA CONDITION EXPRESSE d'utiliser l'hébergement fourni par le site.
L'administrateur effacera systématiquement tout message contenant des photos hébergées chez Imageschack, Casimage, Wistiti ou tout autre hébergeur tiers sans sommation ni justification.
Moteur arrété apres changement d un fusible!
Bonjour a tous sur ce forum qui m a l air d être un regroupement de pointure en tout genre.
Merci a JbDeMada ainsi qu aux modérateurs de m avoir accepté en tant que nouveau membre!
Je vous explique ce qu il m est arrivé avec mon freelander de 2000 avec un superbe volant a droite!!!
Je suis arrivé en avance au boulot, il faisait très froid, donc en attendant ds la voiture, je mets le chauffage, la ventilation ne fonctionne pas...Je gigote un peu le bouton...rien.Je me dis que cela doit être le fusible, j ai de l avance , je regarde.La ventilation correspondrait au fusible de 25 A.Il a l air bon, je le change qd m puisque j en ai un d avance.
Je remet la ventilation sur une position autre que 0!et La!!surprise!!!le moteur s arrête!!!plus moyen de redémarrer.Je regarde quelques autres fusibles, ils semblent être bons...Je shunte en faisant contact les gros fusibles sous le capot., rien le moteur ne démarre toujours pas.Et la je suis en retard!!
Le mieux est l ennemi du bien!
Bref je ne sais plus quoi faire...
Je ne suis pas mécano, mais je sais mettre les mains dedans.Je ne suis pas électricien, mais je connais des trucs qd même!J ai besoin d être aiguillé.
Pour l instant la voiture est garé sur un parking, mais d ici peu de temps il faudra que je puisse la deplacer!
Merci pour toutes reponses!
Merci a JbDeMada ainsi qu aux modérateurs de m avoir accepté en tant que nouveau membre!
Je vous explique ce qu il m est arrivé avec mon freelander de 2000 avec un superbe volant a droite!!!
Je suis arrivé en avance au boulot, il faisait très froid, donc en attendant ds la voiture, je mets le chauffage, la ventilation ne fonctionne pas...Je gigote un peu le bouton...rien.Je me dis que cela doit être le fusible, j ai de l avance , je regarde.La ventilation correspondrait au fusible de 25 A.Il a l air bon, je le change qd m puisque j en ai un d avance.
Je remet la ventilation sur une position autre que 0!et La!!surprise!!!le moteur s arrête!!!plus moyen de redémarrer.Je regarde quelques autres fusibles, ils semblent être bons...Je shunte en faisant contact les gros fusibles sous le capot., rien le moteur ne démarre toujours pas.Et la je suis en retard!!
Le mieux est l ennemi du bien!
Bref je ne sais plus quoi faire...
Je ne suis pas mécano, mais je sais mettre les mains dedans.Je ne suis pas électricien, mais je connais des trucs qd même!J ai besoin d être aiguillé.
Pour l instant la voiture est garé sur un parking, mais d ici peu de temps il faudra que je puisse la deplacer!
Merci pour toutes reponses!
Le mieux est l ennemi du bien!Si tu es en avance, ne change pas de fusible!
Re: Moteur arrété apres changement d un fusible!
Salut,
Tu as changé le fusible moteur tournant ?
Tu as changé le fusible moteur tournant ?
Re: Moteur arrété apres changement d un fusible!
Oui. Le moteur tournait. Je l ai changé. Et c est quand j ai tourné le bouton de ventilation sur un des chiffres que le moteur s est arrêté!
Le mieux est l ennemi du bien!Si tu es en avance, ne change pas de fusible!
Re: Moteur arrété apres changement d un fusible!
Je ne connait pas le circuit électrique du Free, mais es-tu sûr que ce fusible ne servait qu'à l'alimentation du circuit de ventilation ?
As-tu les schémas ?
A+
As-tu les schémas ?
A+
Re: Moteur arrété apres changement d un fusible!
Hello. Quand j ai enlevé le fusible pour l échanger le moteur tournait encore.
Le mieux est l ennemi du bien!Si tu es en avance, ne change pas de fusible!
Re: Moteur arrété apres changement d un fusible!
J ai des plans anglais.
Le mieux est l ennemi du bien!Si tu es en avance, ne change pas de fusible!
Re: Moteur arrété apres changement d un fusible!
J essaie de les mettre.
Le mieux est l ennemi du bien!Si tu es en avance, ne change pas de fusible!
- LØLØ
- Modérateur
- Messages : 6210
- Enregistré le : 30/07/2006 15:41
- Localisation : guainville (28 )
- Contact :
Re: Moteur arrété apres changement d un fusible!
Salut, bienvenue,
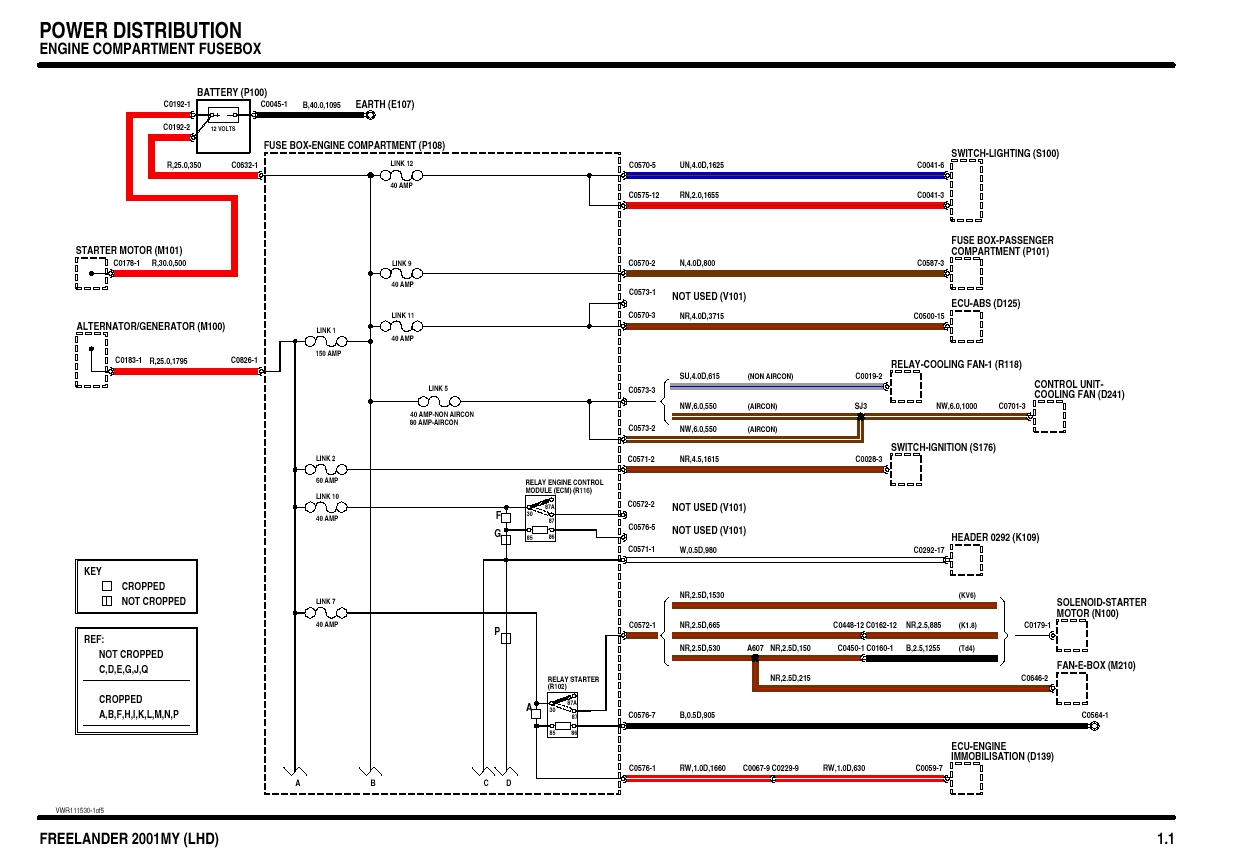
Aie! Je suis loin d'être un pro du free, je crois bien même que je ne suis jamais monté dedans. A la lecture du schéma de la commande de soufflerie, il y a bien le fusible f4 de 25 A : Mais ce que l'on peut remarquer dans un premier temps, c'est qu'il y a d'autre fusibles plus important en ampérage, qui auraient également put griller et ceux là sont influençant sur d'autre partie du système électrique du free le fuse 8 de 30A mais également les link 1 (150A) et 2 (60A) qui sont des gros fusibles vissés.
Pour le fusible 8 il est directement concerné par le moteur du ventilateur de soufflerie, et si il est grippé, il peut entrainer dans sa chute le 150 A et pareillement, en cas de problème sur la commande, le f4 peut entrainer un problème sur le Link 2 de 60 A, donc dans un premier temps, Il faut également regarder l'état de ces fusibles aussi et peut-être également enlever le relais R176 de commande du circuit de ventilation pour isoler cette région suspect du circuit électronique.
Le schéma est extrait du RAVE et il est noté comme étant de la deuxième édition a partir de MY 2001 donc peut-être qu'il y a quelques nuances par rapport a ton modèle de 2000.
A+
Aie! Je suis loin d'être un pro du free, je crois bien même que je ne suis jamais monté dedans. A la lecture du schéma de la commande de soufflerie, il y a bien le fusible f4 de 25 A : Mais ce que l'on peut remarquer dans un premier temps, c'est qu'il y a d'autre fusibles plus important en ampérage, qui auraient également put griller et ceux là sont influençant sur d'autre partie du système électrique du free le fuse 8 de 30A mais également les link 1 (150A) et 2 (60A) qui sont des gros fusibles vissés.
Pour le fusible 8 il est directement concerné par le moteur du ventilateur de soufflerie, et si il est grippé, il peut entrainer dans sa chute le 150 A et pareillement, en cas de problème sur la commande, le f4 peut entrainer un problème sur le Link 2 de 60 A, donc dans un premier temps, Il faut également regarder l'état de ces fusibles aussi et peut-être également enlever le relais R176 de commande du circuit de ventilation pour isoler cette région suspect du circuit électronique.
Le schéma est extrait du RAVE et il est noté comme étant de la deuxième édition a partir de MY 2001 donc peut-être qu'il y a quelques nuances par rapport a ton modèle de 2000.
A+
2 solutions: la bonne et l'Anglaise
LUCAS: Il n'y a pas de contact où il le faut et il y en a un où il ne faut pas
On ne peut aller loin en amitié, si on n'est pas disposé à se pardonner les uns aux autres les petits défauts.
www.eternal-vehicles.fr
LUCAS: Il n'y a pas de contact où il le faut et il y en a un où il ne faut pas
On ne peut aller loin en amitié, si on n'est pas disposé à se pardonner les uns aux autres les petits défauts.
www.eternal-vehicles.fr
Re: Moteur arrété apres changement d un fusible!
Merci LOLO!
J ai testé en démontant touts les fusibles, petits et grands a dévissés.
J ai inversé tout les relais identiques en me disant qu il ne doit pas y en avoir deux de grillé..
Toujours rien...
Si un jour il redémarre, et que tu passes en savoie tu pourras même monter dedans pour essayer!!!
Suite...
J ai testé en démontant touts les fusibles, petits et grands a dévissés.
J ai inversé tout les relais identiques en me disant qu il ne doit pas y en avoir deux de grillé..
Toujours rien...
Si un jour il redémarre, et que tu passes en savoie tu pourras même monter dedans pour essayer!!!
Suite...
Le mieux est l ennemi du bien!Si tu es en avance, ne change pas de fusible!
- LØLØ
- Modérateur
- Messages : 6210
- Enregistré le : 30/07/2006 15:41
- Localisation : guainville (28 )
- Contact :
Re: Moteur arrété apres changement d un fusible!
Salut,
As tu un multimètre? Afin d'effectuer quelques contrôles de base.
Que se passe t-il quand tu mets la clef au premier cran, puis au deuxième cran et enfin en position 3 pour actionner le démarreur.
En position 1 qu'est ce qui marche, autoradio, feux, klaxon...?
En position 2 voyants, feux, essuie glace...?
Détermine tout ce qui marche ou pas, cela permettra éventuellement de cibler une zone de recherche.
Est ce que la boite à fusible ressemble à celle là ? Les Schémas associés:
1)As tu du 12 V de chaque coté du fusible Link 1 de 150A ? 2)Un coup de klaxon, peut confirmer la présence du 12V entre B et F et donc que LINK 1 est bon et que le +12V arrive bien au relais principal... 3) 4)Contrôle si tu as bien les tensions autour du "RELAY MAIN" R100 ou relais principal repéré R4 sur le tableau; en un mot, si les fusibles 1,2,3 et 4 sont bien alimentés quand tu mets le contact ? 5) Mon pressentiment, c'est que le remplacement du fusible de soufflerie a généré un défaut par un appel de courant trop important sur une autre partie électrique nécessaire au fonctionnement du moteur. Soit en claquant un fusible ce qui serait le meilleur des cas, soit en ayant fait fondre une partie du faisceau ou un relais ou un point de masse ou...
Bon courage.
A+
As tu un multimètre? Afin d'effectuer quelques contrôles de base.
Que se passe t-il quand tu mets la clef au premier cran, puis au deuxième cran et enfin en position 3 pour actionner le démarreur.
En position 1 qu'est ce qui marche, autoradio, feux, klaxon...?
En position 2 voyants, feux, essuie glace...?
Détermine tout ce qui marche ou pas, cela permettra éventuellement de cibler une zone de recherche.
Est ce que la boite à fusible ressemble à celle là ? Les Schémas associés:
1)As tu du 12 V de chaque coté du fusible Link 1 de 150A ? 2)Un coup de klaxon, peut confirmer la présence du 12V entre B et F et donc que LINK 1 est bon et que le +12V arrive bien au relais principal... 3) 4)Contrôle si tu as bien les tensions autour du "RELAY MAIN" R100 ou relais principal repéré R4 sur le tableau; en un mot, si les fusibles 1,2,3 et 4 sont bien alimentés quand tu mets le contact ? 5) Mon pressentiment, c'est que le remplacement du fusible de soufflerie a généré un défaut par un appel de courant trop important sur une autre partie électrique nécessaire au fonctionnement du moteur. Soit en claquant un fusible ce qui serait le meilleur des cas, soit en ayant fait fondre une partie du faisceau ou un relais ou un point de masse ou...
Bon courage.
A+
2 solutions: la bonne et l'Anglaise
LUCAS: Il n'y a pas de contact où il le faut et il y en a un où il ne faut pas
On ne peut aller loin en amitié, si on n'est pas disposé à se pardonner les uns aux autres les petits défauts.
www.eternal-vehicles.fr
LUCAS: Il n'y a pas de contact où il le faut et il y en a un où il ne faut pas
On ne peut aller loin en amitié, si on n'est pas disposé à se pardonner les uns aux autres les petits défauts.
www.eternal-vehicles.fr
Re: Moteur arrété apres changement d un fusible!
Suite de la galère sous la neige et dans le froid!
Donc en me gelant bien les doigt, j ai testé tous les gros fusible FL 2 3 4 5 6, il y a du courants.
Un ami est venu me filer un coup de main.Pour lui c est l arrivée de gasoil.
Comme il fait froid, il dit qu il y a un peu de paraffine...
Un moment en essayant , le moteur a démarré un petit coup, puis s est éteint.(pour mon ami, c est un reste de gzoil).
Nous avons démonté la fiche de la pompe proche du filtre a gazoil, il n y a pas de courant qd on met le contact.pas de gazoil qui sort non plus a la sortie du filtre qd on débranche la durite, est ce normal?
Nous avons mis une durite branché a un récipient de gazoil sur la durite qui se branche en sortie de filtre, pour voir si le moteur tournerait...rien...est ce parcqu il faut de la pression( grâce a la pompe) pour que ca arrive jusqu au cylindre???
En regardant le sachem elec des pompes, le relais est alimente par le module de control du moteur.???
suis je dans une piste valable?ou se trouve ce module?ou est le relais de la pompe?puis je le shunter?
Vais je devoir mettre le feu a ce véhicule pour m en débarrasser?Au moins j aurais eu enfin chaud!!car c était le but depuis le début!
Donc en me gelant bien les doigt, j ai testé tous les gros fusible FL 2 3 4 5 6, il y a du courants.
Un ami est venu me filer un coup de main.Pour lui c est l arrivée de gasoil.
Comme il fait froid, il dit qu il y a un peu de paraffine...
Un moment en essayant , le moteur a démarré un petit coup, puis s est éteint.(pour mon ami, c est un reste de gzoil).
Nous avons démonté la fiche de la pompe proche du filtre a gazoil, il n y a pas de courant qd on met le contact.pas de gazoil qui sort non plus a la sortie du filtre qd on débranche la durite, est ce normal?
Nous avons mis une durite branché a un récipient de gazoil sur la durite qui se branche en sortie de filtre, pour voir si le moteur tournerait...rien...est ce parcqu il faut de la pression( grâce a la pompe) pour que ca arrive jusqu au cylindre???
En regardant le sachem elec des pompes, le relais est alimente par le module de control du moteur.???
suis je dans une piste valable?ou se trouve ce module?ou est le relais de la pompe?puis je le shunter?
Vais je devoir mettre le feu a ce véhicule pour m en débarrasser?Au moins j aurais eu enfin chaud!!car c était le but depuis le début!
Le mieux est l ennemi du bien!Si tu es en avance, ne change pas de fusible!
- LØLØ
- Modérateur
- Messages : 6210
- Enregistré le : 30/07/2006 15:41
- Localisation : guainville (28 )
- Contact :
Re: Moteur arrété apres changement d un fusible!
Salut,
1) 2)
Bas du pied coté conducteur, mais je ne sais pas trop si c'est pour une conduite à droite ou à gauche?
Courage...
A+
OKBytonyo a écrit :Suite de la galère sous la neige et dans le froid!
Donc en me gelant bien les doigt, j ai testé tous les gros fusible FL 2 3 4 5 6, il y a du courants.
Le changement de fusible moteur tournant ne me fait pas penser a un problème sur l'arrivée de gasoil gelé, ou alors c'est un problème suppléméntaire qui est venue se greffer.Un ami est venu me filer un coup de main.Pour lui c est l arrivée de gasoil.Comme il fait froid, il dit qu il y a un peu de paraffine...
Ah, cela veut dire que le démarreur tourne...Un moment en essayant , le moteur a démarré un petit coup, puis s est éteint.(pour mon ami, c est un reste de gzoil).
D’après le schéma, c'est le calculateur qui contrôle la mise à la masse du relais de pompe, probablement en fonction de la pression dans le circuit. Et son alimentation sur un +12V permanent est protégé par le fusible 10 de 20A dans le tableau de fusible du compartiment moteur. Bêtement au passage contrôle le switch a inertie, bien que je ne pense pas que ce soit lui le problème. Maintenant si la jauge à carburant fonctionne, il y a de forte chance que l'alimentation de la pompe aussi.Nous avons démonté la fiche de la pompe proche du filtre a gazoil, il n y a pas de courant qd on met le contact.pas de gazoil qui sort non plus a la sortie du filtre qd on débranche la durite, est ce normal?
1) 2)
C'est la pompe qui pousse le GO dans le système d'injection.Nous avons mis une durite branché a un récipient de gazoil sur la durite qui se branche en sortie de filtre, pour voir si le moteur tournerait...rien...est ce parcqu il faut de la pression( grâce a la pompe) pour que ca arrive jusqu au cylindre???
Pas alimenté, mais contrôlé ou géré en fonction de paramètre pris en compte par le calculateur comme la pression ou la vitesse de rotation...En regardant le schema électrique des pompes, le relais est alimenté par le module de controle du moteur.???
Je ne pense pas que cette piste soit la bonne.suis je dans une piste valable?ou se trouve ce module?ou est le relais de la pompe?
Bas du pied coté conducteur, mais je ne sais pas trop si c'est pour une conduite à droite ou à gauche?
Pourquoi pas en mettant un shunt entre la broche 2 et la broche 8 directement sur le support, mais fais le moteur arrêté, puis met le contact et écoute ce qui se passe, vois si la pompe tourne, mais elle ne sera pas régulé, donc n'insiste pas trop, même si le free a démarré.puis je le shunter?
Vais je devoir mettre le feu a ce véhicule pour m en débarrasser?Au moins j aurais eu enfin chaud!!car c était le but depuis le début!
Courage...
A+
2 solutions: la bonne et l'Anglaise
LUCAS: Il n'y a pas de contact où il le faut et il y en a un où il ne faut pas
On ne peut aller loin en amitié, si on n'est pas disposé à se pardonner les uns aux autres les petits défauts.
www.eternal-vehicles.fr
LUCAS: Il n'y a pas de contact où il le faut et il y en a un où il ne faut pas
On ne peut aller loin en amitié, si on n'est pas disposé à se pardonner les uns aux autres les petits défauts.
www.eternal-vehicles.fr
Re: Moteur arrété apres changement d un fusible!
Merci lolo je retourne au froid!!!
J ai oublié de dire que quand je met le contact, tout fonctionne.
La radio, le klaxon, les feux ... Le démarreur...
J ai oublié de dire que quand je met le contact, tout fonctionne.
La radio, le klaxon, les feux ... Le démarreur...
Le mieux est l ennemi du bien!Si tu es en avance, ne change pas de fusible!
Re: Moteur arrété apres changement d un fusible!
Résultat:pas de résultat.
En tout cas merci LOLO, du soutient moral, car je commence a désespérer...Et a en avoir marre, ce ne fait plus vraiment rire...
Je n ai pas trouve de fusible 150 A.
Qu est ce que le switch a inertie, ainsi que le header?
J ai essaye de brancher deux fils direct sur la pompe, venant de la batterie, pour voir si la pompe tourne, elle ne tourne pas.De plus ,pas de courant qui arrive a la pompe qd je met le contact..Deux choses illogiques...ca me gonfle.
Il y a surement aussi une vanne qui coupe l injection qd on coupe le contact?non?
Pourquoi a t il demarré un peu , tourné quelques minutes et s est coupé ...
Le filtre serait vide?avec deux pompes, il ne se serait pas rempli tout seul?
Je comprend rien, je ne sais pas ou regarder...quoi tester...
Merci
En tout cas merci LOLO, du soutient moral, car je commence a désespérer...Et a en avoir marre, ce ne fait plus vraiment rire...
Je n ai pas trouve de fusible 150 A.
Qu est ce que le switch a inertie, ainsi que le header?
J ai essaye de brancher deux fils direct sur la pompe, venant de la batterie, pour voir si la pompe tourne, elle ne tourne pas.De plus ,pas de courant qui arrive a la pompe qd je met le contact..Deux choses illogiques...ca me gonfle.
Il y a surement aussi une vanne qui coupe l injection qd on coupe le contact?non?
Pourquoi a t il demarré un peu , tourné quelques minutes et s est coupé ...
Le filtre serait vide?avec deux pompes, il ne se serait pas rempli tout seul?
Je comprend rien, je ne sais pas ou regarder...quoi tester...
Merci
Le mieux est l ennemi du bien!Si tu es en avance, ne change pas de fusible!
- LØLØ
- Modérateur
- Messages : 6210
- Enregistré le : 30/07/2006 15:41
- Localisation : guainville (28 )
- Contact :
Re: Moteur arrété apres changement d un fusible!
C'est le FL1 sur la première pièce jointe deux inters plus haut:Bytonyo a écrit : Je n ai pas trouve de fusible 150 A.
,Qu est ce que le switch a inertie
C'est un bouton qui coupe la pompe a gasoil et l'ECU en cas d'accident, il y a une bille dedans qui saute, et il faut le réarmé en appuyant simplement dessus. Sa situation géographique... Etant donnée que je ne connais pas les free, je ne peux que te fournir une photo de situation extraite de la doc constructeur, son connecteur c'est le C0123.
C'est un collecteur de raccordement, en gros une espèce de domino, qui permet de réunir plusieurs fil d'une même fonction entre eux. Il y en a un peu partout sur le faisceau, il faut être plus précis et donner le numéro de celui que tu cherches a ausculter. Par exemple de schéma de C0287: Ils des couleurs différentes, en fonction de la répartition de leur nombre de liaison en interne, ils ont cette aspect là : Vois ce thème où il en est question avec un exemple de ce qui peut leur arriver : Veilleuses-codes-phares HS Def 300tdi/td5ainsi que le header?
Houla! Avec un simple shunt sur le relais, il me semble que tu aurais dut l'entendre tourner un peut si OK.J ai essaye de brancher deux fils direct sur la pompe, venant de la batterie, pour voir si la pompe tourne, elle ne tourne pas.
Il y a un contrôle de la pression, donc si le circuit de carburant est en pression l'ECU coupe son alimentation via la masse du relais qu'il contrôle en la commutant ou pas.De plus ,pas de courant qui arrive a la pompe qd je met le contact..Deux choses illogiques...ca me gonfle.
Oui, c'est le calculateur qui contrôle les vannes qui sont en faite les injecteurs.Il y a surement aussi une vanne qui coupe l injection qd on coupe le contact?non?
Ca c'est plutôt bon signe, cela veut dire qu'il y a un tas de truc de bon, fusible...Pourquoi a t il demarré un peu , tourné quelques minutes et s est coupé ...
Est ce qu'il y a une procédure de réamorçage, comme sur les def ou disco TD5 peut-être en tournant 5 fois suite la clef pendant x secondes à x seconde d'intervals, cherche dans le manuel du propriétaire, cela doit y être mentionné.Le filtre serait vide?avec deux pompes, il ne se serait pas rempli tout seul?
Eu... le manuel du propriétaire et tester le xanax ou lexomil...Je comprend rien, je ne sais pas ou regarder...quoi tester...
A+
2 solutions: la bonne et l'Anglaise
LUCAS: Il n'y a pas de contact où il le faut et il y en a un où il ne faut pas
On ne peut aller loin en amitié, si on n'est pas disposé à se pardonner les uns aux autres les petits défauts.
www.eternal-vehicles.fr
LUCAS: Il n'y a pas de contact où il le faut et il y en a un où il ne faut pas
On ne peut aller loin en amitié, si on n'est pas disposé à se pardonner les uns aux autres les petits défauts.
www.eternal-vehicles.fr
Re: Moteur arrété apres changement d un fusible!
Hello lolo!
En tout cas merci du soutient technique et surtout psychologique !!!j avais déjà trouvé une corde!!!il manquait plus que la poutre!!!
Je vais y retourner des que possible!
Je n avais pas shunté le relais car j ai un doute du quel C est.
Il y en un dans le compartiment moteur mais qui est pour le carburant quand C est un essence!
Je tiens au courants!
Merci encore
En tout cas merci du soutient technique et surtout psychologique !!!j avais déjà trouvé une corde!!!il manquait plus que la poutre!!!
Je vais y retourner des que possible!
Je n avais pas shunté le relais car j ai un doute du quel C est.
Il y en un dans le compartiment moteur mais qui est pour le carburant quand C est un essence!
Je tiens au courants!
Merci encore
Le mieux est l ennemi du bien!Si tu es en avance, ne change pas de fusible!
Re: Moteur arrété apres changement d un fusible!
Hello tout le monde.
J ai du courant a l entrée de la pompe.
Mais quand je met le contact, je n entend aucune des deux pompes tourné...
Et en ayant devissé un peu un injecteur, il ne se met pas a carcher...
Je pense la démonter, la brancher en direct pour etre sur des contacts...et surtout voir si elle tourne.Bizare qd meme que les deux soient grillées!
Qu en pensez vous?serais je proche du bon?
merci
Antoine
J ai du courant a l entrée de la pompe.
Mais quand je met le contact, je n entend aucune des deux pompes tourné...
Et en ayant devissé un peu un injecteur, il ne se met pas a carcher...
Je pense la démonter, la brancher en direct pour etre sur des contacts...et surtout voir si elle tourne.Bizare qd meme que les deux soient grillées!
Qu en pensez vous?serais je proche du bon?
merci
Antoine
Le mieux est l ennemi du bien!Si tu es en avance, ne change pas de fusible!