Remotorisation 110 2.5 TD vers 300 TDI discovery
Règles du forum
En naviguant sur le site http://www.landroverfaq.com vous reconnaissez avoir lu ses Conditions d’Utilisation, vous déclarez les comprendre et vous acceptez d’y être lié de manière inconditionnelle. Si tel n'est pas le cas, merci de quitter immédiatement ce site.
Vous pouvez joindre autant d'images que nécessaire à vos messages A LA CONDITION EXPRESSE d'utiliser l'hébergement fourni par le site.
L'administrateur effacera systématiquement tout message contenant des photos hébergées chez Imageschack, Casimage, Wistiti ou tout autre hébergeur tiers sans sommation ni justification.
En naviguant sur le site http://www.landroverfaq.com vous reconnaissez avoir lu ses Conditions d’Utilisation, vous déclarez les comprendre et vous acceptez d’y être lié de manière inconditionnelle. Si tel n'est pas le cas, merci de quitter immédiatement ce site.
Vous pouvez joindre autant d'images que nécessaire à vos messages A LA CONDITION EXPRESSE d'utiliser l'hébergement fourni par le site.
L'administrateur effacera systématiquement tout message contenant des photos hébergées chez Imageschack, Casimage, Wistiti ou tout autre hébergeur tiers sans sommation ni justification.
Re: Remotorisation 110 2.5 TD vers 300 TDI discovery
L EGR est déjà obturé avec ce même kit.
Je vais me lancer dans le bain d essence. Ça marche aussi pour les durites et l intercoller ?
Je vais me lancer dans le bain d essence. Ça marche aussi pour les durites et l intercoller ?
-
RR VM 1992
Re: Remotorisation 110 2.5 TD vers 300 TDI discovery
Personnellement j'évite de nettoyer l'interco à l'essence à cause du risque d'emballement du moteur (résidus graisseux et essence au fond de l'interco qui partent mal )stef35 a écrit :L EGR est déjà obturé avec ce même kit.
Je vais me lancer dans le bain d essence. Ça marche aussi pour les durites et l intercoller ?
En principe il s'auto nettoie avec les vapeurs d'huile qui passe dedans comme pour les durites en amont de l'entrée EGR à l'entrée du collecteur
C'est la durite à l'entrée du collecteur qui est très sale (nettoyage au white spirit plutôt qu'a l'essence)
Modifié en dernier par RR VM 1992 le 05/01/2020 22:25, modifié 1 fois.
- nanard833
- Habitué
- Messages : 3989
- Enregistré le : 10/10/2009 20:18
- Localisation : disco 300TDI 431000 bornes
Re: Remotorisation 110 2.5 TD vers 300 TDI discovery
+1
Gratter la botte ne soulage guère quand ça démange à l'intérieur (proverbe chinois)
- LØLØ
- Modérateur
- Messages : 6209
- Enregistré le : 30/07/2006 15:41
- Localisation : guainville (28 )
- Contact :
Re:
Salut,stef35 a écrit :
Ma prochaine galère en vue est l'échappement. J'ai récupéré celui du disco, mais il est en très mauvaise état. Savez vous si celui du disco est identique à celui du def 110 300 tdi ? A minima il est différent ce celui du 2.5 TD en diamètre, ce qui est très dommage car le miens était en super état. J'ai regardé et en neuf, ce n'est pas donné mais le prix de la ligne complète semble avoisiner les 150€. A voir si il est préférable d'en prendre un neuf ou si par miracle j'arrive à en trouver un d'occasion en bon état.
Ils ne sont pas rigoureusement identique, celui du disco a sur la descente d’échappement une tresse de souplesse ( flexible) que n'a pas celui du def mais elle se monte sans problème.
Pour la partie centrale je ne sais pas.
Pour l'arrière, les empattements disco/def étant différents et le porte faux arrière aussi, le dernier bout avec le petit silencieux est certainement pas identique.
Peut-être même que sur le disco l’échappement est en une seul partie après la descente jusqu’à la sortie arrière.
A+
2 solutions: la bonne et l'Anglaise
LUCAS: Il n'y a pas de contact où il le faut et il y en a un où il ne faut pas
On ne peut aller loin en amitié, si on n'est pas disposé à se pardonner les uns aux autres les petits défauts.
www.eternal-vehicles.fr
LUCAS: Il n'y a pas de contact où il le faut et il y en a un où il ne faut pas
On ne peut aller loin en amitié, si on n'est pas disposé à se pardonner les uns aux autres les petits défauts.
www.eternal-vehicles.fr
-
RR VM 1992
Re: Remotorisation 110 2.5 TD vers 300 TDI discovery
Quelques vues d'un échappement de Disco 300TDI CAMEL de 1996 :
La descente non-catalysée avec une tresse de flexible en bas (on voit mieux sans la vanne EGR...)
:
La gamelle centrale (désolé pour les bosses car j'utilise mon CAMEL en TT) :
La sortie arrière (je supprime mes silencieux et coupe juste après le pont comme préconisé par mon contrôleur du CT)
Pour adapter cet échappement au DEF on doit pouvoir l'allonger avant ou après la gamelle centrale car le tube est droit
La descente non-catalysée avec une tresse de flexible en bas (on voit mieux sans la vanne EGR...)
La gamelle centrale (désolé pour les bosses car j'utilise mon CAMEL en TT) :
La sortie arrière (je supprime mes silencieux et coupe juste après le pont comme préconisé par mon contrôleur du CT)
Pour adapter cet échappement au DEF on doit pouvoir l'allonger avant ou après la gamelle centrale car le tube est droit
- The Pater
- Modérateur
- Messages : 13976
- Enregistré le : 25/08/2004 8:19
- Localisation : 06°27'46"E 45°50'29"N
Re: Remotorisation 110 2.5 TD vers 300 TDI discovery
Pour le collecteur d"admission, tu peux essayer le "décapfour"
Pour l'intercooler, il faut le nettoyer avec du diluant.
LR indique un nettoyage tous les 80 000 km.
Perso, je faisais le nettoyage avec un mélange de trichlo et de white spirit. Aujoud'hui avec de l'essence.
Il faudrait que j'essaie le subsititu de trichlo pour voir.
A+
Pour l'intercooler, il faut le nettoyer avec du diluant.
LR indique un nettoyage tous les 80 000 km.
Perso, je faisais le nettoyage avec un mélange de trichlo et de white spirit. Aujoud'hui avec de l'essence.
Il faudrait que j'essaie le subsititu de trichlo pour voir.
A+
Ingénieur :
Personne faisant un travail divinatoire de précision basé sur des informations peu fiables données par des personnes peu qualifiées, voire ignorantes.
=>, magicien, devin, sorcier
Personne faisant un travail divinatoire de précision basé sur des informations peu fiables données par des personnes peu qualifiées, voire ignorantes.
=>, magicien, devin, sorcier
Re: Remotorisation 110 2.5 TD vers 300 TDI discovery
Bonsoir à tous
J ai finalement commandé une ligne complète d échappement sans catalyseur en espérant ne pas regretter mon choix.
Je devrais la recevoir avec les bougies pour le week-end prochain. Dans l attente je compte réutiliser le faisceau moteur du disco ainsi que celui des boites car ils sont plus propres et adaptés que les vieux du 2.5 td.
Un soir LOLO avait posté la correspondance d un des connecteurs du TD. J ai regardé sur le Manuel mais dans mon chapitre 86, je ne les trouve pas.
Quelqu’un aurait il les codes couleurs / utilisation des 3 connecteurs du TD ?
J ai finalement commandé une ligne complète d échappement sans catalyseur en espérant ne pas regretter mon choix.
Je devrais la recevoir avec les bougies pour le week-end prochain. Dans l attente je compte réutiliser le faisceau moteur du disco ainsi que celui des boites car ils sont plus propres et adaptés que les vieux du 2.5 td.
Un soir LOLO avait posté la correspondance d un des connecteurs du TD. J ai regardé sur le Manuel mais dans mon chapitre 86, je ne les trouve pas.
Quelqu’un aurait il les codes couleurs / utilisation des 3 connecteurs du TD ?
Re: Remotorisation 110 2.5 TD vers 300 TDI discovery
Bonsoir à tous,
Je pensais en particulier à ce type de schéma mis en ligne par LOLO mais pour les autres connecteurs:
https://www.landroverfaq.com/download/f ... &mode=view
Personne n aurait ça en stock pour un 110 2.5 TD ?
Je pensais en particulier à ce type de schéma mis en ligne par LOLO mais pour les autres connecteurs:
https://www.landroverfaq.com/download/f ... &mode=view
Personne n aurait ça en stock pour un 110 2.5 TD ?
- LØLØ
- Modérateur
- Messages : 6209
- Enregistré le : 30/07/2006 15:41
- Localisation : guainville (28 )
- Contact :
Re: Remotorisation 110 2.5 TD vers 300 TDI discovery
Salut,
car il y en a plusieurs dizaines
Le schéma amélioré et illustré pour le TD du compartiment moteur, tu l'as et tu en as même remis le lien. Par contre, il n'existe pas pour le TD, le 200 et avant pour le D les schémas détaillés des connecteurs, il n'y a que le "chapitre 86" comme tu dis pour les lands jusqu'au 200.
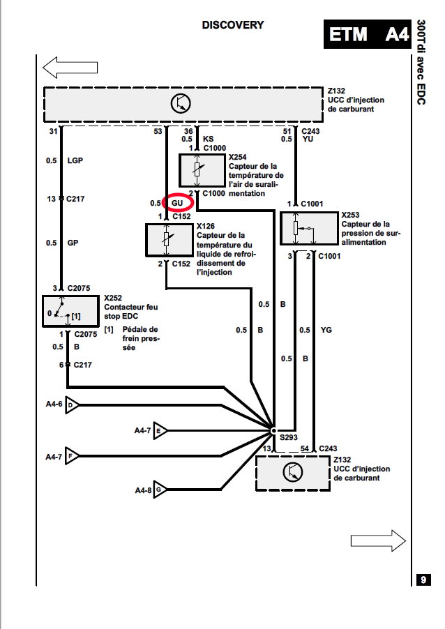
Pour les couleurs, cela figure sur les légendes des "86" la première lettre, c'est la couleur principale et la deuxième le liserè. Land est fidèle dans l'association des couleurs avec une fonction, exemple: Pour le capteur de température, le fil est repéré GU c'est à dire: vert liseré bleu. Une traduction pour les couleurs : Schéma TD du "86" ou la température est bien GU aussi : Légende TD identifiable car de base, il y a 110 éléments sur la liste des légendes: La fidélité des couleurs chez land... Où même sur les disco 300 le fil du capteur de température de liquide de refroidissement est GU : Sinon, même pour certaine partie du faisceau tu peux te référer aux schémas numérisés (pdf) du 300 tdi. Où tu peux voir que là aussi la couleur GU du fil du capteur de température est toujours la même
Schéma voyant def 300tdi : A+
J'ai tous les schémas que tu veux en stock ou presque, si ils ne sont pas clairs, alors je les modifie, voir corrige car on y retrouve fréquemment des erreurs par rapport à la réalité, et les faisceaux en vrais car je les collectionne, ce qui permet de faire des illustrations comme celle que tu as mis en lien. Mais je ne sais pas de quel 3 connecteurs tu nous parlesstef35 a écrit : Un soir LOLO avait posté la correspondance d un des connecteurs du TD. J ai regardé sur le Manuel mais dans mon chapitre 86, je ne les trouve pas.
Quelqu’un aurait il les codes couleurs / utilisation des 3 connecteurs du TD ?
Le schéma amélioré et illustré pour le TD du compartiment moteur, tu l'as et tu en as même remis le lien. Par contre, il n'existe pas pour le TD, le 200 et avant pour le D les schémas détaillés des connecteurs, il n'y a que le "chapitre 86" comme tu dis pour les lands jusqu'au 200.
Pour les couleurs, cela figure sur les légendes des "86" la première lettre, c'est la couleur principale et la deuxième le liserè. Land est fidèle dans l'association des couleurs avec une fonction, exemple: Pour le capteur de température, le fil est repéré GU c'est à dire: vert liseré bleu. Une traduction pour les couleurs : Schéma TD du "86" ou la température est bien GU aussi : Légende TD identifiable car de base, il y a 110 éléments sur la liste des légendes: La fidélité des couleurs chez land... Où même sur les disco 300 le fil du capteur de température de liquide de refroidissement est GU : Sinon, même pour certaine partie du faisceau tu peux te référer aux schémas numérisés (pdf) du 300 tdi. Où tu peux voir que là aussi la couleur GU du fil du capteur de température est toujours la même
Schéma voyant def 300tdi : A+
2 solutions: la bonne et l'Anglaise
LUCAS: Il n'y a pas de contact où il le faut et il y en a un où il ne faut pas
On ne peut aller loin en amitié, si on n'est pas disposé à se pardonner les uns aux autres les petits défauts.
www.eternal-vehicles.fr
LUCAS: Il n'y a pas de contact où il le faut et il y en a un où il ne faut pas
On ne peut aller loin en amitié, si on n'est pas disposé à se pardonner les uns aux autres les petits défauts.
www.eternal-vehicles.fr
Re: Remotorisation 110 2.5 TD vers 300 TDI discovery
Bonsoir à tous,
Le week-end fut intense.
Au programme :
- un faisceau perso mais neuf sur base de connecteurs 2.5td. Un seul regret les bougies et le compte tours ne sont pas sur le même connecteur que le moteur, mais je n avais pas le cœur à couper les connecteurs d origine. je deviens sentimental.
- une ligne d échappement neuve installée. Il restera quelques supports à mettre en place. Savez vous si il y a un joint à mettre entre les morceaux ou si juste le serrage suffit ?
- des bougies neuves. Ça démarre maintenant à chaque fois, mais souvent après 15 secondes de démarreur. Je n ai pas pu tester les compressions fautes d outils. Quelle tristesse. Je pense à une prise d air qu'il faut que je piste. Visiblement un sujet connu sur les 300 tdi, mais jamais avec la même cause. Avez vous une méthode pour identifier les prises d'air sur l'alimentation en gazole? Encore que cela pourrait venir de la pompe de gavage bizarre de marque delphi.
- remise en place du caisson de siège. Une marche avant, une marche arrière en courte puis en longue. Ce fut mon petit plaisir du week-end. Un problème inattendu, le cable de frein à mlain du disco est plus court que celui du TD. Du coup, pas possible de remettre le frein à main.quelqu'un est il tombé sur ce pb ?. dans son poste de remotorisation, LOLO écrivait qu'il avait repris le système de frein à main du disco.
La suite dans le prochain épisode.
Le week-end fut intense.
Au programme :
- un faisceau perso mais neuf sur base de connecteurs 2.5td. Un seul regret les bougies et le compte tours ne sont pas sur le même connecteur que le moteur, mais je n avais pas le cœur à couper les connecteurs d origine. je deviens sentimental.
- une ligne d échappement neuve installée. Il restera quelques supports à mettre en place. Savez vous si il y a un joint à mettre entre les morceaux ou si juste le serrage suffit ?
- des bougies neuves. Ça démarre maintenant à chaque fois, mais souvent après 15 secondes de démarreur. Je n ai pas pu tester les compressions fautes d outils. Quelle tristesse. Je pense à une prise d air qu'il faut que je piste. Visiblement un sujet connu sur les 300 tdi, mais jamais avec la même cause. Avez vous une méthode pour identifier les prises d'air sur l'alimentation en gazole? Encore que cela pourrait venir de la pompe de gavage bizarre de marque delphi.
- remise en place du caisson de siège. Une marche avant, une marche arrière en courte puis en longue. Ce fut mon petit plaisir du week-end. Un problème inattendu, le cable de frein à mlain du disco est plus court que celui du TD. Du coup, pas possible de remettre le frein à main.quelqu'un est il tombé sur ce pb ?. dans son poste de remotorisation, LOLO écrivait qu'il avait repris le système de frein à main du disco.
La suite dans le prochain épisode.
- nanard833
- Habitué
- Messages : 3989
- Enregistré le : 10/10/2009 20:18
- Localisation : disco 300TDI 431000 bornes
Re: Remotorisation 110 2.5 TD vers 300 TDI discovery
Salut,
Inconnu à ce jour sur le mien 415 000 bornes et je ne pense pas que le Pater ait eu le moindre problème à ce sujet non plus c'est plus une situation que l'on rencontre quand on ne connait pas l'historique du véhicule et que par conséquent on ne sait pas trop qui l'a bricolé .
Pour les causes elles sont forcément multiples vu le nombre de pièces qui composent un circuit d'alimentation et c'est le cas pour n'importe quel moteur… Elles sont forcément différentes suivant le kilométrage et le type d'utilisation, la qualité de la maintenance etc...
)
Si c'est l'alimentation en gasoil: Ca peut être une olive déformée, un décanteur colmaté ou rempli d'eau, une mise à l'air obstruée une durite pincée, une canalisation rigide coudée/pincée/aplatie, de la merde dans le tamis de la pompe de gavage (sous le petit couvercle vissé en haut de la pompe), les retours d'injecteurs obstrués. La meilleure façon de faire c'est la méthode par gravité à LØLØ pour isoler méthodiquement le tronçon/la partie incriminée.
Si c'est le circuit d'alimentation en air ce qui a été dit plus haut et vu la merde présente dans tes durites, il te sera trés difficile de vérifier avec certitude la parfaite propreté de ton interco qui s'il reste colmaté sera trés pénalisant pour le bon fonctionnement du moteur.
Aprés, quand tu vois comment certains remontent un collecteur d'admission, serrent un simple collier, ou interviennent sans la moindre précaution sur une PI, il devient trés chelou de passer derrière pour identifier un disfonctionnement
Bon courage
A+
De quel problème parles-tu ?stef35 a écrit :Je pense à une prise d air qu'il faut que je piste. Visiblement un sujet connu sur les 300 tdi, mais jamais avec la même cause
Inconnu à ce jour sur le mien 415 000 bornes et je ne pense pas que le Pater ait eu le moindre problème à ce sujet non plus c'est plus une situation que l'on rencontre quand on ne connait pas l'historique du véhicule et que par conséquent on ne sait pas trop qui l'a bricolé .
Pour les causes elles sont forcément multiples vu le nombre de pièces qui composent un circuit d'alimentation et c'est le cas pour n'importe quel moteur… Elles sont forcément différentes suivant le kilométrage et le type d'utilisation, la qualité de la maintenance etc...
Si c'est l'alimentation en gasoil: Ca peut être une olive déformée, un décanteur colmaté ou rempli d'eau, une mise à l'air obstruée une durite pincée, une canalisation rigide coudée/pincée/aplatie, de la merde dans le tamis de la pompe de gavage (sous le petit couvercle vissé en haut de la pompe), les retours d'injecteurs obstrués. La meilleure façon de faire c'est la méthode par gravité à LØLØ pour isoler méthodiquement le tronçon/la partie incriminée.
Si c'est le circuit d'alimentation en air ce qui a été dit plus haut et vu la merde présente dans tes durites, il te sera trés difficile de vérifier avec certitude la parfaite propreté de ton interco qui s'il reste colmaté sera trés pénalisant pour le bon fonctionnement du moteur.
Aprés, quand tu vois comment certains remontent un collecteur d'admission, serrent un simple collier, ou interviennent sans la moindre précaution sur une PI, il devient trés chelou de passer derrière pour identifier un disfonctionnement
Bon courage
A+
Gratter la botte ne soulage guère quand ça démange à l'intérieur (proverbe chinois)
Re: Remotorisation 110 2.5 TD vers 300 TDI discovery
La méthode par gravité de LOLO ? Ça consiste en quoi ?
- nanard833
- Habitué
- Messages : 3989
- Enregistré le : 10/10/2009 20:18
- Localisation : disco 300TDI 431000 bornes
Re: Remotorisation 110 2.5 TD vers 300 TDI discovery
un bidon contenant du gas oïl maintenu en hauteur et relié direct au cul de la pompe de gavage ou même de la PI
A+
A+
Gratter la botte ne soulage guère quand ça démange à l'intérieur (proverbe chinois)
- The Pater
- Modérateur
- Messages : 13976
- Enregistré le : 25/08/2004 8:19
- Localisation : 06°27'46"E 45°50'29"N
Re: Remotorisation 110 2.5 TD vers 300 TDI discovery
Il n'y a pas de jointsstef35 a écrit :B
- une ligne d échappement neuve installée. Il restera quelques supports à mettre en place. Savez vous si il y a un joint à mettre entre les morceaux ou si juste le serrage suffit ?
Voir réponse de Nanard833.Je pense à une prise d air qu'il faut que je piste. Visiblement un sujet connu sur les 300 tdi, mais jamais avec la même cause.
La rise d'air dans l'alimentation en gasoil n'est pas courant sur les 300 Tdi.
Par contre la membrane de la pompe de gavage qui se perce/déchire... oui. Et le gasoil va se mélanger avec l'huile moteur.
Nous sommes plusieurs à avoir cette pompe. Elle fonctionne......Encore que cela pourrait venir de la pompe de gavage bizarre de marque delphi.![]()
Il suffit de faire tourner le moteur à la main (clef à cliquet sur la vis en bout de vilebrequin), vis de purge sur le filtre à gasoil ouvert, pour voir si le gasoil sort ou non, donc si la pompe pompe ou non.
Rappel : deux tours de vilebrequin = un tour d'arbre à came.
Les fénéants feront cela avec le démarreur (en ayant débranché le 12V de la vanne sur la pompe à injection)......avec si la pompe fonctionne, un beau jet de gasoil .......
A+
Ingénieur :
Personne faisant un travail divinatoire de précision basé sur des informations peu fiables données par des personnes peu qualifiées, voire ignorantes.
=>, magicien, devin, sorcier
Personne faisant un travail divinatoire de précision basé sur des informations peu fiables données par des personnes peu qualifiées, voire ignorantes.
=>, magicien, devin, sorcier
- LØLØ
- Modérateur
- Messages : 6209
- Enregistré le : 30/07/2006 15:41
- Localisation : guainville (28 )
- Contact :
Re: Remotorisation 110 2.5 TD vers 300 TDI discovery
Salut,stef35 a écrit : dans son poste de remotorisation, LOLO écrivait qu'il avait repris le système de frein à main du disco.
Dans mon cas ce n'est que le système de fixation sur la boite de vitesse, car j'ai conservé la boite du disco et le système d'attache du câble sur la boite du land ne se montait pas sur la boite du disco, mais je ne me souviens pas d'un problème de longueur de câble.
Pièce du disco conservé: Depuis je me suis affranchie de ce problème en montant un frein à main à disque, vois ce thème : Installation d'un frein à main à disque
A+
2 solutions: la bonne et l'Anglaise
LUCAS: Il n'y a pas de contact où il le faut et il y en a un où il ne faut pas
On ne peut aller loin en amitié, si on n'est pas disposé à se pardonner les uns aux autres les petits défauts.
www.eternal-vehicles.fr
LUCAS: Il n'y a pas de contact où il le faut et il y en a un où il ne faut pas
On ne peut aller loin en amitié, si on n'est pas disposé à se pardonner les uns aux autres les petits défauts.
www.eternal-vehicles.fr
Re: Remotorisation 110 2.5 TD vers 300 TDI discovery
Bonsoir à tous
Pour le frein à main, à court terme, j envisage de le déplacer côté conducteur. Pas super propre mais ça reste possible. Par la suite monter l essieu arrière du disco serait probablement une bonne solution( si compatible ).
Hier soir j avais oublié de vous parler de la LT230. Impossible de trouver où brancher le câble de compteur de vitesse ! Je l ai regardé sous tous les aigles et rien.
Avez vous déjà entendu parlé de cette singularité ? A bien y réfléchir je ne me souviens pas l avoir démonté sur le disco
Dans l attente faut que j arrive à faire démarrer mon moteur au quart de tour et c est pas gagné.
Mes enfants commencent à trouver l apprentis mécano un peu lent et les balades commences a leur manquer
On avance on avance ...
Pour le frein à main, à court terme, j envisage de le déplacer côté conducteur. Pas super propre mais ça reste possible. Par la suite monter l essieu arrière du disco serait probablement une bonne solution( si compatible ).
Hier soir j avais oublié de vous parler de la LT230. Impossible de trouver où brancher le câble de compteur de vitesse ! Je l ai regardé sous tous les aigles et rien.
Avez vous déjà entendu parlé de cette singularité ? A bien y réfléchir je ne me souviens pas l avoir démonté sur le disco
Dans l attente faut que j arrive à faire démarrer mon moteur au quart de tour et c est pas gagné.
Mes enfants commencent à trouver l apprentis mécano un peu lent et les balades commences a leur manquer
On avance on avance ...
- LØLØ
- Modérateur
- Messages : 6209
- Enregistré le : 30/07/2006 15:41
- Localisation : guainville (28 )
- Contact :
Re: Remotorisation 110 2.5 TD vers 300 TDI discovery
Salut,stef35 a écrit :
Hier soir j avais oublié de vous parler de la LT230. Impossible de trouver où brancher le câble de compteur de vitesse ! Je l ai regardé sous tous les aigles et rien.
Avez vous déjà entendu parlé de cette singularité ? A bien y réfléchir je ne me souviens pas l avoir démonté sur le disco![]()
Aie! Si Disco donneur était avec ABS, l'info est fourni par l'ECU et ses capteurs ABS et non pas par le capteur sur le carter de sortie arrière de la boite de transfert. Nous en avons récement parlé dens ce thème :Problème compteur de vitesse.
Lis ce thème pour être sur de la situation de ton capteur, et voir une solution possible au cas où, tu as le trou bouché
A+
2 solutions: la bonne et l'Anglaise
LUCAS: Il n'y a pas de contact où il le faut et il y en a un où il ne faut pas
On ne peut aller loin en amitié, si on n'est pas disposé à se pardonner les uns aux autres les petits défauts.
www.eternal-vehicles.fr
LUCAS: Il n'y a pas de contact où il le faut et il y en a un où il ne faut pas
On ne peut aller loin en amitié, si on n'est pas disposé à se pardonner les uns aux autres les petits défauts.
www.eternal-vehicles.fr
Re: Remotorisation 110 2.5 TD vers 300 TDI discovery
Bonsoir à tous
En fouillant sur le forum je suis tombé sur un problème de démarrage similaire au miens https://landroverfaq.com/viewtopic.php? ... 2&start=20
Il mettait en cause un électrovanne qui ouvrait mais visiblement pas suffisamment. Moi j ai bien le clic, du gasoil, mais est ce de manière suffisante ... et tout le temps...je ne sais pas le dire.
Savez vous si il est possible de bypasser l électrovanne pour tester voir si sur un 300tdi ce serait le même que sur un 2.5td ? C est pas temps le prix que le fait de changer une pièce pour rien qui amène cette question.
En fouillant sur le forum je suis tombé sur un problème de démarrage similaire au miens https://landroverfaq.com/viewtopic.php? ... 2&start=20
Il mettait en cause un électrovanne qui ouvrait mais visiblement pas suffisamment. Moi j ai bien le clic, du gasoil, mais est ce de manière suffisante ... et tout le temps...je ne sais pas le dire.
Savez vous si il est possible de bypasser l électrovanne pour tester voir si sur un 300tdi ce serait le même que sur un 2.5td ? C est pas temps le prix que le fait de changer une pièce pour rien qui amène cette question.
Re: Remotorisation 110 2.5 TD vers 300 TDI discovery
Bonsoir à tous,
C est officiel, mon moteur démarre au 1/4 de tour. Cause identifiée, une prise d air sur l entrée de gasoil de la pompe de gavage.
Je suis maintenant en pleine phase de remontage.
Avec 3 pb restant à solder:
1- câble de frein à main trop court. Savez vous si il est simple de changer un câble de frein à main et si le câble du 2.5td est compatible avec la LT230 du disco ?
2- est il préjudiciable de rouler avec les températures actuelles sans avaloirs autour du ventilateur ?
3- pas trouvé de solution pour brancher le câble. De vitesse. Moins important pour le moment.
C est officiel, mon moteur démarre au 1/4 de tour. Cause identifiée, une prise d air sur l entrée de gasoil de la pompe de gavage.
Je suis maintenant en pleine phase de remontage.
Avec 3 pb restant à solder:
1- câble de frein à main trop court. Savez vous si il est simple de changer un câble de frein à main et si le câble du 2.5td est compatible avec la LT230 du disco ?
2- est il préjudiciable de rouler avec les températures actuelles sans avaloirs autour du ventilateur ?
3- pas trouvé de solution pour brancher le câble. De vitesse. Moins important pour le moment.
- LØLØ
- Modérateur
- Messages : 6209
- Enregistré le : 30/07/2006 15:41
- Localisation : guainville (28 )
- Contact :
Re: Remotorisation 110 2.5 TD vers 300 TDI discovery
Salut,stef35 a écrit : C est officiel, mon moteur démarre au 1/4 de tour. Cause identifiée, une prise d air sur l entrée de gasoil de la pompe de gavage.
Super!!!
Changer un câble de frein a main sur un land n'est pas une opération compliqué mais je ne me soubient pas avoir eu un problème de longueur. Est-ce un conduite à droite ou a gauche ?1- câble de frein à main trop court. Savez vous si il est simple de changer un câble de frein à main et si le câble du 2.5td est compatible avec la LT230 du disco ?
A priori non, surveille ton mano de température. Par contre monte bien la sonde adapté au mano du land, sinon tu va te faire une frayeur car avec la jauge d'origine du disco ton aiguille va monté dans le rouge, alors que ton moteur est normalement chaud.2- est il préjudiciable de rouler avec les températures actuelles sans avaloirs autour du ventilateur ?
Vois ce thème : Adaptation sonde de temperature
Changer le carter de sortis de la boite de transfère en récupérant le tiens.3- pas trouvé de solution pour brancher le câble. De vitesse. Moins important pour le moment.
Ou faire une bidouille comme pour un Terratrip capteur a effet Hall sur un arbre de transmission pour générer un signal et monter un compteur de TD5. Ou de mémoire un signal a 69 Hertz de donne 100Km/h.
Vois ce thème : Compteur de vitesse bloqué à la redescente
A+
2 solutions: la bonne et l'Anglaise
LUCAS: Il n'y a pas de contact où il le faut et il y en a un où il ne faut pas
On ne peut aller loin en amitié, si on n'est pas disposé à se pardonner les uns aux autres les petits défauts.
www.eternal-vehicles.fr
LUCAS: Il n'y a pas de contact où il le faut et il y en a un où il ne faut pas
On ne peut aller loin en amitié, si on n'est pas disposé à se pardonner les uns aux autres les petits défauts.
www.eternal-vehicles.fr