Essuie-glace arrière sur un RRC softdash 1994
Règles du forum
En naviguant sur le site http://www.landroverfaq.com vous reconnaissez avoir lu ses Conditions d’Utilisation, vous déclarez les comprendre et vous acceptez d’y être lié de manière inconditionnelle. Si tel n'est pas le cas, merci de quitter immédiatement ce site.
Vous pouvez joindre autant d'images que nécessaire à vos messages A LA CONDITION EXPRESSE d'utiliser l'hébergement fourni par le site.
L'administrateur effacera systématiquement tout message contenant des photos hébergées chez Imageschack, Casimage, Wistiti ou tout autre hébergeur tiers sans sommation ni justification.
En naviguant sur le site http://www.landroverfaq.com vous reconnaissez avoir lu ses Conditions d’Utilisation, vous déclarez les comprendre et vous acceptez d’y être lié de manière inconditionnelle. Si tel n'est pas le cas, merci de quitter immédiatement ce site.
Vous pouvez joindre autant d'images que nécessaire à vos messages A LA CONDITION EXPRESSE d'utiliser l'hébergement fourni par le site.
L'administrateur effacera systématiquement tout message contenant des photos hébergées chez Imageschack, Casimage, Wistiti ou tout autre hébergeur tiers sans sommation ni justification.
- Klug
- BOFH
- Messages : 1758
- Enregistré le : 06/05/2004 12:57
- Localisation : Sud Drôme - Nord Ventoux
- Contact :
Essuie-glace arrière sur un RRC softdash 1994
Bonjour les gens.
Ceux qui ont plein plus de documentation sous la main pourraient-ils m'indiquer si l'essuie-glace arrière (qui c'est arrêté) est sur le même fusible que les avants (qui fonctionnent) ?
Voire carrément le tableau complet des fusibles qui est dans la doc ?
Une (grosse) partie de la boite à fusible est non documentée (joli pictogramme "voir le manuel de l'utilisateur").
Et bien sûr, je ne l'ai pas du tout sous la main...
Merci.
Ceux qui ont plein plus de documentation sous la main pourraient-ils m'indiquer si l'essuie-glace arrière (qui c'est arrêté) est sur le même fusible que les avants (qui fonctionnent) ?
Voire carrément le tableau complet des fusibles qui est dans la doc ?
Une (grosse) partie de la boite à fusible est non documentée (joli pictogramme "voir le manuel de l'utilisateur").
Et bien sûr, je ne l'ai pas du tout sous la main...
Merci.
All you need is Duct Tape and WD-40. If something moves and shouldn't: duct tape. If it doesn't move and should: use the WD-40.
Re: Essuie-glace arrière sur un RRC softdash 1994
Le problème, c'est que la doc du range 300 tdi préfigure bien le p38... c'est pas simple!!!
Tu devrais trouver quelques réponses la dedans:
Sinon, tu devrais te procurer la doc complète... ca devrait t'aider!


Tu devrais trouver quelques réponses la dedans:
Sinon, tu devrais te procurer la doc complète... ca devrait t'aider!

Re: Essuie-glace arrière sur un RRC softdash 1994
Ca fait plusieurs fois que tu parles de softdash a propos des RRC, ca veut dire quoi au juste ? que le tableau de bord est mou ? 

--
François

.
François
.
Re: Essuie-glace arrière sur un RRC softdash 1994
Je ne sais pas pourquoi on leur donne ce nom, mais ca veut dire que c'est un range classic de la dernière année de production, avec moteur 300 tdi et un tableau de bord identique au disco 300 tdi:
Il s'agit bien du tableau de bord d'un range...
Il s'agit bien du tableau de bord d'un range...
- Klug
- BOFH
- Messages : 1758
- Enregistré le : 06/05/2004 12:57
- Localisation : Sud Drôme - Nord Ventoux
- Contact :
Re: Essuie-glace arrière sur un RRC softdash 1994
Merci !
J'ai tout ça à la maison (rave, manuel du conducteur en français - scanné) mais rien avec moi en déplacement 8-(
Les rétros électriques fonctionnent toujours...
Donc c'est pas F15.
Et comme la pompe du lave vitre arrière se déclenche bien (même si rien n'est jamais sorti) quand j'appuie sur son commutateur...
C'est pas F18.
Donc il reste le relais ou le moteur...
J'ai tout ça à la maison (rave, manuel du conducteur en français - scanné) mais rien avec moi en déplacement 8-(
Les rétros électriques fonctionnent toujours...
Donc c'est pas F15.
Et comme la pompe du lave vitre arrière se déclenche bien (même si rien n'est jamais sorti) quand j'appuie sur son commutateur...
C'est pas F18.
Donc il reste le relais ou le moteur...
All you need is Duct Tape and WD-40. If something moves and shouldn't: duct tape. If it doesn't move and should: use the WD-40.
Re: Essuie-glace arrière sur un RRC softdash 1994
Merci, effectivement ca a l'air sympaFeub a écrit :Je ne sais pas pourquoi on leur donne ce nom, mais ca veut dire que c'est un range classic de la dernière année de production, avec moteur 300 tdi et un tableau de bord identique au disco 300 tdi:
Il s'agit bien du tableau de bord d'un range...
--
François

.
François
.
- Mauresque
- Webmaster
- Messages : 3825
- Enregistré le : 06/05/2004 12:53
- Localisation : Caromb, Vaucluse (84)
- Contact :
Re: Essuie-glace arrière sur un RRC softdash 1994
Ca ressemble beaucoup à un tdb de Disco 300TDI, mais en noir & inserts en ronce d'epoxy au lieu du gris ou beige sans inserts.fa a écrit :Merci, effectivement ca a l'air sympaFeub a écrit :Je ne sais pas pourquoi on leur donne ce nom, mais ca veut dire que c'est un range classic de la dernière année de production, avec moteur 300 tdi et un tableau de bord identique au disco 300 tdi:
Il s'agit bien du tableau de bord d'un range...
In a world without walls and fences, who needs Windows and Gates ?
- Klug
- BOFH
- Messages : 1758
- Enregistré le : 06/05/2004 12:57
- Localisation : Sud Drôme - Nord Ventoux
- Contact :
Re: Essuie-glace arrière sur un RRC softdash 1994
J'ai de la ronce de rien du tout moi...
All you need is Duct Tape and WD-40. If something moves and shouldn't: duct tape. If it doesn't move and should: use the WD-40.
Re: Essuie-glace arrière sur un RRC softdash 1994
C'était une version luxe, et la, c'est mieux? 

- Frédéric_Dept79
- Habitué
- Messages : 2396
- Enregistré le : 03/06/2004 16:49
- Localisation : Niort (79) - France
Re: Essuie-glace arrière sur un RRC softdash 1994
P'tain que c'est vilain, ca à presque l'air bien fini et bien assemblé, c'est pas LR qui à fait çaFeub a écrit :C'était une version luxe, et la, c'est mieux?

(I was)Always in a Land Rover (1995-2012) Ayé il est parti 
Save the Planet, Kill an Ecologist

Save the Planet, Kill an Ecologist
Re: Essuie-glace arrière sur un RRC softdash 1994
Rassure toi, ca n'en a que l'air!!



- Mauresque
- Webmaster
- Messages : 3825
- Enregistré le : 06/05/2004 12:53
- Localisation : Caromb, Vaucluse (84)
- Contact :
Re: Essuie-glace arrière sur un RRC softdash 1994
Oui n'ai crainte 

In a world without walls and fences, who needs Windows and Gates ?
- Klug
- BOFH
- Messages : 1758
- Enregistré le : 06/05/2004 12:57
- Localisation : Sud Drôme - Nord Ventoux
- Contact :
Re: Essuie-glace arrière sur un RRC softdash 1994
C'est un nid.
A cuicui et autres trucs qui tremblent.
Faudrait que je fasse une photo de ce qui se cache sous le volant, dans le compartiment à fusibles...
A cuicui et autres trucs qui tremblent.
Faudrait que je fasse une photo de ce qui se cache sous le volant, dans le compartiment à fusibles...
All you need is Duct Tape and WD-40. If something moves and shouldn't: duct tape. If it doesn't move and should: use the WD-40.
Re: Essuie-glace arrière sur un RRC softdash 1994
Salut la personne
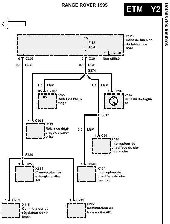
les essuie-glaces avants et arrières ne sont pas protégés par les mêmes fusibles. Sur le porte-fusibles principal, le 15 sert pour l' essuie-glaces arrière et les rétros (avants, eux
) alors que c' est le 16 qui sert pour les essuie-glaces et lave-glaces avants.
Mon tableau de bord ne cuite-cuite pas pour ma part, mauvaises langues.
Enfin, pour les docs, pour ma part, j' ai toujouts le manuel conducteur photocopié dans le Range, l' original, protégé à la maison (fétichiste !), il est téléchargeable sur *********************. Et là, n' ayez pas de scrupules copyright, car même sir vous appelez chez LR france pour l' obtenir, ils ne savent pas où en trouver (vécu).
A+

les essuie-glaces avants et arrières ne sont pas protégés par les mêmes fusibles. Sur le porte-fusibles principal, le 15 sert pour l' essuie-glaces arrière et les rétros (avants, eux

Mon tableau de bord ne cuite-cuite pas pour ma part, mauvaises langues.
Enfin, pour les docs, pour ma part, j' ai toujouts le manuel conducteur photocopié dans le Range, l' original, protégé à la maison (fétichiste !), il est téléchargeable sur *********************. Et là, n' ayez pas de scrupules copyright, car même sir vous appelez chez LR france pour l' obtenir, ils ne savent pas où en trouver (vécu).
A+
- Mauresque
- Webmaster
- Messages : 3825
- Enregistré le : 06/05/2004 12:53
- Localisation : Caromb, Vaucluse (84)
- Contact :
Re: Essuie-glace arrière sur un RRC softdash 1994
Tu m'excuseras, c'est à moi d'en juger, c'est moi qui suis légalement responsable des conneries dites sur ce site...frustruck a écrit : n' ayez pas de scrupules copyright,
In a world without walls and fences, who needs Windows and Gates ?
- Klug
- BOFH
- Messages : 1758
- Enregistré le : 06/05/2004 12:57
- Localisation : Sud Drôme - Nord Ventoux
- Contact :
Re: Essuie-glace arrière sur un RRC softdash 1994
frustruck a écrit :Salut la personne![]()

Yup. Mais mes rétro fonctionnent donc c'est pas le fusible.frustruck a écrit :les essuie-glaces avants et arrières ne sont pas protégés par les mêmes fusibles. Sur le porte-fusibles principal, le 15 sert pour l' essuie-glaces arrière et les rétros (avants, eux) alors que c' est le 16 qui sert pour les essuie-glaces et lave-glaces avants.
Pas le moindre cuicui de nulle part ?frustruck a écrit :Mon tableau de bord ne cuite-cuite pas pour ma part, mauvaises langues.
WoW
C'est celui que j'ai (saymal), dès que je choppe une imprimante recto/verso je m'en fais une copie.frustruck a écrit :Enfin, pour les docs, pour ma part, j' ai toujouts le manuel conducteur photocopié dans le Range, l' original, protégé à la maison (fétichiste !), il est téléchargeable sur le net. Et là, n' ayez pas de scrupules copyright, car même sir vous appelez chez LR france pour l' obtenir, ils ne savent pas où en trouver (vécu).
All you need is Duct Tape and WD-40. If something moves and shouldn't: duct tape. If it doesn't move and should: use the WD-40.