Salut, peut-être le fait d'avoir débranché les fusibles cela a fait bouger la platine donc les fils et les connexions derrière.
Par sécurité et pour en avoir le cœur net, débranche la batterie, puis démontes les deux vis du tableau pour contrôler derrière si il n'y a rien de suspect, fil dont l'isolant est usé, brulé, craquelé... Les fils des supports de relais (phare et essuie glace)...Des cosses dénudées qui se touchent...
Sur quel vitesse était les essuie glace lorsqu'ils marchaient avec les phares
?
Est-ce qu'un l'appel de phare déclenchait les essuies glace
?
La tempo dont tu parles, c'est:
1) 3 ou 4 balayage puis arrêt en position initiale
?
2) juste un battement et retour en position initiale
?
3) l’intermittent plusieurs fois, puis arrêt en position initiale
?
Si cela a agit au moins une fois avec les fusibles 13/14 enlevés, cela veut dire que le problème se situe sur la partie commune du fil d'alimentation des phares c'est a dire le fil bleu liseré blanc et l'alimentation du moteur d’essuie glace.
Une remarque aussi, si il n'y a pas les fusibles des phares, ils ne sont pas alimenté, donc cela chauffe moins, d'où un moins bon court circuit et une manifestation moins franche du défaut. Il faut se méfier en électricité, car qui a bu boira... Il n'y a pas de phénomène de régénération spontanée cela se reproduira tôt ou tard.
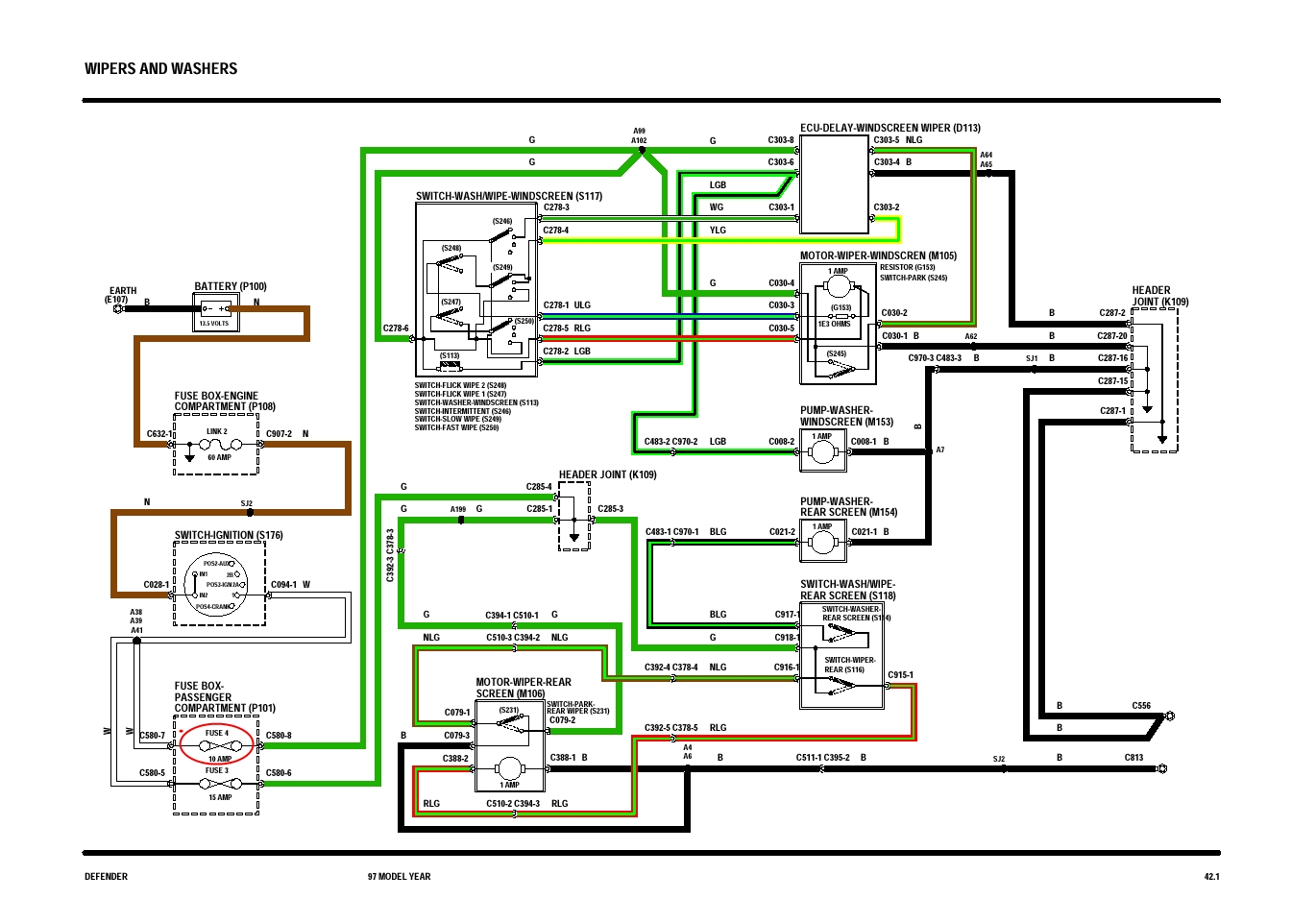
Un point ou les deux fonctions sont proches, c'est dans l'un des connecteurs de liaison K109 avec comme numéro C289-1 à C289-20 :
Donc il faut vérifier si le plastique n'est pas fondu, car chauffe a cause d'un montage de feux additionnels, ou d'ampoules de 100W.
Ou bien fonte à cause de l'oxydation des contacts. Bon ben

vas voir directement à une case que tu connais déjà :
ici . Le bon collecteur de raccordement sera facile à reconnaitre, il y a au moins 4 fils ( bleu liseré blanc ) qui arrivent dessus.
Quel est le résultat du test 2) sans le fusible (4) des essuies glace
?
A+