Branchement plafonnier à LEDS
Règles du forum
En naviguant sur le site http://www.landroverfaq.com vous reconnaissez avoir lu ses Conditions d’Utilisation, vous déclarez les comprendre et vous acceptez d’y être lié de manière inconditionnelle. Si tel n'est pas le cas, merci de quitter immédiatement ce site.
Vous pouvez joindre autant d'images que nécessaire à vos messages A LA CONDITION EXPRESSE d'utiliser l'hébergement fourni par le site.
L'administrateur effacera systématiquement tout message contenant des photos hébergées chez Imageschack, Casimage, Wistiti ou tout autre hébergeur tiers sans sommation ni justification.
En naviguant sur le site http://www.landroverfaq.com vous reconnaissez avoir lu ses Conditions d’Utilisation, vous déclarez les comprendre et vous acceptez d’y être lié de manière inconditionnelle. Si tel n'est pas le cas, merci de quitter immédiatement ce site.
Vous pouvez joindre autant d'images que nécessaire à vos messages A LA CONDITION EXPRESSE d'utiliser l'hébergement fourni par le site.
L'administrateur effacera systématiquement tout message contenant des photos hébergées chez Imageschack, Casimage, Wistiti ou tout autre hébergeur tiers sans sommation ni justification.
Branchement plafonnier à LEDS
bonjour ; sur mon Def 110, à côté du plafonnier AR, je voudrais en brancher un à Leds.
Le plafonnier d'origine continuerait à fonctionner normalement.
Le nouveau est muni de son propre interrupteur ; je voudrais qu'il fonctionne uniquement à la demande.
Sur quel fil connecter le +, sur le violet ou sur le blanc-violet ? Il me semble que c'est sur le violet qui me paraît être un + permanent, mais je suis loin d'être expert en lecture de schéma.
Le plafonnier d'origine continuerait à fonctionner normalement.
Le nouveau est muni de son propre interrupteur ; je voudrais qu'il fonctionne uniquement à la demande.
Sur quel fil connecter le +, sur le violet ou sur le blanc-violet ? Il me semble que c'est sur le violet qui me paraît être un + permanent, mais je suis loin d'être expert en lecture de schéma.
Re: Branchement plafonnier à LEDS
Le + c'est le fil violet liseré marron.
" Quand le sage montre la lune; l'idiot regarde son doigt "
Re: Branchement plafonnier à LEDS
pas vu de liseré marron ; je vérifierai demain.
Accessoirement, pour dénuder un fil en son milieu, sur 1 cm, sans le couper, vous avez un truc ?
Merci, torero.
Accessoirement, pour dénuder un fil en son milieu, sur 1 cm, sans le couper, vous avez un truc ?
Merci, torero.
Re: Branchement plafonnier à LEDS
J'ai pris les couleurs pour un Td5, il y a peut être une légère différence avec le 300. Le violet/blanc c'est la masse via les contacteur de portes, le noir c'est la masse quand on éclaire par le contacteur, donc le dernier c'est le plus.
Pour dénuder au milieu d'un fil, commence par entailler l'isolant sur tout le tour à 2 endroits espacés de 1 cm, ensuite tu entailles dans la longueur le bout d'isolant de 1 cm.
Pour dénuder au milieu d'un fil, commence par entailler l'isolant sur tout le tour à 2 endroits espacés de 1 cm, ensuite tu entailles dans la longueur le bout d'isolant de 1 cm.
" Quand le sage montre la lune; l'idiot regarde son doigt "
Re: Branchement plafonnier à LEDS
à l'évidence, tu n'es pas de ceux qui regardent le doigt ! le liseré marron est bien là ;
Mon Land est un TD5 mais le schéma dont j'ai joint un extrait dit P alors qu'il devrait dire PB, purple-brown ; ce n'est peut-être pas celui du TD5.
En tous cas, merci ;
PS : mon plafonnier ayant déjà été déplacé, je ne vois qu'une petite longueur, 5-6cm, pas assez pour dénuder sans faire des dégâts ; je vais donc couper le fil est le resouder le tout.
Mon Land est un TD5 mais le schéma dont j'ai joint un extrait dit P alors qu'il devrait dire PB, purple-brown ; ce n'est peut-être pas celui du TD5.
En tous cas, merci ;
PS : mon plafonnier ayant déjà été déplacé, je ne vois qu'une petite longueur, 5-6cm, pas assez pour dénuder sans faire des dégâts ; je vais donc couper le fil est le resouder le tout.
- LØLØ
- Modérateur
- Messages : 6210
- Enregistré le : 30/07/2006 15:41
- Localisation : guainville (28 )
- Contact :
Re: Branchement plafonnier à LEDS
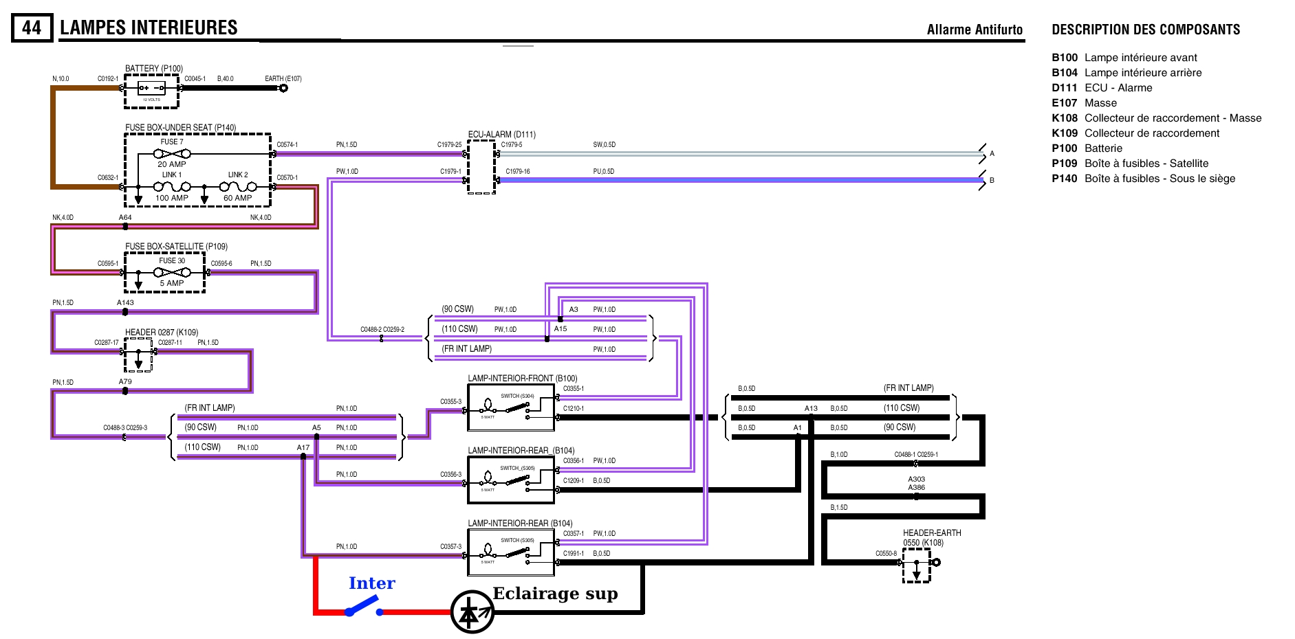
Salut,colombin a écrit : Mon Land est un TD5 mais le schéma dont j'ai joint un extrait dit P alors qu'il devrait dire PB, purple-brown ; ce n'est peut-être pas celui du TD5.
Non le B est réservé et désigne le Black, pour le marron c'est le N comme Normalement, car sinon on aurait put confondre avec Blue, mais là on va utiliser le U comme Uruguay car etc...
Sur le fil tout violet, c'est un + 12 V permanent protégé par un fusible et une masse tout noir ou Black.
Les fils violets liseré blanc, sont relier au boitier d'alarme et dépend de l'état des ouvrants. Ce sont des masses portes ouvertes et des +12V portes fermées depuis plus de 6 ou 8 secondes environ, et durant les 2 à 3 dernières secondes cela monte progressivement de 0 à12 V ce qui donne ce phénomène d'extinction lente.
Pour ton branchement, bien que cela arrive un peu tard un petit schéma correspondant a ton land, qui pourra toujours servir à quelqu'un d'autre comme tu le dis si bien. A+
2 solutions: la bonne et l'Anglaise
LUCAS: Il n'y a pas de contact où il le faut et il y en a un où il ne faut pas
On ne peut aller loin en amitié, si on n'est pas disposé à se pardonner les uns aux autres les petits défauts.
www.eternal-vehicles.fr
LUCAS: Il n'y a pas de contact où il le faut et il y en a un où il ne faut pas
On ne peut aller loin en amitié, si on n'est pas disposé à se pardonner les uns aux autres les petits défauts.
www.eternal-vehicles.fr