C'est encore moi,
Après plein de recherche, je ne trouve pas de schémas pour monter des relais pour les phares.
Autant, je n'ai pas eu de mal à refaire un faisceau nef pour ma série, autant j'ai du mal de me repérer sur le faisceau du def.
Et avec un schéma "standard", je pige pas (oui, dur en ce moment...)
Merci
Pose relais croisement et route
Règles du forum
En naviguant sur le site http://www.landroverfaq.com vous reconnaissez avoir lu ses Conditions d’Utilisation, vous déclarez les comprendre et vous acceptez d’y être lié de manière inconditionnelle. Si tel n'est pas le cas, merci de quitter immédiatement ce site.
Vous pouvez joindre autant d'images que nécessaire à vos messages A LA CONDITION EXPRESSE d'utiliser l'hébergement fourni par le site.
L'administrateur effacera systématiquement tout message contenant des photos hébergées chez Imageschack, Casimage, Wistiti ou tout autre hébergeur tiers sans sommation ni justification.
En naviguant sur le site http://www.landroverfaq.com vous reconnaissez avoir lu ses Conditions d’Utilisation, vous déclarez les comprendre et vous acceptez d’y être lié de manière inconditionnelle. Si tel n'est pas le cas, merci de quitter immédiatement ce site.
Vous pouvez joindre autant d'images que nécessaire à vos messages A LA CONDITION EXPRESSE d'utiliser l'hébergement fourni par le site.
L'administrateur effacera systématiquement tout message contenant des photos hébergées chez Imageschack, Casimage, Wistiti ou tout autre hébergeur tiers sans sommation ni justification.
- LØLØ
- Modérateur
- Messages : 6206
- Enregistré le : 30/07/2006 15:41
- Localisation : guainville (28 )
- Contact :
Re: Pose relais croisement et route
2 solutions: la bonne et l'Anglaise
LUCAS: Il n'y a pas de contact où il le faut et il y en a un où il ne faut pas
On ne peut aller loin en amitié, si on n'est pas disposé à se pardonner les uns aux autres les petits défauts.
www.eternal-vehicles.fr
LUCAS: Il n'y a pas de contact où il le faut et il y en a un où il ne faut pas
On ne peut aller loin en amitié, si on n'est pas disposé à se pardonner les uns aux autres les petits défauts.
www.eternal-vehicles.fr
Re: Pose relais croisement et route
Hi,
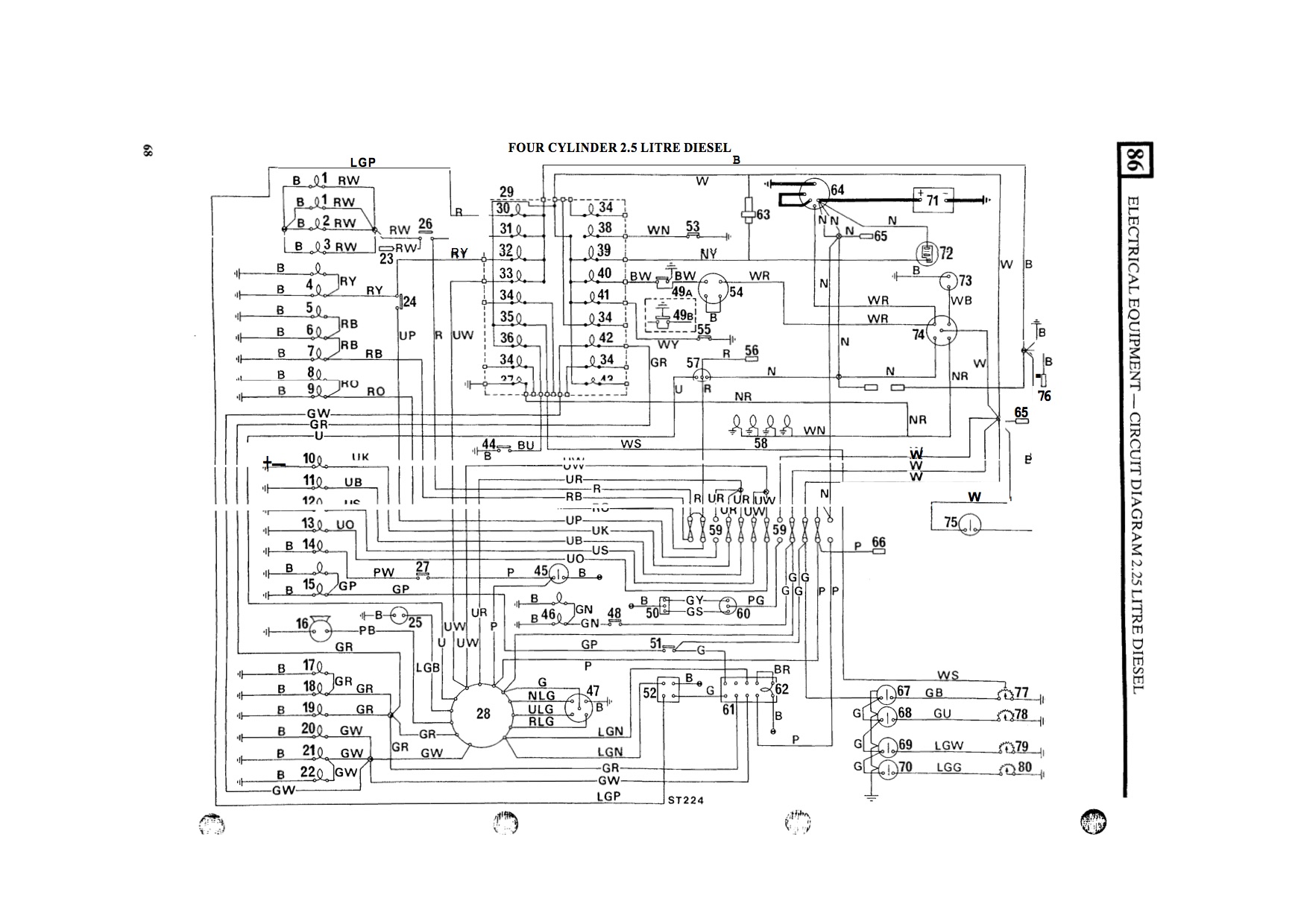
land 110 1986 2.5 D atmo. (dont il est visiblement impossible de trouver le bon schéma)
Je ne comprend pas les commodos ni ou reprendre le contact pour commander les relais.
Merci
land 110 1986 2.5 D atmo. (dont il est visiblement impossible de trouver le bon schéma)
Je ne comprend pas les commodos ni ou reprendre le contact pour commander les relais.
Merci
Re: Pose relais croisement et route
Mais si c'est possible...
" Quand le sage montre la lune; l'idiot regarde son doigt "
- LØLØ
- Modérateur
- Messages : 6206
- Enregistré le : 30/07/2006 15:41
- Localisation : guainville (28 )
- Contact :
Re: Pose relais croisement et route
Salut,
Mais il faut dire que la tache est tellement ardue que l'on est obligé de partager le boulot à deux.
Les légendes:
et landroverfaq cela sert à quoi alors...
et la fonction recherche aussi...
Je pense que d'autre part en utilisant simplement la fonction recherche sur le site tu aurais trouvé ton bonheur:
Commodo essuie glace
Remise en état circuit électrique Land Rover 90
fil vert non branché land 90D
Comment cabler un klaxon 2 tons ?
contacteur de frein a main def 90 1988
Sonde de température 2.5D
Bref, en moins de 2mn, 6 sujets illustrés avec les schémas d'époques uniquement ce référant a ton modèle et de nombreux détails complémentaires dont celui des commodo.
Mais en gros, il faut que tu te reprennes sur le fil commun (bleu liseré blanc ou UW)de la commande des phares avant; ou après la séparation gauche droite, dans ce cas tu choisies le bleu liseré gris (US) pour coté gauche ou bleu liseré orange (UO) pour le coté droit. Sachant que sur ces fils tu places la commande du relais, c'est à dire l'inter et en série avec la bobine du relais. Pour la puissance alimentant les phares additionnels eux même, il faut monter un porte fusible et tirer une ligne direct de la batterie, ce qui évite ainsi de te repiquer sur le circuit d'origine calculé pour alimenter que les équipements prévus et rien d'autre, hormis quelques bobines de relais supplémentaires très peu énergivores.
Bonne bidouille...
A+
Mais il faut dire que la tache est tellement ardue que l'on est obligé de partager le boulot à deux.
Les légendes:
nicomog a écrit :(dont il est visiblement impossible de trouver le bon schéma)
Je pense que d'autre part en utilisant simplement la fonction recherche sur le site tu aurais trouvé ton bonheur:
Commodo essuie glace
Remise en état circuit électrique Land Rover 90
fil vert non branché land 90D
Comment cabler un klaxon 2 tons ?
contacteur de frein a main def 90 1988
Sonde de température 2.5D
Bref, en moins de 2mn, 6 sujets illustrés avec les schémas d'époques uniquement ce référant a ton modèle et de nombreux détails complémentaires dont celui des commodo.
Mais en gros, il faut que tu te reprennes sur le fil commun (bleu liseré blanc ou UW)de la commande des phares avant; ou après la séparation gauche droite, dans ce cas tu choisies le bleu liseré gris (US) pour coté gauche ou bleu liseré orange (UO) pour le coté droit. Sachant que sur ces fils tu places la commande du relais, c'est à dire l'inter et en série avec la bobine du relais. Pour la puissance alimentant les phares additionnels eux même, il faut monter un porte fusible et tirer une ligne direct de la batterie, ce qui évite ainsi de te repiquer sur le circuit d'origine calculé pour alimenter que les équipements prévus et rien d'autre, hormis quelques bobines de relais supplémentaires très peu énergivores.
Bonne bidouille...
A+
2 solutions: la bonne et l'Anglaise
LUCAS: Il n'y a pas de contact où il le faut et il y en a un où il ne faut pas
On ne peut aller loin en amitié, si on n'est pas disposé à se pardonner les uns aux autres les petits défauts.
www.eternal-vehicles.fr
LUCAS: Il n'y a pas de contact où il le faut et il y en a un où il ne faut pas
On ne peut aller loin en amitié, si on n'est pas disposé à se pardonner les uns aux autres les petits défauts.
www.eternal-vehicles.fr
Re: Pose relais croisement et route
Heu,..... Comment dire......MERCI
En fait avec le recherche je focalisait sur "relais" et tu ne trouve pas grand chose (j'en ai fait quelques pages)
Des schémas j'en ai 5 différents pour le 2.5l atmo et aucun ne correspond à 100%
Merci
En fait avec le recherche je focalisait sur "relais" et tu ne trouve pas grand chose (j'en ai fait quelques pages)
Des schémas j'en ai 5 différents pour le 2.5l atmo et aucun ne correspond à 100%
Merci