Changer l'antibrouillard arrière sur un 300 tdi.
Règles du forum
En naviguant sur le site http://www.landroverfaq.com vous reconnaissez avoir lu ses Conditions d’Utilisation, vous déclarez les comprendre et vous acceptez d’y être lié de manière inconditionnelle. Si tel n'est pas le cas, merci de quitter immédiatement ce site.
Vous pouvez joindre autant d'images que nécessaire à vos messages A LA CONDITION EXPRESSE d'utiliser l'hébergement fourni par le site.
L'administrateur effacera systématiquement tout message contenant des photos hébergées chez Imageschack, Casimage, Wistiti ou tout autre hébergeur tiers sans sommation ni justification.
En naviguant sur le site http://www.landroverfaq.com vous reconnaissez avoir lu ses Conditions d’Utilisation, vous déclarez les comprendre et vous acceptez d’y être lié de manière inconditionnelle. Si tel n'est pas le cas, merci de quitter immédiatement ce site.
Vous pouvez joindre autant d'images que nécessaire à vos messages A LA CONDITION EXPRESSE d'utiliser l'hébergement fourni par le site.
L'administrateur effacera systématiquement tout message contenant des photos hébergées chez Imageschack, Casimage, Wistiti ou tout autre hébergeur tiers sans sommation ni justification.
-
vincent 03
- Habitué
- Messages : 155
- Enregistré le : 01/06/2007 20:29
- Localisation : Allier
Changer l'antibrouillard arrière sur un 300 tdi.
Bonjour à tous.
Quelqu'un a-t-il un truc pour changer ce feu?
Le miens est en court-circuit et je n'arrive pas à avoir accès aux écrous. Il y a d'une part le pot d'échappement et surtout une s.......erie de plaque en plastique qui cache l'arrière, à l'intérieur et qui m'empêche de passer. Impossible de libérer l'accès de façon pratique. Au fait, c'est bien du 8, les écrous? Parce qu'en aveugle, je peux même pas mettre la clef correctement et savoir la quelle va bien....
Quelqu'un a-t-il un truc pour changer ce feu?
Le miens est en court-circuit et je n'arrive pas à avoir accès aux écrous. Il y a d'une part le pot d'échappement et surtout une s.......erie de plaque en plastique qui cache l'arrière, à l'intérieur et qui m'empêche de passer. Impossible de libérer l'accès de façon pratique. Au fait, c'est bien du 8, les écrous? Parce qu'en aveugle, je peux même pas mettre la clef correctement et savoir la quelle va bien....
Ce n'est pas parce qu'une erreur se répand qu'elle devient vérité. Gandhi.
- LØLØ
- Modérateur
- Messages : 6206
- Enregistré le : 30/07/2006 15:41
- Localisation : guainville (28 )
- Contact :
Re: Changer l'antibrouillard arrière sur un 300 tdi.
Salut,
Arg! lui... Si le feu est mort, tu le casses, et tu fais sauter les têtes des vis à la petite disqueuse par l'extérieur. Tu les trouves derrière le déflecteur facilement accessible. Ce qui se passe très souvent, c'est que la rouille entre l'écrou de huit et la vis coté passage de roue, rend la liaison plus solide que la tête prisonnière du plastique, alors devine ce qui se passe.
La solution c'est une aide à l'anti rotation avec une pince, ou
extermination pure et simple, à coup de dynamite...
Si si, parfois cela soulage...
Comment es tu sûr, qu'il est en court-circuit ? Si tu le débranches au niveau du boitier en fond de benne à l'arrière droit, là tu as tous les fils des feux arrières qui arrivent.
Parmi les fils à l'intérieur, tu as les rouges liseré jaune, sur un connecteur à obus 4 trous :
pour valider les défauts, tu prends un autre feu genre feu stop (fil vert liseré violet) et tu le branches à la place du feu antibrouillard. Ainsi tu peux voir ou du moins être un peu plus sûr de l'origine de ta panne, en testant, si le stop s'allume ou non.
Car, ce qui se produit souvent, c'est que le court circuit est soit dans le faisceau châssis ou soit dans la prise de remorque, qui est probablement câblée sur le connecteur 4 trous à coté du feu anti brouillard. Bleu est souvent la couleur normalisée du fil de l'anti brouillard pour les faisceaux de prise remorque. Après, une fois que tu es sûr que c'est ton feu qui est HS, qu'il n'est pas bricolable in situ, que ce n'est pas le faisceau, alors disqueuse. Bien que en forçant sur la plaque plastique de protection, on arrive à le démonter, anticipe en mettant du dégrippant pendant plusieurs jours de suite, avant démontage.
Tu peux remplacer le sujet malade, par un modèle militaire que tu trouves aussi sur les remorques Sankey. Il y a marqué FOG dessus, ce ne sont pas les mêmes verres que les veilleuses ou que les feux stops. Ou par un feu de TD5 ou TD4, plus simple à fixer, deux vis Parker c'est tout. D'ailleurs a ce sujet, si tu remontes un feu d'origine, tu peux utiliser des vis auto-foreuses, au lieu des vis huit.
Et si tu montes un autre modèle, regarde les normes en vigueurs pour le positionnement. A+
Arg! lui... Si le feu est mort, tu le casses, et tu fais sauter les têtes des vis à la petite disqueuse par l'extérieur. Tu les trouves derrière le déflecteur facilement accessible. Ce qui se passe très souvent, c'est que la rouille entre l'écrou de huit et la vis coté passage de roue, rend la liaison plus solide que la tête prisonnière du plastique, alors devine ce qui se passe.
Si si, parfois cela soulage...
Car, ce qui se produit souvent, c'est que le court circuit est soit dans le faisceau châssis ou soit dans la prise de remorque, qui est probablement câblée sur le connecteur 4 trous à coté du feu anti brouillard. Bleu est souvent la couleur normalisée du fil de l'anti brouillard pour les faisceaux de prise remorque. Après, une fois que tu es sûr que c'est ton feu qui est HS, qu'il n'est pas bricolable in situ, que ce n'est pas le faisceau, alors disqueuse. Bien que en forçant sur la plaque plastique de protection, on arrive à le démonter, anticipe en mettant du dégrippant pendant plusieurs jours de suite, avant démontage.
Tu peux remplacer le sujet malade, par un modèle militaire que tu trouves aussi sur les remorques Sankey. Il y a marqué FOG dessus, ce ne sont pas les mêmes verres que les veilleuses ou que les feux stops. Ou par un feu de TD5 ou TD4, plus simple à fixer, deux vis Parker c'est tout. D'ailleurs a ce sujet, si tu remontes un feu d'origine, tu peux utiliser des vis auto-foreuses, au lieu des vis huit.
Et si tu montes un autre modèle, regarde les normes en vigueurs pour le positionnement. A+
2 solutions: la bonne et l'Anglaise
LUCAS: Il n'y a pas de contact où il le faut et il y en a un où il ne faut pas
On ne peut aller loin en amitié, si on n'est pas disposé à se pardonner les uns aux autres les petits défauts.
www.eternal-vehicles.fr
LUCAS: Il n'y a pas de contact où il le faut et il y en a un où il ne faut pas
On ne peut aller loin en amitié, si on n'est pas disposé à se pardonner les uns aux autres les petits défauts.
www.eternal-vehicles.fr
-
vincent 03
- Habitué
- Messages : 155
- Enregistré le : 01/06/2007 20:29
- Localisation : Allier
Re: Changer l'antibrouillard arrière sur un 300 tdi.
Merci de ta réponse éclairée.
Sans y aller au c4 (quoique j'ai une préférence pour la poudre noire), mon soucis est le suivant. le feu ne s'allume plus (ampoule bonne bien sur) mais le voyant de tableau de bord fonctionne. Par contre, il ne s'éteint plus sauf parfois en manipulant le commodo de veilleuse/phare. Comme le feu à pris un choc et que cela m'avait fait le coup sur le feu de recul de l'autre côté, je suis parti sur cette idée de cours-jus ou de mise à la masse lors du choc.
Y-a-t-il un relais pour faire marcher le feu anti-brouillard? Car j’entends un clic quand je l'allume et idem en l'éteignant. J'ai le manuel de référence électrique en pdf. Ils parlent d'un ECU pour le feu de brouillard...Késako?
A moins que ce ne soit le bouton qui foire comme le commodo de veilleuse qui m'a vidé la batterie.
Ah, j'oubliais, le voyant reste allumé malgré l'action du bouton mais si j'enlève l'ampoule du feu, cela s'éteint.
Et je cherche car dans le Bourbonnais, en ce moment, c'est The Fog...
Sans y aller au c4 (quoique j'ai une préférence pour la poudre noire), mon soucis est le suivant. le feu ne s'allume plus (ampoule bonne bien sur) mais le voyant de tableau de bord fonctionne. Par contre, il ne s'éteint plus sauf parfois en manipulant le commodo de veilleuse/phare. Comme le feu à pris un choc et que cela m'avait fait le coup sur le feu de recul de l'autre côté, je suis parti sur cette idée de cours-jus ou de mise à la masse lors du choc.
Y-a-t-il un relais pour faire marcher le feu anti-brouillard? Car j’entends un clic quand je l'allume et idem en l'éteignant. J'ai le manuel de référence électrique en pdf. Ils parlent d'un ECU pour le feu de brouillard...Késako?
A moins que ce ne soit le bouton qui foire comme le commodo de veilleuse qui m'a vidé la batterie.
Ah, j'oubliais, le voyant reste allumé malgré l'action du bouton mais si j'enlève l'ampoule du feu, cela s'éteint.
Et je cherche car dans le Bourbonnais, en ce moment, c'est The Fog...
Ce n'est pas parce qu'une erreur se répand qu'elle devient vérité. Gandhi.
- LØLØ
- Modérateur
- Messages : 6206
- Enregistré le : 30/07/2006 15:41
- Localisation : guainville (28 )
- Contact :
Re: Changer l'antibrouillard arrière sur un 300 tdi.
Salut,vincent 03 a écrit : Y-a-t-il un relais pour faire marcher le feu anti-brouillard? Car j’entends un clic quand je l'allume et idem en l'éteignant. J'ai le manuel de référence électrique en pdf. Ils parlent d'un ECU pour le feu de brouillard...Késako?
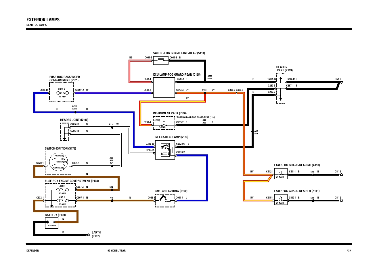
Comme tu peux voir sur le schéma, c'est un petit relais 4 broches un peu particulier dans sa forme, par rapport aux autre relais que l'on peut trouver dans le land. C'est lui que tu dois entendre, il est le long de la colonne de direction derrière le tableau de bord. Il équipait les 300 de dernière génération.
Bizarre bizarre... Le voyant est en parallèle sur l'ampoule. Le relais est peut-être malade, ses contacts resteraient collés ?vincent 03 a écrit :Ah, j'oubliais, le voyant reste allumé malgré l'action du bouton mais si j'enlève l'ampoule du feu, cela s'éteint.
Par contre, il ne s'éteint plus sauf parfois en manipulant le commodo de veilleuse/phare.
L'alimentation du relais anti brouillard dépend du relais des code/phare ( headlamp) de façon a ce qu'il s'éteigne aussi lorsqu'on éteint les feux du land.
A+
2 solutions: la bonne et l'Anglaise
LUCAS: Il n'y a pas de contact où il le faut et il y en a un où il ne faut pas
On ne peut aller loin en amitié, si on n'est pas disposé à se pardonner les uns aux autres les petits défauts.
www.eternal-vehicles.fr
LUCAS: Il n'y a pas de contact où il le faut et il y en a un où il ne faut pas
On ne peut aller loin en amitié, si on n'est pas disposé à se pardonner les uns aux autres les petits défauts.
www.eternal-vehicles.fr
-
vincent 03
- Habitué
- Messages : 155
- Enregistré le : 01/06/2007 20:29
- Localisation : Allier
Re: Changer l'antibrouillard arrière sur un 300 tdi.
Mon 110 est de juillet 98, un des tout derniers.
Comment vérifier si c'est le relais? Et si les contacts restent collé, cela se bricole où il faut changer le relais?
De plus, pourquoi le voyant du tableau s'allume mais pas l'ampoule du feu?
Comment vérifier si c'est le relais? Et si les contacts restent collé, cela se bricole où il faut changer le relais?
De plus, pourquoi le voyant du tableau s'allume mais pas l'ampoule du feu?
Ce n'est pas parce qu'une erreur se répand qu'elle devient vérité. Gandhi.
- LØLØ
- Modérateur
- Messages : 6206
- Enregistré le : 30/07/2006 15:41
- Localisation : guainville (28 )
- Contact :
Re: Changer l'antibrouillard arrière sur un 300 tdi.
Salut,vincent 03 a écrit :Mon 110 est de juillet 98, un des tout derniers.
OK
En l'enlevant de son support puis le simulant avec un fil, en établissant une liaison sur les broches 2 et 3 du même support, voir si le voyant s'allume bien.Comment vérifier si c'est le relais?
En l'ouvrant, et en regardant l'état des contacts internes.
En contrôlant, si il commute bien a chaque sollicitation de la commande.
Il faut changer le relais, car les contacts ont chauffé, les lamelles sont ramolies ou le ressort de rappel est HS, peut-être qu'ils ont charbonné, mais là on tombe dans de la micro mécanique, très difficilement bricolable.Et si les contacts restent collés, cela se bricole où il faut changer le relais?
Très bonne question, la réponse benDe plus, pourquoi le voyant du tableau s'allume mais pas l'ampoule du feu?
Le voyant, lui, il est bon...
Et donc l'ampoule, ou le parcours du courant jusqu’à elle a un défaut.
Le pourquoi, ben peut-être que l'endommagement du feu, a eu pour effet de générer un court circuit, qui a fait chauffé le relais, mais aussi le fils rouge liseré jaune qui se serait coupé sur le trajet entre l'épissure du voyant repéré A156 sur le schéma et l'ampoule de 21W de l'antibrouillard. mais peut-être aussi, si il y avait une oxydation sur l'un des connecteurs de la liaison, cet excès de courant peut avoir provoquer un charbonnage d'un des connecteurs, soit celui sur le tablier (C376), soit dans le boitier électrique de benne arrière droit (C512) ou arrière gauche (C515); ou dans le feu lui même ou sur le culot de l'ampoule, qui est un peu "cheap" et tout ça en plus d'avoir également abimer le relais
Le défaut de relais peut être expliqué par le coté aléatoire du fonctionnement du voyant.
Et le non fonctionnement du feu en lui même, doit encore être élucidé par des investigations.
Déjà contrôle sur le connecteur de tablier C376 broche 3, que tu as du +12V qui arrive quand le voyant antibrouillard est allumé, ou quand tu remplaces le relais par un shunt entre les bornes 2 et 3 de son support qui relirait entre eux les fils bleu liseré violet et rouge liseré jaune. Ou, in situe sur le tablier dans le compartiment moteur coté passager. Ensuite en étant sûr de cette partie, il faut aller dans le boitier de benne arrière droit, et voir si sur le connecteur C512 le +12V arrive. Puis pareillement, vérifier dans le boitier arrière gauche, que sur l'olive de C515 le +12V arrive également. C'est là où est connecté l'antibrouillard pour un land conduite à gauche. Tu peux remarquer qu'il y a beaucoup moins de fils de ce coté là. Bonne recherche.
A+
2 solutions: la bonne et l'Anglaise
LUCAS: Il n'y a pas de contact où il le faut et il y en a un où il ne faut pas
On ne peut aller loin en amitié, si on n'est pas disposé à se pardonner les uns aux autres les petits défauts.
www.eternal-vehicles.fr
LUCAS: Il n'y a pas de contact où il le faut et il y en a un où il ne faut pas
On ne peut aller loin en amitié, si on n'est pas disposé à se pardonner les uns aux autres les petits défauts.
www.eternal-vehicles.fr
-
vincent 03
- Habitué
- Messages : 155
- Enregistré le : 01/06/2007 20:29
- Localisation : Allier
Re: Changer l'antibrouillard arrière sur un 300 tdi.
Ok, merci pour tout. je vais me lancer dans la quête...
Ah, il est où le c316? A l'intérieur?
Au fait, au cas ou, ça se trouve où un relais? Il n'y-a-plus de concessionnaire par chez-moi et sur le net j'ai des adresses mais j'aimerais trouver des pièces de bonne qualité et pas du brittchose...
Et merci encore.
Ah, il est où le c316? A l'intérieur?
Au fait, au cas ou, ça se trouve où un relais? Il n'y-a-plus de concessionnaire par chez-moi et sur le net j'ai des adresses mais j'aimerais trouver des pièces de bonne qualité et pas du brittchose...
Et merci encore.
Ce n'est pas parce qu'une erreur se répand qu'elle devient vérité. Gandhi.
- LØLØ
- Modérateur
- Messages : 6206
- Enregistré le : 30/07/2006 15:41
- Localisation : guainville (28 )
- Contact :
Re: Changer l'antibrouillard arrière sur un 300 tdi.
Salut,vincent 03 a écrit :
Ah, il est où le c316? A l'intérieur?
Je ne vois pas de C316 sur le schéma des antis brouillard, ni sur les 300tdi tout génération antérieur. je ne sait pas de quel connecteur tu veux parler, tu dois faire une erreur dans la désignation.
Je vais beaucoup sur LR direct, ou il te propose plusieurs choix de qualité et des tarifs en euro, une partie du site en français, et globalement, ils sont compétitif sur leur tarif et délais de livraison.Au fait, au cas ou, ça se trouve où un relais? Il n'y-a-plus de concessionnaire par chez-moi et sur le net j'ai des adresses mais j'aimerais trouver des pièces de bonne qualité et pas du brittchose...
Comment fonctionne ton bouton pour allumer l'antibrouillard, est-ce une simple impulsion qui a pour effet de mettre la broche 4 du relais a la masse de façon momentané, et cela active le relais ? Si c'est le cas, la référence de ton relais est : YWC104430L. Pour y accéder il faut demonter les 4 vis du tableau de bord, car il se trouve juste au dessus du neiman, derrière le compteur de vitesse. Pour plus d’accessibilité derrière le bloc instruments, afin de pouvoir l'écarter sur le coté gauche, tu démontes le câble du compteur, simple, si tu comprends son système de fixation par deux ergots prient dans une gorge, il suffit d'appuyer suffisamment sur les deux parties striées, pour libérer les ergots de verrouillage de leur gorge. Au remontage, il suffit simplement de pousser sur le câble, la partie conique guidant les ergots jusqu’à leur gorge, veille à ce que le carré du câble de compteur soit bien en face du carré femelle dans le compteur, mais là aucune difficulté, cela se goupille toujours bien malgré le manque de place, pour ceux qui ont des gros doigts. Bouton poussoir de l'antibrouillard, utilisé avec un relais à commande impulsionnelle. Ce système de commande, permet d’arrêter le feu en même temps que le land, et de faire en sorte que le feu ne soit pas allumé lors de la prochaine utilisation du véhicule, cela évite de l'oublier. A+
2 solutions: la bonne et l'Anglaise
LUCAS: Il n'y a pas de contact où il le faut et il y en a un où il ne faut pas
On ne peut aller loin en amitié, si on n'est pas disposé à se pardonner les uns aux autres les petits défauts.
www.eternal-vehicles.fr
LUCAS: Il n'y a pas de contact où il le faut et il y en a un où il ne faut pas
On ne peut aller loin en amitié, si on n'est pas disposé à se pardonner les uns aux autres les petits défauts.
www.eternal-vehicles.fr
-
vincent 03
- Habitué
- Messages : 155
- Enregistré le : 01/06/2007 20:29
- Localisation : Allier
Re: Changer l'antibrouillard arrière sur un 300 tdi.
C316 est marqué sur la première photo de ton précédent post. mais il doit s'agir de c376.
Le bouton est à impulsion et ne fonctionne pas comme celui du dégivrage arrière ou des warning.
Mais je comprends mieux le rôle du relais maintenant que tu me parle de coupure quand on arrête le moteur.
Ah, tu parles du fusible 6. Il est où? Et se peut-il que le fusible soit grillé mais que le voyant du tableau marche? Je suis une bille mais j'ai un doute que cela soit la cas, mais je demande quand même
Bon, on va voir tout ça.
Merci encore pour tout et bonnes fêtes.
vous êtes super sur ce forum
Le bouton est à impulsion et ne fonctionne pas comme celui du dégivrage arrière ou des warning.
Mais je comprends mieux le rôle du relais maintenant que tu me parle de coupure quand on arrête le moteur.
Ah, tu parles du fusible 6. Il est où? Et se peut-il que le fusible soit grillé mais que le voyant du tableau marche? Je suis une bille mais j'ai un doute que cela soit la cas, mais je demande quand même
Bon, on va voir tout ça.
Merci encore pour tout et bonnes fêtes.
vous êtes super sur ce forum
Ce n'est pas parce qu'une erreur se répand qu'elle devient vérité. Gandhi.
- LØLØ
- Modérateur
- Messages : 6206
- Enregistré le : 30/07/2006 15:41
- Localisation : guainville (28 )
- Contact :
Re: Changer l'antibrouillard arrière sur un 300 tdi.
Salut,vincent 03 a écrit :C316 est marqué sur la première photo de ton précédent post. mais il doit s'agir de c376.
Oui
Oui, si tu oublies le dégivrage, ce n'est pas bien grave, encore que sur celui du parebrise, il y a une temporisation. D'où appellation ECU car ce n'est pas un simple relais, mais c'est muni d'une électronique, comme la centrale clignotante ou la temporisation d'essuie glace. Alors que les relais simples à contact repos ou travail porte le nom de relay.Le bouton est à impulsion et ne fonctionne pas comme celui du dégivrage arrière ou des warning.
Certes, comme n'importe quel dispositif sur un +12V après contact, mais le plus fort c'est que cela ne se rallume pas a la prochaine mise en route, c'est un système de plus en plus utilisé dans les autos modernes, on pourrait qualifier ça d'assistance aux étourdis. Ou qui est utilisé pour la commutation de code en phare en effectuant le geste dans le même sens en tirant sur le levier, et non pas en poussant et en tirant.Mais je comprends mieux le rôle du relais maintenant que tu me parles de coupure quand on arrête le moteur.
Ah, tu parles du fusible 6. Il est où?
Dans le tableau de fusible derrière les leviers de vitesse, il est bien repéré, dommage sur la photo le fusible N°6 de 7,5A n'est pas d'origine, et pas de 7,5A car la couleur bleu ne correspond pas à cet Ampérage, mais à 15A.
Et malheureusement non, le fusible est bon puisque le voyant s'allume, et a priori le relais d’auto-maintien aussi, si tu l'entends commuter ou dé-commuter à chaque fois que tu appuis sur le bouton, je dis a priori car tu as évoqué un fonctionnement aléatoire, et cet aléa de commutation, peut également venir du bouton qui ne commuterait pas bien à chaque fois, ou peut-être aussi du point de masse C556 ou du collecteur de raccordement C287 ou du support du fusible qui ne ferait pas bien contact sur le fusible ou...Et se peut-il que le fusible soit grillé mais que le voyant du tableau marche? Je suis une bille mais j'ai un doute que cela soit la cas, mais je demande quand même
Pour le point de masse C556, il est sur le tablier dans le compartiment moteur, bien que je ne pense pas que le défaut vienne de lui, un coup d’œil avec un coup de desserrage, serrage et un peu de produit pour contact électrique entre les deux actions, ne peut que lui faire du bien. Et pour le collecteur de raccordement, beaucoup plus pénible d’accès, il est au centre derrière la console centrale, tout au fond derrière l'autoradio. Mais bon, là aussi j'ai bonne espoir que ce ne soit pas lui, mais ne pas oublier sa présence au cas ou le bouton soit bon et l'auto-maintien aussi. Le bouton peut être simuler par un bout de fil, directement sur son connecteur C064 en débranchant le bouton et en faisant un contact fugitif directement, pour mettre en contact le fil noir avec le fil rouge liseré gris. On entend bien le relais commuter à chaque fois, ne pas oublier de mettre le contact et d'allumer les feux pour faire les tests de commutation; et de contrôler l'état avec le voyant, puisque lui fonctionne. Bonne recherche.
A+
2 solutions: la bonne et l'Anglaise
LUCAS: Il n'y a pas de contact où il le faut et il y en a un où il ne faut pas
On ne peut aller loin en amitié, si on n'est pas disposé à se pardonner les uns aux autres les petits défauts.
www.eternal-vehicles.fr
LUCAS: Il n'y a pas de contact où il le faut et il y en a un où il ne faut pas
On ne peut aller loin en amitié, si on n'est pas disposé à se pardonner les uns aux autres les petits défauts.
www.eternal-vehicles.fr
-
vincent 03
- Habitué
- Messages : 155
- Enregistré le : 01/06/2007 20:29
- Localisation : Allier
Re: Changer l'antibrouillard arrière sur un 300 tdi.
Bonjour.
Alors, les nouvelles du front.
J'ai été mesurer la tension du feu. Contact mis, bouton enclenché (il y a bien le bruit de commutation et de décomutation), le voyant de tableau de bord s'allume et s'éteint bien en fonction du bouton. J'ai 11,7v a la borne plus du feu en faisant masse avec l’échelle de la galerie. mais avec le fil noir du feu, j'ai -0,03. Bref, pas de masse dans le feu. La cosse à l'ai bonne, pas oxydée du tout et bien sertie.
Ah, j'ai fait ces mesures en ayant ôté l'ampoule.
Une idée? Faut-il trouver le point de fixation de la masse du feu?
Merci d'avance.
Alors, les nouvelles du front.
J'ai été mesurer la tension du feu. Contact mis, bouton enclenché (il y a bien le bruit de commutation et de décomutation), le voyant de tableau de bord s'allume et s'éteint bien en fonction du bouton. J'ai 11,7v a la borne plus du feu en faisant masse avec l’échelle de la galerie. mais avec le fil noir du feu, j'ai -0,03. Bref, pas de masse dans le feu. La cosse à l'ai bonne, pas oxydée du tout et bien sertie.
Ah, j'ai fait ces mesures en ayant ôté l'ampoule.
Une idée? Faut-il trouver le point de fixation de la masse du feu?
Merci d'avance.
Ce n'est pas parce qu'une erreur se répand qu'elle devient vérité. Gandhi.
- LØLØ
- Modérateur
- Messages : 6206
- Enregistré le : 30/07/2006 15:41
- Localisation : guainville (28 )
- Contact :
Re: Changer l'antibrouillard arrière sur un 300 tdi.
Salut,
Tout est bon, bouton; ECU; connecteur jusqu'au feu ou presque.
Vérifie le +12V entre l'olive de l'antibrouillard et l'olive de la masse arrière gauche si OK, soit le fil de masse est coupé entre le feu et ce point , ou défait du feu, la cosse de masse à "l'air bonne" attention aux délies de bonne gueule, elle peut être cassée; oxydée; dessertie; coupé à raz... Vérifie également son olive de masse dans la benne. Bref, un grand tour d'horizon pour pas grand chose au bout du compte, mais c'est malheureusement souvent comme ça en électricité, le tout c'est de mettre le doigt dessus.
A+
Contact mis, bouton enclenché (il y a bien le bruit de commutation et de décomutation), le voyant de tableau de bord s'allume et s'éteint bien en fonction du bouton.
Oui, c'est ça il y a un problème de masse entre le feu et le châssis. Il faut contrôler la masse dans le boitier de benne arrière gauche. Est ce que l'éclairage de plaque et le clignotant fonctionne correctement ? Car ils ont la même masse que l'anti-brouillard.J'ai 11,7v a la borne plus du feu en faisant masse avec l’échelle de la galerie. mais avec le fil noir du feu, j'ai -0,03. Bref, pas de masse dans le feu. La cosse à l'air bonne, pas oxydée du tout et bien sertie.
Vérifie le +12V entre l'olive de l'antibrouillard et l'olive de la masse arrière gauche si OK, soit le fil de masse est coupé entre le feu et ce point , ou défait du feu, la cosse de masse à "l'air bonne" attention aux délies de bonne gueule, elle peut être cassée; oxydée; dessertie; coupé à raz... Vérifie également son olive de masse dans la benne. Bref, un grand tour d'horizon pour pas grand chose au bout du compte, mais c'est malheureusement souvent comme ça en électricité, le tout c'est de mettre le doigt dessus.
A+
2 solutions: la bonne et l'Anglaise
LUCAS: Il n'y a pas de contact où il le faut et il y en a un où il ne faut pas
On ne peut aller loin en amitié, si on n'est pas disposé à se pardonner les uns aux autres les petits défauts.
www.eternal-vehicles.fr
LUCAS: Il n'y a pas de contact où il le faut et il y en a un où il ne faut pas
On ne peut aller loin en amitié, si on n'est pas disposé à se pardonner les uns aux autres les petits défauts.
www.eternal-vehicles.fr
-
vincent 03
- Habitué
- Messages : 155
- Enregistré le : 01/06/2007 20:29
- Localisation : Allier
Re: Changer l'antibrouillard arrière sur un 300 tdi.
Bon, ça y est, ça marche
Au fait, le clignotant marchait mais pas l'éclairage de plaque.
C'était le connecteur dans la benne. J'ai déclipsé les fil et reclipsé et ça a marché. Par contre, il y a une cosse qui a du jeu dans le connecteur. Je pense que je devrais le changer pour plus de sureté. Chez LR aussi?
Au fait, mon volant fatigue. Où puis-je trouver un couve volant pour defender en cuir ou un volant en bois (le rêve...)?
En tout cas, merci pour tout et pour le temps que tu m'a accordé. C'est vraiment sympa.
bonnes fêtes à toi et aux tiens.
Au fait, le clignotant marchait mais pas l'éclairage de plaque.
C'était le connecteur dans la benne. J'ai déclipsé les fil et reclipsé et ça a marché. Par contre, il y a une cosse qui a du jeu dans le connecteur. Je pense que je devrais le changer pour plus de sureté. Chez LR aussi?
Au fait, mon volant fatigue. Où puis-je trouver un couve volant pour defender en cuir ou un volant en bois (le rêve...)?
En tout cas, merci pour tout et pour le temps que tu m'a accordé. C'est vraiment sympa.
bonnes fêtes à toi et aux tiens.
Ce n'est pas parce qu'une erreur se répand qu'elle devient vérité. Gandhi.
- LØLØ
- Modérateur
- Messages : 6206
- Enregistré le : 30/07/2006 15:41
- Localisation : guainville (28 )
- Contact :
Re: Changer l'antibrouillard arrière sur un 300 tdi.
Salut,vincent 03 a écrit :
Au fait, le clignotant marchait mais pas l'éclairage de plaque.
C'était le connecteur dans la benne. J'ai déclipsé les fil et reclipsé et ça a marché. Par contre, il y a une cosse qui a du jeu dans le connecteur. Je pense que je devrais le changer pour plus de sureté. Chez LR aussi?
Un petit coup de pince, souvent règle le problème de faux contacts dans ce genre de connecteur.
Lis ce thème : Connecteurs Land Rover 110 de 86 avec un lien vers un site marchant anglais où tu peux en commander.
Vois aussi cette inter dans un thème sur le feu de recul, où il en est question, avec des exemples de misères que l'on peut trouver autour de se type de connecteur.
Maintenant une soudure, et un bout de gaine thermorétractable, règle le problème pour de nombre années, et permet de faire un cadeau de plus a Noël pour les enfants, ou les copains.
Au fait, mon volant fatigue. Où puis-je trouver un couve volant pour defender en cuir ou un volant en bois (le rêve...)?
Ouvre un autre thème dédier au volant ou poursuis en un existant, comme ça cela permet de tout centraliser et d'éviter les doublons, triplons, quadruplons... l'infiniplons. Utilise la fonction recherche en haut à droite de l'écran.
A+
2 solutions: la bonne et l'Anglaise
LUCAS: Il n'y a pas de contact où il le faut et il y en a un où il ne faut pas
On ne peut aller loin en amitié, si on n'est pas disposé à se pardonner les uns aux autres les petits défauts.
www.eternal-vehicles.fr
LUCAS: Il n'y a pas de contact où il le faut et il y en a un où il ne faut pas
On ne peut aller loin en amitié, si on n'est pas disposé à se pardonner les uns aux autres les petits défauts.
www.eternal-vehicles.fr
-
vincent 03
- Habitué
- Messages : 155
- Enregistré le : 01/06/2007 20:29
- Localisation : Allier
Re: Changer l'antibrouillard arrière sur un 300 tdi.
L'infiniplon, connaissais pas. C'est mignon.
bon , désolé, c'était dans le feu de l'action.
Encore merci pour tout. C'est super.
bon , désolé, c'était dans le feu de l'action.
Encore merci pour tout. C'est super.
Ce n'est pas parce qu'une erreur se répand qu'elle devient vérité. Gandhi.