Pb de temporisation essuie glace sur disco 300 TDI

Bidouillages électriques, codes d'erreur ECU...

Modérateurs : The Pater, LØLØ

Règles du forum
En naviguant sur le site http://www.landroverfaq.com vous reconnaissez avoir lu ses Conditions d’Utilisation, vous déclarez les comprendre et vous acceptez d’y être lié de manière inconditionnelle. Si tel n'est pas le cas, merci de quitter immédiatement ce site.

Vous pouvez joindre autant d'images que nécessaire à vos messages A LA CONDITION EXPRESSE d'utiliser l'hébergement fourni par le site.

L'administrateur effacera systématiquement tout message contenant des photos hébergées chez Imageschack, Casimage, Wistiti ou tout autre hébergeur tiers sans sommation ni justification.
Avatar du membre
LØLØ
Modérateur
Messages : 6210
Enregistré le : 30/07/2006 15:41
Localisation : guainville (28 )
Contact :

Re: Pb de temporisation essuie glace sur disco 300 TDI

Message non lu par LØLØ »

gb5978 a écrit : Est-ce normal toute cette graisse, même au niveau des contacts du contacteur de fin de course ?
Salut,
Oui, il y a de la graisse, c'est normal
Lolo, tu vois quelque chose d'anormal là-dedans ?
Difficile de juger, il faudrait nettoyer les contacts, et contrôler leur état d'usure ou d'oxydation plus précisément. Refais une photo de plus prêt de la parti plot des 3 contacts et des pistes de frottement.
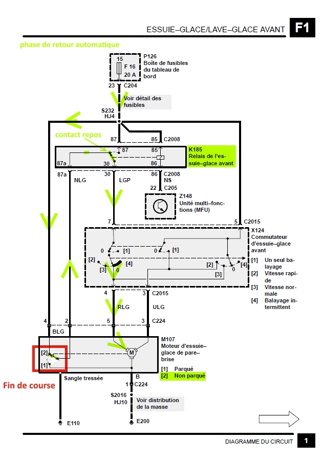
Comme tu peux le voir, sur le schéma ou sur le couvercle de la roue dentée, il y a trois contacts, pour faire les test il faut s'assurer que le corps du moteur est bien reliè à la masse soit par le connecteur soit par une petite tresse, qui se trouve sous l'une des vis de montage, sur le schéma, il parle de "sangle tressée", car il n'y a que deux fils qui partent du contacteur le troisième c'est la masse via le corps du moteur.

Tu peux également tester la continuité entre la pointe d'une lamelle et le connecteur du moteur, afin d'être sur qu'il n'y ait pas un défaut sur un sertissage ou un rivetage d'un des éléments constituant le capteur fin de course.
Tu peux faire des mesures à l'ohmmètre des deux positions, "parqué" et "non parqué" directement sur le connecteur. Repère toi avec les couleurs équivalentes coté faisceau châssis, car coté faisceau moteur elles ne correspondent pas au schéma, car elles sont spécifiques au fabriquant du moteur d'essuie glace.
[1] Parqué: Tu dois avoir la continuité entre le fil marron/vert et la masse. Le fil marron/vert n'est relié a aucun des deux autres.
[2] Non parqué: Tu dois avoir la continuité entre le fil marron/vert et le fil noir/vert. La masse n'est reliée a aucun des deux autres.
fin de course disco 300tdi.jpg
A+
2 solutions: la bonne et l'Anglaise
LUCAS: Il n'y a pas de contact où il le faut et il y en a un où il ne faut pas
On ne peut aller loin en amitié, si on n'est pas disposé à se pardonner les uns aux autres les petits défauts.
www.eternal-vehicles.fr
Avatar du membre
gb5978
Habitué
Messages : 51
Enregistré le : 22/03/2010 22:54
Localisation : 59670

Re: Pb de temporisation essuie glace sur disco 300 TDI

Message non lu par gb5978 »

Voici quelques nouvelles...

Quand on zoome sur les pistes du système de fin de course, on voit une partie métallique, puis une partie en plastique. Au niveau de cette dernière, noircie par la graisse, on peut s'apercevoir que ce qui fait office de butée en plastique est usée et creusée au milieu... :
20170724_150211 fin de course usée.jpg
Si l'on zoome sur les contacts en forme de languettes métalliques, on peut voir que la plus excentrée, celle qui passe sur la zone avec la butée en plastique, est très usée (celle en bas sur cette image) :
20170724_150242 contacts.jpg
On peut donc conclure, a priori, que, la languette ne faisant plus bien contact, et la butée étant usée, l'information de fin de course transmise au moteur d'essuie glace est erronée et sans doute la cause de mon problème de temporisation...

A ce niveau, j'ai voulu solutionner le problème :
- d'une part en redressant la languette métallique usée afin que celle-ci fasse à nouveau contact
- d'autre part en confectionnant une nouvelle butée en plastique. C'est là que ça s'est compliqué... :lol:

Après avoir dégraissé au mieux la zone de la butée en plastique, j'ai tenté d'y coller un morceau de plastique découpé de 5mm de côté :
20170724_162847 solution 1.jpg
Une fois la colle séchée, remontage de l'ensemble et test. BILAN : récupération de la temporisation mais arrêt des essuie-glace n'importe où sur le pare brise au lieu de s'arrêter bien rangés en bas...

Redémontage pour la Xème fois... Le morceau en plastique était déjà décollé. Dans l'espoir que cela tienne mieux, j'ai approfondi et élargi l'endroit où cette pièce sera collée à l'aide d'une Dremel pour qu'elle y soit mieux maintenue et qu'elle résiste aux passages de la languette :
20170724_184030 solution 2.jpg
Essai : même problème, à savoir temporisation ok mais arrêt des essuie glace au mauvais endroit.
Démontage, et cette fois je décide de fixer la pièce en plastique qui s'était une nouvelle fois décollée en la perçant avec une mèche de 1,5 , puis, une fois la pièce recollée, je perce à travers tout, toujours en 1,5. L'idée est de rendre cette pièce en plastique solidaire de la roue en plastique sur laquelle elle est collée, en mettant un petit clou en travers, tronçonné en dessous pour qu'il ne dépasse pas :
20170724_211619 solution 3.jpg
BILAN final : idem :? (tempo ok mais arrêt au mauvais endroit)

A ce stade, je décide, avant de commander un nouveau moteur (impossible de trouver des kits de réparation ou autre), j'ai demandé à un copain qui possède quelques pièces en stock, s'il n'avait pas un moteur d'essuie glace, et par chance, il a exactement le même modèle que moi.

Ayant été opéré du genou entre-temps, je dépends d'une aide extérieure pour terminer mes travaux. Normalement on installe le nouveau moteur demain.
Je vous tiens au courant si ça a bien solutionné mon pb :wink:
Avatar du membre
LØLØ
Modérateur
Messages : 6210
Enregistré le : 30/07/2006 15:41
Localisation : guainville (28 )
Contact :

Re: Pb de temporisation essuie glace sur disco 300 TDI

Message non lu par LØLØ »

gb5978 a écrit : BILAN final : idem :? (tempo ok mais arrêt au mauvais endroit)
Salut,
Si il s'arrête toujours au même mauvaise endroit, il y a peut-être un positionnement initiale à respecter. N'ayant jamais disséqué un moteur d'essuie glace de Disco, c'est juste une hypothèse.
Une chose est sûr, c'est que les lamelles ont bien chauffées et dans ces conditions le cuivre se recuit, et perd de son écrouissage, c'est ce qui lui donne son effet ressort.
Peut-être que quelques mesures s'imposent, est ce que le +12V arrive bien sur le fil noir/vert et en phase de retour automatique le 12V repart bien dans le fil marron vert ? Si oui, le défaut peut provenir des contacts de la position repos du relais de l'essuie-glace avant K185
schéma essuie-glace disco 300 fin de course.jpg
Si tu le peux, essais d'inverser ton relais d'essuie-glace avec un autre identique, pour essayer avant de tout changer.
A+
2 solutions: la bonne et l'Anglaise
LUCAS: Il n'y a pas de contact où il le faut et il y en a un où il ne faut pas
On ne peut aller loin en amitié, si on n'est pas disposé à se pardonner les uns aux autres les petits défauts.
www.eternal-vehicles.fr
Avatar du membre
gb5978
Habitué
Messages : 51
Enregistré le : 22/03/2010 22:54
Localisation : 59670

Re: Pb de temporisation essuie glace sur disco 300 TDI

Message non lu par gb5978 »

Une petite question : qu'appelle-t-on parqué/non parqué...? :roll:
Avatar du membre
LØLØ
Modérateur
Messages : 6210
Enregistré le : 30/07/2006 15:41
Localisation : guainville (28 )
Contact :

Re: Pb de temporisation essuie glace sur disco 300 TDI

Message non lu par LØLØ »

gb5978 a écrit :Une petite question : qu'appelle-t-on parqué/non parqué...? :roll:
Parqué: C'est le moteur a l’arrêt en position initial, avec les balais d'essuie glace bien rangés le long du bord bas du parebrise. C'est a dire que les charbons du moteur sont commutés a la masse, ce qui permet un arrêt net de la rotation du moteur par restitution instantané de l’énergie emmagasiné dans les enroulement du moteur.
Non parqué: C'est lorsque le moteur n'est plus alimenté par son relais, car l'utilisateur en a coupé la commande, note que cette coupure est effectuée n'importe où dans le cycle de balayage. Il faut, afin que les balais retournent se "garer" bien sagement au bas du pare-brise, il faut continuer d'alimenter le moteur, jusqu’à ce que cette position soit atteinte et là de façon automatique on coupe ce rab d'alimentation de façon automatique en ouvrant le contacteur de ce circuit annexe, qui nous a permis ce retour automatique.
Le trajet du courant dans cette configuration est effectivement particulier car il passe par le contacteur fin de course qui permet de continuer d'alimenter le moteur, mais également par le relais principale.
Vois le circuit matérialisé par les flèches jaunes sur le schéma précédent.
Ce principe, permet également la fonction intermittente en envoyant simplement une impulsion au relais d'un quart de seconde juste pour décoller les essuies glace de leur position parqué, puis le cycle de balayage s'effectue grâce au circuit non parqué, et cinq seconde plus tard on en renvoie une autre impulsion. Sur certain land de garçon coiffeur la durée entre deux impulsions est réglable, ce qui permet de régler la "fréquence de intermittence".
A+
2 solutions: la bonne et l'Anglaise
LUCAS: Il n'y a pas de contact où il le faut et il y en a un où il ne faut pas
On ne peut aller loin en amitié, si on n'est pas disposé à se pardonner les uns aux autres les petits défauts.
www.eternal-vehicles.fr
Avatar du membre
gb5978
Habitué
Messages : 51
Enregistré le : 22/03/2010 22:54
Localisation : 59670

Re: Pb de temporisation essuie glace sur disco 300 TDI

Message non lu par gb5978 »

Bonjour,
Le problème est résolu :sm2:
Avec un 2e moteur qu'un ami avait pour pièce, j'en ai fait un qui fonctionne... Sur le sien, après démontage et ouverture, c'était le moteur lui-même qui était grillé. J'ai donc récupéré la roue crantée qui sert à la fois d'axe et de repère pour la fin de course. J'ai également récupéré les 3 contacteurs métalliques en changeant mon capot argenté par le sien. Après quelques réglages sur la tringlerie, ça fonctionne impeccable.

Donc pour résumer, mon problème était semble-t-il causé par :
- une usure d'une languette métallique faisant le contact de fin de course
- une usure du repère de fin de course sur la roue crantée (ce repère, en plastique, était creusé par le passage répété de la languette métallique).
Ces 2 pièces étant usées, le contact ne se faisait plus correctement entre-elles.


Un grand merci à ceux qui ont participé au post, en particulier à Lolo, qui m'aura permis d'y voir un peu plus clair dans le système complexe qu'est la temporisation des essuie-glaces et les causes possibles du dysfonctionnement :)
Répondre

Retourner vers « Electricité • Electronique »