Pompe Bosch VE : cône LDA
Règles du forum
En naviguant sur le site http://www.landroverfaq.com vous reconnaissez avoir lu ses Conditions d’Utilisation, vous déclarez les comprendre et vous acceptez d’y être lié de manière inconditionnelle. Si tel n'est pas le cas, merci de quitter immédiatement ce site.
Vous pouvez joindre autant d'images que nécessaire à vos messages A LA CONDITION EXPRESSE d'utiliser l'hébergement fourni par le site.
L'administrateur effacera systématiquement tout message contenant des photos hébergées chez Imageschack, Casimage, Wistiti ou tout autre hébergeur tiers sans sommation ni justification.
En naviguant sur le site http://www.landroverfaq.com vous reconnaissez avoir lu ses Conditions d’Utilisation, vous déclarez les comprendre et vous acceptez d’y être lié de manière inconditionnelle. Si tel n'est pas le cas, merci de quitter immédiatement ce site.
Vous pouvez joindre autant d'images que nécessaire à vos messages A LA CONDITION EXPRESSE d'utiliser l'hébergement fourni par le site.
L'administrateur effacera systématiquement tout message contenant des photos hébergées chez Imageschack, Casimage, Wistiti ou tout autre hébergeur tiers sans sommation ni justification.
- Dakarman
- Habitué
- Messages : 23
- Enregistré le : 26/06/2004 10:51
- Localisation : Marseille (13) - Osani (2A)
Re: Pompe Bosch VE : cône LDA
Bonsoir à tous,
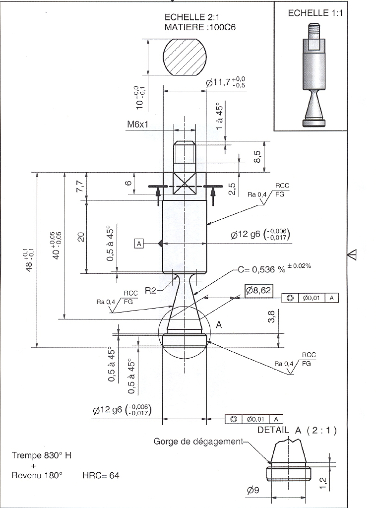
Je suis avec grand intérêt cette discussion car à l'époque où j'avais accès à un bureau d'études, j'avais demandé un plan pour optimiser la LDA (ci-joint).
Une personne me l'a demandé sur Landmania et a fait fabriqué un proto, mais depuis plus de nouvelles :
"le premier proto permet d'obtenir un gain important de couple mais provoque une fumé trop importante et non acceptable pour une utilisation normal je suis en train de voir afin de jouer sur le ressort pour améliorer ce point avec une pression de suralimentation de 1.2kg et la lda modifié le moteur chauffe un peu trop donc montage intercooler obligatoire".
Voilà pour ma contribution à l'édifice.
@+
Je suis avec grand intérêt cette discussion car à l'époque où j'avais accès à un bureau d'études, j'avais demandé un plan pour optimiser la LDA (ci-joint).
Une personne me l'a demandé sur Landmania et a fait fabriqué un proto, mais depuis plus de nouvelles :
"le premier proto permet d'obtenir un gain important de couple mais provoque une fumé trop importante et non acceptable pour une utilisation normal je suis en train de voir afin de jouer sur le ressort pour améliorer ce point avec une pression de suralimentation de 1.2kg et la lda modifié le moteur chauffe un peu trop donc montage intercooler obligatoire".
Voilà pour ma contribution à l'édifice.
@+
Re: Pompe Bosch VE : cône LDA
Le cône est excentré sur les originaux, ca ne semble pas être le cas du tien? du coup, impossible de régler par rotation la quantité de fumée produite... et donc, peu d'intérêt a mon avis! Mais merci quand même! 
Re: Pompe Bosch VE : cône LDA
Ce dessin est un bon point de départ pour quelqu'un qui voudrait se lancer dans le bidouillage de cônes. on garde toutes les côtes et on ne joue que sur la partie conique (angle, point de départ et décentrement). Pour la fabrication, pas besoin de grand'chose de plus qu'un bête tour tout ce qu'il y a de plus classique avec une solution de décentrement ... et un peu de temps libre pour s'y mettre
en tout cas merci Dakarman!
en tout cas merci Dakarman!
This manual should be used to find out where the water is leaking from. Due to the nature of the design and construction of the Defender this can prove to fairly difficult. The fact that water moves in seemingly random directions also adds to the problem
- The Pater
- Modérateur
- Messages : 13960
- Enregistré le : 25/08/2004 8:19
- Localisation : 06°27'46"E 45°50'29"N
Re: Pompe Bosch VE : cône LDA
Note : acier à roulement avec traitement thermique pour avoir un dureté suffisante par ne pas avoir une usure prématurée au niveau du doigt palpeur. C'est ce que je lis sur le plan.kebir31 a écrit : Pour la fabrication, pas besoin de grand'chose de plus qu'un bête tour tout ce qu'il y a de plus classique avec une solution de décentrement
Un simple tour ?
A+
Ingénieur :
Personne faisant un travail divinatoire de précision basé sur des informations peu fiables données par des personnes peu qualifiées, voire ignorantes.
=>, magicien, devin, sorcier
Personne faisant un travail divinatoire de précision basé sur des informations peu fiables données par des personnes peu qualifiées, voire ignorantes.
=>, magicien, devin, sorcier
Re: Pompe Bosch VE : cône LDA
Pour trouver les cotes qui vont bien, un simple tour.
Pour faire un cône durable: joker...
Pour faire un cône durable: joker...
Re: Pompe Bosch VE : cône LDA
Heu... ça marche comment un tour qui ne tourne pas rond ????? Je suis un béossien pour ce qui est de l'outil industriel....kebir31 a écrit : de plus qu'un bête tour tout ce qu'il y a de plus classique avec une solution de décentrement
L'instrumentation, c'était aussi : 

Re: Pompe Bosch VE : cône LDA
ho les gars, lisez bien:
. Dans mon idée, bidouillage signifie fabriquer, monter, faire 100km, fabriquer un autre, redémonter etc etc ... pour à la fin se rendre compte que la pièce d'origine, ben elle est pas si mal que ça finalement
bisnouk: pour décentrer il suffit de décentrer le mandrin qui tient la pièce, donc l'axe principal tourne "à côté" de l'axe du tour, mais du coup l'axe du cône se retrouve au centre. pas sur que ce soit clair comme explication. Il doit y avoir des mots mieux adaptés je pense
j'ai jamais parlé de fabrication en série avec garantie de 300000km et/ou 12 ans, et vente sur ebay en achat immédiat à 699.99€ heinkebir31 a écrit : pour quelqu'un qui voudrait se lancer dans le bidouillage de cônes.
bisnouk: pour décentrer il suffit de décentrer le mandrin qui tient la pièce, donc l'axe principal tourne "à côté" de l'axe du tour, mais du coup l'axe du cône se retrouve au centre. pas sur que ce soit clair comme explication. Il doit y avoir des mots mieux adaptés je pense
This manual should be used to find out where the water is leaking from. Due to the nature of the design and construction of the Defender this can prove to fairly difficult. The fact that water moves in seemingly random directions also adds to the problem
Re: Pompe Bosch VE : cône LDA
Suffit de lire ; fabrication d'un cône centrébisnouk a écrit :Heu... ça marche comment un tour qui ne tourne pas rond ????? Je suis un béossien pour ce qui est de l'outil industriel....kebir31 a écrit : de plus qu'un bête tour tout ce qu'il y a de plus classique avec une solution de décentrement
l'idée est très bonne
110 200tdi afrik 2 arb , rrc VM TT 2 truetrac , rrc 300tdi mixte 1 traction control
- Dakarman
- Habitué
- Messages : 23
- Enregistré le : 26/06/2004 10:51
- Localisation : Marseille (13) - Osani (2A)
Re: Pompe Bosch VE : cône LDA
Bonsoir à tous,
un petit "up" avec une info trouvée sur un forum réunionnais :
un petit "up" avec une info trouvée sur un forum réunionnais :
Quel est le prix d'une LDA chez Bosch ?Forum réunionnais a écrit :Power system font des bons boitiers, je le sais, mais on ne parle pas de boitier mais d'un kit LDA pour Pompe Bosch Td qui coute entre 280€ et 550€, dont les fabriquants sont:Power System, Ruggeri, Papmahl c'est la meme chose.
Pourquoi une difference de prix?Chaque marque possède des LDA différents et de souplesse de ressort different.
Les 20ch annoncés est basé AUSSI avec la suppression de la bride (bague blanche)
Sak bana y dis pas zot et encore si y arrive 20Ch??
TRES RARES sont les pompes Td équipé encore de bride (bague blanche), donc il faut pas s'attendre a ce que le les 20ch soit la.
Donc je te déconseille fortement d'investir la dedans, fais les recherches aussi sur google et de voir les differents avis mais la plupart sont déçu.
On peut aussi limer le LDA chez un tourneur et retrouver le ressort plus souple sur un calorstat, mais je vais me renseigner avec mon mécanicien, parce que sa y taille pas n'importe comment.Voilà à tout casser ou la depense 80€ pas plus. De meme je vais me renseigner sur quel voiture pourrait on trouver le bon ressort de calorstat.Sinon l'ideal c'est de tomber sur une pompe d'alfa romeo Td, Lda 75H.Bon je mets une photo du LDA.
Modifié en dernier par Klug le 02/09/2010 10:01, modifié 1 fois.
Raison : Lisibilité
Raison : Lisibilité
- Klug
- BOFH
- Messages : 1758
- Enregistré le : 06/05/2004 12:57
- Localisation : Sud Drôme - Nord Ventoux
- Contact :
Re: Pompe Bosch VE : cône LDA
Ca tombe bien, c'est un 75H que j'ai monté...
All you need is Duct Tape and WD-40. If something moves and shouldn't: duct tape. If it doesn't move and should: use the WD-40.
- Dakarman
- Habitué
- Messages : 23
- Enregistré le : 26/06/2004 10:51
- Localisation : Marseille (13) - Osani (2A)
Re: Pompe Bosch VE : cône LDA
Bonjour Klug,
Peux-tu nous fournir les coordonnées de ton vendeur afin que je puisse lui en commander une ?
Merci à toi
Peux-tu nous fournir les coordonnées de ton vendeur afin que je puisse lui en commander une ?
Merci à toi
- Klug
- BOFH
- Messages : 1758
- Enregistré le : 06/05/2004 12:57
- Localisation : Sud Drôme - Nord Ventoux
- Contact :
Re: Pompe Bosch VE : cône LDA
delelis sur le forum de Landmania.com
All you need is Duct Tape and WD-40. If something moves and shouldn't: duct tape. If it doesn't move and should: use the WD-40.
- Dakarman
- Habitué
- Messages : 23
- Enregistré le : 26/06/2004 10:51
- Localisation : Marseille (13) - Osani (2A)
Re: Pompe Bosch VE : cône LDA
Merci Klug, j'ai contacté delelis.
Christophe
Christophe
- nanard833
- Habitué
- Messages : 3989
- Enregistré le : 10/10/2009 20:18
- Localisation : disco 300TDI 431000 bornes
Re: Pompe Bosch VE : cône LDA
Salut,
Ce faux plateau comporte des rainures qui permettent de brider un montage d'usinage (un vé dans ce cas, BRUT = barre cylindrique) dans lequel vient se positionner la pièce BRUTE dans la position souhaitée (exentration par exemple).
Dans le cas d'une LDA, si on veut tourner un cône excentré, il faut aligner l'axe théorique du cône à obtenir avec celui de la broche (on déplace le montage d'usinage de la valeur de l'excentration/ à l'axe du tour (pointu de la contre-pointe).
Le BRUT étant une barre cylindrique, on la voit tourner en faux rond.
Au début de l'usinage du cône, l'outil ne touche le BRUT que sur une toute petite partie de sa circonférence (suivant la profondeur de passe choisie).
On poursuit ainsi jusqu'à apparition totale du cône...l'outil frotte alors partout
Le problème sur un cône de LDA c'est que le petit diamètre du cône est à l'intérieur de la barre brute, il faut donc commencer 'pleine matière'.
Vient aussi le problème inérant à la réalisation de tous les cônes: la profondeur de passe n'est pas constante comme sur un cylindre car la trajectoire de l'outil n'est pas parallèle à l'axe du tour bref, réalisation assez délicate je pense
A+
La solution vient d'un "faux plateau" que l'on monte sur ledit mandrin.kebir31 a écrit :il suffit de décentrer le mandrin qui tient la pièce, donc l'axe principal tourne "à côté" de l'axe du tour, mais du coup l'axe du cône se retrouve au centre
Ce faux plateau comporte des rainures qui permettent de brider un montage d'usinage (un vé dans ce cas, BRUT = barre cylindrique) dans lequel vient se positionner la pièce BRUTE dans la position souhaitée (exentration par exemple).
Dans le cas d'une LDA, si on veut tourner un cône excentré, il faut aligner l'axe théorique du cône à obtenir avec celui de la broche (on déplace le montage d'usinage de la valeur de l'excentration/ à l'axe du tour (pointu de la contre-pointe).
Le BRUT étant une barre cylindrique, on la voit tourner en faux rond.
Au début de l'usinage du cône, l'outil ne touche le BRUT que sur une toute petite partie de sa circonférence (suivant la profondeur de passe choisie).
On poursuit ainsi jusqu'à apparition totale du cône...l'outil frotte alors partout
Le problème sur un cône de LDA c'est que le petit diamètre du cône est à l'intérieur de la barre brute, il faut donc commencer 'pleine matière'.
Vient aussi le problème inérant à la réalisation de tous les cônes: la profondeur de passe n'est pas constante comme sur un cylindre car la trajectoire de l'outil n'est pas parallèle à l'axe du tour bref, réalisation assez délicate je pense
Gratter la botte ne soulage guère quand ça démange à l'intérieur (proverbe chinois)
Re: Pompe Bosch VE : cône LDA
Salut à tous,
le cone que vous chechez tant fait partis d'un kit connus sous plusieurs nom:pap mal,ruggierri ou art technologie......pour un prix de 600€ hors frais de pose!!!!
le meme kit:membrane,ressort et LDA 75H se vend 100€ hors frais de pose.il vient du meme endroit que les dites marques.le kit est valable pour tout les moteurs équipés de pompe bosch VE.
voili,voilou....tout est dit
pour ce qui est du plan du cone,le tourner ce n'est rien.....le plus dur c'est le traitement thermique.
MP pour les interressés
a+ dan
le cone que vous chechez tant fait partis d'un kit connus sous plusieurs nom:pap mal,ruggierri ou art technologie......pour un prix de 600€ hors frais de pose!!!!
le meme kit:membrane,ressort et LDA 75H se vend 100€ hors frais de pose.il vient du meme endroit que les dites marques.le kit est valable pour tout les moteurs équipés de pompe bosch VE.
voili,voilou....tout est dit
pour ce qui est du plan du cone,le tourner ce n'est rien.....le plus dur c'est le traitement thermique.
MP pour les interressés
a+ dan