Clignotant AR D Disco TDI 300 1998
Règles du forum
En naviguant sur le site http://www.landroverfaq.com vous reconnaissez avoir lu ses Conditions d’Utilisation, vous déclarez les comprendre et vous acceptez d’y être lié de manière inconditionnelle. Si tel n'est pas le cas, merci de quitter immédiatement ce site.
Vous pouvez joindre autant d'images que nécessaire à vos messages A LA CONDITION EXPRESSE d'utiliser l'hébergement fourni par le site.
L'administrateur effacera systématiquement tout message contenant des photos hébergées chez Imageschack, Casimage, Wistiti ou tout autre hébergeur tiers sans sommation ni justification.
En naviguant sur le site http://www.landroverfaq.com vous reconnaissez avoir lu ses Conditions d’Utilisation, vous déclarez les comprendre et vous acceptez d’y être lié de manière inconditionnelle. Si tel n'est pas le cas, merci de quitter immédiatement ce site.
Vous pouvez joindre autant d'images que nécessaire à vos messages A LA CONDITION EXPRESSE d'utiliser l'hébergement fourni par le site.
L'administrateur effacera systématiquement tout message contenant des photos hébergées chez Imageschack, Casimage, Wistiti ou tout autre hébergeur tiers sans sommation ni justification.
-
RR VM 1992
Feu position AR et code gauche Disco TDI 300 1998
Fusibles bons, ampoules bonnes je sèche !
Une idée ?
Une idée ?
-
RR VM 1992
Feu position AR et code gauche Disco TDI 300 1998
Fusibles bons, ampoules bonnes (vérifiées avec une batterie) je sèche !
Une idée ?
Une idée ?
-
RR VM 1992
Disco TDI 300 1998 Tout refonctionne mais j'ignore totalement pourquoi !
Bon après avoir :
- changé la totalité des fusibles par des neufs 5 A plus forts,
- changé les deux ampoules (qui pourtant étaient bonnes),
- débranché la batterie et donner un coup de clé pour vider les mémoires (comme pour les SUV modernes),
- réinitialiser l'alarme (sur celui-là elle était pas shuntée) en appuyant 4 fois sur le bouton ouvrir.
Tout refonctionne (code et veilleuse gauche) mais j'ignore totalement pourquoi !
- changé la totalité des fusibles par des neufs 5 A plus forts,
- changé les deux ampoules (qui pourtant étaient bonnes),
- débranché la batterie et donner un coup de clé pour vider les mémoires (comme pour les SUV modernes),
- réinitialiser l'alarme (sur celui-là elle était pas shuntée) en appuyant 4 fois sur le bouton ouvrir.
Tout refonctionne (code et veilleuse gauche) mais j'ignore totalement pourquoi !
Re: Disco TDI 300 1998 Tout refonctionne mais j'ignore totalement pourquoi !
Sur un Disco 300 je ne pense pas qu'il y ait des boitiers électroniques dans le circuit électrique des feux. Pour les fusibles tu es bon pour remettre le bon ampérage, il y avait peut être un mauvais contact, voire un fusible positionné au mauvais emplacement, mais en tout cas ce n'est pas en mettant plus fort que ça change quelque chose, simplement en cas de problème il faudra un courant plus fort pour le griller et donc une surcharge supplémentaire au circuit qu'il doit protéger. Les ampoules un faux contact dans les douilles? L'alarme, normalement pas en lien avec les phares, seulement les clignotants pour matérialise l'enclenchement / retrait de l'alarme et pour signaler visuellement le véhicule où l'alarme est déclenchée Enfin content que ça remarche c'est toujours embêtant ces pannes à la c*nRR VM 1992 a écrit : 11/11/2021 13:16 Bon après avoir :
- changé la totalité des fusibles par des neufs 5 A plus forts,
- changé les deux ampoules (qui pourtant étaient bonnes),
- débranché la batterie et donner un coup de clé pour vider les mémoires (comme pour les SUV modernes),
- réinitialiser l'alarme (sur celui-là elle était pas shuntée) en appuyant 4 fois sur le bouton ouvrir.
Tout refonctionne (code et veilleuse gauche) mais j'ignore totalement pourquoi !![]()
-
RR VM 1992
Re: Clignotant AR D Disco TDI 300 1998
Ce qui n'est pas le cas des lève-vitres électriques qui ont un boitier '''ECU'' :
Avec toutes ces investigations hasardeuses j'ai quand même découvert un fusible (entouré en violet) qui protège la prise remorque ; mais son remplacement par un neuf n'avait rien donné ; d'où le remplacement total des fusibles, des ampoules et la réinitialisation effectuée.
Photo appartenant très probablement à LOLO qui a bien mis en évidence ce fusible dans l'autre post viewtopic.php?p=116715#p116715 où l'on y voit l'unité multifonction MFU Z148 (réf. AMR5360) :
Unité qui pourrait bien servir à un ''auto-diagnostic'' si j'en croit les forums anglais tel que : https://www.lrukforums.com/threads/disc ... cs.256986/ et : https://www.landroversonly.com/threads/mfu.19428/
1) appuyez sur le bouton des feux de brouillard arrière et laissez-le enfoncé
2) tourner la clé pour contacter
3) retirez votre doigt du bouton de brouillard.
4) chaque contact "entrée" répondra par un "bip"
5) lorsque vous appuyez sur le bouton de brouillard, le boitier MFU exécute chaque "sortie".
Bref le fait de débrancher ma batterie a-t-il réinitialisé ce truc ?
Evidement vu mes compétences je n'irais pas plus loin dans la compréhension de ce ''diag'' schématisé là : https://zinref.ru/avtomobili/Land_Rover ... sh/047.htm
qui nous apprend que le Disco 300 TDI est une caisse moderne.... où la disqueuse est proscrite pour réparer le faisceau électrique 
Avec toutes ces investigations hasardeuses j'ai quand même découvert un fusible (entouré en violet) qui protège la prise remorque ; mais son remplacement par un neuf n'avait rien donné ; d'où le remplacement total des fusibles, des ampoules et la réinitialisation effectuée.
Photo appartenant très probablement à LOLO qui a bien mis en évidence ce fusible dans l'autre post viewtopic.php?p=116715#p116715 où l'on y voit l'unité multifonction MFU Z148 (réf. AMR5360) :
Unité qui pourrait bien servir à un ''auto-diagnostic'' si j'en croit les forums anglais tel que : https://www.lrukforums.com/threads/disc ... cs.256986/ et : https://www.landroversonly.com/threads/mfu.19428/
1) appuyez sur le bouton des feux de brouillard arrière et laissez-le enfoncé
2) tourner la clé pour contacter
3) retirez votre doigt du bouton de brouillard.
4) chaque contact "entrée" répondra par un "bip"
5) lorsque vous appuyez sur le bouton de brouillard, le boitier MFU exécute chaque "sortie".
Bref le fait de débrancher ma batterie a-t-il réinitialisé ce truc ?
Evidement vu mes compétences je n'irais pas plus loin dans la compréhension de ce ''diag'' schématisé là : https://zinref.ru/avtomobili/Land_Rover ... sh/047.htm
- LØLØ
- Modérateur
- Messages : 6209
- Enregistré le : 30/07/2006 15:41
- Localisation : guainville (28 )
- Contact :
Re: Clignotant AR D Disco TDI 300 1998
Salut,
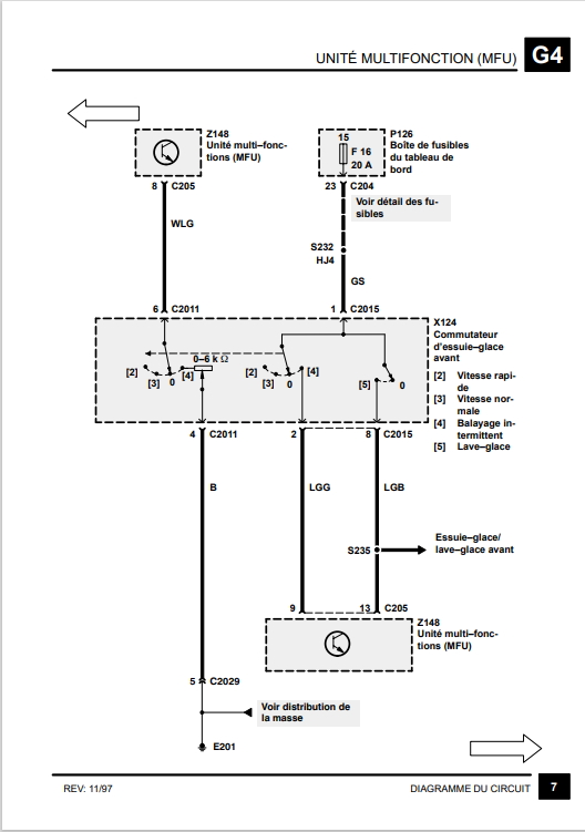
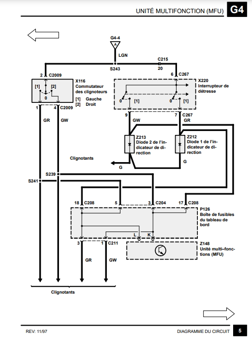
Une version française de la description de l'unité multifonction qui remplace en gros tout ce qui est temporisation ou séquencement sur le land. Avec ce descriptif il y a 17 petits schémas comme celui là, où l'on peut voir le rôle de ce petit module électronique symbolisé par un transistor. Dans le cas des clignotants ou des warning, il va avoir le rôle de la centrale pour cadencer le clignotement. Ce qui effectivement en cas de problème sur les clignotants, cela peut vite devenir très difficile à résoudre, car pas facilement interchangeable, comme on pourrait le faire avec un petit relais de centrale clignotante,traditionnel. Ou celui là ou l'on peut voir que les vitesses des essuies glace dépendent de ce module : Ou encore la gestion de l'allumage et de l'extinction progressive des plafonniers : Bref, tout ça cela peut paraitre un peu NAS... Mais non, mais non, c'est bien de chez nous...
A+
NB :
NAS = Nord América Spécification...
Une version française de la description de l'unité multifonction qui remplace en gros tout ce qui est temporisation ou séquencement sur le land. Avec ce descriptif il y a 17 petits schémas comme celui là, où l'on peut voir le rôle de ce petit module électronique symbolisé par un transistor. Dans le cas des clignotants ou des warning, il va avoir le rôle de la centrale pour cadencer le clignotement. Ce qui effectivement en cas de problème sur les clignotants, cela peut vite devenir très difficile à résoudre, car pas facilement interchangeable, comme on pourrait le faire avec un petit relais de centrale clignotante,traditionnel. Ou celui là ou l'on peut voir que les vitesses des essuies glace dépendent de ce module : Ou encore la gestion de l'allumage et de l'extinction progressive des plafonniers : Bref, tout ça cela peut paraitre un peu NAS... Mais non, mais non, c'est bien de chez nous...
A+
NB :
NAS = Nord América Spécification...
2 solutions: la bonne et l'Anglaise
LUCAS: Il n'y a pas de contact où il le faut et il y en a un où il ne faut pas
On ne peut aller loin en amitié, si on n'est pas disposé à se pardonner les uns aux autres les petits défauts.
www.eternal-vehicles.fr
LUCAS: Il n'y a pas de contact où il le faut et il y en a un où il ne faut pas
On ne peut aller loin en amitié, si on n'est pas disposé à se pardonner les uns aux autres les petits défauts.
www.eternal-vehicles.fr
-
RR VM 1992
Unité multifonction MFU Z148 (réf. AMR5360) Disco TDI 300 1998
Merci pour cet éclairage pertinent qui confirme qu'un 300 TDI est déjà un véhicule moderne
et qu'y faire des bidouilles en aveugle sans compétence (mon cas) peut-être dangereux !