Salut,
Les schémas des veilleuses correspondant plus aux schémas du disco de 97. On peut y voir que apparemment, si les veilleuses de parechoc fonctionnent, à priori, celles des blocs feux devraient également fonctionner
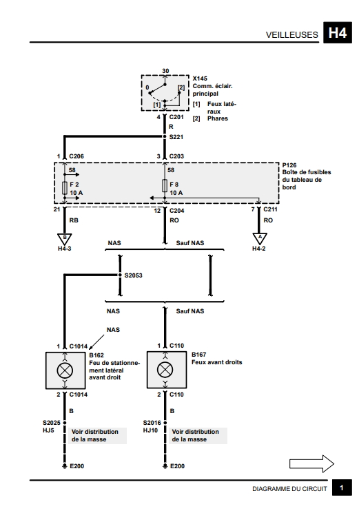
1) Avant Droit :
On peut aussi voir que comme il n'y a qu'une masse pour toutes les ampoules d'un même bloc, il y aurait également un problème sur les autres feux. Les stops fonctionnant correctement on écarte l'hypothèse sur les masses.
2) Coté Arrière Droit :
3) Avant gauche :
4) Cotè arrière Gauche :
Il faudrait contrôler qu'au niveau des connecteurs C406 et C403, qu''il y est bien une tension de 12 V quand on allume les veilleuses, entre les broches 3 et la masse
Le schéma des feux arrière est plus simple que la réalité des pistes métallique des platines de ces blocs feux. Bien sur il y a des petites erreurs sur les schémas comme d'habitude, mais ça on commence à maitriser...
Vérifie également à l’ohmmètre, la liaison entre les broches 3 des connecteurs et le plot ou vient se brancher la douille de l'ampoule de la veilleuse.
Mais bon la vie n'étant pas un long fleuve tranquille, pourquoi faire compliquer quand on peut faire simple, pour en revenir a ma première intervention, enlève le connecteur du bloc et vérifie si tu as la broche 3 du connecteur.
Apparemment, ce n'est pas le cas sur tous les 300 mais cela elle y serait sur tout les bloc feux des 200. Donc un avantage car les veilleuses de parechoc des 300 sont soumis a rudes épreuves.
A+
NB :
Ze.Fifi a écrit :As tu un voltmètre? Une lampe témoin? La RTA ou un documentation technique avec le schéma électrique?
Alors ? Monsieur Ben452
