Problème clignotant

Bidouillages électriques, codes d'erreur ECU...

Modérateurs : LØLØ, The Pater

Règles du forum
En naviguant sur le site http://www.landroverfaq.com vous reconnaissez avoir lu ses Conditions d’Utilisation, vous déclarez les comprendre et vous acceptez d’y être lié de manière inconditionnelle. Si tel n'est pas le cas, merci de quitter immédiatement ce site.

Vous pouvez joindre autant d'images que nécessaire à vos messages A LA CONDITION EXPRESSE d'utiliser l'hébergement fourni par le site.

L'administrateur effacera systématiquement tout message contenant des photos hébergées chez Imageschack, Casimage, Wistiti ou tout autre hébergeur tiers sans sommation ni justification.
Répondre
Avatar du membre
Antho
Habitué
Messages : 191
Enregistré le : 26/11/2007 19:21
Localisation : Septeme 38

Problème clignotant

Message non lu par Antho »

Bonjour à tous

J'ai un gros souci avec mes clignotants et mes warnings.
Il marche que de temps en temps sans savoir pourquoi.
J'ai changer le bouton de warning (central) en pensant que le souci venait de la, car quand je tape dessus avec le doigt il se mette à marcher quelques second.
Je me demande de plus en plus si le problème ne viendrais pas d'autre part (commodo).
J'ai essayé avec le bouton de mon 110 qui lui avait les clignotant qui marchait, le bouton est devenu tout chaud et depuis ça ne marche plus sur le 110 non plus.
Au tableaux de bord quand ça marche c'est la remorque qui clignote une fois sur deux.
Qu'en pensez vous ?
Moi je m'arrache les cheveux.

P.S. J'ai supprimé les répétiteur d'aile, mais ça déconnait déjà avant.
Avatar du membre
Antho
Habitué
Messages : 191
Enregistré le : 26/11/2007 19:21
Localisation : Septeme 38

Re: Problème clignotant

Message non lu par Antho »

Autre question :

Il y a t'il un sens de branchement des deux petites cosses qui viennent de chaque coté du bouton de warning ?
Personne aurait le schéma de câblage des clignotants et des warnings ?

Merci
big109
Habitué
Messages : 172
Enregistré le : 20/06/2008 8:20
Localisation : Vaucluse Nord

Re: Problème clignotant

Message non lu par big109 »

test ton contacteur a ohmmètre et ton commodo aussi
ta centrale clignotante est -elle propre (sur un def elle se remplissait d'eau a chaque orage !!)

sur quoi tu tape pour que cela re-fonctionne?? :mrgreen:
Avatar du membre
Antho
Habitué
Messages : 191
Enregistré le : 26/11/2007 19:21
Localisation : Septeme 38

Re: Problème clignotant

Message non lu par Antho »

big109 a écrit :test ton contacteur a ohmmètre et ton commodo aussi
ta centrale clignotante est -elle propre (sur un def elle se remplissait d'eau a chaque orage !!)

sur quoi tu tape pour que cela re-fonctionne?? :mrgreen:
J'aimerais tester les différent composant (commodo, contacteur à ohmmètre et central) mais je ne sais pas comment procéder.
Qui pourrait m'expliquer comment tester tout ça avec un multimètres ?
Je tape sur le bouton de warning mais ça ne marche que quelque second et mal !
Avatar du membre
The Pater
Modérateur
Messages : 13957
Enregistré le : 25/08/2004 8:19
Localisation : 06°27'46"E 45°50'29"N

Re: Problème clignotant

Message non lu par The Pater »

Antho a écrit : Je tape sur le bouton de warning mais ça ne marche que quelque second et mal !
Commence a démonter le contacteur des warning, nettoie les les broches et reconnecte et vérifie le fonctionnement.

Il existe des nettoyants à contact sous forme d'aérosol. C'est un produit nécessaire avec une véhicule prenant de l'age.


Je n'ai pas ici le schéma électrique pour pouvoir t'aider.

A+
Ingénieur :
Personne faisant un travail divinatoire de précision basé sur des informations peu fiables données par des personnes peu qualifiées, voire ignorantes.
=>, magicien, devin, sorcier
Avatar du membre
Antho
Habitué
Messages : 191
Enregistré le : 26/11/2007 19:21
Localisation : Septeme 38

Re: Problème clignotant

Message non lu par Antho »

The Pater a écrit :
Antho a écrit : Je tape sur le bouton de warning mais ça ne marche que quelque second et mal !
Commence a démonter le contacteur des warning, nettoie les les broches et reconnecte et vérifie le fonctionnement.

Il existe des nettoyants à contact sous forme d'aérosol. C'est un produit nécessaire avec une véhicule prenant de l'age.


Je n'ai pas ici le schéma électrique pour pouvoir t'aider.

A+
Le bouton de warning marchait très bien sur mon 110 et j'ai essayé aussi avec un neuf, mais ça na pas résolu mon souci ! :(
Avatar du membre
The Pater
Modérateur
Messages : 13957
Enregistré le : 25/08/2004 8:19
Localisation : 06°27'46"E 45°50'29"N

Re: Problème clignotant

Message non lu par The Pater »

Antho a écrit : Le bouton de warning marchait très bien sur mon 110 et j'ai essayé aussi avec un neuf, mais ça na pas résolu mon souci ! :(
Certes, mais as tu nettoyé les broches, pas uniquement sur le bouton, mais aussi sur les parties femelles ?

A+
Ingénieur :
Personne faisant un travail divinatoire de précision basé sur des informations peu fiables données par des personnes peu qualifiées, voire ignorantes.
=>, magicien, devin, sorcier
Avatar du membre
Antho
Habitué
Messages : 191
Enregistré le : 26/11/2007 19:21
Localisation : Septeme 38

Re: Problème clignotant

Message non lu par Antho »

The Pater a écrit :
Antho a écrit : Le bouton de warning marchait très bien sur mon 110 et j'ai essayé aussi avec un neuf, mais ça na pas résolu mon souci ! :(
Certes, mais as tu nettoyé les broches, pas uniquement sur le bouton, mais aussi sur les parties femelles ?

A+
J'avais mit du WD40 car je n'avais que ça, et c'était pas mieux ! :?
Avatar du membre
The Pater
Modérateur
Messages : 13957
Enregistré le : 25/08/2004 8:19
Localisation : 06°27'46"E 45°50'29"N

Re: Problème clignotant

Message non lu par The Pater »

Antho a écrit : J'avais mit du WD40 car je n'avais que ça, et c'était pas mieux ! :?
Cela ne nettoie pas les contacts électrique.....

Je pense que cela tombe mal, que tu poses ta question pendant que ceux qui seraient le plus à même de répondre sont en vacances.

A+
Ingénieur :
Personne faisant un travail divinatoire de précision basé sur des informations peu fiables données par des personnes peu qualifiées, voire ignorantes.
=>, magicien, devin, sorcier
Avatar du membre
Antho
Habitué
Messages : 191
Enregistré le : 26/11/2007 19:21
Localisation : Septeme 38

Re: Problème clignotant

Message non lu par Antho »

The Pater a écrit :
Antho a écrit : J'avais mit du WD40 car je n'avais que ça, et c'était pas mieux ! :?
Cela ne nettoie pas les contacts électrique.....

Je pense que cela tombe mal, que tu poses ta question pendant que ceux qui seraient le plus à même de répondre sont en vacances.

A+
C'est pas très pressé, je vais être en vacance aussi.
Je vais attendre que les As de l'électricité rentre de vacance. :wink:
Avatar du membre
torero
Habitué
Messages : 2521
Enregistré le : 26/07/2004 14:49
Localisation : Poulx 30

Re: Problème clignotant

Message non lu par torero »

Salut!
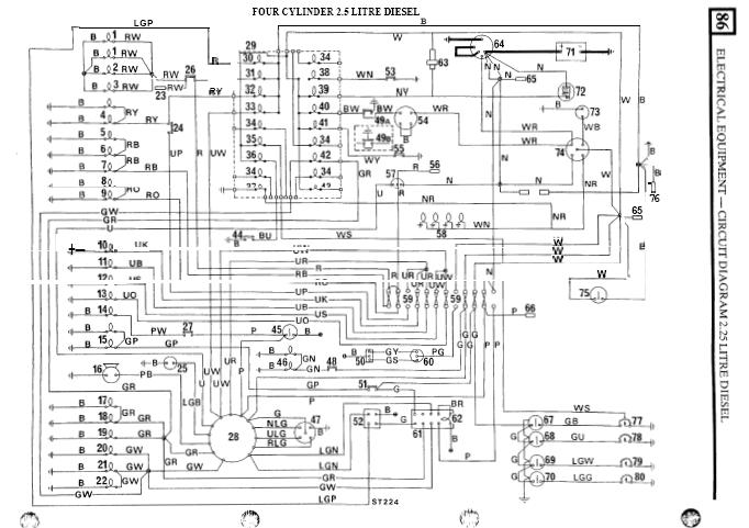
Je suppose que ton Def est un td.J'ai le schéma d'un 2.5 atmo si ça peut t'aider.
2.5 atmo 1.JPG
2.5 atmo 2.JPG
" Quand le sage montre la lune; l'idiot regarde son doigt "
Avatar du membre
Antho
Habitué
Messages : 191
Enregistré le : 26/11/2007 19:21
Localisation : Septeme 38

Re: Problème clignotant

Message non lu par Antho »

Je viens d'y passer toute la matinée et il n'y a rien a faire, j'ai rien qui marche correctement !

Personne n'a une idée d'où peut venir mon problème ?
Comment tester que le jus et que la masse soit bonne au niveau de la central ?

Merci
Avatar du membre
Antho
Habitué
Messages : 191
Enregistré le : 26/11/2007 19:21
Localisation : Septeme 38

Re: Problème clignotant

Message non lu par Antho »

J'avais un fusible de 15 A pour les warnings au lieu de 17 préconisé par LR !
Il faisait que craquer, j'ai donc mit un 20 A (j'ai pas de 17 A) et la ça à marcher mais le bouton de warning et le fusible sont devenue brulant.
Cela pourrait il venir de mes ampoules qui sont trop puissante ?
Autre précision j'ai supprimer mes répétiteur de clignotant sur les ailes, cela pourrait il avoir une influence sur mon souci ?
Merci
Avatar du membre
Antho
Habitué
Messages : 191
Enregistré le : 26/11/2007 19:21
Localisation : Septeme 38

Re: Problème clignotant

Message non lu par Antho »

C'est bon ça marche presque !

j'ai trouvé mon souci, en faite quand j'ai refait mon câblage des clignotants, j'ai inverser la masse et le plus sur une cosse du cligno.
Du coup ça me fondait les central et me faisait péter les fusibles.

Par contre vue que j'ai viré les répétiteur j'ai les clignos qui clignote vite.
Je pense qu'il faut donc que j'achète une central qui corresponde a mon installation actuel. c'est ça ?
Ou trouver ce genre de central ?

Merci
Avatar du membre
Feub
Habitué
Messages : 3928
Enregistré le : 25/11/2004 11:29
Localisation : Saint Jean la Bussière

Re: Problème clignotant

Message non lu par Feub »

Ou tu mets une ampoule en plus planquée quelque part... :wink:
Répondre

Retourner vers « Electricité • Electronique »