Référence de cloisons latérales de coffre Discovery 1 ?

Bidouilles & bricolages qui facilitent la vie...

Modérateurs : LØLØ, The Pater

Règles du forum
En naviguant sur le site http://www.landroverfaq.com vous reconnaissez avoir lu ses Conditions d’Utilisation, vous déclarez les comprendre et vous acceptez d’y être lié de manière inconditionnelle. Si tel n'est pas le cas, merci de quitter immédiatement ce site.

Vous pouvez joindre autant d'images que nécessaire à vos messages A LA CONDITION EXPRESSE d'utiliser l'hébergement fourni par le site.

L'administrateur effacera systématiquement tout message contenant des photos hébergées chez Imageschack, Casimage, Wistiti ou tout autre hébergeur tiers sans sommation ni justification.
Répondre
RR VM 1992

Référence de cloisons latérales de coffre Discovery 1 ?

Message non lu par RR VM 1992 »

Bonjour à tous,

Je cherche la référence des cloisons latérales de coffre Discovery 1 (pas vu sur Microcat) :idea:

Ces cloisons se montent à la place des strapontins (aménagement trouvé sur un Discovery 300 TDI KILLY de Décembre 1998 qui avait des strapontins)

Cet accessoire était proposé par Land Rover à l'époque :!:

:wink:

En photo :
Séparation_Coffre-Disco_d.jpg
Séparation.jpg
RR VM 1992

Re: Référence de cloisons latérales de coffre Discovery 1 ?

Message non lu par RR VM 1992 »

La vue de dessus de ce petit coffre (renforcé avec une latte en bois car fragile comme la plupart des plastiques Land rover) coté gauche :
Vue-dessus.jpg

Le bac de coffre de ce KILLY est un accessoire intéressant pour les chasseurs (ou transport d'animaux de compagnie ou gibiers) car étanche :
Séparation_Coffre-Disco_resized.jpg
RR VM 1992

Re: Référence de cloisons latérales de coffre Discovery 1 ?

Message non lu par RR VM 1992 »

RR VM 1992 a écrit :.../....

Le bac de coffre de ce KILLY est un accessoire intéressant pour les chasseurs (ou transport d'animaux de compagnie ou gibiers) car étanche :

Séparation_Coffre-Disco_resized.jpg
A défaut de trouver la référence des cloisons :sm1: j'ai trouvé celle du bac de coffre :

PART NUMBER: DA4183

Visible par exemple ici :

http://www.paddockspares.com/da4183-loa ... ery-1.html

La photo montre bien par ailleurs les deux cloisons de coffre recherchées :wink:
Avatar du membre
LØLØ
Modérateur
Messages : 6206
Enregistré le : 30/07/2006 15:41
Localisation : guainville (28 )
Contact :

Re: Référence de cloisons latérales de coffre Discovery 1 ?

Message non lu par LØLØ »

Salut,
RR VM 1992 a écrit : Je cherche la référence des cloisons latérales de coffre Discovery 1 (pas vu sur Microcat) :idea:
Pourtant on le trouve sur microcat, avec plein de couleurs différentes. :wink:
panneau base de siège ar disco.jpg
En tapant une référence prise au hasard dans le lot: ENA100070SUC on la trouve chez BRITCAR, mais plus disponible chez Craddock ou LRdirect. :|
A+
2 solutions: la bonne et l'Anglaise
LUCAS: Il n'y a pas de contact où il le faut et il y en a un où il ne faut pas
On ne peut aller loin en amitié, si on n'est pas disposé à se pardonner les uns aux autres les petits défauts.
www.eternal-vehicles.fr
RR VM 1992

Merci !

Message non lu par RR VM 1992 »

Super génial ! :sm2:

Pour compléter ce post attention les références des Disco 200 et 300TDI ne sont pas les mêmes :

MXC6738SUC : Garnissage Arrière Droit ou Gauche du Coffre couleur BEIGE BAHAMA Monté jusqu'en 1994 ( jusqu'au n° de série SALL ... LA 081 990)

ENA100070SUC : Garnissage Arrière Gauche couleur BEIGE BAHAMA 300 TDI

ENA100060SUC : Garnissage Arrière Droit couleur BEIGE BAHAMA 300 TDI

Les dealers ne se battent pas pour les proposer ; un français les propose à un prix raisonnable toutefois :

https://www.land-service.com/2237-discovery-1-tdi-300


:wink:

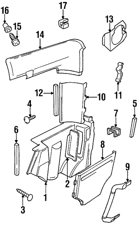
Eclaté pour le 200 TDI (symétrie des cloisons G ou D) :
MXC6738SUC.png
Répondre

Retourner vers « Améliorations • Aménagements • Accessoires »