Bonjour à mes nouveaux amis landiste,
Je possède un def 110 de 2010 que j’utilise surtout pour voyager et nous sommes actuellement en Ouzbékistan. Je me réfère souvent aux bons conseils de votre forum mais je me suis inscrit hier car je n’ai trouvé la réponse à mon problème du moment:
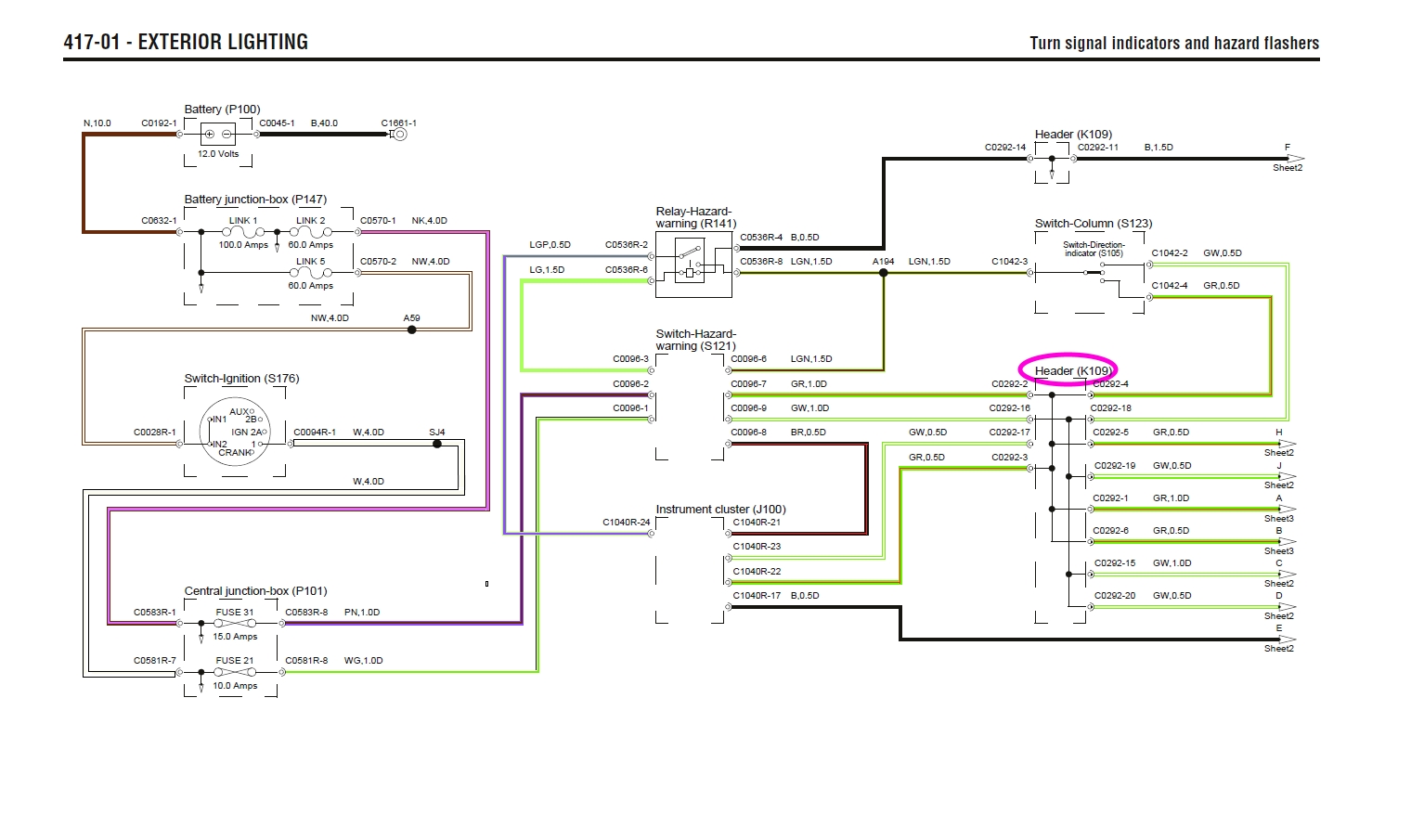
Hier démarrage parfait et première partie de la route sans problème, à un moment j’ai constaté que mes clignotants ne marchaient plus. Ce n’était pas trop grave et je me suis dit que j’allais vérifier le fusible ou que le relais était hs, embêtant mais pas grave.
Arrivé à Boukhara je verrouille la voiture avec la télécommande sans problème sauf que les clignotants n’ont pas marqué la fermeture.
Lorsque je l’ai ouvert à nouveau avec la télécommande, la voiture c’est ouverte mais l’alarme c’est mise à sonner. Après 3 cycles de qq secondes elle c’est arrêté. Mise en route moteur OK.
J’ai refermé les portes avec la clé sans utiliser la télécommande et donc sans réarmer l’alarme. Ce matin ouverture avec la clé et dès que j’ai mis la clé dans le contact l’alarme a de nouveau sonné mais le moteur à démarré et après 30 s l’alarme c’est arrêté.
Donc en l’état je peux rouler mais il ne faudrait pas que ça se dégrade plus et me lancer dans des pays comme le Turkmenistan et l’Iran ou je n’ai aucune chance d’assistance m’inquiète un peu.
Si quelqu’un à connu les mêmes symptômes peut-il me dire si ça c’est aggravé dans le temps?
Si je désarme l’alarme avec la procédure de la clé et du code de secours est-ce que cela désarme l’alarme et l’anti-démarrage et cela jusqu’à un réarmement par la télécommande ?
Merci d’avance pour votre aide
Une très belle journée à vous tous
MarcB
Problème alarme def td4
Règles du forum
En naviguant sur le site http://www.landroverfaq.com vous reconnaissez avoir lu ses Conditions d’Utilisation, vous déclarez les comprendre et vous acceptez d’y être lié de manière inconditionnelle. Si tel n'est pas le cas, merci de quitter immédiatement ce site.
Vous pouvez joindre autant d'images que nécessaire à vos messages A LA CONDITION EXPRESSE d'utiliser l'hébergement fourni par le site.
L'administrateur effacera systématiquement tout message contenant des photos hébergées chez Imageschack, Casimage, Wistiti ou tout autre hébergeur tiers sans sommation ni justification.
En naviguant sur le site http://www.landroverfaq.com vous reconnaissez avoir lu ses Conditions d’Utilisation, vous déclarez les comprendre et vous acceptez d’y être lié de manière inconditionnelle. Si tel n'est pas le cas, merci de quitter immédiatement ce site.
Vous pouvez joindre autant d'images que nécessaire à vos messages A LA CONDITION EXPRESSE d'utiliser l'hébergement fourni par le site.
L'administrateur effacera systématiquement tout message contenant des photos hébergées chez Imageschack, Casimage, Wistiti ou tout autre hébergeur tiers sans sommation ni justification.
- The Pater
- Modérateur
- Messages : 13979
- Enregistré le : 25/08/2004 8:19
- Localisation : 06°27'46"E 45°50'29"N
Re: Problème alarme def td4
Je contre le fait de donner des informations sur comment arrêter l'alarme et/ou annuler l'anti démarrage.
Désolé pour toi si tu es vraiment dans cette situation, mais je suis soupçonneux, surtout qu'une affaire que les anciens qui trainent aussi sur Landmania se rappelleront (le Td5 en Mongolie) me semble bien m'avoir donné raison.
Je ferme pour l'instant.
A+
Désolé pour toi si tu es vraiment dans cette situation, mais je suis soupçonneux, surtout qu'une affaire que les anciens qui trainent aussi sur Landmania se rappelleront (le Td5 en Mongolie) me semble bien m'avoir donné raison.
Je ferme pour l'instant.
A+
Ingénieur :
Personne faisant un travail divinatoire de précision basé sur des informations peu fiables données par des personnes peu qualifiées, voire ignorantes.
=>, magicien, devin, sorcier
Personne faisant un travail divinatoire de précision basé sur des informations peu fiables données par des personnes peu qualifiées, voire ignorantes.
=>, magicien, devin, sorcier
- LØLØ
- Modérateur
- Messages : 6209
- Enregistré le : 30/07/2006 15:41
- Localisation : guainville (28 )
- Contact :
Re: Problème alarme def td4
Salut, bievenueMarcB a écrit : Si quelqu’un à connu les mêmes symptômes peut-il me dire si ça c’est aggravé dans le temps?
Dans un premier temps, vérifie l'état des contacteurs de portes et de capot, il est possible que l'un d'entre eux est en défaut. Pour les clignotants contrôle les fusibles, le bouton de warning, la centrale, le support de la centrale...
1) 2) 3) A+
2 solutions: la bonne et l'Anglaise
LUCAS: Il n'y a pas de contact où il le faut et il y en a un où il ne faut pas
On ne peut aller loin en amitié, si on n'est pas disposé à se pardonner les uns aux autres les petits défauts.
www.eternal-vehicles.fr
LUCAS: Il n'y a pas de contact où il le faut et il y en a un où il ne faut pas
On ne peut aller loin en amitié, si on n'est pas disposé à se pardonner les uns aux autres les petits défauts.
www.eternal-vehicles.fr