Clignotant AR D Disco TDI 300 1998
Règles du forum
En naviguant sur le site http://www.landroverfaq.com vous reconnaissez avoir lu ses Conditions d’Utilisation, vous déclarez les comprendre et vous acceptez d’y être lié de manière inconditionnelle. Si tel n'est pas le cas, merci de quitter immédiatement ce site.
Vous pouvez joindre autant d'images que nécessaire à vos messages A LA CONDITION EXPRESSE d'utiliser l'hébergement fourni par le site.
L'administrateur effacera systématiquement tout message contenant des photos hébergées chez Imageschack, Casimage, Wistiti ou tout autre hébergeur tiers sans sommation ni justification.
En naviguant sur le site http://www.landroverfaq.com vous reconnaissez avoir lu ses Conditions d’Utilisation, vous déclarez les comprendre et vous acceptez d’y être lié de manière inconditionnelle. Si tel n'est pas le cas, merci de quitter immédiatement ce site.
Vous pouvez joindre autant d'images que nécessaire à vos messages A LA CONDITION EXPRESSE d'utiliser l'hébergement fourni par le site.
L'administrateur effacera systématiquement tout message contenant des photos hébergées chez Imageschack, Casimage, Wistiti ou tout autre hébergeur tiers sans sommation ni justification.
Clignotant AR D Disco TDI 300 1998
Bonjour ,
Je crée ce nouveau sujet car un souci est apparu sur le 4x4 , j'ai un clignotant qui ne fonctionne plus alors que lorsque je met les warning il fonctionne impec .
Merci.
Je crée ce nouveau sujet car un souci est apparu sur le 4x4 , j'ai un clignotant qui ne fonctionne plus alors que lorsque je met les warning il fonctionne impec .
Merci.
-
RR VM 1992
Re: Clignotant AR D Disco TDI 300 1998
J'ai eu ce problème car les clignotants sont en plein dans les projections d'eau avec des conséquences diverses ; solution :
- Bien nettoyer et gratter les contacts (surtout les masses)
- Vérifier les cosses voir changer les supports d'ampoule (ils se trouvent facilement)
Le schéma :
L'intérieur du pare-chocs arrière très exposé aux projections :
- Bien nettoyer et gratter les contacts (surtout les masses)
- Vérifier les cosses voir changer les supports d'ampoule (ils se trouvent facilement)
Le schéma :
L'intérieur du pare-chocs arrière très exposé aux projections :
Re: Clignotant AR D Disco TDI 300 1998
aux niveau du clignotant je pense que tout es bon vu qu'en détresse il fonctionne impecRR VM 1992 a écrit : 28/01/2021 17:49 J'ai eu ce problème car les clignotants sont en plein dans les projections d'eau avec des conséquences diverses ; solution :
- Bien nettoyer et gratter les contacts (surtout les masses)
- Vérifier les cosses voir changer les supports d'ampoule (ils se trouvent facilement)
Le schéma :
Feux_AR_Disco_200TDI.PNG
L'intérieur du pare-chocs arrière très exposé aux projections :
Cligno-Feux-AR_DISCO.JPG
d'après ce que j'ai lu aux niveau du boitier de fusible il y a la centrale clignotant (sorte de relai) ,j'aimerai savoir si c'est cela qui fait le clignotement ou c'est un autre composant qui s'en charge (sorte de bilame électronique) et comment le tester.
j'ai aussi lu que derrière le bouton warning il y avait une série de connections ,pour gérer le détresse et clignotant .
J'ai fais des recherche google en anglais ce qui m'a donné quelques indice mais rien de bien précis .
Par contre c'est une panne franche ce qui devrait être plus détectable et intéressant à chercher et à trouver .
Merci pour tes informations
- LØLØ
- Modérateur
- Messages : 6209
- Enregistré le : 30/07/2006 15:41
- Localisation : guainville (28 )
- Contact :
Re: Clignotant AR D Disco TDI 300 1998
Salut,
Si les feux de détresses fonctionnent, on peut éliminer les feux, la centrale, les fusibles et le bouton de warning. Par contre, je regarderai du côté du commodos dont le contact ne se ferait plus du côté incriminé. Débranche son connecteur, et vérifie a l'ohmmètre que les contacts côté gauche et côté droit s'établissent bien en positionnant le levier.
Pour te repérer, avec les couleurs il me semble que se sont les mêmes que sur def :
Vert liseré blanc = clignotant droit
vert liseré rouge = clignotant gauche
vert clair liseré marron = alimentation provenant de la centrale
D'ailleurs, faute d'ohmmètre, tu peux simuler le commodo avec un bout de fil directement sur le connecteur côté faisceau avec le contact mis, ainsi tu pourras être certain du diagnostic, ou presque.
A+
Si les feux de détresses fonctionnent, on peut éliminer les feux, la centrale, les fusibles et le bouton de warning. Par contre, je regarderai du côté du commodos dont le contact ne se ferait plus du côté incriminé. Débranche son connecteur, et vérifie a l'ohmmètre que les contacts côté gauche et côté droit s'établissent bien en positionnant le levier.
Pour te repérer, avec les couleurs il me semble que se sont les mêmes que sur def :
Vert liseré blanc = clignotant droit
vert liseré rouge = clignotant gauche
vert clair liseré marron = alimentation provenant de la centrale
D'ailleurs, faute d'ohmmètre, tu peux simuler le commodo avec un bout de fil directement sur le connecteur côté faisceau avec le contact mis, ainsi tu pourras être certain du diagnostic, ou presque.
A+
2 solutions: la bonne et l'Anglaise
LUCAS: Il n'y a pas de contact où il le faut et il y en a un où il ne faut pas
On ne peut aller loin en amitié, si on n'est pas disposé à se pardonner les uns aux autres les petits défauts.
www.eternal-vehicles.fr
LUCAS: Il n'y a pas de contact où il le faut et il y en a un où il ne faut pas
On ne peut aller loin en amitié, si on n'est pas disposé à se pardonner les uns aux autres les petits défauts.
www.eternal-vehicles.fr
Re: Clignotant AR D Disco TDI 300 1998
Merci , bonne journée,à plus.LØLØ a écrit : 28/01/2021 23:41 Salut,
.................. Par contre, je regarderai du côté du commodos dont le contact ne se ferait plus du côté incriminé. Débranche son connecteur, et vérifie a l'ohmmètre que les contacts côté gauche et côté droit s'établissent bien en positionnant le levier.
....................
Je viens de faire un test aux multimètre 0.35 hom sur un et 0.65 hom sur l'autre directement sur les cosses , avec un fil dénudé directement sur les cosses le clignotant ne fonctionne pas , aux moins le comodo est à écarter ,merci pour l'astuce .
- LØLØ
- Modérateur
- Messages : 6209
- Enregistré le : 30/07/2006 15:41
- Localisation : guainville (28 )
- Contact :
Re: Clignotant AR D Disco TDI 300 1998
Salut,
Je me suis penché sur le schéma, apparemment, il serait possible que si un coté est défaillant, dans certaine condition, il puisse y avoir un retour par le circuit de warning d'un coté sur l'autre.
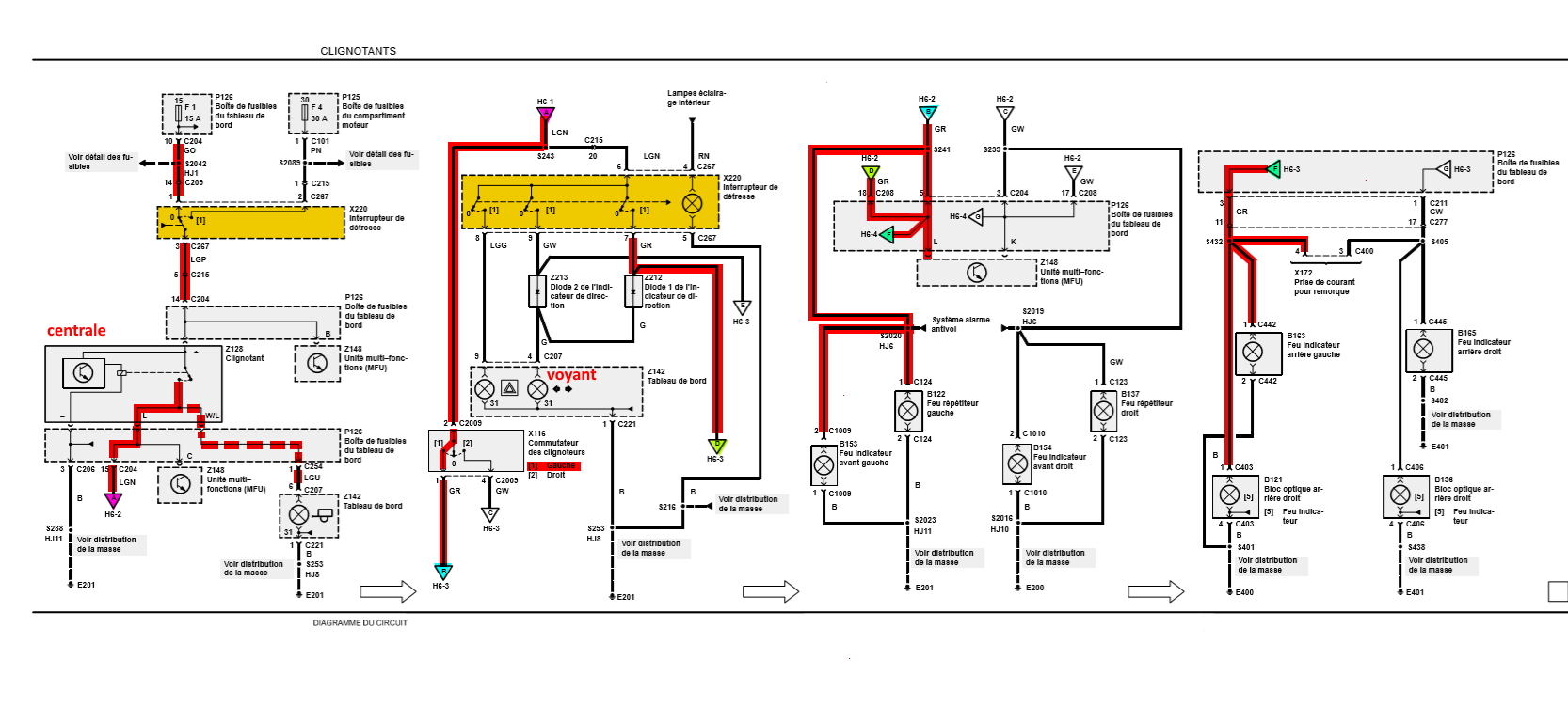
J'ai réuni les 4 schémas des clignotants de disco de 97, je pense que cela doit être valable pour 98 aussi, bien que je ne sois pas un grand spécialiste du modèle.
Avec un peu de couleur pour tracer ce qui se passe lorsque l'on positionne le commodo a gauche position 1, et pour bien identifier certain élément comme le bouton de warning représenté séparé. Tiens d'ailleurs a ce sujet, peux tu nous confirmer le fait, que si on enlève le bouton de warning les clignotants ne sont plus alimentés ? Me confirmer qu'il n'y a qu'un seul voyant de clignotant et que les deux diodes du schéma servent à isoler l'autre coté du circuit, lorsqu'on clignote à gauche, il n'y a pas de retour sur le coté droit par le voyant commun a cause de la diode 2 Z213.
Est ce que ton problème est situé à l'avant et à l'arrière, ou que à l'avant ou que à l'arrière ?
Selon, il faut contrôler la liaison B, ou F, non pas F si les warning fonction sur les 4 cotés, car le bouton de warning réalise les liaisons E et F lorsqu'il est activé.
Contrôle l'épissure S241 aussi.
Car on peut voir que la liaison entre les clignotants avant et l'arrière s'effectue dans le tableau de fusible P126.
On peut voir aussi un truc, "l'unité-multifonctions" (MPU) l'usage de ce truc est un peu mystérieux et en apparence complexe, puisque apparemment plein de fonctions s'y rapportent.
On peut voir aussi le branchement du circuit d'alarme, en S2020 et S2019. Est-ce quelle fonctionne correctement ?
A+
NB:
Je viens de voir dans le titre que c'est le coté droit qui est concerné, et j'ai regardé le coté gauche. Les deux cotés sont symétriques, donc suivre les liaisons : C; E et G la A est commune au deux coté.
Je me suis penché sur le schéma, apparemment, il serait possible que si un coté est défaillant, dans certaine condition, il puisse y avoir un retour par le circuit de warning d'un coté sur l'autre.
J'ai réuni les 4 schémas des clignotants de disco de 97, je pense que cela doit être valable pour 98 aussi, bien que je ne sois pas un grand spécialiste du modèle.
Avec un peu de couleur pour tracer ce qui se passe lorsque l'on positionne le commodo a gauche position 1, et pour bien identifier certain élément comme le bouton de warning représenté séparé. Tiens d'ailleurs a ce sujet, peux tu nous confirmer le fait, que si on enlève le bouton de warning les clignotants ne sont plus alimentés ? Me confirmer qu'il n'y a qu'un seul voyant de clignotant et que les deux diodes du schéma servent à isoler l'autre coté du circuit, lorsqu'on clignote à gauche, il n'y a pas de retour sur le coté droit par le voyant commun a cause de la diode 2 Z213.
Est ce que ton problème est situé à l'avant et à l'arrière, ou que à l'avant ou que à l'arrière ?
Selon, il faut contrôler la liaison B, ou F, non pas F si les warning fonction sur les 4 cotés, car le bouton de warning réalise les liaisons E et F lorsqu'il est activé.
Contrôle l'épissure S241 aussi.
Car on peut voir que la liaison entre les clignotants avant et l'arrière s'effectue dans le tableau de fusible P126.
On peut voir aussi un truc, "l'unité-multifonctions" (MPU) l'usage de ce truc est un peu mystérieux et en apparence complexe, puisque apparemment plein de fonctions s'y rapportent.
On peut voir aussi le branchement du circuit d'alarme, en S2020 et S2019. Est-ce quelle fonctionne correctement ?
A+
NB:
2 solutions: la bonne et l'Anglaise
LUCAS: Il n'y a pas de contact où il le faut et il y en a un où il ne faut pas
On ne peut aller loin en amitié, si on n'est pas disposé à se pardonner les uns aux autres les petits défauts.
www.eternal-vehicles.fr
LUCAS: Il n'y a pas de contact où il le faut et il y en a un où il ne faut pas
On ne peut aller loin en amitié, si on n'est pas disposé à se pardonner les uns aux autres les petits défauts.
www.eternal-vehicles.fr
-
RR VM 1992
Re: Clignotant AR D Disco TDI 300 1998
Bravo pour l'analyse !LØLØ a écrit : 30/01/2021 1:09 .../.... disco de 97, je pense que cela doit être valable pour 98 aussi, bien que je ne sois pas un grand spécialiste du modèle..../.....
J'ai un disco de 1998 et malheureusement il a plein de trucs inutiles par rapport aux autres version de 96-97 :
- 2 airbag
- ABS
- feu stop sur la vitre AR
- et de la tripaille électronique partout
Bref ce qui était en option sur les autres (ou comme sur les ES) est en série sur les 98 qui ressemblent déjà à une transition vers le TD5
On attend de voir la suite...
Modifié en dernier par RR VM 1992 le 30/01/2021 11:45, modifié 1 fois.
Re: Clignotant AR D Disco TDI 300 1998
merci ,pour ta réponse ,LØLØ a écrit : 30/01/2021 1:09 Je me suis penché sur le schéma, apparemment, il serait possible que si un coté est défaillant, dans certaine condition, il puisse y avoir un retour par le circuit de warning d'un coté sur l'autre.
.......................................
On peut voir aussi le branchement du circuit d'alarme, en S2020 et S2019. Est-ce quelle fonctionne correctement ?
A+
NB:Je viens de voir dans le titre que c'est le coté droit qui est concerné, et j'ai regardé le coté gauche. Les deux cotés sont symétriques, donc suivre les liaisons : C; E et G la A est commune au deux coté.
effectivement si on débranche le bouton de détresse il n'y a plus rien qui fonctionne
c'est le cotés arrière droit qui ne fonctionne plus alors que l'avant ainsi que le cotés fonctionne
l'alarme est débranché car en cas de panne de pile dans la télécommande impossible de la débranché ,nous n'avons plus le code pour le faire manuellement avec la serrure de la porte conducteur ( 1 autre soucis à régler lol)
pour le contrôle par rapport aux diode désolé je ne comprend pas trop ce que je dois faire ,je m'y connais un peu mais commence à être compliquer ,j'ai chopé le manuel d'où proviennent les schéma que tu as mis , c'est un beau pavé lol ,tout y es expliqué mais c'est un peu laborieu .
je continu de chercher
-
RR VM 1992
Re: Clignotant AR D Disco TDI 300 1998
Personnellement j'ai viré l'alarme, la fermeture centralisée et l'antidémarrage car j'en avait marre des déclenchements intempestifs en tout-terrain :
Le shunt magique (en noir sous la tôle) :
Et la mise à la masse du fil qui va mettre la scoumoune (klaxon / warning....) :
Et pour les détails pour piquer un Disco avec un opinel comptez pas sur moi
Parfois faut fouiller un peu pour remettre en marche un truc que sert à rien
Le shunt magique (en noir sous la tôle) :
Et la mise à la masse du fil qui va mettre la scoumoune (klaxon / warning....) :
Et pour les détails pour piquer un Disco avec un opinel comptez pas sur moi
Parfois faut fouiller un peu pour remettre en marche un truc que sert à rien
Re: Clignotant AR D Disco TDI 300 1998
RR VM 1992 a écrit : 30/01/2021 11:27J'ai un disco de 1998 et malheureusement il a plein de trucs inutiles par rapport aux autres version de 96-97 :LØLØ a écrit : 30/01/2021 1:09 .../.... disco de 97, je pense que cela doit être valable pour 98 aussi, bien que je ne sois pas un grand spécialiste du modèle..../.....
......................
On attend de voir la suite...
lol et malheureusement ils ont choisi le 98 mais on l'aime bien quand même
je préférerai garder l'alarme vu qu'on es en ville et qu'on s'est fait cambrioler 1 fois et que mine de rien drôles de coco qui traine sur saint nazaire
- LØLØ
- Modérateur
- Messages : 6209
- Enregistré le : 30/07/2006 15:41
- Localisation : guainville (28 )
- Contact :
Re: Clignotant AR D Disco TDI 300 1998
Salut,
Verifie le contact C204 peut-être qu'il est oxydé, dessertie, cassé...bref d'après le schéma si il y a un problème a ce niveau cela correspond aux symptômes décrit. Il y a également l'épissure juste au dessus S239, mais elle est dans le faisceau, ou alors le fil lui même cassé entre les deux. Un contrôle a l'ohmmètre entre le connecteur du commodo et C204 peut-être te mettre sur la piste.
A+
Verifie le contact C204 peut-être qu'il est oxydé, dessertie, cassé...bref d'après le schéma si il y a un problème a ce niveau cela correspond aux symptômes décrit. Il y a également l'épissure juste au dessus S239, mais elle est dans le faisceau, ou alors le fil lui même cassé entre les deux. Un contrôle a l'ohmmètre entre le connecteur du commodo et C204 peut-être te mettre sur la piste.
A+
2 solutions: la bonne et l'Anglaise
LUCAS: Il n'y a pas de contact où il le faut et il y en a un où il ne faut pas
On ne peut aller loin en amitié, si on n'est pas disposé à se pardonner les uns aux autres les petits défauts.
www.eternal-vehicles.fr
LUCAS: Il n'y a pas de contact où il le faut et il y en a un où il ne faut pas
On ne peut aller loin en amitié, si on n'est pas disposé à se pardonner les uns aux autres les petits défauts.
www.eternal-vehicles.fr
Re: Clignotant AR D Disco TDI 300 1998
LOL je l'ai trouvé derrière la boite à fusible mais impossible de la sortir comme sur la photo ,câbles trop court demain je vais couper les sert câbles et regarder celaLØLØ a écrit : 30/01/2021 14:22 Salut,
Verifie le contact C204 peut-être qu'il est oxydé, dessertie, cassé...bref d'après le schéma si il y a un problème a ce niveau cela correspond aux symptômes décrit. Il y a également l'épissure juste au dessus S239, mais elle est dans le faisceau, ou alors le fil lui même cassé entre les deux. Un contrôle a l'ohmmètre entre le connecteur du commodo et C204 peut-être te mettre sur la piste.
A+
- LØLØ
- Modérateur
- Messages : 6209
- Enregistré le : 30/07/2006 15:41
- Localisation : guainville (28 )
- Contact :
Re: Clignotant AR D Disco TDI 300 1998
Salut,
Le schéma modifié et axé sur le clignotant droit pour étayer le raisonnement sur la panne : Analyse:
En vert et rouge liaison commune cadencé provenant de la centrale clignotante utilisé par le coté droit ou gauche ou warning, ça cela fonctionne.
A partir du commutateur sur la position droite liaison en vert qui part via C, en premier les clignotants avant, puis en passant par la boite des fusibles avant, cela va alimenter les clignotants arrière en suivant le report de schéma G.
On peut remarquer que lorsqu'on utilise les Warning le bouton nous réuni les clignotants G et D liaison bleu ciel puis les liaisons X et Y pour rejoindre les clignotants D et G directement via la boite de fusible P126, et là je bloque car les warning, eux renvois bien l'info sur l'avant aussi. Donc un truc m’échappe, je ne vois pas trop pourquoi ou comment en fait la liaison entre l'avant et l'arrière peut être établi par les warning et pas par le clignotement normal.
A méditer...
A+
Le schéma modifié et axé sur le clignotant droit pour étayer le raisonnement sur la panne : Analyse:
En vert et rouge liaison commune cadencé provenant de la centrale clignotante utilisé par le coté droit ou gauche ou warning, ça cela fonctionne.
A partir du commutateur sur la position droite liaison en vert qui part via C, en premier les clignotants avant, puis en passant par la boite des fusibles avant, cela va alimenter les clignotants arrière en suivant le report de schéma G.
On peut remarquer que lorsqu'on utilise les Warning le bouton nous réuni les clignotants G et D liaison bleu ciel puis les liaisons X et Y pour rejoindre les clignotants D et G directement via la boite de fusible P126, et là je bloque car les warning, eux renvois bien l'info sur l'avant aussi. Donc un truc m’échappe, je ne vois pas trop pourquoi ou comment en fait la liaison entre l'avant et l'arrière peut être établi par les warning et pas par le clignotement normal.
A méditer...
A+
2 solutions: la bonne et l'Anglaise
LUCAS: Il n'y a pas de contact où il le faut et il y en a un où il ne faut pas
On ne peut aller loin en amitié, si on n'est pas disposé à se pardonner les uns aux autres les petits défauts.
www.eternal-vehicles.fr
LUCAS: Il n'y a pas de contact où il le faut et il y en a un où il ne faut pas
On ne peut aller loin en amitié, si on n'est pas disposé à se pardonner les uns aux autres les petits défauts.
www.eternal-vehicles.fr
Re: Clignotant AR D Disco TDI 300 1998
Dans mon fichier PDF des schémas électrique pour Discovery la partie Z4 localisation les pages sont toutes briquées ce qui rend la lecture impossible ,c'est pareil chez vous ?
Re: Clignotant AR D Disco TDI 300 1998
L'alimentation entre les feux de détresses et les clignotants ne serait pas différentes , interrupteur warning à 0 passe par la boite 126 et lorsqu'il est enclenché passe par la 125 ?LØLØ a écrit : 30/01/2021 18:45
On peut remarquer que lorsqu'on utilise les Warning le bouton nous réuni les clignotants G et D liaison bleu ciel puis les liaisons X et Y pour rejoindre les clignotants D et G directement via la boite de fusible P126 et là je bloque car les warning eux renvois bien l'info sur l'avant aussi. Donc un truc m’échappe, je ne vois pas trop pourquoi ou comment en fait la liaison entre l'avant et l'arrière peut être établi par les warning et pas par le clignotement normal.![]()
pas facile mais intéressant
-
RR VM 1992
Re: Clignotant AR D Disco TDI 300 1998
Non pas pour moi ; tout est lisible :cdjklm a écrit : 30/01/2021 19:50 Dans mon fichier PDF des schémas électrique pour Discovery la partie Z4 localisation les pages sont toutes briquées ce qui rend la lecture impossible ,c'est pareil chez vous ?
Et désolé il est en french
Re: Clignotant AR D Disco TDI 300 1998
merci , le mien c'était le 1996 alors que le tiens 1995 , dois pas avoir grands changement ,impecRR VM 1992 a écrit : 30/01/2021 21:24 Non pas pour moi ; tout est lisible :
Disco 300 TDI-Manuel électricité__fr.pdf
Re: Clignotant AR D Disco TDI 300 1998
y' a une technique pour sortir le fésceaux ?car la j'ai enlevé 1 colsonne et du scotch mais impossible de le sortir comme sur le manuel 
et c'est quoi S 405?je n'arrive pas à trouver c'est quoi dans le manuel mais j'aimerai faire un test de continuité entre ça et C 445
et c'est quoi S 405?je n'arrive pas à trouver c'est quoi dans le manuel mais j'aimerai faire un test de continuité entre ça et C 445
- LØLØ
- Modérateur
- Messages : 6209
- Enregistré le : 30/07/2006 15:41
- Localisation : guainville (28 )
- Contact :
Re: Clignotant AR D Disco TDI 300 1998
Salut,cdjklm a écrit : 30/01/2021 19:54
L'alimentation entre les feux de détresses et les clignotants ne serait pas différentes , interrupteur warning à 0 passe par la boite 126 et lorsqu'il est enclenché passe par la 125 ?
Oui et c'est logique, les clignotants sont alimenté par un + après contact qui dépend du fusible F1 15A, alors que les feux de détresse dépendent d'un + permanent fusible F4 30A compartiment moteur, tu peux laisser ton véhicule seul sur le bord de la route sans les clefs et le signaler avec les feux de détresse. Le bouton de warning en position repos laisse passer le + après contact, et commute le + permanent seulement quand tu l'actives.
Pour ce qui est des schémas, les miens sont pour les modèle 97; 98 et 99 dans Electrical Troubleshooting Manual - 6 ème édition , après pour le TD5 (disco II), ils ne sont plus sous la même forme, mais en couleur mais peuvent peut-être nous aider a raisonner sur la bizarrerie de la panne : Mais ce qui m'intrigue c'est l'unité multi fonction qui potentiellement peut nous jouer des tours.
A+
2 solutions: la bonne et l'Anglaise
LUCAS: Il n'y a pas de contact où il le faut et il y en a un où il ne faut pas
On ne peut aller loin en amitié, si on n'est pas disposé à se pardonner les uns aux autres les petits défauts.
www.eternal-vehicles.fr
LUCAS: Il n'y a pas de contact où il le faut et il y en a un où il ne faut pas
On ne peut aller loin en amitié, si on n'est pas disposé à se pardonner les uns aux autres les petits défauts.
www.eternal-vehicles.fr
Re: Clignotant AR D Disco TDI 300 1998
j'ai démonté les 2 petite vis qui tienne la boite à fusible 126 et le MFU coupé un rislan (y'en a d'autres dans le fond mais c'est chaud patate pour les couper sans couper un câble) dans le fond mais pas moyen de sortir le câblage pour pouvoir travailler correctement 