arbres de trasmission homocinétiques ???

Entretenir une boite de vitesse, installer un différentiel autoblocant...

Modérateurs : The Pater, LØLØ

Règles du forum
En naviguant sur le site http://www.landroverfaq.com vous reconnaissez avoir lu ses Conditions d’Utilisation, vous déclarez les comprendre et vous acceptez d’y être lié de manière inconditionnelle. Si tel n'est pas le cas, merci de quitter immédiatement ce site.

Vous pouvez joindre autant d'images que nécessaire à vos messages A LA CONDITION EXPRESSE d'utiliser l'hébergement fourni par le site.

L'administrateur effacera systématiquement tout message contenant des photos hébergées chez Imageschack, Casimage, Wistiti ou tout autre hébergeur tiers sans sommation ni justification.
Avatar du membre
Jardeheu
Habitué
Messages : 127
Enregistré le : 23/02/2009 15:52
Localisation : Martinique

Re: arbres de trasmission homocinétiques ???

Message non lu par Jardeheu »

kebir31 a écrit :...Donc il va falloir que je me penche sur les joints à double-cardan. Je ne retrouve pas le sujet expliquant la théorie, si quelqu'un sait ou il se trouve, je lui serais reconnaissant. Et pour devancer un peu, je comprends le fonctionnement du double-cardan et j'accepte le fait qu'il soit homocinétique, ...
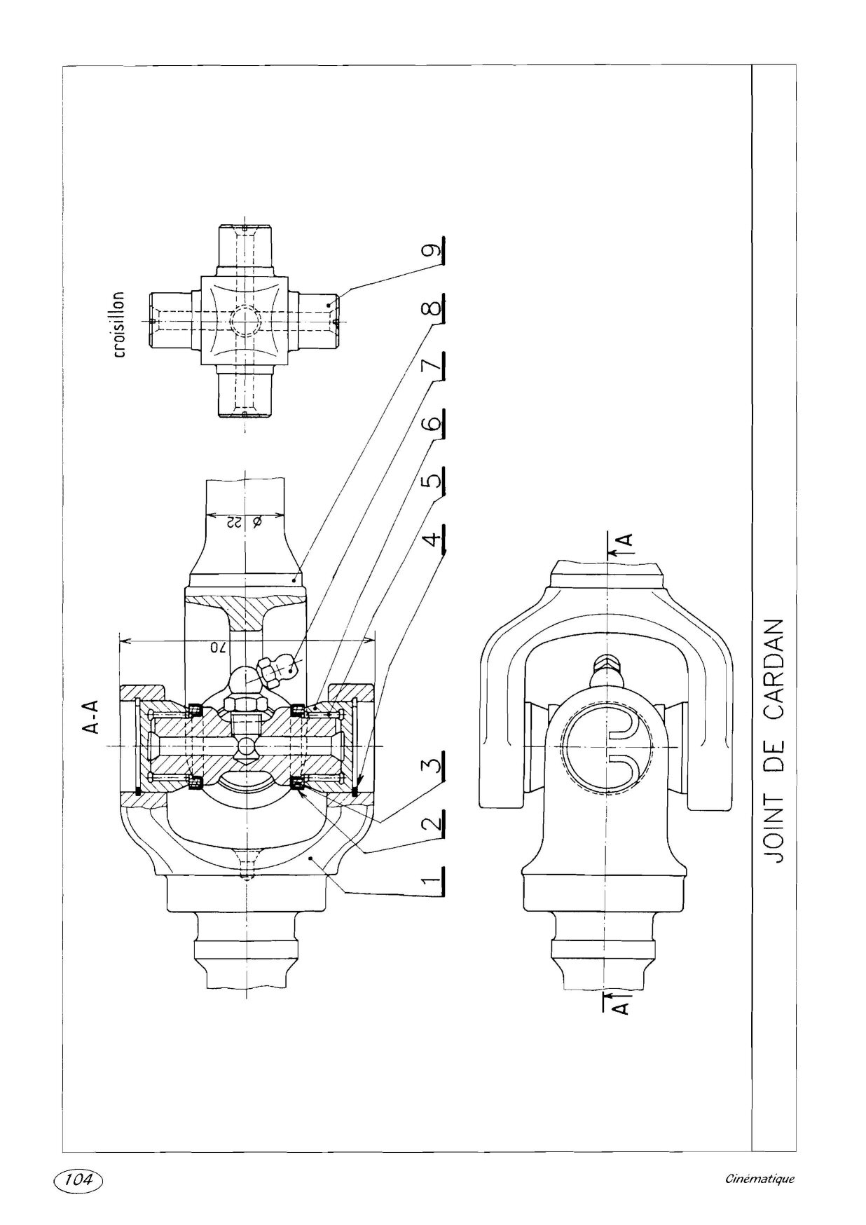
Voici donc un peu de théorie sur le paramètrage de mécanisme et trois exemples concrets : Le joint de Oldham, le joint de Cardan et le joint de Cardan double.
Paramètrage des mécanismes_Page_1.jpg
Paramètrage des mécanismes_Page_2.jpg
Paramètrage des mécanismes_Page_3.jpg
Paramètrage des mécanismes_Page_4.jpg
Paramètrage des mécanismes_Page_5.jpg
Paramètrage des mécanismes_Page_6.jpg
Paramètrage des mécanismes_Page_7.jpg
Sinon, pour l'histoire : http://fr.wikipedia.org/wiki/Gerolamo_Cardano
Pour ceux qui le souhaitent, je peux founir les pages de méca en version PDF de meilleur qualité. --> MP
Land OneTen-2.25ess-1983-CTTE
Ce n'est pas une voiture, Monsieur! C'est un Land...
Avatar du membre
The Pater
Modérateur
Messages : 13979
Enregistré le : 25/08/2004 8:19
Localisation : 06°27'46"E 45°50'29"N

Re: arbres de trasmission homocinétiques ???

Message non lu par The Pater »

Je pense à une chose qui me fait doucement sourire.

Ceux qui font un rehausse se plaignent d'une tenue de cap dégradée. C'est normal, car en éloignant le pont avant du châssis, on diminue l'angle de chasse et on rend le véhicule moins stable, plus vif.

La solution est de mettre des tirants coudés afin de remettre l'angle de chasse à sa valeur d'origine. Mais en faisant cela on augmente le désalignement entre l'arbre d'entrée du pont et l'arbre de transmission :mrgreen: .... pas bon.....

La solution est de couper les extrémités du pont avant, juste avant le flasque contenant le joint et sur lequel l'ensemble bols de pivot+moyeu vient se fixer. Et de ressouder avec un petit décalage angulaire.

A+
Ingénieur :
Personne faisant un travail divinatoire de précision basé sur des informations peu fiables données par des personnes peu qualifiées, voire ignorantes.
=>, magicien, devin, sorcier
Avatar du membre
torero
Habitué
Messages : 2521
Enregistré le : 26/07/2004 14:49
Localisation : Poulx 30

Re: arbres de trasmission homocinétiques ???

Message non lu par torero »

The Pater a écrit : La solution est de couper les extrémités du pont avant, juste avant le flasque contenant le joint et sur lequel l'ensemble bols de pivot+moyeu vient se fixer. Et de ressouder avec un petit décalage angulaire.

A+
On trouve sur le marché (Allmakes?) des boules de pivots dont les trous de fixations ont un décallage de 6° par rapport à l'origine de manière à rattrapper l'angle de chasse.Ne coupez pas vos ponts!
" Quand le sage montre la lune; l'idiot regarde son doigt "
Avatar du membre
The Pater
Modérateur
Messages : 13979
Enregistré le : 25/08/2004 8:19
Localisation : 06°27'46"E 45°50'29"N

Re: arbres de trasmission homocinétiques ???

Message non lu par The Pater »

torero a écrit :
The Pater a écrit : La solution est de couper les extrémités du pont avant, juste avant le flasque contenant le joint et sur lequel l'ensemble bols de pivot+moyeu vient se fixer. Et de ressouder avec un petit décalage angulaire.

A+
On trouve sur le marché (Allmakes?) des boules de pivots dont les trous de fixations ont un décallage de 6° par rapport à l'origine de manière à rattrapper l'angle de chasse.Ne coupez pas vos ponts!
Je n'ai jamais entendu parler de cela, mais c'est une bonne nouvelle si cela existe.

A+
Ingénieur :
Personne faisant un travail divinatoire de précision basé sur des informations peu fiables données par des personnes peu qualifiées, voire ignorantes.
=>, magicien, devin, sorcier
Avatar du membre
Mauresque
Webmaster
Messages : 3825
Enregistré le : 06/05/2004 12:53
Localisation : Caromb, Vaucluse (84)
Contact :

Re: arbres de trasmission homocinétiques ???

Message non lu par Mauresque »

Oui ça existe, j'ai même vu des gars faire ça dans leur garage en rechargeant les trous de fixation existants à la soudure, et en reperçant à coté avec le décallage angulaire prévu.
In a world without walls and fences, who needs Windows and Gates ?
Avatar du membre
torero
Habitué
Messages : 2521
Enregistré le : 26/07/2004 14:49
Localisation : Poulx 30

Re: arbres de trasmission homocinétiques ???

Message non lu par torero »

J'ai pas l'impression que les bols décallés aient eu beaucoup de succès.Ou alors le fabricant n'en avait fabriqué qu'une série limitée.Il faut dire que les tirants qui rattrappent l'angle de chasse, et qui sont coudés en plus au niveau du silent bloc côté chassis remplissent très bien leur rôle et coûtent certainement moins cher.Même si l'angle de travail au niveau du cardon côté pont est plus grand, je n'ai jamais eu la moindre vibration que ce soit.Ce qui n'est pas le cas avec l'arbre d'origine même sans réhausse.Le top amha serait , pour une rehausse de 10 cm, d'istaller des tirants coudés qui rattrappent l'angle de chasse de 3° et d'installer en plus des pivots qui rattrappent aussi de 3°.Comme ça je pense qu'on arriverait à un bon compromis.
" Quand le sage montre la lune; l'idiot regarde son doigt "
Big white
Habitué
Messages : 65
Enregistré le : 28/08/2009 4:56

Re: arbres de trasmission homocinétiques ???

Message non lu par Big white »

Bonjour,
Il y a trois ans j'avais visité un fabriquant d'accessoires français ET... qui commercialisait ce type de bols "décalés".
La personne avec qui j'avais discuté avait un véhicule assez réhaussé (d'environ 10 cm me semble t'il) et avait donc corrigé la géométrie du pont avant (angle de chasse) à l'aide de ces fameux "bols décalés".
Ses tirants avants étaient d'origine, tout comme son arbre de transmission avant.
Leur prix était raisonnable, mais, à moins d'être bien équipé et/ou bien motivé, cette modification en main d'œuvre ne doit pas être donnée.
Cela est à mettre "en balance" avec l'achat de tirants de pont coudés+ un arbre AV grand angle ou double cardan (encore plus cher).

Pour l'arrière, ils commercialisent des cales qui "soulèvent ou décalent" le support de silent bloc sup des tirants arrière d'environ 1cm, ré-alignant de ce fait le tirant avec l'ensemble silent bloc + rondelles.
Les cales étaient réalisée en alu, usiné et découpé à l'eau.
Elles évitent l'achat de tirants coudés ou la modification de ses tirants.
Bien souvent on ne pense pas qu'un tirant puisse se plier en utilisation normale ou TT, mais en marche arrière quand il y a un trou ou un trottoir un peu haut, un tirant coudé "maison" ou non risque de se plier puisque l'on a crée un "point faible" au niveau du tube de tirant.
Les cales faisant pivoter l'ensemble tirant +SB éliminent ce risque (peut être en le déplaçant au niveau du chassis...)
Les cales arrières ne résoudront cependant pas les problèmes (éventuels de transmission) ARR.

A+
Répondre

Retourner vers « Transmissions »