Difference Bol RRC 1ére e t2éme génération

Entretenir une boite de vitesse, installer un différentiel autoblocant...

Modérateurs : The Pater, LØLØ

Règles du forum
En naviguant sur le site http://www.landroverfaq.com vous reconnaissez avoir lu ses Conditions d’Utilisation, vous déclarez les comprendre et vous acceptez d’y être lié de manière inconditionnelle. Si tel n'est pas le cas, merci de quitter immédiatement ce site.

Vous pouvez joindre autant d'images que nécessaire à vos messages A LA CONDITION EXPRESSE d'utiliser l'hébergement fourni par le site.

L'administrateur effacera systématiquement tout message contenant des photos hébergées chez Imageschack, Casimage, Wistiti ou tout autre hébergeur tiers sans sommation ni justification.
Répondre
Avatar du membre
Horos
Messages : 14
Enregistré le : 20/03/2008 20:55

Difference Bol RRC 1ére e t2éme génération

Message non lu par Horos »

Bonjour,

possesseur d'un modèle de 1989( 2éme génération) je suis en train de refaire l'étanchéité du pont AV et particulièrement des bols/pivots.
comme il fuyaient beaucoup et vu l'état des bols plein d'éclats dans le chrome, je me décide de remplacer tout ça . :)
j'ai récupéré des bols quasi neufs sur un modèle 1ére génération. 8)
ô surprise ce ne sont pas les même. :x
quelles différences? me direz-vous, les dimensions internes et externes sont identiques, mais il y a un perçage de moins vers le bas de la fixation de bol sur le pont et le diamètre des trous est inférieur. :mouche:
donc cet après midi , opération reperçage :idea: j'essayerais des faire des photos.

si quelqu'un sait a partir de quel mois/année ça change, ça pourra aider .
si ça passait, c'était beau...
Avatar du membre
Feub
Habitué
Messages : 3928
Enregistré le : 25/11/2004 11:29
Localisation : Saint Jean la Bussière

Re: Difference Bol RRC 1ére e t2éme génération

Message non lu par Feub »

Salut, ca passe de 6 vis a 7 vis vers 1986, en même temps que le changement des silent bloc des jambes de force avant et tirant de pont arrière, et aussi en même temps que l'amortisseur arrière droit passe de 'vers l'arrière' a 'vers l'avant' comme son copain de gauche :mrgreen:
Avatar du membre
Horos
Messages : 14
Enregistré le : 20/03/2008 20:55

Re: Difference Bol RRC 1ére e t2éme génération

Message non lu par Horos »

merci pour l'info. j'ai fait des photos façon reportage
Le vieux bol  percage  en+
Le vieux bol percage en+
J'ai du repercer les bols d'ancienne génération au niveau des fixations sur le pont au diamètre 11mm
un petit nettoyage auparavant ne fait pas de mal
les bols de rechange
les bols de rechange
une fois repercé.
reperçé et ébavuré
reperçé et ébavuré
Préparation du pont pour demain
pont prêt a recevoir le bol refait
pont prêt a recevoir le bol refait
l'état du vieux joint homocinétique
vieux Lobro
vieux Lobro
la suite bientôt
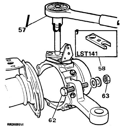
par contre pour le réglage de la précontrainte des roulements de pivot il est noté dans le manuel de réparation en ma possession(en anglais) d'utiliser un outil(que je n'ai pas) .
outil spécial
outil spécial
savez-vous comment s'en passer et faire un montage correct? merci
si ça passait, c'était beau...
Répondre

Retourner vers « Transmissions »