Installation pare-brise chauffant
Règles du forum
En naviguant sur le site http://www.landroverfaq.com vous reconnaissez avoir lu ses Conditions d’Utilisation, vous déclarez les comprendre et vous acceptez d’y être lié de manière inconditionnelle. Si tel n'est pas le cas, merci de quitter immédiatement ce site.
Vous pouvez joindre autant d'images que nécessaire à vos messages A LA CONDITION EXPRESSE d'utiliser l'hébergement fourni par le site.
L'administrateur effacera systématiquement tout message contenant des photos hébergées chez Imageschack, Casimage, Wistiti ou tout autre hébergeur tiers sans sommation ni justification.
En naviguant sur le site http://www.landroverfaq.com vous reconnaissez avoir lu ses Conditions d’Utilisation, vous déclarez les comprendre et vous acceptez d’y être lié de manière inconditionnelle. Si tel n'est pas le cas, merci de quitter immédiatement ce site.
Vous pouvez joindre autant d'images que nécessaire à vos messages A LA CONDITION EXPRESSE d'utiliser l'hébergement fourni par le site.
L'administrateur effacera systématiquement tout message contenant des photos hébergées chez Imageschack, Casimage, Wistiti ou tout autre hébergeur tiers sans sommation ni justification.
Installation pare-brise chauffant
Voici un récit complet de mon installation d'un pare-brise chauffant sur mon Defender td5 de 2006.
Pré-requis:
-le pare brise chauffant. A priori sur ces millésimes , il comporte seulement 2 connexions en bas à droite et en bas à gauche, pas de polarité spécifique.
J'ai fait installer le mien par c--glass
(ouf c'est cher, mais pris par l'assurance, heureusement).
-un relais temporisé (PRC6796) sorte de minuterie d'environ 6-7 min pour éviter que le PB chauffe trop longtemps (risque de dégradation des micro-filaments chauffants) -un relais de puissance (PRC7303, 70A, référence d'origine ou autre. Perso j'ai mis un 40A, pas d'origine). -un interrupteur non verrouillable , c'est à dire qui ne laisse passer le courant que lorsque l'on appuie dessus.
Au relâchement, le courant ne passe plus. En fait ce type d'interrupteur envoie un impulsion en quelque sorte.
Pour mon Def c'est la référence : YUG000460LNF (impulsion bas niveau 0V ) Tout cela est dispo ici:
http://www.brit-car.co.uk/
-Il faut aussi trouver un connecteur pour brancher cet interrupteur. Je n'en ai pas acheté alors j'ai bidouillé avec des cosses.
Sinon, on en trouve ici (ref: ZZPLUG01) :
http://www.dingocroft.co.uk/cgi-bin/sh0 ... 21ZZPLUG01 Il faut aussi:
-fusible 30A pour la puissance passée dans le PB
-fusible 5A pour la commande et l'alimentation des relais
-câbles souples 1.5mm2 pour la commande
-câbles souples 6mm2 pour la puissance.
Malheureusement le relais temporisé PRC6796 a un gros défaut:
Il est hors de prix (110€ voire plus) !!!
En outre il fonctionne avec une impulsion 0V (on lui envoie la masse pour le déclencher), ce qui n'est pas courant (sans mauvais jeu de mot):On envoie fréquemment du +12v pour activer ce genre d'équipement.
Ce relais comporte aussi une sécurité qui fait qu'il ne peut être actif que si le moteur tourne (via le manomètre de pression d'huile), afin de protéger la batterie de la décharge.
J'ai trouvé en remplacement un relais temporisé bien moins cher (15-20€): référence GLR10
ici:
http://www.devon4x4.com/index.php?optio ... &Itemid=14 Il est donc moins cher et fonctionne avec un impulsion positive (+12V).
Par contre, il ne comporte pas de sécurité liée au fonctionnement du moteur ou non .
En conséquence , il faudra bien penser à ne pas mettre le PB chauffant en fonction moteur coupé, sinon il y a un risque de torpiller la batterie.
Ce problème réglé, je découvre que RE-malheureusement le bouton du PB chauffant d'origine LR au tableau de bord (YUG000460LNF) est prévu pour le PRC6796 , ce qui paraît logique, et donc son câblage interne prévoit l'envoi d'une impulsion 0V au relais minuteur PRC6796.
Il faut donc l'ouvrir et le modifier comme montré ci-dessous , en coupant une petite piste en laiton afin d'isoler les pistes 3 et 4 , normalement reliées.
C'est super simple, voir photos :
ATTENTION: Ce schéma de cablage ne fonctionne qu'avec le relais GLR10 et la modification des pistes de l'interrupteur !!!
Si vous utilisez le relais temporisé PRC6796 d'origine, il faut cabler en 1 de l'interrupteur l'entrée dans le PRC6796( et pas le +12V) et ne PAS couper la piste
Après cela, une fois les fils reliés à l'interrupteur de manière correcte, il enverra une impulsion positive au GLR10, qui activera le relais de puissance PRC7303 qui active le PB.
C'est une cascade de relais (2).
Un fois le temps écoulé (d'origine 10 min environ) le timer GLR10 cesse d'activer le relais de puissance PRC7303 et donc le courant ne passe plus dans le PB.
Pour la petite histoire, 10 minutes d'activité pour le PB me semblant un peu trop (par rapport au relais temporisé d'origine PRC6796 , qui est donné pour environ 7 min), je l'ai ouvert et bidouillé un peu.
Je m'explique :
Sans rentrer trop dans les détails, le GLR10 fait appel à un petit circuit intégré (U6046) qui compte le temps passé.
Au bout du fameux délai de 10 minutes , il désactive la bobine du relais et ainsi arrête le PB (via le relais de puissance).
L'unité de temps (base de temps) du comptage est donné par une cellule RC (résistance-condensateur).
Si on augmente l'unité de temps le délai s'allonge, si on la diminue, le délai fait de même.
C'est simple quoiqu'un un peu imprécis (on s'en fiche) .
De même la température ambiante influe aussi sur ce couple de composants et donc le délai d'action est assez variable.
(Si on voulait plus de précision , il faudrait réaliser un oscillateur avec un quartz, pas très compliqué mais sans intérêt ici)
Pour en revenir à nos moutons, il suffit donc de modifier les valeurs de la résistance, du condensateur ou des deux pour modifier la durée d'action du relais.
La datasheet du circuit intégré U6046 (http://www.datasheetcatalog.org/datashe ... yzurts.pdf)
donne de nombreuses possibilité de délais d'action en fonction de différentes valeurs de R et de C.
On peut ainsi passer d'une durée de quelques secondes à environ 20 heures.
J'ai changé seulement la résistance pour avoir un délai d'action de 7 minutes environ.
BON C'EST TERMINE POUR LES PRE-REQUIS (ouf!)
Ensuite…..
1-Mise en place du pare brise chauffant:Merci Car---ss !
2-Dépose du couvercle et support de fusibles et relais en avant du levier de vitesse
3-Mise en place des fils d'alimentation du pare brise
C'est là ou on s'amuse un peu à démonter le tableau de bord (ça n'est pas si compliqué), pour passer le gros fil de 6mm2 et l'amener à l'emplacement du relais de puissance (boite à fusible en avant du levier de vitesse).
Je n'ai malheureusement pas de photos de cette étape car le week-end ou j'ai installé tout ça , j'étais à la bourre pour terminer pour Lundi et il neigeait un peu, donc ça n'était pas au top de mes préoccupations…
D'autant que j'en ai profité pour changer le mécanisme des essuies-glace (le câble d'entraînement et le 2 moyeux d'essuie-glace –avec leur roue dentée-) = grosse galère !
Donc je vais essayer d'être explicite par le texte.
Le démontage du tableau de bord n'est pas trop compliqué:
-3 grosse vis cruciformes vers le pare brise, SUR le rembourrage supérieur,
-4 vis cruciformes qui tiennent les 2 ouïes d'aération allongées, sur le dessus. Sortir les ouïes
-2 vis cruciformes SOUS le rembourrage supérieur, en haut, en façade, visibles par le dessous
-2 vis cruciformes (dont une sous le logo LR, portière ouverte) qui tiennent la poignée de maintien au tableau de bord, côté passager: enlever la poignée
-2 vis cruciformes côté gauche (portière ouverte)
-retirer le rembourrage supérieur
-3 vis cruciformes en haut du tableau de bord (vissées dans des clips)
-4 vis cruciformes avec rondelles en bas du tableau de bord, en façade
-3 vis cruciformes en haut de la console centrale
-2 longues vis cruciformes en bas de la console centrale
Pour le bloc compteur:
-il faut enlever le cache colonne de direction (7 vis)
-et retirer 4 vis (2 sur les côtés en haut, 2 par le dessous, en bas du bloc compteur)
-il suffit de décaler le bloc compteur pour y voir clair (les fils sont assez longs)
Ensuite on passe le câble 6mm2.
Voilà comment j'ai fait:
-départ sur un espace libre (fusible vert 30A) de la boîte à fusible sous le siège passager.
La connexion se fait par dessous avec une cosse plate insérée dans un espace vacant (il faut déposer la boite : deux boulons 8mm),.
-je passe une gaine (contenant le fil 6mm2) à travers le bouchon en caoutchouc noir à l'arrière du compartiment pour sortir à l'extérieur de ce compartiment,
Le bouchon noir est plein d'origine. Il faut utiliser un emporte pièce pour le percer de manière correcte à un diamètre inférieur à celui de la gaine: c'est important pour l'étanchéité de ce compartiment qui contient l'ECU.On peut utiliser un presse étoupe, ce qui serait mieux.
-je fais passer l'ensemble dessous, vers le châssis,
-je ressort en avant du tablier, dans le compartiment moteur.
-Là je re-rentre dans l'habitacle (sans la gaine) via les passages de câbles en caoutchouc noirs et j'arrive grosso-modo derrière l'autoradio.
-Enfin je fais passer le câble verticalement, de haut en bas, vers la boîte à fusible ( levier de vitesse) ou sera installé le relais de puissance.
Il faut ensuite acheminer l'alimentation vers le pare brise:
-Je repars avec un autre câble de 6mm2 de la boite à fusible (levier vitesse) ,vers le haut
-je remonte derrière l'autoradio et je bifurque à gauche, passe derrière le compteur, vers la connexion de gauche du pare brise : cosse et gaine thermo-rétractable.finissent le travail
L'autre connexion (droite) du pare-brise est reliée à la masse, via un fil(6mm2) avec cosse à œil + gaine thermo sur une des vis de fixation du moteur d'essuie-glace (donc à droite)
4-Alimentation de l'interrupteur (modifié!) de PB chauffant au tableau de bord:
-cosse n°1: Il faut trouver un +12V après contact (couleur blanche,section 4 mm2) au bornier des fusibles (vers le changement de vitesse), le plus à droite,en haut(voir photo).
Il y a (en tous cas chez moi) un espace disponible .Il suffit de rajouter la petite cosse métallique dans laquelle le fusible vient s'insérer et d'y coupler le fil qui va à la cosse 1 de l'interrupteur.
Un fusible de 5A et le tour est joué .
On fait passer le fil en arrière pour qu'il remonte vers l'autoradio (comme l'alimentation du pare brise)
Pendant qu'on y est , on tire 1 fil supplémentaire (+12V, idem) pour alimenter le relais temporisé (GLR10) qu'on laisse vers la boite à fusible.
-cosse n°2 : Repiquage sur l'interrupteur de dégivrage arrière du +12v (cosse 2)de l'éclairage des boutons et autres inters du tableau de bord.
-cosse n°3: Masse , j'ai repiqué sur le dégivrage arrière (cosse 3),
-cosse n°4: Sortie de l'impulsion de commande, qui doit descendre au relais temporisé GLR10, connexion 1, en passant par derrière l'autoradio, comme le reste
-cosse n°5: Retour (positif) pour la led témoin d'activité du PB chauffant.
ATTENTION: Ce schéma de cablage ne fonctionne qu'avec le relais GLR10 et la modification des pistes de l'interrupteur !!!
Si vous utilisez le relais temporisé PRC6796 d'origine, il faut cabler en 1 de l'interrupteur l'entrée dans le PRC6796( et pas le +12V) et ne PAS couper la piste
Passage identique en arrière, entre boite à fusibles (relais) et autoradio
ATTENTION: Ce schéma de cablage ne fonctionne qu'avec le relais GLR10 et la modification des pistes de l'interrupteur !!!
Si vous utilisez le relais temporisé PRC6796 d'origine, il faut cabler en 1 de l'interrupteur l'entrée dans le PRC6796( et pas le +12V) et ne PAS couper la piste
4-Connexion des relais
Procéder comme suit:
5-remise en place du tableau de bord
Procéder en sens inverse de la dépose.
A ce stade, il est vivement conseillé de faire quand même un petit essai avant de tout remonter !!!
Voilà ça doit marcher, reste à remettre un peu d'ordre, fixer les relais et replacer le support des fusibles et le couvercle de la boite.
Le résultat est terrible : Couche de glace ramollie, fondue en 30-40 secondes.
Ensuite un coup d'essuie-glace et hop, plus rien.
C'est un accessoire spécial feignasse dont je ne pourrais plus me passer….
Pendant que j'y étais, je me suis aperçu que les assises de mes sièges avant avaient un connecteur électrique desssous. Les sièges sur cette finition doivent être par défaut montés comme ça , en version chauffante.
J'ai donc tiré un faisceau d'alimentation pour qu'ils fonctionnent.
Sommairement:
-on récupère du +12V après contact sur un espace libre de la boite à fusible (vers levier vitesse)
Cet espace libre est à côté des fusibles de vitres électriques (20A) et est alimenté par le relais 0218 (le plus à gauche, jaune)
Il suffit là aussi de mettre une petite connexion porte fusible, et de la joindre à 2 fils(2.5mm2) qui montent aux interrupteurs de sièges chauffants .
Bien sûr il faut installer un fusible (20A)
Il n'y PAS de relais, les inters passent directement la puissance (environ 10A chacun).
Pour le retour du courant (2 fils, un par siège) :
-j'ai profité de la gaine dans laquelle passait l'alim de mon PB chauffant (voir plus haut)
-cela permet un passage discret des deux fils pour aller des inters de sièges chauffants au logement situé sous le siège passager (vers la boite à fusibles)
-De là j'alimente le siège passager avec le premier fil, en prenant une masse avec une cosse à œil sur n'importe quel écrou
-De là aussi, je fais passer le deuxième fil de retour par une gaine déjà présente qui unit le logement sous le siège passager au logement sous le siège conducteur.
-Sous le siège conducteur, je me connecte à l'assise chauffante en ajoutant une masse (cosse à œil sur le moins de la batterie)
Il faut en plus prévoir, lorsque le tableau de bord est encore démonté :
-De repiquer le +12v de l'illumination des boutons pour l'éclairage des inters de sièges chauffant la nuit (un pour chaque inter),
-d'amener une masse (j'ai repiqué sur les autres inters) à nos 2 inters .
connexions d'un inter de siège chauffant:
Pin 1 – Entrée +12 V tirée précédemment de la boîte à fusible
Pin 2 - +12 V illumination tableau de bord
Pin 3 - Masse
Pin 4 – Sortie +12V vers sièges chauffants
Pin 5 – Masse
Un fois activé, ça chauffe beaucoup, trop au bout d'un moment.
L'activation des sièges chauffants n'est pas temporisée, il faut penser à les arrêter.
Ceci dit, on s'en rend vite compte...
Pré-requis:
-le pare brise chauffant. A priori sur ces millésimes , il comporte seulement 2 connexions en bas à droite et en bas à gauche, pas de polarité spécifique.
J'ai fait installer le mien par c--glass
(ouf c'est cher, mais pris par l'assurance, heureusement).
-un relais temporisé (PRC6796) sorte de minuterie d'environ 6-7 min pour éviter que le PB chauffe trop longtemps (risque de dégradation des micro-filaments chauffants) -un relais de puissance (PRC7303, 70A, référence d'origine ou autre. Perso j'ai mis un 40A, pas d'origine). -un interrupteur non verrouillable , c'est à dire qui ne laisse passer le courant que lorsque l'on appuie dessus.
Au relâchement, le courant ne passe plus. En fait ce type d'interrupteur envoie un impulsion en quelque sorte.
Pour mon Def c'est la référence : YUG000460LNF (impulsion bas niveau 0V ) Tout cela est dispo ici:
http://www.brit-car.co.uk/
-Il faut aussi trouver un connecteur pour brancher cet interrupteur. Je n'en ai pas acheté alors j'ai bidouillé avec des cosses.
Sinon, on en trouve ici (ref: ZZPLUG01) :
http://www.dingocroft.co.uk/cgi-bin/sh0 ... 21ZZPLUG01 Il faut aussi:
-fusible 30A pour la puissance passée dans le PB
-fusible 5A pour la commande et l'alimentation des relais
-câbles souples 1.5mm2 pour la commande
-câbles souples 6mm2 pour la puissance.
Malheureusement le relais temporisé PRC6796 a un gros défaut:
Il est hors de prix (110€ voire plus) !!!
En outre il fonctionne avec une impulsion 0V (on lui envoie la masse pour le déclencher), ce qui n'est pas courant (sans mauvais jeu de mot):On envoie fréquemment du +12v pour activer ce genre d'équipement.
Ce relais comporte aussi une sécurité qui fait qu'il ne peut être actif que si le moteur tourne (via le manomètre de pression d'huile), afin de protéger la batterie de la décharge.
J'ai trouvé en remplacement un relais temporisé bien moins cher (15-20€): référence GLR10
ici:
http://www.devon4x4.com/index.php?optio ... &Itemid=14 Il est donc moins cher et fonctionne avec un impulsion positive (+12V).
Par contre, il ne comporte pas de sécurité liée au fonctionnement du moteur ou non .
En conséquence , il faudra bien penser à ne pas mettre le PB chauffant en fonction moteur coupé, sinon il y a un risque de torpiller la batterie.
Ce problème réglé, je découvre que RE-malheureusement le bouton du PB chauffant d'origine LR au tableau de bord (YUG000460LNF) est prévu pour le PRC6796 , ce qui paraît logique, et donc son câblage interne prévoit l'envoi d'une impulsion 0V au relais minuteur PRC6796.
Il faut donc l'ouvrir et le modifier comme montré ci-dessous , en coupant une petite piste en laiton afin d'isoler les pistes 3 et 4 , normalement reliées.
C'est super simple, voir photos :
ATTENTION: Ce schéma de cablage ne fonctionne qu'avec le relais GLR10 et la modification des pistes de l'interrupteur !!!
Si vous utilisez le relais temporisé PRC6796 d'origine, il faut cabler en 1 de l'interrupteur l'entrée dans le PRC6796( et pas le +12V) et ne PAS couper la piste
Après cela, une fois les fils reliés à l'interrupteur de manière correcte, il enverra une impulsion positive au GLR10, qui activera le relais de puissance PRC7303 qui active le PB.
C'est une cascade de relais (2).
Un fois le temps écoulé (d'origine 10 min environ) le timer GLR10 cesse d'activer le relais de puissance PRC7303 et donc le courant ne passe plus dans le PB.
Pour la petite histoire, 10 minutes d'activité pour le PB me semblant un peu trop (par rapport au relais temporisé d'origine PRC6796 , qui est donné pour environ 7 min), je l'ai ouvert et bidouillé un peu.
Je m'explique :
Sans rentrer trop dans les détails, le GLR10 fait appel à un petit circuit intégré (U6046) qui compte le temps passé.
Au bout du fameux délai de 10 minutes , il désactive la bobine du relais et ainsi arrête le PB (via le relais de puissance).
L'unité de temps (base de temps) du comptage est donné par une cellule RC (résistance-condensateur).
Si on augmente l'unité de temps le délai s'allonge, si on la diminue, le délai fait de même.
C'est simple quoiqu'un un peu imprécis (on s'en fiche) .
De même la température ambiante influe aussi sur ce couple de composants et donc le délai d'action est assez variable.
(Si on voulait plus de précision , il faudrait réaliser un oscillateur avec un quartz, pas très compliqué mais sans intérêt ici)
Pour en revenir à nos moutons, il suffit donc de modifier les valeurs de la résistance, du condensateur ou des deux pour modifier la durée d'action du relais.
La datasheet du circuit intégré U6046 (http://www.datasheetcatalog.org/datashe ... yzurts.pdf)
donne de nombreuses possibilité de délais d'action en fonction de différentes valeurs de R et de C.
On peut ainsi passer d'une durée de quelques secondes à environ 20 heures.
J'ai changé seulement la résistance pour avoir un délai d'action de 7 minutes environ.
BON C'EST TERMINE POUR LES PRE-REQUIS (ouf!)
Ensuite…..
1-Mise en place du pare brise chauffant:Merci Car---ss !
2-Dépose du couvercle et support de fusibles et relais en avant du levier de vitesse
3-Mise en place des fils d'alimentation du pare brise
C'est là ou on s'amuse un peu à démonter le tableau de bord (ça n'est pas si compliqué), pour passer le gros fil de 6mm2 et l'amener à l'emplacement du relais de puissance (boite à fusible en avant du levier de vitesse).
Je n'ai malheureusement pas de photos de cette étape car le week-end ou j'ai installé tout ça , j'étais à la bourre pour terminer pour Lundi et il neigeait un peu, donc ça n'était pas au top de mes préoccupations…
D'autant que j'en ai profité pour changer le mécanisme des essuies-glace (le câble d'entraînement et le 2 moyeux d'essuie-glace –avec leur roue dentée-) = grosse galère !
Donc je vais essayer d'être explicite par le texte.
Le démontage du tableau de bord n'est pas trop compliqué:
-3 grosse vis cruciformes vers le pare brise, SUR le rembourrage supérieur,
-4 vis cruciformes qui tiennent les 2 ouïes d'aération allongées, sur le dessus. Sortir les ouïes
-2 vis cruciformes SOUS le rembourrage supérieur, en haut, en façade, visibles par le dessous
-2 vis cruciformes (dont une sous le logo LR, portière ouverte) qui tiennent la poignée de maintien au tableau de bord, côté passager: enlever la poignée
-2 vis cruciformes côté gauche (portière ouverte)
-retirer le rembourrage supérieur
-3 vis cruciformes en haut du tableau de bord (vissées dans des clips)
-4 vis cruciformes avec rondelles en bas du tableau de bord, en façade
-3 vis cruciformes en haut de la console centrale
-2 longues vis cruciformes en bas de la console centrale
Pour le bloc compteur:
-il faut enlever le cache colonne de direction (7 vis)
-et retirer 4 vis (2 sur les côtés en haut, 2 par le dessous, en bas du bloc compteur)
-il suffit de décaler le bloc compteur pour y voir clair (les fils sont assez longs)
Ensuite on passe le câble 6mm2.
Voilà comment j'ai fait:
-départ sur un espace libre (fusible vert 30A) de la boîte à fusible sous le siège passager.
La connexion se fait par dessous avec une cosse plate insérée dans un espace vacant (il faut déposer la boite : deux boulons 8mm),.
-je passe une gaine (contenant le fil 6mm2) à travers le bouchon en caoutchouc noir à l'arrière du compartiment pour sortir à l'extérieur de ce compartiment,
Le bouchon noir est plein d'origine. Il faut utiliser un emporte pièce pour le percer de manière correcte à un diamètre inférieur à celui de la gaine: c'est important pour l'étanchéité de ce compartiment qui contient l'ECU.On peut utiliser un presse étoupe, ce qui serait mieux.
-je fais passer l'ensemble dessous, vers le châssis,
-je ressort en avant du tablier, dans le compartiment moteur.
-Là je re-rentre dans l'habitacle (sans la gaine) via les passages de câbles en caoutchouc noirs et j'arrive grosso-modo derrière l'autoradio.
-Enfin je fais passer le câble verticalement, de haut en bas, vers la boîte à fusible ( levier de vitesse) ou sera installé le relais de puissance.
Il faut ensuite acheminer l'alimentation vers le pare brise:
-Je repars avec un autre câble de 6mm2 de la boite à fusible (levier vitesse) ,vers le haut
-je remonte derrière l'autoradio et je bifurque à gauche, passe derrière le compteur, vers la connexion de gauche du pare brise : cosse et gaine thermo-rétractable.finissent le travail
L'autre connexion (droite) du pare-brise est reliée à la masse, via un fil(6mm2) avec cosse à œil + gaine thermo sur une des vis de fixation du moteur d'essuie-glace (donc à droite)
4-Alimentation de l'interrupteur (modifié!) de PB chauffant au tableau de bord:
-cosse n°1: Il faut trouver un +12V après contact (couleur blanche,section 4 mm2) au bornier des fusibles (vers le changement de vitesse), le plus à droite,en haut(voir photo).
Il y a (en tous cas chez moi) un espace disponible .Il suffit de rajouter la petite cosse métallique dans laquelle le fusible vient s'insérer et d'y coupler le fil qui va à la cosse 1 de l'interrupteur.
Un fusible de 5A et le tour est joué .
On fait passer le fil en arrière pour qu'il remonte vers l'autoradio (comme l'alimentation du pare brise)
Pendant qu'on y est , on tire 1 fil supplémentaire (+12V, idem) pour alimenter le relais temporisé (GLR10) qu'on laisse vers la boite à fusible.
-cosse n°2 : Repiquage sur l'interrupteur de dégivrage arrière du +12v (cosse 2)de l'éclairage des boutons et autres inters du tableau de bord.
-cosse n°3: Masse , j'ai repiqué sur le dégivrage arrière (cosse 3),
-cosse n°4: Sortie de l'impulsion de commande, qui doit descendre au relais temporisé GLR10, connexion 1, en passant par derrière l'autoradio, comme le reste
-cosse n°5: Retour (positif) pour la led témoin d'activité du PB chauffant.
ATTENTION: Ce schéma de cablage ne fonctionne qu'avec le relais GLR10 et la modification des pistes de l'interrupteur !!!
Si vous utilisez le relais temporisé PRC6796 d'origine, il faut cabler en 1 de l'interrupteur l'entrée dans le PRC6796( et pas le +12V) et ne PAS couper la piste
Passage identique en arrière, entre boite à fusibles (relais) et autoradio
ATTENTION: Ce schéma de cablage ne fonctionne qu'avec le relais GLR10 et la modification des pistes de l'interrupteur !!!
Si vous utilisez le relais temporisé PRC6796 d'origine, il faut cabler en 1 de l'interrupteur l'entrée dans le PRC6796( et pas le +12V) et ne PAS couper la piste
4-Connexion des relais
Procéder comme suit:
5-remise en place du tableau de bord
Procéder en sens inverse de la dépose.
A ce stade, il est vivement conseillé de faire quand même un petit essai avant de tout remonter !!!
Voilà ça doit marcher, reste à remettre un peu d'ordre, fixer les relais et replacer le support des fusibles et le couvercle de la boite.
Le résultat est terrible : Couche de glace ramollie, fondue en 30-40 secondes.
Ensuite un coup d'essuie-glace et hop, plus rien.
C'est un accessoire spécial feignasse dont je ne pourrais plus me passer….
Pendant que j'y étais, je me suis aperçu que les assises de mes sièges avant avaient un connecteur électrique desssous. Les sièges sur cette finition doivent être par défaut montés comme ça , en version chauffante.
J'ai donc tiré un faisceau d'alimentation pour qu'ils fonctionnent.
Sommairement:
-on récupère du +12V après contact sur un espace libre de la boite à fusible (vers levier vitesse)
Cet espace libre est à côté des fusibles de vitres électriques (20A) et est alimenté par le relais 0218 (le plus à gauche, jaune)
Il suffit là aussi de mettre une petite connexion porte fusible, et de la joindre à 2 fils(2.5mm2) qui montent aux interrupteurs de sièges chauffants .
Bien sûr il faut installer un fusible (20A)
Il n'y PAS de relais, les inters passent directement la puissance (environ 10A chacun).
Pour le retour du courant (2 fils, un par siège) :
-j'ai profité de la gaine dans laquelle passait l'alim de mon PB chauffant (voir plus haut)
-cela permet un passage discret des deux fils pour aller des inters de sièges chauffants au logement situé sous le siège passager (vers la boite à fusibles)
-De là j'alimente le siège passager avec le premier fil, en prenant une masse avec une cosse à œil sur n'importe quel écrou
-De là aussi, je fais passer le deuxième fil de retour par une gaine déjà présente qui unit le logement sous le siège passager au logement sous le siège conducteur.
-Sous le siège conducteur, je me connecte à l'assise chauffante en ajoutant une masse (cosse à œil sur le moins de la batterie)
Il faut en plus prévoir, lorsque le tableau de bord est encore démonté :
-De repiquer le +12v de l'illumination des boutons pour l'éclairage des inters de sièges chauffant la nuit (un pour chaque inter),
-d'amener une masse (j'ai repiqué sur les autres inters) à nos 2 inters .
connexions d'un inter de siège chauffant:
Pin 1 – Entrée +12 V tirée précédemment de la boîte à fusible
Pin 2 - +12 V illumination tableau de bord
Pin 3 - Masse
Pin 4 – Sortie +12V vers sièges chauffants
Pin 5 – Masse
Un fois activé, ça chauffe beaucoup, trop au bout d'un moment.
L'activation des sièges chauffants n'est pas temporisée, il faut penser à les arrêter.
Ceci dit, on s'en rend vite compte...
Modifié en dernier par kilooli le 23/12/2014 13:43, modifié 13 fois.
J'aime m'obstiner à bidouiller ce Def qui pourtant fonctionne parfaitement bien.
- nanard833
- Habitué
- Messages : 3989
- Enregistré le : 10/10/2009 20:18
- Localisation : disco 300TDI 431000 bornes
Re: Installation pare-brise chauffant
Salut,
merci pour cette explication intéressante et détaillée. tu as mis quelle valeur pour la nouvelle résistance du timer pour le faire passer de 10 à 7 minutes? A+
merci pour cette explication intéressante et détaillée. tu as mis quelle valeur pour la nouvelle résistance du timer pour le faire passer de 10 à 7 minutes? A+
Gratter la botte ne soulage guère quand ça démange à l'intérieur (proverbe chinois)
Re: Installation pare-brise chauffant
Merci.
De mémoire j'ai mis 90Ko
En fait je n'en avais pas de cette valeur , alors j'ai mis en parallèle 2 résistances :celle d'origine de 130Ko et une de 300Ko.
La résultante est donnée par la formule suivante
R=R1*R2/R1+R2
Il aurait probablement mieux valut changer le condensateur (pour préserver une grosse différence de valeur entre la résistance à changer et l'autre qui est dans le circuit-je crois que l'une sert à charger le condensateur et
l'autre à le décharger lentement)Pas trop compris là....
De mémoire j'ai mis 90Ko
En fait je n'en avais pas de cette valeur , alors j'ai mis en parallèle 2 résistances :celle d'origine de 130Ko et une de 300Ko.
La résultante est donnée par la formule suivante
R=R1*R2/R1+R2
Il aurait probablement mieux valut changer le condensateur (pour préserver une grosse différence de valeur entre la résistance à changer et l'autre qui est dans le circuit-je crois que l'une sert à charger le condensateur et
l'autre à le décharger lentement)Pas trop compris là....
Modifié en dernier par kilooli le 10/02/2012 14:33, modifié 2 fois.
J'aime m'obstiner à bidouiller ce Def qui pourtant fonctionne parfaitement bien.
- archibal3
- Habitué
- Messages : 109
- Enregistré le : 12/04/2007 12:54
- Localisation : 67 proche strasbourg
Installation pare-brise chauffant
Je fonce regarder si j'ai une cosse sous mes assise .
Bravo pour cette explication détaillé
Bravo pour cette explication détaillé
tactile inside
- Def e-Duck
- Habitué
- Messages : 2098
- Enregistré le : 24/03/2008 19:22
- Localisation : boulogne dieppe
Re: Installation pare-brise chauffant
J'ai le pare-brise dégivrant en option d'origine. Je m'étais demandé le coût de remplacement. Tu dis 'ouf c'est cher...' Une notion de prix ? Merci à toi.kilooli a écrit :J'ai fait installer le mien par c--glass (ouf c'est cher, mais pris par l'assurance, heureusement).
'Dire des idioties, de nos jours où tout le monde réfléchit profondément, c'est le seul moyen de prouver qu'on a une pensée libre et indépendante.' (Boris Vian)
Re: Installation pare-brise chauffant
Car---ss a facturé 695€ (pose à domicile comprise)
J'aime m'obstiner à bidouiller ce Def qui pourtant fonctionne parfaitement bien.
- LØLØ
- Modérateur
- Messages : 6210
- Enregistré le : 30/07/2006 15:41
- Localisation : guainville (28 )
- Contact :
Re: Installation pare-brise chauffant
Salut,kilooli a écrit :Merci.
De mémoire j'ai mis 90Ko
En fait je n'en avais pas de cette valeur , alors j'ai mis en parrallèle 2 résistances :celle d'origine de 130Ko et une de 300Ko.
La résultante est donnée par la formule suivante
R=R1*R2/R1+R2
Il aurait probablement mieux valut changer le condensateur (pour préserver une grosse différence de valeur entre la résistance à changer et l'autre qui est dans le circuit-je crois que l'une sert à charger le condensateur et
l'autre à le décharger lentement)Pas trop compris là....
Merci à toi et bravo.
C'est un très beau thème que tu nous offre là, très complet et bien illustré avec de jolies photos.
Cela fait vraiment plaisir à lire, cela va peut-être me motiver à câbler le mien. Même marque que le tien un Pilkington a deux connexions contrairement au tout premier qui était 3 connexions, la masse était centrale. Même tarif, même condition, mais pas le même monteur, le mien c'est français du pare brise, landeux de surcroit
Je trouve l'idée du relais de temporisation séparée bonne car effectivement peu coûteuse. Je pense que la résistance équivalente de 90k est le bon choix de changement, il n'y a de conséquence sur le courant ni sur la stabilité du monostable pour cet ordre de grandeur. C'est critique sur le courant; la chauffe; donc la stabilité de la durée lorsque tu passes en dessous des 5k et là tu en es loin. On peut dire qu'entre 130k et 90k il n'y a pas une grosse différence d'ordre de grandeur. Mais également, il est plus simple et moins risqué de souder une petite résistance en parallèle sur une autre, que de dessouder le condensateur au risque de d'abimer une piste d'une part, et de tomber sur un condensateur dont les tolérances sont souvent +/- 20% avec la tolérance qui bien sur, ne t'avantage pas.
Ce que j'ai pu voir aussi sur les premiers pare brise chauffant, c'est qu'ils devenaient laiteux.un relais temporisé (PRC6796) sorte de minuterie d'environ 6-7 min pour éviter que le PB chauffe trop longtemps (risque de dégradation des micro-filaments chauffants)
Land rover aime bien activer avec des niveaux bas: Le voyant de préchauffage sur les 200 et 300; le voyant des courtes; les plafonniers via l'ECU l'extinction lente se faisant en remontant progressivement un +12V...En outre il fonctionne avec une impulsion négative (on lui envoie la masse pour le déclencher), ce qui n'est pas courant (sans mauvais jeu de mot):On envoie fréquemment du +12v pour activer ce genre d'équipement.
Ça c'est une bonne idée à développer: Comment ne pas activer le premier relais à l’arrêt. A une époque j'avais monté un relais pour coupler une 2ème batterie via le voyant de charge coté alternateur, qui délivre un +12V seulement quand le moteur tourne. La sonde de pression d'huile elle,te connecte une masse moteur arrêté.Ce relais comporte aussi une sécurité qui fait qu'il ne peut être actif que si le moteur tourne (via le manomètre de pression d'huile), afin de protéger la batterie de la décharge.
Une question, est ce que ton relais temporisé est redéclenchable ou non? C'est à dire que si j’appuie sur le bouton au bout de 6mn, il repart pour 7mn ce qui nous fait un total de 13mn non stop, ou alors, faut-il attendre la fin du du premier cycle pour pouvoir repartir pour un 2ème cycle de 7mn?
Merci pour tes réponses
A+
2 solutions: la bonne et l'Anglaise
LUCAS: Il n'y a pas de contact où il le faut et il y en a un où il ne faut pas
On ne peut aller loin en amitié, si on n'est pas disposé à se pardonner les uns aux autres les petits défauts.
www.eternal-vehicles.fr
LUCAS: Il n'y a pas de contact où il le faut et il y en a un où il ne faut pas
On ne peut aller loin en amitié, si on n'est pas disposé à se pardonner les uns aux autres les petits défauts.
www.eternal-vehicles.fr
Re: Installation pare-brise chauffant
Bonjour,
merci pour tes remarques.
Pour répondre à ta question, il me semble que lorsqu'on arrête le pare brise chauffant en ré-appuyant sur l'inter
et qu'on le relance tout de suite il en reprend pour 7 minutes.
Je vérifierai tout à l'heure.
Il faudrait, pour qu'il en soit autrement, définir une 'période d'inactivité' nominale, au terme de laquelle on repart à zéro,
mémoriser le temps écoulé et faire en fonction de remettre le laps de temps restant ou à nouveau 7 min.
C'est un peu plus compliqué quoique faisable (je pense avec un bon microcontrôleur notamment)
Je ne sais pas ce que fait le PRC6797 dans ce domaine....
merci pour tes remarques.
Pour répondre à ta question, il me semble que lorsqu'on arrête le pare brise chauffant en ré-appuyant sur l'inter
et qu'on le relance tout de suite il en reprend pour 7 minutes.
Je vérifierai tout à l'heure.
Il faudrait, pour qu'il en soit autrement, définir une 'période d'inactivité' nominale, au terme de laquelle on repart à zéro,
mémoriser le temps écoulé et faire en fonction de remettre le laps de temps restant ou à nouveau 7 min.
C'est un peu plus compliqué quoique faisable (je pense avec un bon microcontrôleur notamment)
Je ne sais pas ce que fait le PRC6797 dans ce domaine....
J'aime m'obstiner à bidouiller ce Def qui pourtant fonctionne parfaitement bien.
Re: Installation pare-brise chauffant
Bonjour,
Je me permets d'intervenir pour savoir si ce montage doit être reproduit sur un td4 de 2007 ?
Est-ce qu'il existe une faisceau d'origine sur lequel se brancher ?
Merci pour ce thème et vos réponses.
Alexandre
Je me permets d'intervenir pour savoir si ce montage doit être reproduit sur un td4 de 2007 ?
Est-ce qu'il existe une faisceau d'origine sur lequel se brancher ?
Merci pour ce thème et vos réponses.
Alexandre
Re: Installation pare-brise chauffant
je découvre ce thème, très intéressant, merci !!
This manual should be used to find out where the water is leaking from. Due to the nature of the design and construction of the Defender this can prove to fairly difficult. The fact that water moves in seemingly random directions also adds to the problem
Re: Installation pare-brise chauffant
zut, quand j'ai vu que c'était toi qui répondait, je me suis dit que j'allais obtenir une réponse... j'attendrai la suivante 
-
bury the hatchet
- Habitué
- Messages : 71
- Enregistré le : 25/07/2012 14:24
- Localisation : Daillens Vaud CH/ Guilliers Morbihan BZH
Re: Installation pare-brise chauffant
hello!
chouette thème!
bien expliqué et détaillé, j'ai bien envie de m'y mettre.
j'ai pas les assises chauffantes
chouette thème!
bien expliqué et détaillé, j'ai bien envie de m'y mettre.
j'ai pas les assises chauffantes
Land Rover don't leaks oil, they're just marking their territories.
- LØLØ
- Modérateur
- Messages : 6210
- Enregistré le : 30/07/2006 15:41
- Localisation : guainville (28 )
- Contact :
Re: Installation pare-brise chauffant
Salut,xallem a écrit : Je me permets d'intervenir pour savoir si ce montage doit être reproduit sur un td4 de 2007 ?
Est-ce qu'il existe une faisceau d'origine sur lequel se brancher ?
Permission accordé, mais tu n'as pas besoin de te permettre, tu interviens, c'est tout
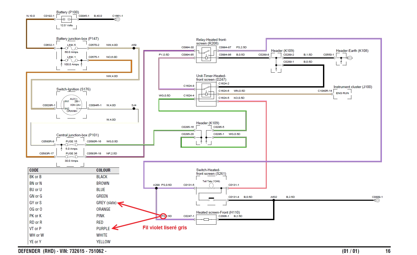
Déjà, vois le schéma du TD4 et familiarise toi avec les couleurs des fils servant pour la fonction, car je ne saurais dire si tout ou parti est pré-câblé ou non. Pour les couleurs des fils, tu as soit une lettre le fil est de couleur uni, ou soit deux lettres, la première c'est la couleur principale la seconde représente la couleur du liseré: Le bouton S261, c'est assez simple de repérer son connecteur derrière la console centrale il y a 3 fils sur cinq possible . Un violet/gris; un rose/orange du plus bel effet; et un tout noir. Il est positionné sur la console a coté du bouton du dégivrage arrière: Il faut voir si le support de relais R208 existe sous le siège passager. Enfin idem pour le support de relais de temporisation D247, placé juste à coté du relais de puissance R208. Le connecteur du 12V sur le pare-brise lui même arrive en bas à gauche dans l'angle du pare-brise. Mais il y a de forte chance que si il est pré-câblé, que le fil soit lové quelque part en dessous la colonne de direction, il est probable également qu'il soit gainé de noir, et pas forcement reconnaissable du premier coup d’œil. La masse doit arrivée dans l'angle en bas à droite du pare-brise, donc en toute logique il faut chercher derrière l'habillage de ce cotè là. Attention c'est un gros fil de 2.5mm², idem pour le fil violet liseré gris.
Bonne recherche.
A+
2 solutions: la bonne et l'Anglaise
LUCAS: Il n'y a pas de contact où il le faut et il y en a un où il ne faut pas
On ne peut aller loin en amitié, si on n'est pas disposé à se pardonner les uns aux autres les petits défauts.
www.eternal-vehicles.fr
LUCAS: Il n'y a pas de contact où il le faut et il y en a un où il ne faut pas
On ne peut aller loin en amitié, si on n'est pas disposé à se pardonner les uns aux autres les petits défauts.
www.eternal-vehicles.fr
Re: Installation pare-brise chauffant
wahou... super !
Merci pour cette réponse.
Dès que j'en ai la possibilité je regarde de plus près mon engin.
Merci beaucoup.
Alexandre
Merci pour cette réponse.
Dès que j'en ai la possibilité je regarde de plus près mon engin.
Merci beaucoup.
Alexandre
Re: Installation pare-brise chauffant
en cherchant le bouton de mise en marche du pare-brise chauffant, je suis tombé sur ça : http://www.mobilecentre.co.uk/index.php ... cts_id=672
Il semblerait que les anglais aient pensé à tout !
Incroityabe !
Alexandre
Il semblerait que les anglais aient pensé à tout !
Incroityabe !
Alexandre