contacteur feux de recul

Bidouillages électriques, codes d'erreur ECU...

Modérateurs : LØLØ, The Pater

Règles du forum
En naviguant sur le site http://www.landroverfaq.com vous reconnaissez avoir lu ses Conditions d’Utilisation, vous déclarez les comprendre et vous acceptez d’y être lié de manière inconditionnelle. Si tel n'est pas le cas, merci de quitter immédiatement ce site.

Vous pouvez joindre autant d'images que nécessaire à vos messages A LA CONDITION EXPRESSE d'utiliser l'hébergement fourni par le site.

L'administrateur effacera systématiquement tout message contenant des photos hébergées chez Imageschack, Casimage, Wistiti ou tout autre hébergeur tiers sans sommation ni justification.
Avatar du membre
LØLØ
Modérateur
Messages : 6209
Enregistré le : 30/07/2006 15:41
Localisation : guainville (28 )
Contact :

Re: contacteur feux de recul

Message non lu par LØLØ »

Arnø a écrit : Ca ne risque pas de poser problème ? Je pense en particulier à l'aimant du bouchon de vidange prévu pour la limaille car là, le bout d'epoxy va se balader tranquillement sans qu'on puisse le virer sauf en vidangeant.
Je m'en remets à ton avis !
Salut,
Non cela reste du plastique.
Mais si tu as un as une perceuse miniature, tu peux faire trou à l’extimité de la tétouille, tarauder, et lui mettre une petite vis monté au frein filet dés que le bon réglage est obtenu.
A+
2 solutions: la bonne et l'Anglaise
LUCAS: Il n'y a pas de contact où il le faut et il y en a un où il ne faut pas
On ne peut aller loin en amitié, si on n'est pas disposé à se pardonner les uns aux autres les petits défauts.
www.eternal-vehicles.fr
pich
Habitué
Messages : 381
Enregistré le : 16/12/2015 14:47
Localisation : oise

Re: contacteur feux de recul

Message non lu par pich »

Bonjour a tous,
Je vient d'acheter un DEF 90 de 1988
Le feux de recul ne fonctionne pas, j'ai changé l'ampoule mais ca ne fonctionne pas.
Est ce que quelqu'un peut me dire ou se trouve le contacteur de marche arrière?
et comment trouvé la panne ?
merci d'avance
Avatar du membre
LØLØ
Modérateur
Messages : 6209
Enregistré le : 30/07/2006 15:41
Localisation : guainville (28 )
Contact :

Re: contacteur feux de recul

Message non lu par LØLØ »

Salut,
Je vient d'acheter un DEF 90 de 1988
Effectivement sur les land avant le 300tdi, du 2¼ (83) au 200tdi (94) la position du capteur, et les connecteurs sont légèrement différents, les couleurs des fils; lieu de passage, et le principe restent les mêmes.
Le capteur de feu de recul sur les LT77 est sur le dessus derrière.
capteur feu de recul.jpg
Tu y accèdes en démontant la trappe entre les sièges avant, sous le siège du milieu ou sous le cubibox.
capteur MA.jpg
Le principe est relativement simple, le +12V après contact arrive d'un coté du capteur, et de l'autre, cela part au feu de recul.
Visuellement d'abord, les cosses sont elles bien en place ?
Le test est simple, tu fais toucher les deux cosses du capteur ensemble, tu mets le contact, et tu contrôles que le feu s'allume.

Si il s'allume:
Le capteur est HS ou bien à régler.
Pour contrôler le capteur, tu le démontes, tu mets les fils et tu appuis dessus avec le doigt, si il n'y a pas d'allumage, il est HS.
Si il y a allumage, mets le contact, passe la marche arrière et remonte le en le serrant le minimum nécessaire pour qu'il y ait allumage, puis sert le contre écrou.
Attention,: si tu sers de trop le capteur, la marche arrière peut ne plus s'enclencher ou sauter, la course du bouton est relativement courte:
contacteur M_A interieur.jpg
Si il ne s'allume pas:
Contact mis, contrôle la présence du +12V, sur l'un des deux fils du capteur (le tout vert).
Si pas OK vois le fusible et suis le fil le long de la boite et dessous, il est possible qu'il soit coupé par frottement sous la cloche de boite.
faisceau boite abimé.jpg
Si OK, il faut partir de l'autre coté (fil vert liseré marron) et contrôler l'oxydation sur le connecteur de tablier dans le compartiment moteur, qui part dans le longeron droit.
IMG_3113.jpg
Détail du connecteur de tablier pour le faisceau arrière qui part dans le longeron droit, pour un faisceau de D; ESS; TD; V8 ancien et même 200tdi :
connecteur tablier feu de recul.jpg
Ne pas confondre avec le fil vert clair (LG) liseré marron (N) = LGN; avec le fil vert (G) liseré marron (N) = GN, connecteur sous la planche de bord.
fil vert liseré marron.jpg
Si OK, il faut regarder dans la benne, à l'arrière droit, il y a un petit compartiment, dans lequel il y a les cosses de raccordements électrique des feux arrière.
cache AR droit & vis.jpg
Attention : Il y a aussi un fil vert liseré rouge, qu'il ne faut pas confondre avec le fil vert liseré marron. Le rouge a tendance à devenir marron avec l'age; l'huile et la poussière.
faisceau arrière recule fil vert liseré rouge.jpg
Il y a des connecteurs de liaison simple à deux fils, à quadruple fils et sextuple fils, isolés par un manchon plastique.
application2.JPG
Là, il faut repérer les cosses du feu de recul et voir leur état d'oxydation et de serrage, en les débranchant et rebranchant, oui, je dis les, car il y a non seulement le fil vert liseré marron, mais également sa masse à contrôler.
feu de recul connectique.jpg
Un exemple d'oxydation, provoquant un problème de continuité, les cosses se désagrégeaient.
oxydation cosses.jpg
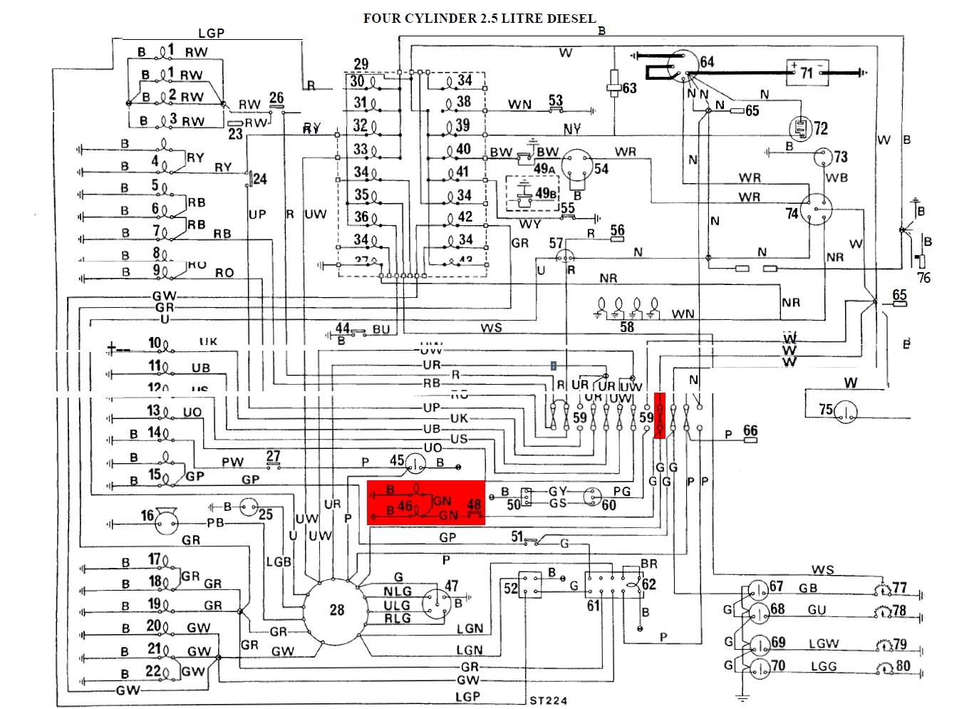
Tu ne nous as pas donné la motorisation de ton land, mais à priori, c'est le même schéma pour un D;TD; ESS et V8.
schéma feu de recul lt77 1sur2.jpg
Légendes associées:
schéma feu de recul lt77 2sur2.jpg
Tu peux tester la partie feu en elle même, tu as un fil violet un peu plus gros que les autres dans le caisson, c'est un +12v permanent protégé par un fusible de 20A, tu ramènes directement du +12V sur le petit connecteur du fil vert liseré marron coté, qui part vers le feu, en débranchant le coté qui part vers le capteur, et vois si le feu s'allume, si OK, ce n'est pas lui le fautif ni l'ampoule.
fil violet.jpg
Fait attention avec la petite olive du fil violet, de ne pas toucher la carrosserie quand tu la manipules en la branchant et la débranchant de la cosse du fil vert liseré marron.
Je te souhaite que le problème ne soit pas dans la partie du faisceau à l’intérieur du longeron droit, regarde son état entre l'endroit où il sort du longeron, et l'endroit où il rentre dans la benne.
Bonnes investigations!
A+
2 solutions: la bonne et l'Anglaise
LUCAS: Il n'y a pas de contact où il le faut et il y en a un où il ne faut pas
On ne peut aller loin en amitié, si on n'est pas disposé à se pardonner les uns aux autres les petits défauts.
www.eternal-vehicles.fr
pich
Habitué
Messages : 381
Enregistré le : 16/12/2015 14:47
Localisation : oise

Re: contacteur feux de recul

Message non lu par pich »

Salut
merci déjà pour tous ces renseignements.
Hier j'ai démonter et rebrancher bien les fils et cela ne fonctionne toujours pas.
je vais regarder demain, si les fils qui vont dans le capot sont pas coupés en passant sous le def.
je te dit quoi
merci
pich
Habitué
Messages : 381
Enregistré le : 16/12/2015 14:47
Localisation : oise

Re: contacteur feux de recul

Message non lu par pich »

Salut a tous,
aujourd'hui j'ai changer le contacteur de feux de recul et toujours rien.
j'ai remonter les fils jusqu’à dans le compartiment moteur et la j'ai retrouvé le fil vert débranché!!
Il doit être brancher ou?
car le fil vert liseré marron est bien branché lui.
ci joint des photos
merci d'avance
Fichiers joints
20160504_200600.jpg
20160504_200548.jpg
Avatar du membre
LØLØ
Modérateur
Messages : 6209
Enregistré le : 30/07/2006 15:41
Localisation : guainville (28 )
Contact :

Re: contacteur feux de recul

Message non lu par LØLØ »

Salut,
Il se branche sur un +12V aprés contact, très probablement sur le fil vert du gros connecteur noir juste derrière que tu peux voir sur ta photo. il suffit juste de l'enficher dedans.
Branchement Feu de recule TD.jpg
A+
2 solutions: la bonne et l'Anglaise
LUCAS: Il n'y a pas de contact où il le faut et il y en a un où il ne faut pas
On ne peut aller loin en amitié, si on n'est pas disposé à se pardonner les uns aux autres les petits défauts.
www.eternal-vehicles.fr
pich
Habitué
Messages : 381
Enregistré le : 16/12/2015 14:47
Localisation : oise

Re: contacteur feux de recul

Message non lu par pich »

Salut lolo,
demain je vais essayer, et je te tien au courant.
merci
pich
Habitué
Messages : 381
Enregistré le : 16/12/2015 14:47
Localisation : oise

Re: contacteur feux de recul

Message non lu par pich »

Salut lolo,
J'ai branché le fil vert sur le fil vert du gros connecteur noir juste derrière, et cela ne fonctionne toujours pas?
merci
Avatar du membre
LØLØ
Modérateur
Messages : 6209
Enregistré le : 30/07/2006 15:41
Localisation : guainville (28 )
Contact :

Re: contacteur feux de recul

Message non lu par LØLØ »

Salut,
Est ce que, en ramenant directement un 12 V sur le fil qui va au feu de recul celui ci s'allume ?
Est ce que lorsque tu mets le contact, il y a un 12v sur le fil vert du connecteur ?
pich a écrit :je vais regarder demain si les fil qui vont dans le capot sont pas coupés en passant sous le def.
je te dit quoi
https://www.youtube.com/watch?v=ATiISpbUN1Q :mrgreen: :wink:
Tu es du nord ?

A+
2 solutions: la bonne et l'Anglaise
LUCAS: Il n'y a pas de contact où il le faut et il y en a un où il ne faut pas
On ne peut aller loin en amitié, si on n'est pas disposé à se pardonner les uns aux autres les petits défauts.
www.eternal-vehicles.fr
pich
Habitué
Messages : 381
Enregistré le : 16/12/2015 14:47
Localisation : oise

Re: contacteur feux de recul

Message non lu par pich »

Bonjour lolo,
comment savoir si il y a du 12v sur le connecteur vert?
car je suis nul en électricité?
merci
Avatar du membre
The Pater
Modérateur
Messages : 13978
Enregistré le : 25/08/2004 8:19
Localisation : 06°27'46"E 45°50'29"N

Re: contacteur feux de recul

Message non lu par The Pater »

pich a écrit : car je suis nul en électricité?
Les bases, le B.A.BA, s'apprend facilement.

Si cela te semble immatériel, raisonne comme si l'électricité était de l'eau.

Ampères = débit d'eau

Volts = pression de l'eau

Résistance = rétrécissement.

Alternateur = pompe à eau

etc......

Et puis, au final achète un multimètre pour vérifier que tu as bien une pression d'eau au niveau de ton fil vert. Si tu n'as pas de pression, alors soit il y a un tuyau de cassé, soit une vanne fermée, soit il n'y a plus d'eau dans le château d'eau.... :wink:

A+
Ingénieur :
Personne faisant un travail divinatoire de précision basé sur des informations peu fiables données par des personnes peu qualifiées, voire ignorantes.
=>, magicien, devin, sorcier
pich
Habitué
Messages : 381
Enregistré le : 16/12/2015 14:47
Localisation : oise

Re: contacteur feux de recul

Message non lu par pich »

Bonjour a tous,
Hier je me suis remis sur les recherches et j'ai regarder al'arrière dans la benne et aucuns fils de couper.
Quand je branche le fil violet sur le fil vert liseré marron cela fonctionne bien.
Je cherche toujours ou branché le fil vert qui se trouve devant dans le compartiment moteur?
Il faut que je trouve un +12 V après contact mais je ne sais pas ou trouvé ça?
Est ce que quelqu’un peu m 'aider?
merci d'avance
Avatar du membre
LØLØ
Modérateur
Messages : 6209
Enregistré le : 30/07/2006 15:41
Localisation : guainville (28 )
Contact :

Re: contacteur feux de recul

Message non lu par LØLØ »

pich a écrit :Bonjour a tous,
Hier je me suis remis sur les recherches et j'ai regarder a l'arrière dans la benne et aucuns fils de couper.
Salut tout seul,
Quand je branche le fil violet sur le fil vert liseré marron cela fonctionne bien.
Bon, une bonne chose de faite. Cela veut dire que du boitier arrière jusqu'au feu la liaison est bonne et le feu lui même fonctionne, c'est déjà ça.
Est ce que ton tableau de fusibles correspond a ces pictogrammes ?
tableau 2,25_84.JPG
Je cherche toujours ou branché le fil vert qui se trouve devant dans le compartiment moteur?
Il faut que je trouve un +12 V après contact mais je ne sais pas ou trouvé ça?
Avec une lampe test cherche un +12V après contact sur un emplacement libre des connecteurs de tablier. Les fils tout blancs ou tout verts, sont des +12V après contact. Le fil violet est un +12V permanent protégé par le premier ou le deuxième fusible du tableau.
Je reprends ta photo, où tu vois tes connecteurs, est ce que si tu branches le fil vert liseré marron au niveau des connecteurs du tablier sur le fil violet en faisant un petit pontage avec un fil volant le feu de recul s'allume ? Si oui, on élimine un problème possible dans le faisceau qui passe dans le châssis vers l'arrière.
Branchement Feu de recule TD.jpg
Ensuite, avec le même fil qui t'a servi à faire le pontage, tu fais une liaison entre le fil vert qui part au capteur de marche arrière et le violet, tu passes la marche arrière, est ce que cela fonctionne ?
Si oui, reste à trouver un +12V sur les connecteurs, de tablier, ou trouver pourquoi il n'y a pas un +12V après contact sur les fils vert de ces connecteurs.
Fabrique toi une lampe teste avec une ampoule, un support d'ampoule et deux fils, ou utilise une veilleuse de land, ou trouve quelque chose fonctionnant en 12V avec deux fils genre un petit ventilateur, que tu pourras utiliser pour déterminer la présence d'un 12V ou non en branchant les deux fils, l'un sur une masse de la carrosserie et l'autre sur la partie dont tu veux contrôler la présence du +12V, ou utilise le feu de recule lui même comme lampe témoin, certes cela t'oblige à faire le tour du land à chaque contrôle. :mrgreen:
A+
2 solutions: la bonne et l'Anglaise
LUCAS: Il n'y a pas de contact où il le faut et il y en a un où il ne faut pas
On ne peut aller loin en amitié, si on n'est pas disposé à se pardonner les uns aux autres les petits défauts.
www.eternal-vehicles.fr
pich
Habitué
Messages : 381
Enregistré le : 16/12/2015 14:47
Localisation : oise

Re: contacteur feux de recul

Message non lu par pich »

Salut,
Donc lolo, j'ai fait comme tu me l'a décrit, donc mon tableau de fusibles correspond bien a ton pictogramme.
Après j'ai brancher le fil vert liseré marron sur le violet et feu s'allume bien.
Après j' ai brancher le fil vert et j'ai passé la marche arrière et cela fonctionne.
et après j'ai trouver sur une des branche un petit fil vert j'ai branché le fil vert du contacteur et tout fonctionne nickel.
Un petit soucis, ce soir je vaut montrer a ma femme que tout fonctionne et quand je veut mettre le feu de brouillard arrière sa allume le feu de marche arrière bizarre?
et quand je passe la marche arrière le feu arrière de marche arrière s'allume bien aussi.
je pense qu'il doit avoir un soucis quelque part?
merci d'avance
Avatar du membre
LØLØ
Modérateur
Messages : 6209
Enregistré le : 30/07/2006 15:41
Localisation : guainville (28 )
Contact :

Re: contacteur feux de recul

Message non lu par LØLØ »

Salut,
L'antibrouillard est un fil rouge liseré jaune. Cela voudrait dire qu'il y a une liaison indésirable entre les fils des deux feux. Et c'est peut -être bien à cause de ce défaut que le feu de recul était déconnecté. Cela pourrait être possible dans le boîtier électrique droit au fond de la benne.
Lorsque tu as fait l'essai avec le fil violet, cela allumait -il le feu antique brouillard aussi ? Contrôle ce point car sinon cela voudrait dire que le défaut vient du choix du fil vert. Si cela ce produit aussi avec le fil violet il faudra concentrer les recherches vers le faisceau de châssis et la partie arrière.
A+
2 solutions: la bonne et l'Anglaise
LUCAS: Il n'y a pas de contact où il le faut et il y en a un où il ne faut pas
On ne peut aller loin en amitié, si on n'est pas disposé à se pardonner les uns aux autres les petits défauts.
www.eternal-vehicles.fr
pich
Habitué
Messages : 381
Enregistré le : 16/12/2015 14:47
Localisation : oise

Re: contacteur feux de recul

Message non lu par pich »

re salut lol,
même quand je débranche le fil vert liseré marron et le fil vert dans le compartiment moteur, et que je met l'anti brouillard le feu de recul s'allume.
quand tu parle du faisceau dans la benne je doit regarder cotés conducteur?
merci d'avance
Avatar du membre
LØLØ
Modérateur
Messages : 6209
Enregistré le : 30/07/2006 15:41
Localisation : guainville (28 )
Contact :

Re: contacteur feux de recul

Message non lu par LØLØ »

pich a écrit :re salut lol,
même quand je débranche le fil vert liseré marron et le fil vert dans le compartiment moteur, et que je met l'anti brouillard le feu de recul s'allume.
quand tu parle du faisceau dans la benne je doit regarder cotés conducteur?
merci d'avance
Non, côté passager, tout est centralisé de ce côté là. Car selon le pays les feux de recul et d'anti-brouillard sont inversés, vois si il n'y a pas un mélange de couleurs des faisceaux respectif, ou une erreur de couleur suite au changement d'un des des feux avec la couleur du bout de faisceau qui ne correspondrait plus.
A+
2 solutions: la bonne et l'Anglaise
LUCAS: Il n'y a pas de contact où il le faut et il y en a un où il ne faut pas
On ne peut aller loin en amitié, si on n'est pas disposé à se pardonner les uns aux autres les petits défauts.
www.eternal-vehicles.fr
pich
Habitué
Messages : 381
Enregistré le : 16/12/2015 14:47
Localisation : oise

Re: contacteur feux de recul

Message non lu par pich »

Bonjour a tous,
J'espère que les vacances se sont bien passées ou quels se passe bien?
moi bientôt, et en attendant je bricole et je change des pièces sur mon DEF
Aujourd hui je'ai continuer le changement de mes feux de recul et brouillard arrière, mais voila a l'arrière cotés conducteur pas mal de fils branchés bizarrement.
je voudrais savoir si quelqu'un pourrait me dire quels fils je doit brancher avec quel fils?
voila la photo des fils qui sortent du faisceau
20160816_192246.jpg
et voici les fils qui sortent des mon feu arrière qui est a leds:
20160816_192511.jpg
et voici les fils qui sortent de mon feu de brouillard:
20160816_192540.jpg
et les fils qui vont a mon feu de plaque:
20160816_192525.jpg
et pour finir le fils qui vient de la masse de la carrosserie:
20160816_192548.jpg
merci d'avance
Avatar du membre
LØLØ
Modérateur
Messages : 6209
Enregistré le : 30/07/2006 15:41
Localisation : guainville (28 )
Contact :

Re: contacteur feux de recul

Message non lu par LØLØ »

Salut,
Attention de ne pas confondre le fil vert liseré rouge et le fil vert liseré marron, les couleurs n'étant pas évidentes du tout à différencier sur ta photo, et en vrais aussi le rouge virant au marron avec le temps.
A l'arrière gauche en France, il faut câbler le feu anti-brouillard.
Le feu d'éclairage de plaque et la veilleuse arrière gauche, sont à connecter ensemble dans la double de cosse du fil rouge liseré noir.
couleur fils feux arrière gauche..jpg
Les masses fil noirs, sont toutes à réunir dans une même grosse cosse sextuple.
Le feu de recul n'est pas à câbler, sauf si tu veux en rajouter un second.
A+
2 solutions: la bonne et l'Anglaise
LUCAS: Il n'y a pas de contact où il le faut et il y en a un où il ne faut pas
On ne peut aller loin en amitié, si on n'est pas disposé à se pardonner les uns aux autres les petits défauts.
www.eternal-vehicles.fr
pich
Habitué
Messages : 381
Enregistré le : 16/12/2015 14:47
Localisation : oise

Re: contacteur feux de recul

Message non lu par pich »

Bonjour lolo,
même si l'ancien propio a changer les feux arrière par des feux a leds, les fils a reliés sont les memes?
car il y a 4 fils qui sortent du blocs feux et après a l'arrière de la benne, il y a une barre verte collé au silicone d'ou sorte un fils noir d'un cotés et un fils rouge de l'autres?
a quoi sert cette barre collé?
20160817_110213.jpg
Pour le feu de recul, il est câblé cotés passager arrière et il fonctionne bien.
Pour le feu de brouillard, il y le fil jaune liseré rouge et l'autres fil je le branche sur la masse?

merci d'avance
Répondre

Retourner vers « Electricité • Electronique »