bonjour ; 4H du matin, départ pour une destination lointaine, je roule à 80-90 sur une route pas très large, bordée de platanes lorsque soudain ...nuit noire ! Frayeur +++
En manœuvrant les leviers, je constate qu'il me reste l'appel de phares ; ouf ! quelques km plus loin je trouve un coin où m'arrêter : fusibles OK ; j'inverse les 2 relais jaunes des clignotants et de l'éclairage : miracle, les 2 fonctionnent ; je n'ai rien fait depuis ; je laisse en l'état ? peut-être en nettoyant les cosses des relais ? ou je remplace le relais incriminé par un neuf ?
Nuit noire
Règles du forum
En naviguant sur le site http://www.landroverfaq.com vous reconnaissez avoir lu ses Conditions d’Utilisation, vous déclarez les comprendre et vous acceptez d’y être lié de manière inconditionnelle. Si tel n'est pas le cas, merci de quitter immédiatement ce site.
Vous pouvez joindre autant d'images que nécessaire à vos messages A LA CONDITION EXPRESSE d'utiliser l'hébergement fourni par le site.
L'administrateur effacera systématiquement tout message contenant des photos hébergées chez Imageschack, Casimage, Wistiti ou tout autre hébergeur tiers sans sommation ni justification.
En naviguant sur le site http://www.landroverfaq.com vous reconnaissez avoir lu ses Conditions d’Utilisation, vous déclarez les comprendre et vous acceptez d’y être lié de manière inconditionnelle. Si tel n'est pas le cas, merci de quitter immédiatement ce site.
Vous pouvez joindre autant d'images que nécessaire à vos messages A LA CONDITION EXPRESSE d'utiliser l'hébergement fourni par le site.
L'administrateur effacera systématiquement tout message contenant des photos hébergées chez Imageschack, Casimage, Wistiti ou tout autre hébergeur tiers sans sommation ni justification.
-
RR VM 1992
Re: Nuit noire
J'ai eu le même problème
Regarde là le petit commodo il grille régulièrement surtout avec des ampoules de phare trop puissantes :
https://www.landroverfaq.com/viewtopic.php?f=21&t=2534
Celui de gauche est grillé le droit est neuf :
Regarde là le petit commodo il grille régulièrement surtout avec des ampoules de phare trop puissantes :
https://www.landroverfaq.com/viewtopic.php?f=21&t=2534
Celui de gauche est grillé le droit est neuf :
- LØLØ
- Modérateur
- Messages : 6209
- Enregistré le : 30/07/2006 15:41
- Localisation : guainville (28 )
- Contact :
Re: Nuit noire
Salut,
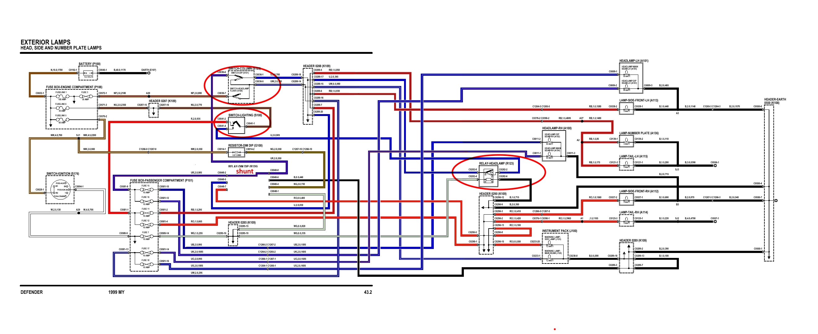
Oui les trois causes les plus fréquentes, pour se genre de mésaventure, sont le petit commodo, le grand commodo; le relais qui permet d'éteindre les les code ou les phares quand on coupe le contact sans toucher au petit commodo. Après, il y a des causes marginales possibles comme le K109, ou le support de fusible dans la boite à fusible sous le siège...
A mon avis, tu n'as pas toucher à la centrale clignotante, mais plutôt au relais de dégivrage ou de starter, Car le relais des clignotants est bleu ou noir et plus difficilement accessible. Oui, si c'est lui, je te conseil de le changer, car il est usé c'est un relais qui se met en route dés que tu met le contact et qui fonctionne tant que le contact est mis, de jour comme de nuit. Tu peux éventuellement le remplacer par celui du dégivrage en attendant dans trouver un neuf, car il est beaucoup moins solicité, et en bien meilleur état. Effectivement, tu peux contrôler le supports du relais lui même, il n'est pas rare qu'il est chauffé et charbonner, surtout si des feux additionnels ont été câblé de façon douteuse.
Vois sur landroverfaq, plusieurs sujets existent sur le thème des feux:
Problème de code/feux de croisement ne fonctionnant plus
Veilleuses-codes-phares HS Def 300tdi/td5
Problème de code/feux de croisement ne fonctionnant plus
A+
Oui les trois causes les plus fréquentes, pour se genre de mésaventure, sont le petit commodo, le grand commodo; le relais qui permet d'éteindre les les code ou les phares quand on coupe le contact sans toucher au petit commodo. Après, il y a des causes marginales possibles comme le K109, ou le support de fusible dans la boite à fusible sous le siège...
A mon avis, tu n'as pas toucher à la centrale clignotante, mais plutôt au relais de dégivrage ou de starter, Car le relais des clignotants est bleu ou noir et plus difficilement accessible. Oui, si c'est lui, je te conseil de le changer, car il est usé c'est un relais qui se met en route dés que tu met le contact et qui fonctionne tant que le contact est mis, de jour comme de nuit. Tu peux éventuellement le remplacer par celui du dégivrage en attendant dans trouver un neuf, car il est beaucoup moins solicité, et en bien meilleur état. Effectivement, tu peux contrôler le supports du relais lui même, il n'est pas rare qu'il est chauffé et charbonner, surtout si des feux additionnels ont été câblé de façon douteuse.
Vois sur landroverfaq, plusieurs sujets existent sur le thème des feux:
Problème de code/feux de croisement ne fonctionnant plus
Veilleuses-codes-phares HS Def 300tdi/td5
Problème de code/feux de croisement ne fonctionnant plus
A+
2 solutions: la bonne et l'Anglaise
LUCAS: Il n'y a pas de contact où il le faut et il y en a un où il ne faut pas
On ne peut aller loin en amitié, si on n'est pas disposé à se pardonner les uns aux autres les petits défauts.
www.eternal-vehicles.fr
LUCAS: Il n'y a pas de contact où il le faut et il y en a un où il ne faut pas
On ne peut aller loin en amitié, si on n'est pas disposé à se pardonner les uns aux autres les petits défauts.
www.eternal-vehicles.fr
Re: Nuit noire
oui Lolo, c'est bien le relais de dégivrage que j'avais mis à la place du relais lumière ;
Remis à leur emplacement d'origine, tout fonctionne ; pas de trace d'oxydation ou de "roussi"
je vais donc considérer qu'il était mal "enquillé" mais je vais en acheter un neuf ;
Est-ce que tout relais de 40A peut faire l'affaire ?
je vais donc considérer qu'il était mal "enquillé" mais je vais en acheter un neuf ;
Est-ce que tout relais de 40A peut faire l'affaire ?
- LØLØ
- Modérateur
- Messages : 6209
- Enregistré le : 30/07/2006 15:41
- Localisation : guainville (28 )
- Contact :
Re: Nuit noire
Oui, du moment que le brochage et la fonction R T correspondent.colombin a écrit : Est-ce que tout relais de 40A peut faire l'affaire ?
A+
2 solutions: la bonne et l'Anglaise
LUCAS: Il n'y a pas de contact où il le faut et il y en a un où il ne faut pas
On ne peut aller loin en amitié, si on n'est pas disposé à se pardonner les uns aux autres les petits défauts.
www.eternal-vehicles.fr
LUCAS: Il n'y a pas de contact où il le faut et il y en a un où il ne faut pas
On ne peut aller loin en amitié, si on n'est pas disposé à se pardonner les uns aux autres les petits défauts.
www.eternal-vehicles.fr