Je reste toujours sur ma faim concernant cette fichue vanne.
En d'autres termes, je reste convaincu qu'on ne fait toujours qu'effleurer le problème...
Quelques pistes pour préciser ma pensée.
Ma première question à consisté à comprendre pourquoi l'architecture de cette vanne est du type à « soupape d'équerre » (le fluide emprunte un coude au quart après avoir franchi la soupape).
En clair, ça :
Car ce type de montage nécessite une rampe hélicoïdale transformant le mouvement tournant du moteur électrique en mouvement linéaire ; sachant que la tige de soupape constitue la partie mobile de cette rampe, elle est soumise à des températures élevées et à des agressions chimiques diverses qui doivent favoriser relativement rapidement, si ce n'est un début de grippage, du moins une augmentation significative des efforts de frottement.
En son temps, Imer avait relevé la résistance du moteur commandant la soupape : 3,5 Ω. En supposant que les choses se dégradent jusqu'à ce que le calculateur alimente le moteur sous une tension quasiment continue de 14 V, la puissance consommée par le moteur atteindrait alors 55 W, soit à peu près celle d'une ampoule H4.
On peut donc aussi se demander comment le vernis des bobinages va encaisser cette charge, surtout dans un espace confiné de surcroit en contact avec les gaz d'échappement.
La première idée qui m'est venue était celle-ci : dans la mesure où l'actionneur primaire délivre un mouvement rotatif, pourquoi ne pas utiliser une vanne de type tournant?
Ça, pour faire court :
Ayant, en son temps, œuvré dans le domaine de l'adduction d'eau, ce qui rend réceptif à la question des pertes de charge, j'ai comparé quelques vieilles docs traînant dans mes placards. Bien que n'ayant rien trouvé de vraiment satisfaisant, la comparaison entre une vanne à obturateur tournant et une vanne à clapet de base permet de comprendre les raisons de ce choix :
On en déduit que le pilotage d'une vanne à boisseau tournant en faible débit — ce qui est le cas d'une vanne RGE en régime intermédiaire du moteur — générerait des exigences de précision hors de portée d'un circuit de contrôle commande simple.
Surtout si l'on imagine que l'encrassement du boisseau fait encore dériver davantage le coefficient de pertes de charge dont la loi de variation est — quand tout va bien — déjà une exponentielle.
D'où le choix d'une vanne à soupape commandée linéairement, dont la réponse en termes de pertes de charge est plus restreinte et plus linéaire.
Autre bizarrerie, le circuit donnant la position de la vanne. D'après le schéma théorique de RR VM 1992, il serait du type « Pistes résistives croisées » :
Il serait donc intéressant d'en sortir la courbe de réponse — pour l'instant, on n'a que ça :
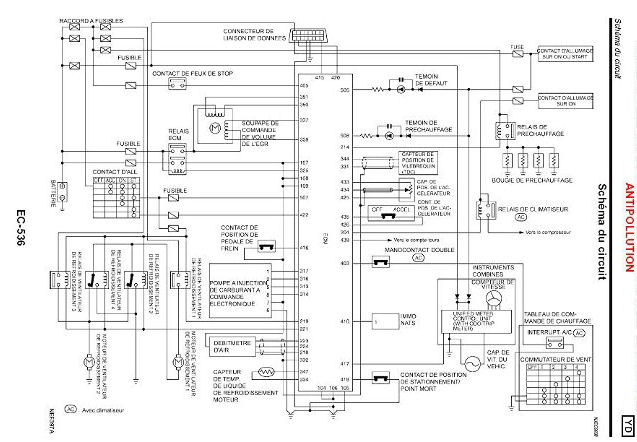
afin de faire le lien de manière certaine avec le câblage :
Je ne suis en effet toujours pas persuadé que le moteur soit commandé en sens direct et inverse de rotation. Dans une de ses photos, Imer montrait l'existence d'un ressort spiral assurant le rappel de la soupape. En théorie, il suffirait donc de moduler la largeur d'impulsion de la tension d'alimentation du moteur afin qu'il contre la tension du ressort jusqu'à ce que la position de consigne soit atteinte.
En d'autres termes, les trois bornes EVA correspondraient, comme pour l'accélérateur, à la tension sur chaque piste + la somme des tensions et les deux autres à la masse et à la tension modulée alimentant le moteur. Sauf si la vanne n'a pas un comportement symétrique à l'ouverture et à la fermeture, auquel cas on retombe sur le schéma à suivre, mais j'y reviendrais.
Concernant l'état de ces pistes et, évidemment, leur conductivité, aucune mesure n'a permis de quantifier le problème. On note simplement, toujours d'après les sources de RR VM 1992, que la connectique semble chiadée (métaux précieux à gogo). Il n'y a donc aucune raison pour que les performances des pistes ne soient pas en rapport :
En relisant les différentes inters sur ce sujet, il semble que les vannes ne soient jamais vraiment défaillantes : on parle de lenteur, d'un bruit de fermeture différent, jamais d'un moteur grillé ou d'une vanne complètement bloquée.
J'ai donc orienté mes recherches sur ce que doit être la sensibilité d'une vanne de dosage. Après différents échanges avec des spécialistes des automates doseurs utilisant des vannes diverses et variées, il en est ressorti des éléments assez éclairants.
La première notion qui émerge est celle de « bande morte » : elle correspond à la plus petite variation du signal de commande provoquant une variation de la grandeur pilotée (veine liquide ou gazeuse).
Cette notion se décompose en deux grandeurs : la variation de position de l'actionneur
et la variation de débit physiquement constatée.
Voici ce que les spécialistes de la question considèrent comme la norme :
La bande morte a de nombreuses causes, mais la friction et le jeu entre-dents dans la vanne de régulation, ainsi que la torsion de l'arbre dans les vannes rotatives et la bande morte du relais, sont les formes les plus communes. La plupart des actions de contrôle assurées dans le cadre du suivi réglementaire consistent à appliquer de petites modifications (1% ou moins) ; une vanne de régulation dont la bande morte est excessive pourrait même ne pas répondre à nombre de ces petites modifications. Une vanne bien conçue devrait répondre aux signaux de 1% ou moins afin de fournir une réduction efficace de la variabilité du procédé. Il n'est toutefois pas rare que certaines vannes affichent une bande morte de 5% ou plus. Un audit récent sur le terrain a montré que 30% des vannes présentent une bande morte de plus de 4%. Et plus de 65% des boucles examinées présentaient des zones mortes de plus de 2%.
On relève aussi que l'accroissement des frottements est considéré comme l'une des causes les plus fréquentes des dysfonctionnements :
La friction est une cause majeure de bande morte dans les vannes de régulation. Les vannes rotatives sont souvent très susceptibles à la friction provoquée par les charges élevées sur le siège qui sont nécessaires pour obtenir l'arrêt avec certains types de joints. La friction du joint étant importante et la rigidité du train d'entraînement étant faible, l'arbre de vanne se tord et ne transmet pas le mouvement à l'élément de contrôle. Il en résulte qu'une vanne rotative qui n'est pas correctement conçue peut présenter une bande morte considérable suite à la variabilité du procédé.
Les fabricants lubrifient généralement les sièges de la vanne rotative durant la fabrication, mais cette lubrification disparaît après quelques centaines de cycles seulement. De plus, les charges provoquées par la pression usent le joint. Il en résulte que la friction de la vanne peut augmenter de 400%, voire plus, suivant sa conception. Les vannes B et C montrent les effets catastrophiques que ces facteurs élevés de friction de l'accouplement peuvent avoir sur les performances de la vanne.
La friction de la garniture est la première cause de friction dans les vannes à tige montante. Dans ce type de vannes, la friction mesurée peut considérablement varier selon le type de vanne et la disposition de la garniture.
Sous forme graphique, on obtient ceci :
Non seulement, les vannes B et C atteignent un niveau de dérive croissant car on constate que le lissage du débit piloté s'accentue — en d'autres termes, les variations sont de plus en plus amorties — mais la réponse tend également à se décaler dans le temps.
La rapidité de la réponse temporelle fait donc également l'objet d'une mesure spécifique :
D'où l'on tire deux nouveaux éléments :
- le temps de réponse statique de la vanne, autrement dit son temps de réaction (début de levée de soupape) ;
- la notion de temps de réponse dynamique, T63, définie comme suit : Le temps de réponse de la vanne est mesuré par un paramètre appelé T63. T63 est le temps mesuré entre le début du changement de signal en entrée et le moment où la sortie atteint 63% du changement correspondant. Il comprend le temps mort de l'ensemble de la vanne — qui est une durée statique — et le temps dynamique de l'ensemble de la vanne. Le temps dynamique est la valeur de temps mesurée que met l'actionneur à atteindre 63% de sa course totale à partir du moment où il commence à bouger.
Indépendamment de la réponse purement mécanique de la vanne, on conçoit que son état d'encrassement fait croître, dans un premier temps, les pertes de charges — donc réduit le débit par augmentation des turbulences — puis, dans un second temps, réduit le débit par affaiblissement de la section effective de passage, pénalisant lourdement sa réponse qualitative (débit volumétrique non conforme par défaut).
Notez que les analyses les plus poussées montrent qu'un des moyens de réduire la bande morte consiste à privilégier la réponse de la vanne dans un sens spécifique. Cette considération pourrait expliquer l'adjonction d'un ressort amplifiant l'impulsion de l'actuateur électrique dans le sens considéré comme critique qui serait donc, pour le cas qui nous intéresse, la fermeture.
Si l'on y ajoute la possibilité d'une baisse de performance des pistes résistives rendant encore plus problématique la gestion du débit par le calculateur, on peut assez facilement en conclure que cet équipement-là, s'il ne fait pas l'objet d'un suivi de haut niveau, bascule très certainement assez rapidement du côté obscur de la force...
Quoi qu'il en soit, plutôt que de constater que le remplacement systématique est la règle en cas de défaillance, ce qui ne nécessite pas forcément d'article dédié

, je suis toujours preneur d'une analyse du fonctionnement d'une de ces soupapes selon les pistes qui viennent d'être présentées!
