bonjour
est ce que quelqu'un connait la procédure pour changer la platine avec les galets tendeurs sur le moteur TD4?
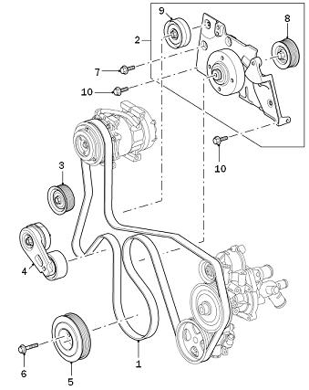
c'est une plaque au dessus de la poulie damper avec 3 galets, il y a 3 vis en facade par contre il y a une vis de chaque coté en bas , coté alternateur et coté pompe à vide, comment les déposer?
galet tendeur
Règles du forum
En naviguant sur le site http://www.landroverfaq.com vous reconnaissez avoir lu ses Conditions d’Utilisation, vous déclarez les comprendre et vous acceptez d’y être lié de manière inconditionnelle. Si tel n'est pas le cas, merci de quitter immédiatement ce site.
Vous pouvez joindre autant d'images que nécessaire à vos messages A LA CONDITION EXPRESSE d'utiliser l'hébergement fourni par le site.
L'administrateur effacera systématiquement tout message contenant des photos hébergées chez Imageschack, Casimage, Wistiti ou tout autre hébergeur tiers sans sommation ni justification.
En naviguant sur le site http://www.landroverfaq.com vous reconnaissez avoir lu ses Conditions d’Utilisation, vous déclarez les comprendre et vous acceptez d’y être lié de manière inconditionnelle. Si tel n'est pas le cas, merci de quitter immédiatement ce site.
Vous pouvez joindre autant d'images que nécessaire à vos messages A LA CONDITION EXPRESSE d'utiliser l'hébergement fourni par le site.
L'administrateur effacera systématiquement tout message contenant des photos hébergées chez Imageschack, Casimage, Wistiti ou tout autre hébergeur tiers sans sommation ni justification.
-
RR VM 1992
Re: galet tendeur
Bizarre je ne vois pas bien cette pièce sur mon 2,4 TD4 (cachée par le ventilateur ?):
Ou alors se serai cette pièce en alu fixée par les vis N°7 et 10 ?
Ou alors se serai cette pièce en alu fixée par les vis N°7 et 10 ?
Re: galet tendeur
faut deposer le ventilo c'est ce que j'ai fait je pensais qu'il n'y avait que des vis sur le devant du moteur,je les ai enlevé, ça tenait encore, en fait il y a une vis de chaque coté en bas, sauf que pour y accéder c'est pas un cadeau, je cherche au plus simple sans avoir à passer par les dessous d'aile , en prime je dois aussi changer mon demarreur qui est en train de lacher et ça aussi c'est pas simple d'y accéder
Re: galet tendeur
Je pense qu'il y a une erreur d'appellation.
Le galet tendeur, AMHA, c'est plutôt l'élément référencé en #9 sur la vue avant du moteur
Le galet tendeur, AMHA, c'est plutôt l'élément référencé en #9 sur la vue avant du moteur
This manual should be used to find out where the water is leaking from. Due to the nature of the design and construction of the Defender this can prove to fairly difficult. The fact that water moves in seemingly random directions also adds to the problem