Clignotants HS et fusible qui saute

Bidouillages électriques, codes d'erreur ECU...

Modérateurs : The Pater, LØLØ

Règles du forum
En naviguant sur le site http://www.landroverfaq.com vous reconnaissez avoir lu ses Conditions d’Utilisation, vous déclarez les comprendre et vous acceptez d’y être lié de manière inconditionnelle. Si tel n'est pas le cas, merci de quitter immédiatement ce site.

Vous pouvez joindre autant d'images que nécessaire à vos messages A LA CONDITION EXPRESSE d'utiliser l'hébergement fourni par le site.

L'administrateur effacera systématiquement tout message contenant des photos hébergées chez Imageschack, Casimage, Wistiti ou tout autre hébergeur tiers sans sommation ni justification.
sham
Habitué
Messages : 154
Enregistré le : 02/06/2004 19:40

Re: Clignotants HS et fusible qui saute

Message non lu par sham »

Bah les freins chais pas encore, y servent po :mrgreen:
je pense a une cosse defectueuse du connecteur de la centrale ...
Prochaine étape, les blèmes electriques et alarme du 90, là on est pas sortis des ronces .....
signature
Avatar du membre
LØLØ
Modérateur
Messages : 6210
Enregistré le : 30/07/2006 15:41
Localisation : guainville (28 )
Contact :

Re: Clignotants HS et fusible qui saute

Message non lu par LØLØ »

sham a écrit : je pense a une cosse defectueuse du connecteur de la centrale ...
Salut, Jolies photos :wink:
Une cosse défectueuse ne fait pas sauter un fusible, sauf si cela touche une cosse voisine pour cause de connecteur cassé, défaut d'isolant... Vérifie la partie de faisceau libre sous le connecteur de la centrale. Peut-être que celui ci touchait frottait sur la platine métallique support des boitiers de fusibles.
faisceau centrale clignotante.jpg
Mais il n'y a pas de fumée sans feu ou rarement disons. Le problème risque de resurgir comme jamais si le fil endommager ne retouche pas dieux sait quoi à la masse.
Garde dans un coin de ta mémoire K109 le connecteur collecteur bleu et le fusible réarmable dans le cubi-box.
sham a écrit :
Prochaine étape, les blèmes electriques et alarme du 90, là on est pas sortis des ronces .....
Regarde ce petit thème comme première approche: Suppression alarme-coupe-circuit def 110 300TDi.
A+
2 solutions: la bonne et l'Anglaise
LUCAS: Il n'y a pas de contact où il le faut et il y en a un où il ne faut pas
On ne peut aller loin en amitié, si on n'est pas disposé à se pardonner les uns aux autres les petits défauts.
www.eternal-vehicles.fr
sham
Habitué
Messages : 154
Enregistré le : 02/06/2004 19:40

Re: Clignotants HS et fusible qui saute

Message non lu par sham »

Inch Allah, mais les pistes se sont ressérrées

Pour l'alarme du 90, j'ai stocké tes envois, je dois tout d'abord changer l'embrayage et refaire le train avant (roulements, pivots)
signature
Avatar du membre
LØLØ
Modérateur
Messages : 6210
Enregistré le : 30/07/2006 15:41
Localisation : guainville (28 )
Contact :

Re: Clignotants HS et fusible qui saute

Message non lu par LØLØ »

sham a écrit :Inch Allah, mais les pistes se sont ressérrées

Pour l'alarme du 90,
Mais au faite, le boitier d'alarme a aussi une influence sur les clignotants...
Donc fatalement, il y a un lien possible là aussi :sm1:
Ton alarme, fonctionne-t-elle correctement :?:
sham a écrit : j'ai stocké tes envois,
Ah oui, c'est vrais j'avais oublié :roll:
sham a écrit : je dois tout d'abord changer l'embrayage et refaire le train avant (roulements, pivots)
Bon là, pour la mécanique lourde, avec la fonction recherche tu as de la matière sur la faq.
A+
2 solutions: la bonne et l'Anglaise
LUCAS: Il n'y a pas de contact où il le faut et il y en a un où il ne faut pas
On ne peut aller loin en amitié, si on n'est pas disposé à se pardonner les uns aux autres les petits défauts.
www.eternal-vehicles.fr
sham
Habitué
Messages : 154
Enregistré le : 02/06/2004 19:40

Re: Clignotants HS et fusible qui saute

Message non lu par sham »

Une histoire de blocage moteur ;

il calait au bout de 500m, une clope et y repartait, ça pendant environ 30000 bornes
puis plus rien pendant 20000 bornes
là ça recommence, mais il me le fait trois fois de suite tous les 500m et y repart. Ca commence à douiller en clopes .... :shock:

ensuite, le fusible des feux stop claque quand je passe la marche arriere, j'ai vérifié les connections arrieres, la prise remorque, rien d'anormal
signature
Avatar du membre
LØLØ
Modérateur
Messages : 6210
Enregistré le : 30/07/2006 15:41
Localisation : guainville (28 )
Contact :

Re: Clignotants HS et fusible qui saute

Message non lu par LØLØ »

sham a écrit : le fusible des feux stop claque quand je passe la marche arriere, j'ai vérifié les connections arrieres, la prise remorque, rien d'anormal
Salut, ça c'est beaucoup plus classique. Soit le feu de recule lui même, soit le contacteur sur la boite, ou bien le faisceau. Cela mériterait un petit thème dédier, car déjà vu plusieurs fois. Mets le fusible réarmable a la place du fusible stop-clignotant, débranche le feu de recule dans le boitier arrière droit de la benne ( fil vert liseré marron) et roule comme ça, si cela ne le fait plus sauter c'est le feu de recule, sinon il y a des chances pour que se soit le contacteur.
Bzzzz
A+
2 solutions: la bonne et l'Anglaise
LUCAS: Il n'y a pas de contact où il le faut et il y en a un où il ne faut pas
On ne peut aller loin en amitié, si on n'est pas disposé à se pardonner les uns aux autres les petits défauts.
www.eternal-vehicles.fr
sham
Habitué
Messages : 154
Enregistré le : 02/06/2004 19:40

Re: Clignotants HS et fusible qui saute

Message non lu par sham »

Arf, c'est reparti, cette fois j'ai plus rien, ni clignos, ni warning contact mis ou pas, j'ai essayé la centrale et le BP warning avec les neufs reçus, idem. Les fusibles sautent pas, il semblerait qu'il y ait plus de jus qui passe, masse ? K109 ?
Je ripe en espagne demain matin, sympa ...
signature
Avatar du membre
LØLØ
Modérateur
Messages : 6210
Enregistré le : 30/07/2006 15:41
Localisation : guainville (28 )
Contact :

Re: Clignotants HS et fusible qui saute

Message non lu par LØLØ »

sham a écrit :Arf, c'est reparti, cette fois j'ai plus rien, ni clignos, ni warning contact mis ou pas,
Salut, contrôles le gros fusible 2 de 60A dans le boitier du compartiment moteur.
Il est en tête pour le +12V permanent et pour le 12 V après contact. Mais tu ne pourrais plus démarrer non plus. :?
sham a écrit : j'ai essayé la centrale et le BP warning avec les neufs reçus, idem.
Oui, ces problèmes potentiels étaient déjà écartés
sham a écrit : Les fusibles sautent pas, il semblerait qu'il y ait plus de jus qui passe.
Si il n'y a plus de courant, alors il est normal que les fusibles ne sautent pas.
Est ce qu'il y a d'autre options qui ne fonctionnent plus ?
Si oui, lesquelles ?
sham a écrit : masse ?

Il faut retrouver les 12V avant et après contact pour pouvoir continuer.
Ou bien le fil de masse qui établissait le court circuit a fini par céder et faire fusible lui même.
Avec le test 14) plus rien ?
Avec le test 15) plus rien?
Les deux précédent tests avec le shunt du test 17) plus rien?
Les ampoules arrières, lorsque tu manœuvres le commodo d'un coté ou de l'autre devraient s'allumer en fixe respectivement chacune de son coté, car leurs masses ne passe pas par K109.
Ou alors K109 est vraiment à revoir, car cela voudrait dire qu'une connexion de masse est coupée mais que aussi les liaisons venant du commodo ne sont plus répartis, ni sur les voyants ni sur les feux de direction gauche ou droite.
Vérifies encore C556 sur le tablier dans le compartiment moteur. Mais avec les shunts des tests, la masse C556 n'intervient pas pour les clignotants arrières, donc ils devraient s'allumer en fixe au moins, sauf si leur + 12V intermittent est également coupé, cela fait beaucoup de conditions de non fonctionnement tout de même.
sham a écrit : K109 ?
Pourquoi pas, sachant qu'il intervient après avoir toucher le commodo pour répartir les clignotements et qu'il collecte également les masses.
Ce n'est pas K 109 C287 mais son frère jumeau. Juste pour le principe qui est exactement le même.
26) Un cas sang neuf complet. Pour ouvrir le cabochon d'interconnexion, il y a deux petits ergots de verrouillage à libérer à l'aide d'un petit tournevis.
K109 ergot.jpg
27) Profil du cabochon. Photo qui permet juste de comprendre le système de verrouillage, de deviner qu'il y a quelque chose à l’intérieur, mais surtout, qui a pour rôle essentiel de faire plaisir à Bilou... :wink:
K109 capot connexion..jpg
28) L'intérieur du cabochon, dommage que je n'ai pas le vrais K109 on aurait pu philosopher sur les connexions réalisées pour notre cas précis et quelques autres le concernant du genre voyants faiblement éclairés ou autre... Car il est très souvent en cause sur nos def rhumatisant. Mais dans le sujet présent on distingue bien qu'il y a 4 liaisons distinctes réalisées par 4 barrettes, d'où le système tire son nom de "collecteur de liaison". Dans notre cas on aurait parmi les liaisons concernant les clignotants une barrette de 4 contacts pour les clignotants gauches et une autre aussi de 4 contacts pour les clignotants droits. Reliant entre eux par coté: l'arrivée du commodo et les trois feux, l'avant, le répétiteur d'aile et l'arrière. Au total notre K109 à 20 broches et apparemment 18 utilisées. On peut remarquer les deux détrompeurs sur le coté.
K109 capuchon.jpg
29) L'autre partie, coté femelle sur laquelle arrivent les fils. On peut voir les ergots de verrouillage,
K109 profil D.jpg
30) Vue de l'autre coté, on peut remarquer les restes d'une bande protection autocollante en mousse noire, c'est une amélioration sur les TD5 d'où provient la star de cette inter.
K109 profile G.jpg

31) Coté broches femelles.
Un coup de chaud dut à de l'oxydation peut avoir fondu une ou plusieurs broches et a la longue réaliser des connexions indésirables pouvant provoqué un "grillage" de fusible.
Les détrompeurs mâles sur le coté, permettent de ne pas se tromper de sens lors de la repose du cabochon.
connexions K109.jpg
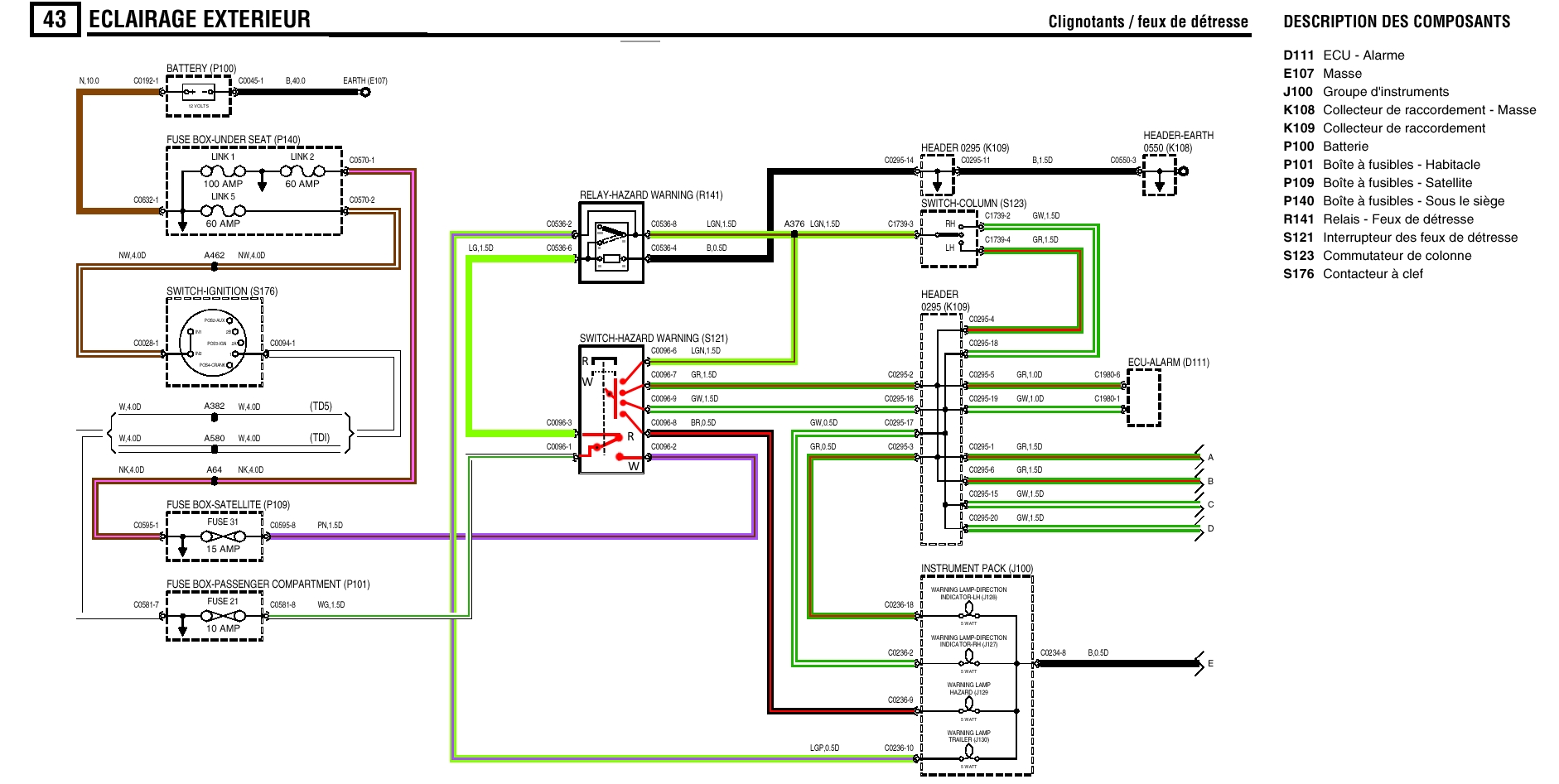
32) Schéma de K109 C287. Mais là j'ai un gros doute, car visiblement il y a une erreur dans la doc, il y a une confusion entre C287 et C286. Cela nécessite donc un contrôle visuel sur le terrain du brochage.
C'est un 20 broches, comme tous les K109. Une remarque au passage, K109 c'est le nom de code ou de modèle de ces collecteurs de raccordement ( header ). Pour s'y retrouver, il faut se fier aux repérages des numéros de broches des collecteurs C287-n ou n est un numéro de 1 à 20 que l'on voit sur le schéma des clignotants.
On remarque les deux groupes de 4 liaisons, pour les clignotants LH (left hand) gauche et RH (right hand) droit. Mais aussi une pléthore de masses.
Malheureusement une non correspondance du brochage de C287 sur son schéma et sur le schéma des clignotants.
K109 schema.jpg
33) Brochage de C287, le repérage des broches est fait d’après le schéma des clignotants. Car celui à partir du schéma de K109 C287, n'est pas fiable, il faudrait en démonter un pour être sur.
K109 brochage C287.jpg
sham a écrit : Je ripe en espagne demain matin, sympa ...
Il y a internet en Espagne. Ton problème, doit pouvoir se résoudre avec du scotch d'électricien, un fusible réarmable, des bouts fils, un petit tournevis plat et de l'aspirine.
A+
2 solutions: la bonne et l'Anglaise
LUCAS: Il n'y a pas de contact où il le faut et il y en a un où il ne faut pas
On ne peut aller loin en amitié, si on n'est pas disposé à se pardonner les uns aux autres les petits défauts.
www.eternal-vehicles.fr
Avatar du membre
rlm
Messages : 5
Enregistré le : 21/09/2008 20:12

Re: Clignotants HS et fusible qui saute

Message non lu par rlm »

Salut a tous,

On est en voyage en Amerique du sud avec un 110 300tdi, et on a quelque petit problème électrique.

Quand on met le contact en position 2, on a le fusible 2 & 3 qui sautent !!!

Grâce a la procédure de test de ce poste on a pu localiser d'où ça venait :

Si on déconnecte le connecteur blanc du faisceau arrière le long du tablier (voir photo) les fusibles ne sautent plus

Image

On ne trouve pas ce connecteur dans le manuel électrique, pouvez vous nous dire tous ce qui est connecté dessus ?

Merci beaucoup de Colombie,
rlm
Avatar du membre
The Pater
Modérateur
Messages : 13985
Enregistré le : 25/08/2004 8:19
Localisation : 06°27'46"E 45°50'29"N

Re: Clignotants HS et fusible qui saute

Message non lu par The Pater »

rlm a écrit : On ne trouve pas ce connecteur dans le manuel électrique, pouvez vous nous dire tous ce qui est connecté dessus ?
Je ne vois pas très bien les couleurs des fils, mais ce topic, où les couleurs des fils sont indiquées peut surement d'aider : http://landroverfaq.com/viewtopic.php?f=21&t=3917

AMHA, cela a surement à voir avec les clignotants et/ou la lampe d'intérieur arrière et/ou feux arrières, voir peut-être le système d'essuie place arrière.
Note par clignotants et feux arrière, cela peut être la prise remorque si montée.

Ce qui est étonnant, c'est que cela fait sauter les fusibles juste en mettant le contact. As tu laissé les feux allumés, les clignotant etc... ?

Vérifie si aucun fil au niveau de la traverse arrière ne s'est dénudé par frottement suite contact.

A+
Ingénieur :
Personne faisant un travail divinatoire de précision basé sur des informations peu fiables données par des personnes peu qualifiées, voire ignorantes.
=>, magicien, devin, sorcier
Avatar du membre
LØLØ
Modérateur
Messages : 6210
Enregistré le : 30/07/2006 15:41
Localisation : guainville (28 )
Contact :

Re: Clignotants HS et fusible qui saute

Message non lu par LØLØ »

rlm a écrit :
contact en position 2, on a le fusible 2 & 3 qui saute !!!

Grace a la procedure de test de ce poste on a pu localiser d'ou ca venait :
SI on deconnect le connecteur blanc du faisceau arrière le long du tablier (voir photo) les fusible ne saute plus
On ne trouve pas ce connecteur dans le manuel electrique, pouvez vous nous dire tous ce qui est connecté dessus ?
Salut, là le problème ne concerne apparemment pas les clignotants bien que affectant les mêmes fusibles. Ce qui m’étonne, c'est l'influence du problème sur les deux fusibles simultanément.
Le fusible 2: c'est un +12V permanent dit accessoire fil violet que l'on retrouve dans le boitier arrière droit dans la benne derrière les feux arrières droits. Il se peut qu'il frotte sur la tôle, ou qu'un accessoire câblé dessus provoque le problème sur son fusible 2.
Le fusible 3: il y a dessus l'alimentation du fin de course de l’essuie glace arrière. Il y a sur cet interrupteur fin de course une masse aussi, si ce petit mécanisme à la lame cassé, il peut provoquer un court circuit franc qui va faire sauter ce fusible. Pour être sur que le problème ne vienne pas de lui, il suffit de déconnecter le petit connecteur blanc rond à 4 fils qui va alimenter le moteur d'essuie glace arrière, (derrière l'habillage de la portière arrière)
Sur le connecteur blanc, il y a également le feux de recul et le dégivrage arrière, mais ils n'ont pas d'influence sur les fusibles 2 & 3, donc j’écarterai dans un premier temps un éventuel problème les concernant.
Brochage du connecteur blanc:
connecteur blanc C378.jpg
Connecteur essuie glace arrière, la photo n'est pas très bonne mais elle donne une petite idée.
connecteur essuie glace ar.jpg
Il y a un soufflet qui sort du boitier arrière et qui rentre dans l'habillage de portière arrière, vérifies que les fils à l’intérieur ne se sont pas fait "mâchés" par les manœuvres de la portière ou les chargements.
Lis ce petit thème: probeme electrique, il est difficile de faire la jonction avec ton problème, alors qu'il est peut-être similaire au tien. Mais au moins la notion de "mâché" y apparait clairement :?
Sinon, avec un ohmmètre tu peux contrôler si il y a un court circuit franc entre la masse et la broche 6 et la masse et la broche 3, sur la partie mâle c'est a dire la partie qui vient se brancher sur celle de la photo. Bon courage, car c'est un peu galère d’accès.
connecteur blanc mesure.jpg

Est ce que le land a des options particulières sur l'arrière rajoutés pour le raid?
Donc a mon avis dans un premier temps j'irais voir la misère dans le boitier derrière les feux arrières droit. Une vis cruciforme et une petite clef de huit pour l'ouvrir.
Bonne recherche, bonne balade, un petit bonjour aux colombiens landistes de notre part...
A+
Modifié en dernier par LØLØ le 26/03/2013 23:07, modifié 1 fois.
2 solutions: la bonne et l'Anglaise
LUCAS: Il n'y a pas de contact où il le faut et il y en a un où il ne faut pas
On ne peut aller loin en amitié, si on n'est pas disposé à se pardonner les uns aux autres les petits défauts.
www.eternal-vehicles.fr
big130
Habitué
Messages : 22
Enregistré le : 12/06/2007 20:32
Localisation : PACA avignon
Contact :

Re: Clignotants HS et fusible qui saute

Message non lu par big130 »

merci......pour moi probleme resolu grace a land faq.............http://www.landroverfaq.com/download/fi ... &mode=view le relais du milieu oxydé un peu de produit dedans ...et mes clignos arriere gauche et mes veilleuses arriere remarchent.
Avatar du membre
LØLØ
Modérateur
Messages : 6210
Enregistré le : 30/07/2006 15:41
Localisation : guainville (28 )
Contact :

Re: Clignotants HS et fusible qui saute

Message non lu par LØLØ »

big130 a écrit :merci......pour moi problème résolu grâce a land faq.............http://www.landroverfaq.com/download/fi ... &mode=view le relais du milieu oxydé un peu de produit dedans ...et mes clignos arrière gauche et mes veilleuses arrière remarchent.
Salut, super!
Je comprends mieux en voyant la photo de ton problème, c'est d'un connecteur qu'il s'agit et non d'un relais. Car en temps normal, il n'y a pas de lien entre les clignotants et les veilleuses a travers un relais. Mais là oui, sur un connecteur oxydé cela s'explique bien. Tend que tu y es, mets un peu de produit spécial contacts électriques dans les deux autres connecteurs.
Merci pour le retour qui sera utile aux autres landeux faqueux.
A+
2 solutions: la bonne et l'Anglaise
LUCAS: Il n'y a pas de contact où il le faut et il y en a un où il ne faut pas
On ne peut aller loin en amitié, si on n'est pas disposé à se pardonner les uns aux autres les petits défauts.
www.eternal-vehicles.fr
sham
Habitué
Messages : 154
Enregistré le : 02/06/2004 19:40

Re: Clignotants HS et fusible qui saute

Message non lu par sham »

C'est reparti .... :lol: tout marchait bien, pis là, quand je met les clignotants, à droite ou à gauche, tout clignote, en fait j'ai trois inters de warning ... la centrale fonctionne ... :?
signature
Avatar du membre
LØLØ
Modérateur
Messages : 6210
Enregistré le : 30/07/2006 15:41
Localisation : guainville (28 )
Contact :

Re: Clignotants HS et fusible qui saute

Message non lu par LØLØ »

Salut,
en fait j'ai trois inters de warning
:mrgreen:
lis déjà ça : probleme clignotant defender, l'inter des warnings y est détaillé, avec la procédure de test et le fonctionnement. :roll:
Là, il faudrait se pencher sur le commodo, peut-être un petit ressort ou un truc comme ça qui a sauté dedans. Essais de clignoter directement sur le connecteur du faisceau, commodo débranché, contact en position II, avec un bout de fil, pour voir si là aussi cela allume les deux cotés simultanément ou pas.
Entre le fil vert claire liseré marron qui est le commun venant de la centrale et pour le clignotement gauche avec le vert liseré rouge ( test A ); pour le clignotement droit entre le fil vert claire liseré marron et le fil vert liseré blanc ( test B ).
Il me semble que tu as ce connecteur là, mais je ne suis plus très sur du modèle, mais le principe reste le même.
connecteur test commodo.jpg
Si tu as peur des petites étincelles, tu fais la liaison avant le contact puis une fois que tu es sur de la liaison, tu mets le contact à clef en position II.
Verdict du test ? :sm27:
Sinon, on cherchera une liaison possible et indésirable entre le fil vert liseré blanc et le fil vert liseré marron quelque part dans le faisceau :( .
Avec pour délimiter la zone avant arrière, le débranchement du faisceau arrière au niveau des connecteurs de tablier etc, :|
A+
Modifié en dernier par LØLØ le 03/04/2012 22:44, modifié 1 fois.
2 solutions: la bonne et l'Anglaise
LUCAS: Il n'y a pas de contact où il le faut et il y en a un où il ne faut pas
On ne peut aller loin en amitié, si on n'est pas disposé à se pardonner les uns aux autres les petits défauts.
www.eternal-vehicles.fr
sham
Habitué
Messages : 154
Enregistré le : 02/06/2004 19:40

Re: Clignotants HS et fusible qui saute

Message non lu par sham »

Merci LØLØ, m'y jette ce weekend, vous tiens au courant .... :)
signature
Avatar du membre
LØLØ
Modérateur
Messages : 6210
Enregistré le : 30/07/2006 15:41
Localisation : guainville (28 )
Contact :

Re: Clignotants HS et fusible qui saute

Message non lu par LØLØ »

LØLØ a écrit :
sham a écrit : le fusible des feux stop claque quand je passe la marche arriere, j'ai vérifié les connections arrieres, la prise remorque, rien d'anormal
Salut, ça c'est beaucoup plus classique. Soit le feu de recule lui même, soit le contacteur sur la boite, ou bien le faisceau. Cela mériterait un petit thème dédier, car déjà vu plusieurs fois. Mets le fusible réarmable a la place du fusible stop-clignotant, débranche le feu de recule dans le boitier arrière droit de la benne ( fil vert liseré marron) et roule comme ça, si cela ne le fait plus sauter c'est le feu de recule, sinon il y a des chances pour que se soit le contacteur.
Bzzzz
A+
Salut,
Une photo pour illustrer le cas où le problème viendrait d'un point de faisceau endommagé, avec exactement les symptômes que tu décris.
En faite le faisceau où passe les fils du contacteur de marche arrière frotte sur le le bord de la cloche de boite, sous le tunnel, avec le temps l'isolant se détériore, et il y a un contact franc entre la masse (cloche de boite) et le 12V commuté par le contacteur du feu de recule, ce qui a pour effet de faire sauter le fusible qui est commun avec celui des feux stop. Évidement la panne peut-être aléatoire selon la position du faisceau dut aux vibrations, ou a l'état de la route qui peut amener le faisceau à bouger légèrement et à toucher plus aléatoirement la cloche de boite. Évidement, le phénomène peut-être accentué par jour de pluie ou de TT humide. Il peut évolué petit à petit, au fur et à mesure que plusieurs fils se dégradent. Au début seulement lorsqu'on passe la marche arrière, puis le fil d'amené du +12V au contacteur du feu de recule se bouffe, là cela devient systématique, plus besoin de passer la marche arrière etc...
Donc après avoir changé: Le feu de recul; puis le capteur de feu de recule sur la boite; puis le capteur de feu stop; 3800 fusibles plus tard, si l'on a pas utilisé de fusible réarmable; puis de belle mère, à cause du divorce engendré par le temps passé aux investigations de la panne, on fini par tomber sur le bout de faisceau bouffé. Une épissure et un bout de scotch plus tard, on peut repartir avec son fier destrier tout feu allumé, à la recherche d'une nouvelle mère . :wink:
faisceau feu de recul_feux stop.jpg
Remarque, il est très important de bien fixer les faisceaux pour ne pas qu'ils bougent, et ainsi éviter les Bzzzz!
A+
2 solutions: la bonne et l'Anglaise
LUCAS: Il n'y a pas de contact où il le faut et il y en a un où il ne faut pas
On ne peut aller loin en amitié, si on n'est pas disposé à se pardonner les uns aux autres les petits défauts.
www.eternal-vehicles.fr
Avatar du membre
TPY
Habitué
Messages : 20
Enregistré le : 03/11/2014 11:34
Localisation : St-Vaast-La-Hougue/Paris

Re: Clignotants HS et fusible qui saute

Message non lu par TPY »

Bonjour a tous,

Un fusible qui saute quand je mets les clignotants. Vu le nombre de posts sur ce sujet, il semblerait que le circuit electrique de nos machines soient a meme de nous faire passer du temps a inventer de nouveaux jurons!
J'en suis a peu pres la, et malgre la somme impressionnante d'information disponible sur ce site, je n'arrive pas a eradiquer mon probleme une fois pour toute. Je me permet donc de reformuler des questions sans doute classiques:

Il arrive regulierement par temps de pluie ou apres passages humides que le fusible 10A du circuit clignotant de mon defender td5 (2005) saute quand j'actionne les clignotants a gauche ou bien le 15A des feux de detresses si j'actionne les feux de detresse. Le probleme persiste pendant quelques jours jusqu'a que mon def seche.
Avant d'en arriver au fusible qui saute, le probleme s'annonce par temps humide par des interferences entre les clignotants et la radio.
Je crois aussi que le temoin de la prise de remorque s'illumine tres brievement sur le tableau de bord quand j'actionne les clignotants, uniquement par temps de pluie (pas sur pour cette derniere condition meteo) .

J'ai donc sans doute un court-circuit a l'eau quelque part mais ou?

J'ai verifie:
Les caches d'ampoules
Les connecteurs qui arrivent au ampoules
Les parties du faisceaux dans le compartiment moteur visibles sans rien demonter
La partie visible du faisceau arriere au niveau ou il rentre dans le chassis arriere droit
La prise d'attelage
le connecteur de prise d'attelage dans le compartiment arriere droit: le fusible saute meme quand ce connecteur est debranche.

Je voudrais bien verifier l'etat du faisceau sans commencer par désosser mon véhicule mais je ne connais pas son trajet et j'ai donc du mal a localiser les points de raggage et d'usure "classique" sur un def td5.

Est ce que quelq'un peux m'aider a les localiser?

Merci d'avance.
Avatar du membre
LØLØ
Modérateur
Messages : 6210
Enregistré le : 30/07/2006 15:41
Localisation : guainville (28 )
Contact :

Re: Clignotants HS et fusible qui saute

Message non lu par LØLØ »

TPY a écrit :Je me permet donc de reformuler des questions sans doute classiques:
Salut,
Oui en électricité, on est rarement au bout de nos surprises, c'est presque une histoire nouvelle a chaque fois.
Il arrive regulierement par temps de pluie ou apres passages humides que le fusible 10A du circuit clignotant de mon defender td5 (2005) saute quand j'actionne les clignotants a gauche ou bien le 15A des feux de détresses si j'actionne les feux de détresse. Le problème persiste pendant quelques jours jusqu’à que mon def sèche.
Le problème est du cotè gauche ,après le bouton de warning; et après la centrale puisque le cotè droit ne fait pas sauter les fusibles et qu'il clignote normalement.
Les schémas, avec l’intérieur du bouton warning détailler pour améliorer la compréhension de son fonctionnement et que tu comprennes pourquoi, c'est soit le 10A soit le 15A qui saute en fonction de sa position le système étant alimenté soit par le + après contact, soit en position warning par un + permanent. il est donc "normal" que le défaut fasses sauter soit le 10A en position normal avec le contact en clignotant à gauche ou le 15A sans le contact en position warning le coté gauche des clignotants étant sollicité :
1)
schéma clignotant TD5 2002.jpg
2)
schéma 02 clignotant TD5 2002.jpg
3)
schéma 03 clignotant TD5 2002.jpg
Avant d'en arriver au fusible qui saute, le problème s'annonce par temps humide par des interferences entre les clignotants et la radio.
Souvent les interférences, sont dut a la bobine de la centrale clignotante que commute mal a cause du court circuit du coté gauche en court circuit quelque part.
Je crois aussi que le témoin de la prise de remorque s'illumine très brièvement sur le tableau de bord quand j'actionne les clignotants, uniquement par temps de pluie (pas sur pour cette dernière condition météo) .
Cela aussi est normal, car toujours a cause du court circuit le coté gauche est anormalement chargé ou disons plus chargé comme si il y avait le feu de la remorque en plus.
J'ai donc sans doute un court-circuit a l'eau quelque part mais ou?
Démonte les ampoules et vérifie bien leurs connexions à l'intérieur de la douille, fais un essais en inversant les supports des clignotants gauche et droite afin de tester si c'est le fusible droit qui saute.
Douille clignotant.jpg
Regarde au dessus de la traverse arrière, il y a un bout de faisceau, qui relie le coté droit au cotè gauche, il est peut-être abimé quelque part ?
Si tu débranches le connecteur C0376 est ce que les fusibles sautent encore ? Cela permettrait d'orienter les recherches soit sur la partie avant, soit sur la partie arrière.
connecteur orange tablier C0376 TD5.jpg
Il faut contrôler le répétiteur d'aile avant gauche, il est peut-être en défaut avec l'humidité.
le connecteur de prise d'attelage dans le compartiment arrière droit: le fusible saute même quand ce connecteur est débranche.
OK, ce n'est pas la prise d'attelage.
A+
2 solutions: la bonne et l'Anglaise
LUCAS: Il n'y a pas de contact où il le faut et il y en a un où il ne faut pas
On ne peut aller loin en amitié, si on n'est pas disposé à se pardonner les uns aux autres les petits défauts.
www.eternal-vehicles.fr
Avatar du membre
TPY
Habitué
Messages : 20
Enregistré le : 03/11/2014 11:34
Localisation : St-Vaast-La-Hougue/Paris

Re: Clignotants HS et fusible qui saute

Message non lu par TPY »

Bonjour a tous et merci LØLØ pour ta super reponse pedagogique.

Un retour des alpes bien humide hier et bzzzz de nouveau. J'avais deja eu assez de neige sur les routes des bauges pour pouvoir totaliser un bon nombre de depassements d'infortunes automobilistes en train de chainer et autres aberrations des sports d'hiver sans plus de probleme qu'un fusible 10A grille, probleme auquel j'ai remedie en passant ampoule et connecteur du clignos arriere gauche au spray contact. Probleme resolu donc jusqu'au retour sous la neige et la pluie de mars et depuis, c'est l'hecatombzzz:
LØLØ a écrit : Démonte les ampoules et vérifie bien leurs connexions à l'intérieur de la douille, fais un essais en inversant les supports des clignotants gauche et droite afin de tester si c'est le fusible droit qui saute.
J'ai demonte les caches des clignotants avant arriere et deconnecte/nettoye les connecteur ainsi que celui du repetiteur, le tout a gauche, mais le probleme persiste meme quand aucun de ces trois connecteur n'est branche. Je pense donc qu'il se situe quelque part sur le faisceau.
LØLØ a écrit : Regarde au dessus de la traverse arrière, il y a un bout de faisceau, qui relie le coté droit au cotè gauche, il est peut-être abimé quelque part ?
Est ce que ce bout de faisceau est celui qui passe entre la traverse et le reservoir principal de gasoil? Si c'est lui j'ai du mal a y acceder tout du long. Y a t'il un moyen simple pour le verifier sans tout demonter?
LØLØ a écrit : Si tu débranches le connecteur C0376 est ce que les fusibles sautent encore ? Cela permettrait d'orienter les recherches soit sur la partie avant, soit sur la partie arrière.
Pas encore essaye ca, ce connecteur est bien sur le tablier a main droite dans le compartiment moteur?

SInon il y a pas mal de boue humide projetee par la roue arriere gauche dans le coin arriere gauche de la carrosserie, juste au niveau de la piece en plastique qui fait ecran avec les feux arrieres. Y a t'il un moyen d'acceder a cette plaque en plastique pour bien nettoyer derriere?
Répondre

Retourner vers « Electricité • Electronique »