Réglage carburateur range rover V8 3.5L
Règles du forum
En naviguant sur le site http://www.landroverfaq.com vous reconnaissez avoir lu ses Conditions d’Utilisation, vous déclarez les comprendre et vous acceptez d’y être lié de manière inconditionnelle. Si tel n'est pas le cas, merci de quitter immédiatement ce site.
Vous pouvez joindre autant d'images que nécessaire à vos messages A LA CONDITION EXPRESSE d'utiliser l'hébergement fourni par le site.
L'administrateur effacera systématiquement tout message contenant des photos hébergées chez Imageschack, Casimage, Wistiti ou tout autre hébergeur tiers sans sommation ni justification.
En naviguant sur le site http://www.landroverfaq.com vous reconnaissez avoir lu ses Conditions d’Utilisation, vous déclarez les comprendre et vous acceptez d’y être lié de manière inconditionnelle. Si tel n'est pas le cas, merci de quitter immédiatement ce site.
Vous pouvez joindre autant d'images que nécessaire à vos messages A LA CONDITION EXPRESSE d'utiliser l'hébergement fourni par le site.
L'administrateur effacera systématiquement tout message contenant des photos hébergées chez Imageschack, Casimage, Wistiti ou tout autre hébergeur tiers sans sommation ni justification.
Réglage carburateur range rover V8 3.5L
Bonjour à tous,
j'ai un gros problème de surconsommation de range rover classic de 1986, consommation qui tourne autour des 40l/100kms.
un réglage des carburateurs s'imposent il me semble, si vous avez des infos des documentations sur ces carburateurs je suis preneur.
Merci
j'ai un gros problème de surconsommation de range rover classic de 1986, consommation qui tourne autour des 40l/100kms.
un réglage des carburateurs s'imposent il me semble, si vous avez des infos des documentations sur ces carburateurs je suis preneur.
Merci
- nomansland
- Habitué
- Messages : 1745
- Enregistré le : 08/12/2006 10:58
- Localisation : sud 77
Re: Réglage carburateur range rover V8 3.5L
Salut ; Il doit y avoir un levier "courtes/longues" ! vérifie d'ètre sur la bonne position !!!
a+Stef
a+Stef
- The Pater
- Modérateur
- Messages : 13981
- Enregistré le : 25/08/2004 8:19
- Localisation : 06°27'46"E 45°50'29"N
Re: Réglage carburateur range rover V8 3.5L
Dans quelles conditions as tu 40 l/100 km ?
Sur route en conduite normale, une telle consommation, s'il n'y a pas de fuite est peu probable.
A+
Sur route en conduite normale, une telle consommation, s'il n'y a pas de fuite est peu probable.
A+
Ingénieur :
Personne faisant un travail divinatoire de précision basé sur des informations peu fiables données par des personnes peu qualifiées, voire ignorantes.
=>, magicien, devin, sorcier
Personne faisant un travail divinatoire de précision basé sur des informations peu fiables données par des personnes peu qualifiées, voire ignorantes.
=>, magicien, devin, sorcier
- nomansland
- Habitué
- Messages : 1745
- Enregistré le : 08/12/2006 10:58
- Localisation : sud 77
Re: Réglage carburateur range rover V8 3.5L
40l/100 !!?? Dans ce cas , ça doit fumer bien noir a l'échappement !!!
- LØLØ
- Modérateur
- Messages : 6210
- Enregistré le : 30/07/2006 15:41
- Localisation : guainville (28 )
- Contact :
Re: Réglage carburateur range rover V8 3.5L
Salut,
Quel est le type de carburateur sur ton range, car 86 tu es dans une année charnière.
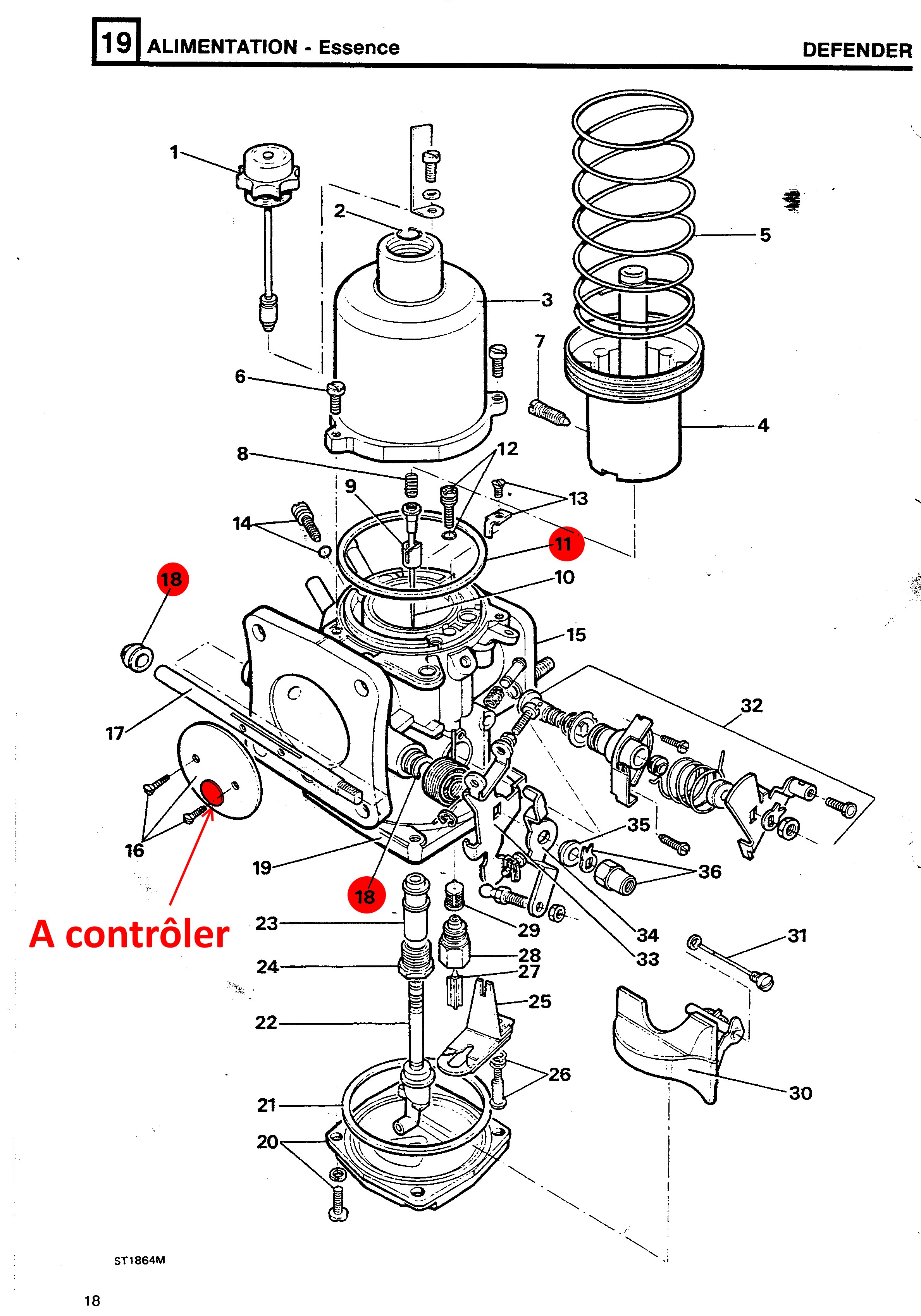
Soit ce sont des zénith, dans ce cas avant tout intervention de réglage, je te conseillerais de changer les membranes, problème de ralenti et surconsommation connu du a ces membranes défectueuses (poreuses ou déchirées) repère 4. Ou alors ce sont des SU. Dans ce cas aussi, il y a des points à contrôler avant de se lancer dans un réglage.
Le niveau d'huile dans la cloche ou chambre d'aspiration (repère 3) est il correct ?
Le volet de papillon du carburateur est-il muni d'une soupape ? Si oui est-elle soudée ? (repère 16)
L'état des paliers de l'axe de commande des papillons sont-ils étanches ? (repère 18)
Le joint repère 11 est-il en bon état ? Enfin il faut déboucher et vérifier toutes les durites d'air que tu pourras trouver, et en particulier contrôler celle qui commande l'avance automatique à l'allumage et qui arrive sur la capsule sur l'allumeur.
Et peut-être même qu'en 86 ce sont des solex, ceux là, je n'ai jamais eu à faire à eux sur les lands, le range n'étant pas ma spécialité.
A+
Quel est le type de carburateur sur ton range, car 86 tu es dans une année charnière.
Soit ce sont des zénith, dans ce cas avant tout intervention de réglage, je te conseillerais de changer les membranes, problème de ralenti et surconsommation connu du a ces membranes défectueuses (poreuses ou déchirées) repère 4. Ou alors ce sont des SU. Dans ce cas aussi, il y a des points à contrôler avant de se lancer dans un réglage.
Le niveau d'huile dans la cloche ou chambre d'aspiration (repère 3) est il correct ?
Le volet de papillon du carburateur est-il muni d'une soupape ? Si oui est-elle soudée ? (repère 16)
L'état des paliers de l'axe de commande des papillons sont-ils étanches ? (repère 18)
Le joint repère 11 est-il en bon état ? Enfin il faut déboucher et vérifier toutes les durites d'air que tu pourras trouver, et en particulier contrôler celle qui commande l'avance automatique à l'allumage et qui arrive sur la capsule sur l'allumeur.
Et peut-être même qu'en 86 ce sont des solex, ceux là, je n'ai jamais eu à faire à eux sur les lands, le range n'étant pas ma spécialité.
Pas sur. Dans quel état est l'allumage ?un réglage des carburateurs s'imposent il me semble,
Vois ce thème pour les petite soupape sur les volets: Réglage du jeu de soupapes sur un v8si vous avez des infos des documentations sur ces carburateurs je suis preneur
A+
2 solutions: la bonne et l'Anglaise
LUCAS: Il n'y a pas de contact où il le faut et il y en a un où il ne faut pas
On ne peut aller loin en amitié, si on n'est pas disposé à se pardonner les uns aux autres les petits défauts.
www.eternal-vehicles.fr
LUCAS: Il n'y a pas de contact où il le faut et il y en a un où il ne faut pas
On ne peut aller loin en amitié, si on n'est pas disposé à se pardonner les uns aux autres les petits défauts.
www.eternal-vehicles.fr
Re: Réglage carburateur range rover V8 3.5L
Les Zenith et Solex sont quasiment identiques.
" Quand le sage montre la lune; l'idiot regarde son doigt "
Re: Réglage carburateur range rover V8 3.5L
Mouhaffffff !.....nomansland a écrit :Salut ; Il doit y avoir un levier "courtes/longues" ! vérifie d'ètre sur la bonne position !!!![]()
a+Stef
Hummmm ..... visiblement il ne va pas au taf avec !!!.....
Les outils pour regler la hauteur des aiguilles : gauche Stromberg ... Droite SU
Range Classic boite 4 de 77 swap 3.9L Inj .
Re: Réglage carburateur range rover V8 3.5L
Merci Stef lol mais je l'aurais tout de suite compris...nomansland a écrit :Salut ; Il doit y avoir un levier "courtes/longues" ! vérifie d'ètre sur la bonne position !!!![]()
a+Stef
Re: Réglage carburateur range rover V8 3.5L
Consommation sur route normal, allure normale et pas de fuite mais une forte odeur d'essence...The Pater a écrit :Dans quelles conditions as tu 40 l/100 km ?
Sur route en conduite normale, une telle consommation, s'il n'y a pas de fuite est peu probable.
A+
Re: Réglage carburateur range rover V8 3.5L
Je confirme que les carburateurs sont des SOLEX et ont la même tête que la foto des ZENITH (merci LOLO)torero a écrit :Les Zenith et Solex sont quasiment identiques.
- The Pater
- Modérateur
- Messages : 13981
- Enregistré le : 25/08/2004 8:19
- Localisation : 06°27'46"E 45°50'29"N
Re: Réglage carburateur range rover V8 3.5L
S"il n'y a pas de fuites et dans ces conditions, donc en supposant uniquement un problème de richesse, j'ai du mal a croire que le moteur tourne normalement.olio974 a écrit : Consommation sur route normal, allure normale et pas de fuite mais une forte odeur d'essence...
Simple pour voir si c'est un problème de richessse. Avec une telle surconsommation tu devrais avoir tes bougies avec un beau dépôt de suies, des ratés d'allumages etc.... et de l'essence dans ton huile moteur.
Démonte tes bougies et fais des photos.
A+
Ingénieur :
Personne faisant un travail divinatoire de précision basé sur des informations peu fiables données par des personnes peu qualifiées, voire ignorantes.
=>, magicien, devin, sorcier
Personne faisant un travail divinatoire de précision basé sur des informations peu fiables données par des personnes peu qualifiées, voire ignorantes.
=>, magicien, devin, sorcier
Re: Réglage carburateur range rover V8 3.5L
En général, quand ça sent l'essence, c'est justement qu'il y a une fuite quelque part. C'est pas toujours évident à trouver car l'essence est très volatile et ne laisse donc pas de trace.olio974 a écrit : pas de fuite mais une forte odeur d'essence...
En tous cas, c'est très dangereux de rouler comme ça.
" Quand le sage montre la lune; l'idiot regarde son doigt "
- LØLØ
- Modérateur
- Messages : 6210
- Enregistré le : 30/07/2006 15:41
- Localisation : guainville (28 )
- Contact :
Re: Réglage carburateur range rover V8 3.5L
Salut,
Si cela sens l'essence, cela peut-être également un problème de boisseaux qui ferment mal, dut au flotteur ou au réglage de ceux ci, ou a une aiguille usée ou décalée.
Mais si c'est un carburateur à membrane, avant d'attaquer quoi que se soit, je prendrais un kit de réfection comprenant membranes et aiguilles. Il faut également contrôler et souder les petites soupapes sur les papillons si il y en a et que ce n'est pas fait.
La suite de la documentation si les Zénith équivaux aux Solex.
1) Remise en état : 2) Légende de l'éclaté précédent : 3) 4) 5) Mise au point réglage. 6) 7) 8 ) Bon courage
A+
Si cela sens l'essence, cela peut-être également un problème de boisseaux qui ferment mal, dut au flotteur ou au réglage de ceux ci, ou a une aiguille usée ou décalée.
Mais si c'est un carburateur à membrane, avant d'attaquer quoi que se soit, je prendrais un kit de réfection comprenant membranes et aiguilles. Il faut également contrôler et souder les petites soupapes sur les papillons si il y en a et que ce n'est pas fait.
La suite de la documentation si les Zénith équivaux aux Solex.
1) Remise en état : 2) Légende de l'éclaté précédent : 3) 4) 5) Mise au point réglage. 6) 7) 8 ) Bon courage
A+
2 solutions: la bonne et l'Anglaise
LUCAS: Il n'y a pas de contact où il le faut et il y en a un où il ne faut pas
On ne peut aller loin en amitié, si on n'est pas disposé à se pardonner les uns aux autres les petits défauts.
www.eternal-vehicles.fr
LUCAS: Il n'y a pas de contact où il le faut et il y en a un où il ne faut pas
On ne peut aller loin en amitié, si on n'est pas disposé à se pardonner les uns aux autres les petits défauts.
www.eternal-vehicles.fr
Re: Réglage carburateur range rover V8 3.5L
La forte odeur d'essence n'est peut etre pas liée au blème de conso !
Problèmes récurrents des bouchon et trappe à essence , voir aussi des réservoirs en acier pourris par la rouille .
Mes deux RR 82 et 89 ont eu ces problèmes ....
Problèmes récurrents des bouchon et trappe à essence , voir aussi des réservoirs en acier pourris par la rouille .
Mes deux RR 82 et 89 ont eu ces problèmes ....
Range Classic boite 4 de 77 swap 3.9L Inj .
- jean-yves 26
- Habitué
- Messages : 2879
- Enregistré le : 06/11/2004 16:30
- Localisation : valence 26
Re: Réglage carburateur range rover V8 3.5L
Bonjour,
j'ai eu sur mon RR un réservoir percé sur le dessous entre la tôle de protection et le réservoir, rempli de poussière, boue etc... comme le réservoir est derrière par dépression en roulant, l'odeur paraissait venir du compartiment moteur et une conso bien évidement en forte hausse. Mais le plus fort était qu'il ne fuyait à pas l'arrêt alors que le réservoir était pourri sur le dessous... en cherchant, j'avais juste du goudron ou blaxon (monté d'origine pour une pseudo étanchéité) qui se désagrégé sur l'arrière du réservoir entre la tôle et le réservoir avec une odeur d'essence.
si montage d'un réservoir en bon état ou neuf, prévoir un espace d'au moins 2 cm entre la protection et le réservoir pour pouvoir laver à grande eau après des sorties boueuses ou poussiéreuses
j'ai eu sur mon RR un réservoir percé sur le dessous entre la tôle de protection et le réservoir, rempli de poussière, boue etc... comme le réservoir est derrière par dépression en roulant, l'odeur paraissait venir du compartiment moteur et une conso bien évidement en forte hausse. Mais le plus fort était qu'il ne fuyait à pas l'arrêt alors que le réservoir était pourri sur le dessous... en cherchant, j'avais juste du goudron ou blaxon (monté d'origine pour une pseudo étanchéité) qui se désagrégé sur l'arrière du réservoir entre la tôle et le réservoir avec une odeur d'essence.
si montage d'un réservoir en bon état ou neuf, prévoir un espace d'au moins 2 cm entre la protection et le réservoir pour pouvoir laver à grande eau après des sorties boueuses ou poussiéreuses
jean-yves 26
-
jerome38
- Habitué
- Messages : 725
- Enregistré le : 03/06/2004 10:45
- Localisation : Uriage, Region grenobloise
Re: Réglage carburateur range rover V8 3.5L
l'essence étant extremement volatile, le moindre trou ou porosité devient une fuite (mon RR consommait, meme moteur coupé...
).
Inspecte donc minutieusement le circuit, du réservoir au carburateurs. N'oublie pas qu'il y a un circuit retour.
Inspecte donc minutieusement le circuit, du réservoir au carburateurs. N'oublie pas qu'il y a un circuit retour.
Re: Réglage carburateur range rover V8 3.5L
Pas de fuites d'essence, recherches effectuées au niveau du réservoir et moteur...mais odeur persistante. Par contre à l'accélération sa fume un tout petit peu...
Je me suis rendu apercu aussi que la pompe à essence fonctionnait tout le temps, est ce normal?
Selon vous y aurait il un moyen de supprimer ces carburateurs et de passer mon RR en injection? (trop compliquer ces carbus et pas de docteur carbu dans mon entourage...)
Je me suis rendu apercu aussi que la pompe à essence fonctionnait tout le temps, est ce normal?
Selon vous y aurait il un moyen de supprimer ces carburateurs et de passer mon RR en injection? (trop compliquer ces carbus et pas de docteur carbu dans mon entourage...)
- LØLØ
- Modérateur
- Messages : 6210
- Enregistré le : 30/07/2006 15:41
- Localisation : guainville (28 )
- Contact :
Re: Réglage carburateur range rover V8 3.5L
olio974 a écrit :
Selon vous y aurait il un moyen de supprimer ces carburateurs et de passer mon RR en injection? (trop compliquer ces carbus et pas de docteur carbu dans mon entourage...)
C'est 10 fois plus compliqué une injection, 14 fois plus chère et nettement moins fiable dans le temps et en condition extrême.
A+
2 solutions: la bonne et l'Anglaise
LUCAS: Il n'y a pas de contact où il le faut et il y en a un où il ne faut pas
On ne peut aller loin en amitié, si on n'est pas disposé à se pardonner les uns aux autres les petits défauts.
www.eternal-vehicles.fr
LUCAS: Il n'y a pas de contact où il le faut et il y en a un où il ne faut pas
On ne peut aller loin en amitié, si on n'est pas disposé à se pardonner les uns aux autres les petits défauts.
www.eternal-vehicles.fr
Re: Réglage carburateur range rover V8 3.5L
LØLØ a écrit :Salut,
Si cela sens l'essence, cela peut-être également un problème de boisseaux qui ferment mal, dut au flotteur ou au réglage de ceux ci, ou a une aiguille usée ou décalée.
A+
Vi ... Il y a un tuyau par carbu qui au cas ou , un des boisseaux reste coinsé , écvacu l'essence vers le boitier de direction .
Quand rarement cela m'arrivait , un coup de manche de tourne-vis sur les carbus ...
Range Classic boite 4 de 77 swap 3.9L Inj .
Re: Réglage carburateur range rover V8 3.5L
Vi ... Il y a un tuyau par carbu qui au cas ou , un des boisseaux reste coinsé , écvacu l'essence vers le boitier de direction .
Quand rarement cela m'arrivait , un coup de manche de tourne-vis sur les carbus ...[/quote]
Boitier de direction? t'en es sûre?....
bon ben ya plus qu'à réviser ces bon vieux carbus...
Quand rarement cela m'arrivait , un coup de manche de tourne-vis sur les carbus ...[/quote]
Boitier de direction? t'en es sûre?....
bon ben ya plus qu'à réviser ces bon vieux carbus...