Mon def ne demarre pas
Règles du forum
En naviguant sur le site http://www.landroverfaq.com vous reconnaissez avoir lu ses Conditions d’Utilisation, vous déclarez les comprendre et vous acceptez d’y être lié de manière inconditionnelle. Si tel n'est pas le cas, merci de quitter immédiatement ce site.
Vous pouvez joindre autant d'images que nécessaire à vos messages A LA CONDITION EXPRESSE d'utiliser l'hébergement fourni par le site.
L'administrateur effacera systématiquement tout message contenant des photos hébergées chez Imageschack, Casimage, Wistiti ou tout autre hébergeur tiers sans sommation ni justification.
En naviguant sur le site http://www.landroverfaq.com vous reconnaissez avoir lu ses Conditions d’Utilisation, vous déclarez les comprendre et vous acceptez d’y être lié de manière inconditionnelle. Si tel n'est pas le cas, merci de quitter immédiatement ce site.
Vous pouvez joindre autant d'images que nécessaire à vos messages A LA CONDITION EXPRESSE d'utiliser l'hébergement fourni par le site.
L'administrateur effacera systématiquement tout message contenant des photos hébergées chez Imageschack, Casimage, Wistiti ou tout autre hébergeur tiers sans sommation ni justification.
-
Serial Climber
- Messages : 9
- Enregistré le : 03/09/2014 15:54
Mon def ne demarre pas
Bonjour,
Mon Def ne démarre pas, lorsque je tourne la clef en position I, les voyants s'allument sauf celui du moteur et du préchauffage, et l'aiguille de T° va à fond ????
De plus je n'entend pas tourner la pompe.
Si je tourne la clef en position II, le moteur tourne mais ne démarre pas.
j'ai eu des prémices en début de semaine, mais les voyants et aiguilles étaient redevenus normal, sans que je fasse quoi que ce soit (Mystère).
Quelqu'un aurait il une idée, une suggestion. Merci par avance
Mon Def ne démarre pas, lorsque je tourne la clef en position I, les voyants s'allument sauf celui du moteur et du préchauffage, et l'aiguille de T° va à fond ????
De plus je n'entend pas tourner la pompe.
Si je tourne la clef en position II, le moteur tourne mais ne démarre pas.
j'ai eu des prémices en début de semaine, mais les voyants et aiguilles étaient redevenus normal, sans que je fasse quoi que ce soit (Mystère).
Quelqu'un aurait il une idée, une suggestion. Merci par avance
Re: Mon def ne demarre pas
C'est un Td5?
" Quand le sage montre la lune; l'idiot regarde son doigt "
-
Serial Climber
- Messages : 9
- Enregistré le : 03/09/2014 15:54
Re: Mon def ne demarre pas
Bonjour, oui 110 crew cab
Re: Mon def ne demarre pas
L'absence de bruit émis par la pompe n'est pas normal.
Les fusibles sont ils OK ? la pompe est bien alimentée ?
Les fusibles sont ils OK ? la pompe est bien alimentée ?
-
Serial Climber
- Messages : 9
- Enregistré le : 03/09/2014 15:54
Re: Mon def ne demarre pas
Bonsoir,
Les fusibles sont ok.
Et je dirais que la pompe est alimentée puisque c'est un pb intermittent
On ma parlé d'un relais oxydé sous le siège passager ou d'un pb de masse?
Les fusibles sont ok.
Et je dirais que la pompe est alimentée puisque c'est un pb intermittent
On ma parlé d'un relais oxydé sous le siège passager ou d'un pb de masse?
Re: Mon def ne demarre pas
Oui, tout à fait. Vérifie les contacts des relais sous le siège, ainsi que les fils d'alimentation de la boite à fusible. Tu peux t'aider avec un produit de rénovation des contacts électriques.Serial Climber a écrit :Bonsoir,
Les fusibles sont ok.
Et je dirais que la pompe est alimentée puisque c'est un pb intermittent
On ma parlé d'un relais oxydé sous le siège passager ou d'un pb de masse?
" Quand le sage montre la lune; l'idiot regarde son doigt "
-
Serial Climber
- Messages : 9
- Enregistré le : 03/09/2014 15:54
Re: Mon def ne demarre pas
Merci j'essaye et je vous tient au jus
-
Serial Climber
- Messages : 9
- Enregistré le : 03/09/2014 15:54
Re: Mon def ne demarre pas
Ok, c'était bien un relais avec les connecteurs un peu oxydés. Je n’avais pas de produits de réno des contacts, donc un petit coup de papier de verre et hop le tour est joué, et mon def redémarre de nouveau. Merci à tous pour vos conseils. J’ai mis une petite photo, c'est le relais du bas, mais je pense que les 2 peuvent être incriminant.
Voila à une prochaine
PS:j'ai aussi des interrogation sur les joints homocinétiques voir "Ca fait du bruit, quand ça tourne !!!".
Voila à une prochaine
PS:j'ai aussi des interrogation sur les joints homocinétiques voir "Ca fait du bruit, quand ça tourne !!!".
Re: Mon def ne demarre pas
Vu la merde qui a dans le fond c'est pas étonnant. Sur mon Def j'ai monté l'ECU, les relais et la boite à fusibles derrière le cubby box contre l'arrêt de charge. Ainsi tout est l'abri des éventuelles pollution lors de passages de gués boueux. 
" Quand le sage montre la lune; l'idiot regarde son doigt "
-
Serial Climber
- Messages : 9
- Enregistré le : 03/09/2014 15:54
Re: Mon def ne demarre pas
Excellente idée !!!
Ta pas une petite photo?
Ta pas une petite photo?
Re: Mon def ne demarre pas
Je n'ai pas de photo sous la main, mais c'est très simple à réaliser. Le faisceau électrique est suffisamment long excepté le fil du témoin de blocage du diff central qu'il faut rallonger. il faut faire 2 trou dans le plancher avec une scie cloche pour faire passer les câbles. Fabriquer un support pour la boite à fusible, un support pour l'ECU et une petite barrette support pour les relais. Je mettrais des photos dès que je peux.
" Quand le sage montre la lune; l'idiot regarde son doigt "
-
landiste69
- Messages : 5
- Enregistré le : 08/09/2014 10:45
- Localisation : Nouvelle-CALEDONIE
Re: Mon def ne demarre pas
Bonjour,
je suis tout nouveau sur le site. Je suis venu là pour pouvoir trouver une solution à ma panne dont les symptômes sont les même que "Serial Climber".
Par contre, moi j'ai passer du produit à connexion sur tous les fusibles, relais et jonctions de faisceaux tant sous le capot que dans l'habitacle. Mon Def TD5 claque le fusible 30 A de la boite sous le siège intitulé MAIN RELAIS et je ne sais quels instruments ils protège.
Merci de vos réponses et commentaires.
je suis tout nouveau sur le site. Je suis venu là pour pouvoir trouver une solution à ma panne dont les symptômes sont les même que "Serial Climber".
Par contre, moi j'ai passer du produit à connexion sur tous les fusibles, relais et jonctions de faisceaux tant sous le capot que dans l'habitacle. Mon Def TD5 claque le fusible 30 A de la boite sous le siège intitulé MAIN RELAIS et je ne sais quels instruments ils protège.
Merci de vos réponses et commentaires.
- LØLØ
- Modérateur
- Messages : 6210
- Enregistré le : 30/07/2006 15:41
- Localisation : guainville (28 )
- Contact :
Re: Mon def ne demarre pas
landiste69 a écrit :Bonjour,
je suis tout nouveau sur le site.
Salut, bienvenue,
Je peux te proposer un extrait de schéma pour éclairer ta lanterne, mais sans garantie, car il faudrait que tu précises, l'année du def; le modèle; et les éventuelles les options dont il est peut-être pourvu. Car entre 99 et 2007 les TD5 ont beaucoup évolués d'un point de vue électricité, et par voie de conséquence les schémas s'y référant aussi. A+Mon Def TD5 claque le fusible 30 A de la boite sous le siège intitulé MAIN RELAIS et je ne sais quels instruments ils protège.
2 solutions: la bonne et l'Anglaise
LUCAS: Il n'y a pas de contact où il le faut et il y en a un où il ne faut pas
On ne peut aller loin en amitié, si on n'est pas disposé à se pardonner les uns aux autres les petits défauts.
www.eternal-vehicles.fr
LUCAS: Il n'y a pas de contact où il le faut et il y en a un où il ne faut pas
On ne peut aller loin en amitié, si on n'est pas disposé à se pardonner les uns aux autres les petits défauts.
www.eternal-vehicles.fr
-
landiste69
- Messages : 5
- Enregistré le : 08/09/2014 10:45
- Localisation : Nouvelle-CALEDONIE
Re: Mon def ne demarre pas
merci LOLO de ta réponse rapide.
Mon DEFENDER TD5 est de 1999, c'est un 130 crew, il n'a pas de climatisation ni vitres électriques ni alarme.
Je dois dire aussi que j'avais un souci avec l'alternateur, le voyant s'allumait et après plusieurs test j'ai conclu que l'alternateur était hors service ou peut être un composant HS. Mais comme je ne suis pas un pro de la mécanique (en plus je suis loin de tout atelier de mécanique) je dois me débrouiller seul!!!
Alors je me suis procuré un alternateur avec sa pompe à vide. Et pour ce faire j'ai voulu nettoyer le moteur pour travailler sans trop me salir, et depuis il ne démarre plus et claque ce fameux fusible de 30A dés que je met le contact.
Pour ce qui est du schémas, je vois bien le main relais mais comme ne sais pas trop traduire le plan je ne vois pas bien quels sont les fonctions qu'il protège.
Merci à ceux et surtout à toi LOLO de m'aider à me dépanner.
à bientôt de vous lire
Mon DEFENDER TD5 est de 1999, c'est un 130 crew, il n'a pas de climatisation ni vitres électriques ni alarme.
Je dois dire aussi que j'avais un souci avec l'alternateur, le voyant s'allumait et après plusieurs test j'ai conclu que l'alternateur était hors service ou peut être un composant HS. Mais comme je ne suis pas un pro de la mécanique (en plus je suis loin de tout atelier de mécanique) je dois me débrouiller seul!!!
Alors je me suis procuré un alternateur avec sa pompe à vide. Et pour ce faire j'ai voulu nettoyer le moteur pour travailler sans trop me salir, et depuis il ne démarre plus et claque ce fameux fusible de 30A dés que je met le contact.
Pour ce qui est du schémas, je vois bien le main relais mais comme ne sais pas trop traduire le plan je ne vois pas bien quels sont les fonctions qu'il protège.
Merci à ceux et surtout à toi LOLO de m'aider à me dépanner.
à bientôt de vous lire
- LØLØ
- Modérateur
- Messages : 6210
- Enregistré le : 30/07/2006 15:41
- Localisation : guainville (28 )
- Contact :
Re: Mon def ne demarre pas
Salut,landiste69 a écrit : Alors je me suis procuré un alternateur avec sa pompe à vide. Et pour ce faire j'ai voulu nettoyer le moteur pour travailler sans trop me salir, et depuis il ne démarre plus et claque ce fameux fusible de 30A dés que je met le contact.
Pour ce qui est du schémas, je vois bien le main relais mais comme ne sais pas trop traduire le plan je ne vois pas bien quels sont les fonctions qu'il protège.
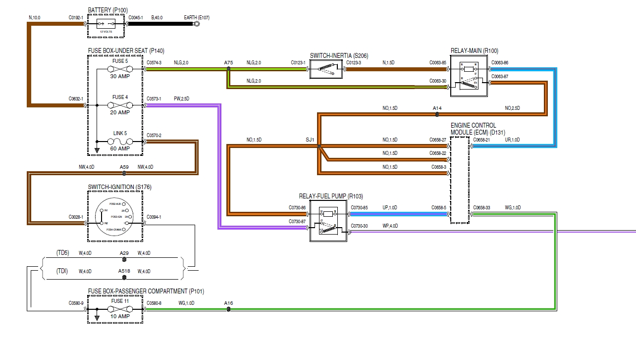
Ah! bon déjà un relais ne protège pas mais commande une forte puissance à l'aide d'une petite pour faire simple.
Bon effectivement, ce n'est pas de chance, car comme son nom l'indique, main veut dire principale, c'est à dire qu'il commande plein de chose
Ensuite, ton land malgré son année précoce pour un Td5, est déjà a cheval sur deux schémas, pour faire simple encore les tout premier Td5 avait la boite à fusibles dans le compartiment moteur, toi tu l'as sous le siège passager, mais cela ne change pas grand chose pour la compréhension des schémas.
Le fusible 30A protège deux chose en direct:
1)Le contacteur a inertie
2) Le " main relay C0063" Comme tu peux le voir sur le schéma:
Il fourni 3 x 12V après contact au calculateur ( ECU ).
Le relais de la pompe à GO.
L'EGR.
L'alim du capteur de débit d'air ( sensor mass air flow)
Relais du ventilateur de refroidissement, ( je pense que c'est pour la clim )
Alim de l’embrayage du compresseur de clim ( donc on ne s'en occupe pas )
Alim du relais de préchauffage.
Sur la doc constructeur du relais jaune, C0063 est situé sous le siège passager, a cotè de la boite de fusible, pour être sur que tu as affaire au bon relais fis toi à la couleur des fils. Car évidement il peut y avoir une ambiguïté quant à sa position.
1er) cas, celui de la doc: 2ème) cas, ou l'on peut voir une inversion entre le relais jaune et le noir, donc là pour savoir lequel est le "main" relais, il faut regarder la couleur des fils sous le support du relais pour être sur d'avoir à faire au bon relais. Au passage, est ce que ce tableau de fusibles correspond t-il bien au tiens ? 3ème) cas aussi
Dans un premier temps si tu le peux, fabrique toi un fusible réarmable, sinon tu risques d'en consommer un paquet de 30 A: Tu t'en fais de 32 A ou même un 20 A, faute de mieux, vois ce thème: Clignotants HS et fusible qui saute.
Premièrement: tu enlèves le "main relay" C0065 de son support.
Si le fusible saute, regardes du coté des fils du contacteur a inertie.
Si le fusible ne saute pas:
Soit:
a) Le relais lui même est mort, pour le savoir, tu peux l'inverser avec un autre relais identique que tu trouveras sous le tableau de fusible au centre derrière les leviers de vitesse, ou l'ouvrir voir si tout n'est pas grillé dedans, voir l'essayer, tu fais un appel de phare, vois quel relais commute et monte à la place le "main relais" refais un appel pour voir si il commute normalement.
b) Si le relais est OK, cela provient d'une partie commandé par ce relais, Il faut donc chercher dans un premier temps, dans le compartiment moteur autour de l'alternateur un fil dénudé, une cosse qui traine...
b-1) tu en es où avec l'EGR, son connecteur ou ses fils sont-ils bien protégés si déconnecté
b-2) le capteur du débit d'air
b-3) les bougies de préchauffage, et sous le siège passager le relais (noir) de préchauffage ( C0215 ) aussi a enlever aussi en cas de doute dans un premier temps.
b-4) la pompe à GO, mais j'y crois moyen.
Sinon après, plus difficile d’accès, il y a les deux connecteurs K109, qui peuvent avoir un court circuit en interne. Comme on peut le remarquer, il y a dans un petit boitier des masses (fil noir) et notre +12V (fil marron liseré orange) commandé par le "main relay". Il n'est pas rare de voir ces petits connecteurs a moitié fondu, établissant un contact franc entre une masse et un +12v générant ce type de problème. Pour que tu comprennes le principe de fonctionnement, le connecteur d'interconnexion C0294 ouvert va servir d'exemple. Dans le couvercle on peut voir 4 barrettes, deux à 4 liaisons et deux à 6 liaisons établissant les contacts lorsqu'on remet le capot.
Il n'est pas rare de voir des défauts de liaisons à ce niveau là dans nos lands vieillissants, enfin a partir du 300 car avant 94, cela n'existait pas. La situation géographique de ces connecteurs, eu... en Nouvelle-Calédonie! Je croie.
Non, je déconne, à coté du calculateur, ils peuvent-être emmaillotés dans le faisceau avec du gros scotch noir et de la mousse noire ou grise. La meilleur façon de se repérer, c'est de voir si les couleurs de fils qui arrivent correspondes bien aux schémas. Vérifier également l’état d'usure de l'isolant des fils, des fois qu'ils y en aient un qui aient frotté à l’intérieur du caisson. Si tu as un peu de temps, tu peux lire ce thème Veilleuses-codes-phares HS Def 300tdi/td5 on y parle des connecteurs bleus, il y a un bel exemple photographié sur le land de ned.
Bonne recherche, tiens nous au courant, si je puis dire.
A+
NB: Sur la photo de Serial Climber on reconnait le relais de pompe à GO, les couleurs correspondes bien au schéma. On remarque aussi qu'il y a encore une 4ème variantes de positionnement des relais par rapport au document constructeur.
Modifié en dernier par LØLØ le 27/10/2014 9:47, modifié 1 fois.
2 solutions: la bonne et l'Anglaise
LUCAS: Il n'y a pas de contact où il le faut et il y en a un où il ne faut pas
On ne peut aller loin en amitié, si on n'est pas disposé à se pardonner les uns aux autres les petits défauts.
www.eternal-vehicles.fr
LUCAS: Il n'y a pas de contact où il le faut et il y en a un où il ne faut pas
On ne peut aller loin en amitié, si on n'est pas disposé à se pardonner les uns aux autres les petits défauts.
www.eternal-vehicles.fr
-
landiste69
- Messages : 5
- Enregistré le : 08/09/2014 10:45
- Localisation : Nouvelle-CALEDONIE
Re: Mon def ne demarre pas
Bonjour,
Bon après plusieurs semaines de recherches, je n'ai pas trouvé la panne. J'ai bien regardé autour de l'alternateur comme tu me l'as indiqué rien de suspect. J'ai également suivi tout ce que tu m'as préconisé de faire avec les relais, là aussi rien. alors je me suis orienté vers ma pompe du réservoir (qui ne tourne pas du tout à chaque teste) je l'ai débranché et toujours le même problème le fusible saute. J'ai regardé également vers le contacteur à inertie je n'ai rien vu de bizarre au niveau des fils. Cependant, lorsque je le débranche et que je mets le contact, je n'ai plus le témoins de préchauffage au tableau et pas de fusible qui saute.
Par ailleurs, lorsque je teste les 2 bornes de mon fusible (30 A main relais) je trouve une tension de 12 V ce qui me semble pas normal. Est ce que cela veut dire que j'ai un court circuit dans le faisceau? Où ai je un appareil HS?
Je deviens fou avec ce problème car je n'ai pas de voiture!!!!
Enfin, juste avant de t'envoyer ce mail, j'ai détecté un fil de couleur noir dénudé au niveau de la fiche rouge au calculateur. Ce fil noir arrive avec deux autre fils dans une même gaine noire. L'un est Blanc et bleu, l'autre rose et noir.
Je suis incapable d'insérer la photo que j'ai prise.
Merci de vos réponses. LOLO je vai tenter de te l'envoyer en privé.
Bon après plusieurs semaines de recherches, je n'ai pas trouvé la panne. J'ai bien regardé autour de l'alternateur comme tu me l'as indiqué rien de suspect. J'ai également suivi tout ce que tu m'as préconisé de faire avec les relais, là aussi rien. alors je me suis orienté vers ma pompe du réservoir (qui ne tourne pas du tout à chaque teste) je l'ai débranché et toujours le même problème le fusible saute. J'ai regardé également vers le contacteur à inertie je n'ai rien vu de bizarre au niveau des fils. Cependant, lorsque je le débranche et que je mets le contact, je n'ai plus le témoins de préchauffage au tableau et pas de fusible qui saute.
Par ailleurs, lorsque je teste les 2 bornes de mon fusible (30 A main relais) je trouve une tension de 12 V ce qui me semble pas normal. Est ce que cela veut dire que j'ai un court circuit dans le faisceau? Où ai je un appareil HS?
Je deviens fou avec ce problème car je n'ai pas de voiture!!!!
Enfin, juste avant de t'envoyer ce mail, j'ai détecté un fil de couleur noir dénudé au niveau de la fiche rouge au calculateur. Ce fil noir arrive avec deux autre fils dans une même gaine noire. L'un est Blanc et bleu, l'autre rose et noir.
Je suis incapable d'insérer la photo que j'ai prise.
Merci de vos réponses. LOLO je vai tenter de te l'envoyer en privé.
- nanard833
- Habitué
- Messages : 3989
- Enregistré le : 10/10/2009 20:18
- Localisation : disco 300TDI 431000 bornes
Re: Mon def ne demarre pas
branche ton phone via câble usb à ton ordilandiste69 a écrit :Je suis incapable d'insérer la photo que j'ai prise.
répondre=>transférer une piéce jointe=>parcourir=>dossier qui contient la photo sur ton phone=>double clic sur la photo=>ajouter le fichier
c'est pas bien compliqué....si la photo est trop lourde tu la réduis avec Paint (ouvrir avec Paint)=>redimensionner=>pixels=>1000 ds la 1ere ligne=> valider=>enregistrer et tu recommences=>transférer une piéce jointe=>parcourir=>double clic sur la photo=>ajouter le fichier
non mais
A+
Gratter la botte ne soulage guère quand ça démange à l'intérieur (proverbe chinois)
- LØLØ
- Modérateur
- Messages : 6210
- Enregistré le : 30/07/2006 15:41
- Localisation : guainville (28 )
- Contact :
Re: Mon def ne demarre pas
landiste69 a écrit : Bon après plusieurs semaines de recherches, je n'ai pas trouvé la panne.
Salut,
Bon, il faut se remettre dedans.
OKJ'ai bien regardé autour de l'alternateur comme tu me l'as indiqué rien de suspect
Là il faudrait être plus précis.. J'ai également suivi tout ce que tu m'as préconisé de faire avec les relais, là aussi rien.
As tu vérifier les collecteurs bleu ?
Donc ce n'est pas la pompe, et elle ne se met pas en marche, puisque le main fusible ne tient pas, et c'est lui qui alimente l'ECM qui commande le relais de mise en route de la pompe.alors je me suis orienté vers ma pompe du réservoir (qui ne tourne pas du tout à chaque teste) je l'ai débranché et toujours le même problème le fusible saute.
Ah, ça c'est intéressantJ'ai regardé également vers le contacteur à inertie je n'ai rien vu de bizarre au niveau des fils. Cependant, lorsque je le débranche et que je mets le contact, je n'ai plus le témoins de préchauffage au tableau et pas de fusible qui saute.
T'as mesure, tu l'as faite dans quelle condition, car il y a plusieurs réponses possibles:Par ailleurs, lorsque je teste les 2 bornes de mon fusible (30 A main relais) je trouve une tension de 12 V ce qui me semble pas normal. Est ce que cela veut dire que j'ai un court circuit dans le faisceau?
Si fusible en place, cela veut dire qu'il est HS, car normalement, si le fusible est bon, aux bornes du fusible tu dois avoir 0V.
Sinon cette mesure est interprétable de 2 façons:
1)Cela cela peut vouloir dire, qu'il y a un retour possible a travers un élément comme un voyant; une bobine de relais; une horloge ou dieu sait quoi, qui laisse passer un petit courant suffisant pour la mesure du 12V qui nécessite que quelques micro ampère, comme on dit le retour à la masse s’effectue par les instruments de bord.
2)Cela veut dire que le 12V arrive bien d'un coté, et que de l'autre tu as une masse franche, et on va pouvoir ce servir de ça pour la chercher au lieu de cramer du fusible.
Oui bien sur, cela est très possible, et que cet appareil est connecté et alimenté par le main fusible, ou bien si ce n'est pas un appareil, c'est sur un des fils ou un des connecteurs alimentant un de ces appareils qu'il y a un défaut.Où ai je un appareil HS?
Reste calme on va trouverJe deviens fou avec ce problème car je n'ai pas de voiture!!!!
Pas bon un fil dénudé, du noir c'est généralement une masseEnfin, juste avant de t'envoyer ce mail, j'ai détecté un fil de couleur noir dénudé au niveau de la fiche rouge au calculateur.
Je ne suis pas sur, que ce capteur puisse faire sauter un fusible de 30A, mais peut être que dans le faisceau, il se passe des choses pas claires avec le fil noir.Ce fil noir arrive avec deux autre fils dans une même gaine noire. L'un est Blanc et bleu, l'autre rose et noir.
Lis ça: Insérer ses photos directement sur le site !Je suis incapable d'insérer la photo que j'ai prise.
Reprise de l'analyse plus tard, repas de famille oblige...
A+
Modifié en dernier par LØLØ le 27/10/2014 9:52, modifié 2 fois.
2 solutions: la bonne et l'Anglaise
LUCAS: Il n'y a pas de contact où il le faut et il y en a un où il ne faut pas
On ne peut aller loin en amitié, si on n'est pas disposé à se pardonner les uns aux autres les petits défauts.
www.eternal-vehicles.fr
LUCAS: Il n'y a pas de contact où il le faut et il y en a un où il ne faut pas
On ne peut aller loin en amitié, si on n'est pas disposé à se pardonner les uns aux autres les petits défauts.
www.eternal-vehicles.fr
- LØLØ
- Modérateur
- Messages : 6210
- Enregistré le : 30/07/2006 15:41
- Localisation : guainville (28 )
- Contact :
Re: Mon def ne demarre pas
Salut,
En reprenant le schéma du collecteur de liaison C0291, sur le quel on peut voir la distribution des deux liaisons protégées par le fusible MAIN:

Tu débranches le contacteur à inertie et tu enlèves de son support le relais principale ( MAIN en anglais) C0063.
Tu places ton voltmètre en position voltmètre à la place du fusible, avec le + (fil rouge) du coté qui vient du fusible 100A et le - du coté sortie C0574-3, pouvoir cette liaison, il faut regarder sous cache sous le boitier, ou la photo
Maintenant, tu mets le contact, et si tout va bien il doit y avoir 0V, car comme tu peux le voir sur le schéma, rien n'est sensé être connecté derrière le fusible hormis le connecteur bleu.
Par contre si cela dévie, ou disons si tu mesures 12V, alors, tu es bon pour ausculter le K109 (C0291), c'est à dire le défaire du faisceau et l'ouvrir. Tu le repéreras facilement a l'aide des couleurs des fils qui arrivent dessus: 5 fils noirs; 6 fils marrons liseré orange; 2 fils blancs liseré rose et 3 fils marrons liseré vert clair qu'il faudra particulièrement surveiller, car il ne serait pas étonnant, qu'il y ait un contact de masse indésirable sur l'un de ces fils.
Ensuite si RAS, tu rebranches seulement le contacteur à inertie, que ce passe t-il ?
Si le voltmètre affiche 12V, il faut pister les fils du contacteur. L'un le marron liseré vert clair qui va au contacteur, mais surtout celui qui en repart un marron, car si sans le contacteur à inertie c'est OK, c'est parce que contacteur étant un simple contact, le défaut se trouverait sur le fil qui en repart, ou malheureusement, et je pense que cela serait le plus probable, le défaut se situerait après le MAIN relais, car le fait d'enlever le contacteur à inertie déconnecte ce relais, étant donné qu'il alimente un tas de choses vitales pour la bonne marche du land, il va falloir procéder méthodiquement et par élimination pour cerner le défaut. Oui, le contacteur a inertie est sensé arrêter le land en cas d'accident de façon la plus sur et la plus sécuritaire possible, en coupant la pompe à GO et l'ECU et les organe nécessaire au fonctionnement moteur.
Extrait de schéma TD5 de 2002, mais c'est le même pour un land de 99: Mais pour l'instant, je vais arrêter les hypothèses, tend que les deux connecteurs bleus K109 (C0291 et C0294) n'auront pas été ouvert; inspecté et photographié.
Puis on partira d'eux pour rebrancher petit à petit les éléments, jusqu'à ce que l'on tombent sur celui qui fait sauter le MAIN fusible.
En branchant le capot de C0291, sans celui sur C0294, cela définira une grande zone de recherche sur deux en éliminant plein de trucs d'un coup.
Au passage, vérifie le positionnement correct du capteur de point mort haut et de l'état de ses fils, protège ceux qui sont dénudés.
A+
En reprenant le schéma du collecteur de liaison C0291, sur le quel on peut voir la distribution des deux liaisons protégées par le fusible MAIN:
Tu débranches le contacteur à inertie et tu enlèves de son support le relais principale ( MAIN en anglais) C0063.
Tu places ton voltmètre en position voltmètre à la place du fusible, avec le + (fil rouge) du coté qui vient du fusible 100A et le - du coté sortie C0574-3, pouvoir cette liaison, il faut regarder sous cache sous le boitier, ou la photo
Par contre si cela dévie, ou disons si tu mesures 12V, alors, tu es bon pour ausculter le K109 (C0291), c'est à dire le défaire du faisceau et l'ouvrir. Tu le repéreras facilement a l'aide des couleurs des fils qui arrivent dessus: 5 fils noirs; 6 fils marrons liseré orange; 2 fils blancs liseré rose et 3 fils marrons liseré vert clair qu'il faudra particulièrement surveiller, car il ne serait pas étonnant, qu'il y ait un contact de masse indésirable sur l'un de ces fils.
Ensuite si RAS, tu rebranches seulement le contacteur à inertie, que ce passe t-il ?
Si le voltmètre affiche 12V, il faut pister les fils du contacteur. L'un le marron liseré vert clair qui va au contacteur, mais surtout celui qui en repart un marron, car si sans le contacteur à inertie c'est OK, c'est parce que contacteur étant un simple contact, le défaut se trouverait sur le fil qui en repart, ou malheureusement, et je pense que cela serait le plus probable, le défaut se situerait après le MAIN relais, car le fait d'enlever le contacteur à inertie déconnecte ce relais, étant donné qu'il alimente un tas de choses vitales pour la bonne marche du land, il va falloir procéder méthodiquement et par élimination pour cerner le défaut. Oui, le contacteur a inertie est sensé arrêter le land en cas d'accident de façon la plus sur et la plus sécuritaire possible, en coupant la pompe à GO et l'ECU et les organe nécessaire au fonctionnement moteur.
Extrait de schéma TD5 de 2002, mais c'est le même pour un land de 99: Mais pour l'instant, je vais arrêter les hypothèses, tend que les deux connecteurs bleus K109 (C0291 et C0294) n'auront pas été ouvert; inspecté et photographié.
Puis on partira d'eux pour rebrancher petit à petit les éléments, jusqu'à ce que l'on tombent sur celui qui fait sauter le MAIN fusible.
En branchant le capot de C0291, sans celui sur C0294, cela définira une grande zone de recherche sur deux en éliminant plein de trucs d'un coup.
Au passage, vérifie le positionnement correct du capteur de point mort haut et de l'état de ses fils, protège ceux qui sont dénudés.
A+
Modifié en dernier par LØLØ le 27/10/2014 12:23, modifié 2 fois.
2 solutions: la bonne et l'Anglaise
LUCAS: Il n'y a pas de contact où il le faut et il y en a un où il ne faut pas
On ne peut aller loin en amitié, si on n'est pas disposé à se pardonner les uns aux autres les petits défauts.
www.eternal-vehicles.fr
LUCAS: Il n'y a pas de contact où il le faut et il y en a un où il ne faut pas
On ne peut aller loin en amitié, si on n'est pas disposé à se pardonner les uns aux autres les petits défauts.
www.eternal-vehicles.fr
-
landiste69
- Messages : 5
- Enregistré le : 08/09/2014 10:45
- Localisation : Nouvelle-CALEDONIE
Re: Mon def ne demarre pas
Bonjour et merci à vous deux Narnard et Lolo,
Pour les photos je vais suivre tes conseils nanard, juste que c'est à partir d'un appareil photo que je dois faire la manip.
Quand à toi Lolo, merci pour ces précieuses infos. tes explications sont claires je comprends bien (et c'est un miracle....) mais sur la pratique je vais surement encore ma casser la tête.
mais comme disaient nos vieux c'est en forgeant qu'on devient forgeront (hahahaha!!!!!)
A plus
Pour les photos je vais suivre tes conseils nanard, juste que c'est à partir d'un appareil photo que je dois faire la manip.
Quand à toi Lolo, merci pour ces précieuses infos. tes explications sont claires je comprends bien (et c'est un miracle....) mais sur la pratique je vais surement encore ma casser la tête.
mais comme disaient nos vieux c'est en forgeant qu'on devient forgeront (hahahaha!!!!!)
A plus