comodo de veilleuse /code
Règles du forum
En naviguant sur le site http://www.landroverfaq.com vous reconnaissez avoir lu ses Conditions d’Utilisation, vous déclarez les comprendre et vous acceptez d’y être lié de manière inconditionnelle. Si tel n'est pas le cas, merci de quitter immédiatement ce site.
Vous pouvez joindre autant d'images que nécessaire à vos messages A LA CONDITION EXPRESSE d'utiliser l'hébergement fourni par le site.
L'administrateur effacera systématiquement tout message contenant des photos hébergées chez Imageschack, Casimage, Wistiti ou tout autre hébergeur tiers sans sommation ni justification.
En naviguant sur le site http://www.landroverfaq.com vous reconnaissez avoir lu ses Conditions d’Utilisation, vous déclarez les comprendre et vous acceptez d’y être lié de manière inconditionnelle. Si tel n'est pas le cas, merci de quitter immédiatement ce site.
Vous pouvez joindre autant d'images que nécessaire à vos messages A LA CONDITION EXPRESSE d'utiliser l'hébergement fourni par le site.
L'administrateur effacera systématiquement tout message contenant des photos hébergées chez Imageschack, Casimage, Wistiti ou tout autre hébergeur tiers sans sommation ni justification.
comodo de veilleuse /code
Bonjour à tous,
Après plusieurs changements du comodo, toujours le même problème, il fond,et le fameux fil bleu est chaud à très chaud avec odeurs qui vas avec, après démontage des caches seul le fil bleu est chaud entre la partie de branchement pour le petit comodo et le comodo code/phare, ensuite le fil bleu -rouge est normal. Il y a bien des AB mais sur un relais et un interrupteur et je ne les fonctionner que quand le comodo est trop mal en point, j'ai bien en tête de monter le code sur un relais mais je me perd un peu dans le montage. Voilà si vous avez des idées merci
Vincent
Après plusieurs changements du comodo, toujours le même problème, il fond,et le fameux fil bleu est chaud à très chaud avec odeurs qui vas avec, après démontage des caches seul le fil bleu est chaud entre la partie de branchement pour le petit comodo et le comodo code/phare, ensuite le fil bleu -rouge est normal. Il y a bien des AB mais sur un relais et un interrupteur et je ne les fonctionner que quand le comodo est trop mal en point, j'ai bien en tête de monter le code sur un relais mais je me perd un peu dans le montage. Voilà si vous avez des idées merci
Vincent
- LØLØ
- Modérateur
- Messages : 6205
- Enregistré le : 30/07/2006 15:41
- Localisation : guainville (28 )
- Contact :
Re: comodo de veilleuse /code
Salut,
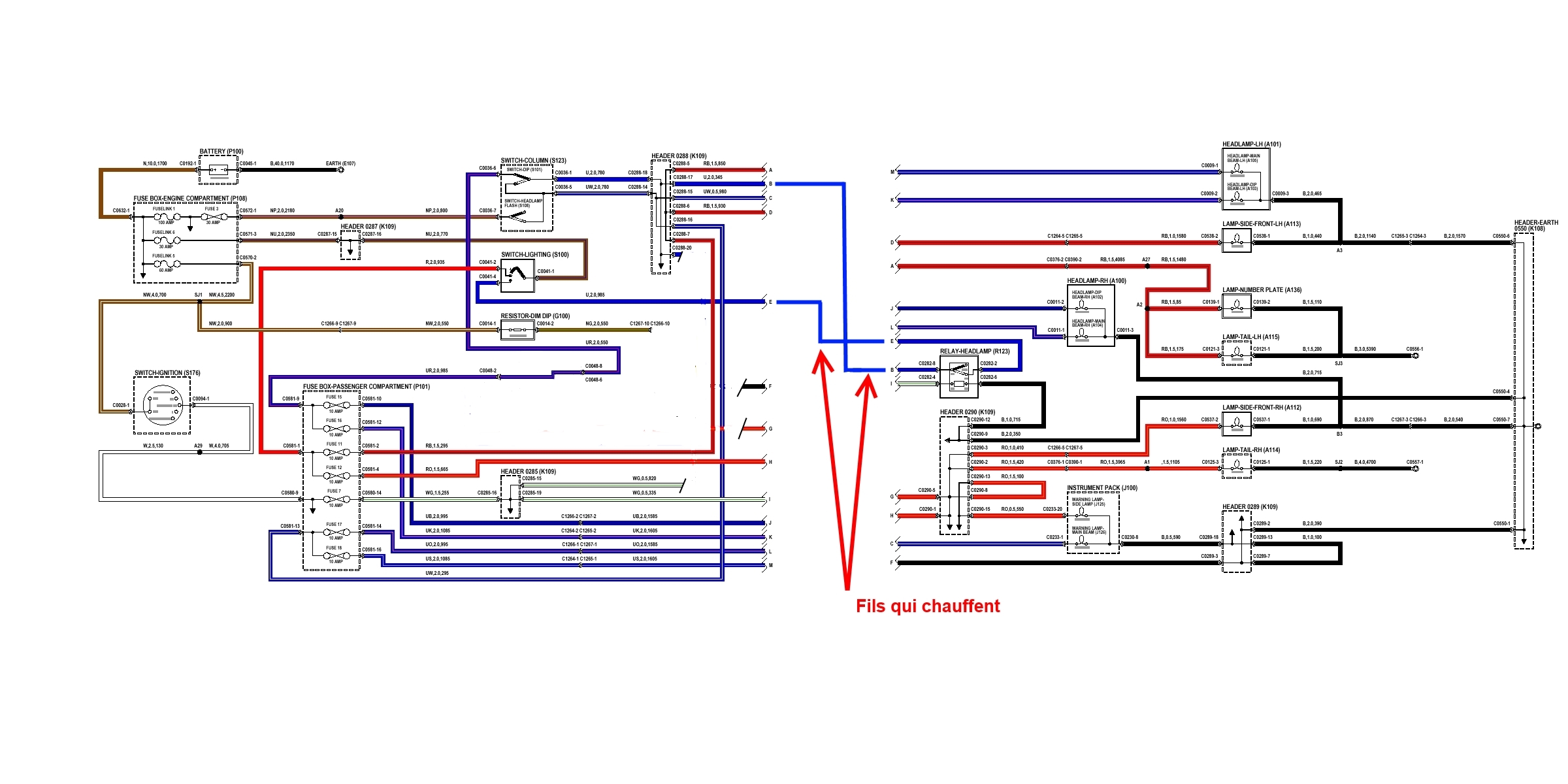
Si c'est le cas un schéma avec les fils bleus qui chauffent comme base de départ de la recherche de cause. Au pluriel, car il y a plusieurs fils bleus, avant et après le relais C0282, relais qui permet d'éteindre les phares ou les codes quand on coup le contact. Le relais n'est pas en cause puisque cela chauffe avant et après.
Ensuite le fil bleu, passe par le K109 C0288 qui n'est pas bleu mais orange. Mais comme le fil chauffe après pour l'instant, je ne le mets pas en cause non plus.
Ensuite, il y a le commodo lui même, qui va répartir ce qui arrive du fil bleu, soit vert le fil bleu liseré blanc
(phare) soit vers le fil bleu liseré rouge (code).
As tu le système anglais appelé relais dim dip? Cela permet de passer de codes en phares ou de phares en codes progressivement sans extinction entre les deux, c'est obligatoire en Angleterre et pas en France.
Lui peut avoir un défaut.
Tes ampoules, peux tu les contrôler pour être sur que ce ne sont pas des 100W.
La commutation code phare est tu sur quelle se passe bien? Genre codes ou phares et non pas codes et phares.
Après le commodo est ce que les fils: bleu liseré rouge ou bleu liseré blanc chauffent ?
Ou bien montrent des marques de chauffe après le connecteur blanc du commodo ?
Dans quel état est le porte fusible oxydation ou autre défaut apparent ?
Le connecteur gris sur le tablier, dans le compartiment moteur, derrière le bloc chauffage, est-il en bon état et sans oxydation ou marque de chauffe ?
L'appelles de phare, fonctionne-il normalement?
Bonne recherche, tiens nous au courant.
A+
A+
C'est toujours le même ?vdauby le 29/01/2012 15:30 a écrit :Bonjour à tous, Sur mon 130 td5 de 2004,115000 km env...
Si c'est le cas un schéma avec les fils bleus qui chauffent comme base de départ de la recherche de cause. Au pluriel, car il y a plusieurs fils bleus, avant et après le relais C0282, relais qui permet d'éteindre les phares ou les codes quand on coup le contact. Le relais n'est pas en cause puisque cela chauffe avant et après.
Ensuite le fil bleu, passe par le K109 C0288 qui n'est pas bleu mais orange. Mais comme le fil chauffe après pour l'instant, je ne le mets pas en cause non plus.
Ensuite, il y a le commodo lui même, qui va répartir ce qui arrive du fil bleu, soit vert le fil bleu liseré blanc
(phare) soit vers le fil bleu liseré rouge (code).
As tu le système anglais appelé relais dim dip? Cela permet de passer de codes en phares ou de phares en codes progressivement sans extinction entre les deux, c'est obligatoire en Angleterre et pas en France.
Lui peut avoir un défaut.
Tes ampoules, peux tu les contrôler pour être sur que ce ne sont pas des 100W.
La commutation code phare est tu sur quelle se passe bien? Genre codes ou phares et non pas codes et phares.
Après le commodo est ce que les fils: bleu liseré rouge ou bleu liseré blanc chauffent ?
Ou bien montrent des marques de chauffe après le connecteur blanc du commodo ?
Dans quel état est le porte fusible oxydation ou autre défaut apparent ?
Le connecteur gris sur le tablier, dans le compartiment moteur, derrière le bloc chauffage, est-il en bon état et sans oxydation ou marque de chauffe ?
L'appelles de phare, fonctionne-il normalement?
Bonne recherche, tiens nous au courant.
A+
A+
2 solutions: la bonne et l'Anglaise
LUCAS: Il n'y a pas de contact où il le faut et il y en a un où il ne faut pas
On ne peut aller loin en amitié, si on n'est pas disposé à se pardonner les uns aux autres les petits défauts.
www.eternal-vehicles.fr
LUCAS: Il n'y a pas de contact où il le faut et il y en a un où il ne faut pas
On ne peut aller loin en amitié, si on n'est pas disposé à se pardonner les uns aux autres les petits défauts.
www.eternal-vehicles.fr
Re: comodo de veilleuse /code
Bonjour LøLø, réponse un peu tardive:
- Ampoules normales 55 w
- Code/phare qui sans dim dip
- Pas trouvé de traces d'oxydation
-La partie la plus chaude vas du connecteur 3 fils au comodo veilleuse.
Je reprends mes investigations plus tard, de plus avec les schémas c'est plus facile.
Merci Vincent
- Ampoules normales 55 w
- Code/phare qui sans dim dip
- Pas trouvé de traces d'oxydation
-La partie la plus chaude vas du connecteur 3 fils au comodo veilleuse.
Je reprends mes investigations plus tard, de plus avec les schémas c'est plus facile.
Merci Vincent
-
RR VM 1992
Re: comodo de veilleuse /code
Pour avoir creuser ce sujet l'an passé (vétusté de mon commodo remplacé par un neuf mais heureusement sans CC en aval dans le circuit) :
On parle de connecteurs grillé ici :
http://www.landroverfaq.com/viewtopic.php?f=21&t=5040
Mais heureusement mon problème de l'époque était simple : voir le sujet là : http://www.landroverfaq.com/viewtopic.p ... 733#p83733
On parle de connecteurs grillé ici :
http://www.landroverfaq.com/viewtopic.php?f=21&t=5040
Mais heureusement mon problème de l'époque était simple : voir le sujet là : http://www.landroverfaq.com/viewtopic.p ... 733#p83733
- LØLØ
- Modérateur
- Messages : 6205
- Enregistré le : 30/07/2006 15:41
- Localisation : guainville (28 )
- Contact :
Re: comodo de veilleuse /code
Salut,vdauby a écrit : - Code/phare qui sans dim dip
Reprise du schéma avec suppression du Dim Dip pour plus de clarté. -
Oui, donc c'est bien la liaison repérée sur le schéma?La partie la plus chaude vas du connecteur 3 fils au comodo veilleuse.
Comme tu peux le voir sur le schéma enfin si c'est le bon, car tu ne nous as pas confirmé le modèle du land, entre ton petit commodo et le grand, le fil bleu passe par un collecteur K109 (orange), c'est le premier endroit ou il faut aller voir. Et a toute fin utile, le relais code/phare, également situé sur le trajet du fil bleu qui chauffe, en le déconnectant, a partir de son support il y a moyen de contrôler la qualité de la ligne. A moins que les commodos utilisés soient du made in république populaire et que la section du fil bleu soit sous dimensionnée, as tu la possibilité de comparer ça avec un modèle d'origine ?
A+
2 solutions: la bonne et l'Anglaise
LUCAS: Il n'y a pas de contact où il le faut et il y en a un où il ne faut pas
On ne peut aller loin en amitié, si on n'est pas disposé à se pardonner les uns aux autres les petits défauts.
www.eternal-vehicles.fr
LUCAS: Il n'y a pas de contact où il le faut et il y en a un où il ne faut pas
On ne peut aller loin en amitié, si on n'est pas disposé à se pardonner les uns aux autres les petits défauts.
www.eternal-vehicles.fr
Re: comodo de veilleuse /code
Bonsoir LøLø,
Pour le land, c'est toujours le même mais avec 184000 km, ce soir en rentrant avec les feux allumés, c'est le connecteur qui va au petit comodo qui est chaud(brûlant) surtout sur un fil gris (peut-être en provenance de république populaire), mais sur le comodo c'est au niveau du fil bleu que ça fond! Je vais explorer les connecteurs.
Merci Vincent
Pour le land, c'est toujours le même mais avec 184000 km, ce soir en rentrant avec les feux allumés, c'est le connecteur qui va au petit comodo qui est chaud(brûlant) surtout sur un fil gris (peut-être en provenance de république populaire), mais sur le comodo c'est au niveau du fil bleu que ça fond! Je vais explorer les connecteurs.
Merci Vincent
- LØLØ
- Modérateur
- Messages : 6205
- Enregistré le : 30/07/2006 15:41
- Localisation : guainville (28 )
- Contact :
Re: comodo de veilleuse /code
Salut,vdauby a écrit : c'est le connecteur qui va au petit comodo qui est chaud(brûlant)
Pas bon du tout ça, vérifie son état d'oxydation.
? je ne vois pas de fil gris sur le petit commodo colonne veilleuse et code/phare.surtout sur un fil gris (peut-être en provenance de république populaire)
mais sur le comodo c'est au niveau du fil bleu que ça fond!
C'est dangereux ça,
Vérifie si l'une des ampoules de code/phare, n'a pas un défaut, j'ai déjà vue le filament d'un code cassé, faire contact avec le filament de phare. Le fil bleu étant commun au deux cotés puis qu’avant la répartition gauche droite.
Oui, là je crois qu'il faut sérieusement prendre le défaut par les cornes. Car il y a de gros risque d'incendie, débranche ta batterie, tend que tu n'as pas trouvé le défaut, et empreinte un extincteur sérieux au boulot.Je vais explorer les connecteurs.
A+
2 solutions: la bonne et l'Anglaise
LUCAS: Il n'y a pas de contact où il le faut et il y en a un où il ne faut pas
On ne peut aller loin en amitié, si on n'est pas disposé à se pardonner les uns aux autres les petits défauts.
www.eternal-vehicles.fr
LUCAS: Il n'y a pas de contact où il le faut et il y en a un où il ne faut pas
On ne peut aller loin en amitié, si on n'est pas disposé à se pardonner les uns aux autres les petits défauts.
www.eternal-vehicles.fr
Re: comodo de veilleuse /code
Bonsoir, finalement j'ai fait un autre montage : mis les codes sur un relais au niveau de la boite à fusible dans la cabine, juste avant les fusibles des codes en prenant un plus sur la batterie avec un fil idoine et ce soir en rentrant connecteurs froids, mais un autre commodo veilleuse/code en commande. Mais effectivement, je soupçonne un commodo de republique populaire.
Merci Vincent
Merci Vincent
- LØLØ
- Modérateur
- Messages : 6205
- Enregistré le : 30/07/2006 15:41
- Localisation : guainville (28 )
- Contact :
Re: comodo de veilleuse /code
Salut,
En regardant les schémas correspondant mieux à l'année de ton land, on peut voir une liaison supplémentaire sur le fil bleu, correspondant a l'antibrouillard: Tu peux voir l'épissure A305 correspondant au piquage pour l'antibrouillard: Donc on peut très bien imaginer qu'un défaut dans le feu Anti brouillard, ou dans sa ligne d'alimentation fil rouge liseré jaune, voir même dans la prise de remorque, qui puisse engendrer un échauffement du fil bleu.
Donc éventuellement, tu peux essayer d'écarter cette hypothèse en enlevant son fusible, le 26 de 10A,ou le relais C1724: A+
En regardant les schémas correspondant mieux à l'année de ton land, on peut voir une liaison supplémentaire sur le fil bleu, correspondant a l'antibrouillard: Tu peux voir l'épissure A305 correspondant au piquage pour l'antibrouillard: Donc on peut très bien imaginer qu'un défaut dans le feu Anti brouillard, ou dans sa ligne d'alimentation fil rouge liseré jaune, voir même dans la prise de remorque, qui puisse engendrer un échauffement du fil bleu.
Donc éventuellement, tu peux essayer d'écarter cette hypothèse en enlevant son fusible, le 26 de 10A,ou le relais C1724: A+
2 solutions: la bonne et l'Anglaise
LUCAS: Il n'y a pas de contact où il le faut et il y en a un où il ne faut pas
On ne peut aller loin en amitié, si on n'est pas disposé à se pardonner les uns aux autres les petits défauts.
www.eternal-vehicles.fr
LUCAS: Il n'y a pas de contact où il le faut et il y en a un où il ne faut pas
On ne peut aller loin en amitié, si on n'est pas disposé à se pardonner les uns aux autres les petits défauts.
www.eternal-vehicles.fr
Re: comodo de veilleuse /code
Bonsoir,
Donc je vérifirai le branchement avec l'anti-brouillard, de plus je doit le changer on me l'a encore cassé .
Sinon je remarque que sa fait plusieurs messages que j'envoie avec mon téléphone et apparemment il n'arrive pas.
Vincent
Donc je vérifirai le branchement avec l'anti-brouillard, de plus je doit le changer on me l'a encore cassé .
Sinon je remarque que sa fait plusieurs messages que j'envoie avec mon téléphone et apparemment il n'arrive pas.
Vincent
- LØLØ
- Modérateur
- Messages : 6205
- Enregistré le : 30/07/2006 15:41
- Localisation : guainville (28 )
- Contact :
Re: comodo de veilleuse /code
Salut,vdauby a écrit : Donc je vérifirai le branchement avec l'anti-brouillard, de plus je doit le changer on me l'a encore cassé .
Tiens donc, est ce que par hasard, il n'y aurait pas une corrélation de date entre la chauffe et la casse ou les casses du feu anti brouillard? Voir un lien avec la première casse qui aurait eu une influence sur sa connexion genre fonte légère du fil qui se serait aggravé avec le temps. mais bon, tout ça c'est situé après le relais et le fusible.
Est ce que l'anti brouillard fonctionne même cassé?
A+
2 solutions: la bonne et l'Anglaise
LUCAS: Il n'y a pas de contact où il le faut et il y en a un où il ne faut pas
On ne peut aller loin en amitié, si on n'est pas disposé à se pardonner les uns aux autres les petits défauts.
www.eternal-vehicles.fr
LUCAS: Il n'y a pas de contact où il le faut et il y en a un où il ne faut pas
On ne peut aller loin en amitié, si on n'est pas disposé à se pardonner les uns aux autres les petits défauts.
www.eternal-vehicles.fr
Re: comodo de veilleuse /code
Bonsoir,
L'anti-brouillard arriere fonctionne, l'ampoule est ok, mais vu le climat ces derniers jours et que le systeme avec le relais fonctionne bien, j'attendrai une periode plus seche pour controler tous celà.
Merci vincent
L'anti-brouillard arriere fonctionne, l'ampoule est ok, mais vu le climat ces derniers jours et que le systeme avec le relais fonctionne bien, j'attendrai une periode plus seche pour controler tous celà.
Merci vincent
- LØLØ
- Modérateur
- Messages : 6205
- Enregistré le : 30/07/2006 15:41
- Localisation : guainville (28 )
- Contact :
Re: comodo de veilleuse /code
Salut,
Méfie toi tout de même, et n'attend pas trop longtemps malgré le froid, les histoires de chauffe électrique, ce ne sont jamais bonnes.
Éventuellement, en attendant des jours meilleurs, monte un coup batterie, au moins, tu pourras dormir sur tes deux oreilles, et en attendant ce jour, débranche la batterie à chaque fois que tu quittes le land des yeux, et conserve un extincteur à porté de mains.
A+
Méfie toi tout de même, et n'attend pas trop longtemps malgré le froid, les histoires de chauffe électrique, ce ne sont jamais bonnes.
Éventuellement, en attendant des jours meilleurs, monte un coup batterie, au moins, tu pourras dormir sur tes deux oreilles, et en attendant ce jour, débranche la batterie à chaque fois que tu quittes le land des yeux, et conserve un extincteur à porté de mains.
A+
2 solutions: la bonne et l'Anglaise
LUCAS: Il n'y a pas de contact où il le faut et il y en a un où il ne faut pas
On ne peut aller loin en amitié, si on n'est pas disposé à se pardonner les uns aux autres les petits défauts.
www.eternal-vehicles.fr
LUCAS: Il n'y a pas de contact où il le faut et il y en a un où il ne faut pas
On ne peut aller loin en amitié, si on n'est pas disposé à se pardonner les uns aux autres les petits défauts.
www.eternal-vehicles.fr
Re: comodo de veilleuse /code
Bon, suite et fin (j'espere)
Après vérification diverses, j'ai resserré toute les cosses surtout celles du petit commodo (les cosses femelles) , le contacte se faisait pas bien, quand on manipulait l'ensemble ou sur route un peut cahoteuse les feux se mettaient à clignoter surtout depuis que j'ai mis un relais pour les codes , depuis plus de chauffe intempestive .
Merci Vincent
Après vérification diverses, j'ai resserré toute les cosses surtout celles du petit commodo (les cosses femelles) , le contacte se faisait pas bien, quand on manipulait l'ensemble ou sur route un peut cahoteuse les feux se mettaient à clignoter surtout depuis que j'ai mis un relais pour les codes , depuis plus de chauffe intempestive .
Merci Vincent