plus de veilleuse AV gauche sur Def TD4 de 2011

Bidouillages électriques, codes d'erreur ECU...

Modérateurs : The Pater, LØLØ

Règles du forum
En naviguant sur le site http://www.landroverfaq.com vous reconnaissez avoir lu ses Conditions d’Utilisation, vous déclarez les comprendre et vous acceptez d’y être lié de manière inconditionnelle. Si tel n'est pas le cas, merci de quitter immédiatement ce site.

Vous pouvez joindre autant d'images que nécessaire à vos messages A LA CONDITION EXPRESSE d'utiliser l'hébergement fourni par le site.

L'administrateur effacera systématiquement tout message contenant des photos hébergées chez Imageschack, Casimage, Wistiti ou tout autre hébergeur tiers sans sommation ni justification.
Répondre
Avatar du membre
armens60
Habitué
Messages : 61
Enregistré le : 25/05/2015 8:17

plus de veilleuse AV gauche sur Def TD4 de 2011

Message non lu par armens60 »

Bonjour à tous,

depuis 2 jours je n'ai plus de veilleuse à l'avant gauche de mon def. Tout le reste fonctionne normalement même la veilleuse arrière gauche.

j'ai fait les essais suivants:
- je n'ai pas de tension au niveau du connecteur de veilleuse.
- je n'ai pas de tension sur le fil de veilleuse au niveau du connecteur gris qui se trouve au dessus du boitier de la pédale d'embrayage. (et à gauche du MASTERVAC )
- La masse de la veilleuse est ok
- les deux fusibles sont OK (F18 et F19, si c'est bien ceux là)
- le commutateur de veilleuse / code est OK. je l'ai testé.

je suppose qu'il n'y a pas de relais pour mes veilleuses ?
Avez vous une idée parce que le je suis sec ...

merci de votre aide
Avatar du membre
nanard833
Habitué
Messages : 3989
Enregistré le : 10/10/2009 20:18
Localisation : disco 300TDI 431000 bornes

Re: plus de veilleuse AV gauche sur Def TD4 de 2011

Message non lu par nanard833 »

Salut,

t'as essayé de gratter les languettes et le culot puis éventuellement de changer l'ampoule ?

Je te dis ça car pas plus tard que cet aprem, j'attendais dans un bouchon quand un type sympa se porte à ma hauteur pour me signaler que mes feux stop ne fonctionnaient pas...je trouve un coin à l'ombre et dépose le bloc feux ar gauche puis l'ampoule de stop : un coup d'ohmmêtre il siffle ok je remonte: rien! je gratte un peu les contacts du support et les plots de l'ampoule: toujours rien! Je remplace l'ampoule par une neuve et hop ça marche!
Va comprendre :wink:

A+
Gratter la botte ne soulage guère quand ça démange à l'intérieur (proverbe chinois)
Avatar du membre
armens60
Habitué
Messages : 61
Enregistré le : 25/05/2015 8:17

Re: plus de veilleuse AV gauche sur Def TD4 de 2011

Message non lu par armens60 »

salut,

merci de ton aide.
pour moi, c'est un peu plus compliqué. je n'ai pas de jus au niveau de la douille (vérifié au multimètre)
j'ai inversé, tiré une autre masse, tiré un positif directement de la batterie. bref, pas mal de bricolage.
Je dois me rendre a l'évidence, c'est la vaisseau, mais ou ???

je ne trouve pas la plan électrique du TD4

merci
Avatar du membre
LØLØ
Modérateur
Messages : 6210
Enregistré le : 30/07/2006 15:41
Localisation : guainville (28 )
Contact :

Re: plus de veilleuse AV gauche sur Def TD4 de 2011

Message non lu par LØLØ »

Salut,
armens60 a écrit : je ne trouve pas la plan électrique du TD4
Effectivement, pour chercher, cela peut aider. J'aurais plusieurs pistes à te proposer, une bonne, c'est à dire très roulante et simple à voir, et la mauvaise bien défoncée et bien chiante pendant au moins 100 km vue le temps que tu vas mettre à la trouver pour la voir et les contorsions que tu vas faire :mrgreen:
Bon en premier les cartes sur lesquelles on peut repérer la piste veilleuse gauche rouge liseré noir :
Carte centre :
schéma veilleuse TD4 01_03.jpg
Carte du sud :
schéma veilleuse TD4 02_03.jpg
Carte du nord, la partie arrière fonctionnant, on s'en dispensera, pour le quart d'heure.
armens60 a écrit : - je n'ai pas de tension sur le fil de veilleuse au niveau du connecteur gris qui se trouve au dessus du boitier de la pédale d'embrayage. (et à gauche du MASTERVAC )
Ça c'est la piste simple car déjà explorée, et facilement accessible même en configuration route, mais des fois, il est bon de revenir sur ses pas pour prendre une bifurcation que l'on n'avait pas vue.
Donc on parle de lui, broche numéro 5 :
connecteur C1265 TD4.jpg
Une fois, j'ai eu un défaut sur un code droit, à cause du connecteur lui même, certes ce n'était pas un TD4, mais une génération précédente avec le même type de connecteur :
defaut connecteur.jpg
Cela était dut à un défaut de conception du faisceau, on voit clairement que le fil était plus court que les autres, et avec les vibrations, petit à petit il s'etaient déconnecté :
defaut connecteur détail.jpg
Cela c'est produit coté femelle, ou comme toujours chez land pour des raisons de sécurité les arrivées en 12V, sont toujours femelles et les départs en mâles. Donc coté c'est la connexions femelles coté faisceau principal et coté feux les connexions mâles. Donc allume les veilleuses, et avec une pointe fine, assure toi bien d'être bien au fond du connecteur broche 5, là où le fil rouge liseré noir arrive,
et éventuellement piquer avec une aiguille un peu plus loin avant que les fils ne soient gainé pour vérifier si il n'y aurait pas un défaut de sertissage dans le connecteur lui même coté faisceau principale, c'est à dire dans C1264

- La masse de la veilleuse est ok
OK, donc je te suis sur cette piste.
- les deux fusibles sont OK (F18 et F19, si c'est bien ceux là)
Le départ du Road-Book ( RB ou rouge liseré noir) qui nous intéresse, comme tu peux le voir sur la carte c'est F18.
- le commutateur de veilleuse / code est OK. je l'ai testé.
Là aussi je te suis, puisqu'il est commun aux deux côtés, et comme la gauche ou l'arrière fonctionnent.
je suppose qu'il n'y a pas de relais pour mes veilleuses ?
Bonne supposition, comme tu peux le voir sur la carte du centre, l'alimentation s'effectue directement par le petit commodo de colonne.
Avez vous une idée parce que le je suis sec ...
Tiens encore un peu d'eau, mais je ne te garantie pas sa potabilité, mais prend là avant de te lancer...
Comme tu peux le voir sur la carte du centre, il y a un point névralgique, d'où partent trois pistes RB, pour une qui arrive.
Celle qui arrive est bonne.
Celle qui part à l'arrière est bonne.
Celle qui part au voyant on en sait rien, car visiblement, tu as décidé de faire de la rétention d'informations. :mrgreen:
Celle qui part à l'avant vers le connecteur C1264 est donc à contrôler, et c'est là que l'on arrête de rigoler. :sm1: On vérifie que l'on à bien deux roues de secours en bon état; les pleins de gas-oil; 5 jerrycans; 200l d'eau potable et le pastis qui va avec.
Je dois me rendre a l'évidence, c'est la vaisseau, mais ou ???
OK ? Moteur...Nous voilà donc parti avec nos vaisseaux du désert, à la recherche du raccordement de faisceau C0288... Quand je vous disais que ce n'était pas moi qui avait commencé. :mrgreen:
Je me souviens, il y a longtemps en 2010, d'être passé à coté et d'en avoir pris un cliché, mais pas de lui directement bref, un peu flou sur l'image et dans ma mémoire, cela devait se trouver a droite de Neiman derrière au fond en dessous, à gauche ou légèrement derrière les fusibles, mais en gros, il ne se laisse pas approché comme ça :
collecteur orange C0288.jpg
Lui, il est orange, contrairement a beaucoup de ses collègues qui sont bleus ou gris. La couleur dépend du type de raccord , du nombre et de la disposition des liaisons effectuées... Là on a un 2 x 4 liaisons et 4 x 3 liaisons. Pour voir le principe, vois cette inter a partir de la photo 4) et le lien marqué "là" : Problème de code/feux de croisement ne fonctionnant plus ou encore celle çi aussi ou celle là. Si ton problème vient de là, malgré leur emmaillotage, c'est une grande première sur un TD4.
Plan des routes arrivant au C0288, cela permet de le repérer avec les couleurs des autres fils arrivant dessus : Du violet liseré marron; du noir liseré blanc; du vert liseré violet, un égaré blanc liseré orange du plus bel effet et bien sûr nos fils rouge liseré noir. Le Nombre de fil peut être amené à varier en fonction des options du land, ABS; alarme...
Schema C0288.jpg
Et pour les fils noirs de masse interconnecter par C0288 :
masse C0288.jpg
Si le défaut vient du K109 orange, dans ce cas tu coupes les 4 fils rouges liseré noir, sans chercher à ouvrir le capot du collecteur, car il risque d'être collé a cause d'une chauffe dût au défaut, tu les soudes entre eux; tu isoles le tout avec un manchon thermorétractable, et roule tout feux tout flamme.
Pour les mesures sur le collecteur de raccordement orange, tu allumes les veilleuses, et en toute logique, tu dois avoir du 12V sur les 4 fils rouges liseré noir, si ce n'est pas le cas, c'est que le défaut vient de là. Contrôle bien la broche numéro 1, qui est le départ vers la veilleuse avant.
Si pas de défaut à ce niveau là, alors, coupe le fil des deux cotés pour l'isoler du reste du faisceau, en laissant de quoi brancher un autre fil à la place coté collecteur orange et coté connecteur gris. Car il me semble difficile de dépiauter tout le faisceau pour un fil coupé quelque part dans sa gaine, pour une raison inconnue, du style a la fabrication une meurtrissure oxydé, une coupure sur un bout de tôle... Bref une raison inconnu, qui fait qu'il est préférable de l'isolé du reste du faisceau en le coupant des deux cotés.
Bonne route.
A+
2 solutions: la bonne et l'Anglaise
LUCAS: Il n'y a pas de contact où il le faut et il y en a un où il ne faut pas
On ne peut aller loin en amitié, si on n'est pas disposé à se pardonner les uns aux autres les petits défauts.
www.eternal-vehicles.fr
RR VM 1992

Re: plus de veilleuse AV gauche sur Def TD4 de 2011

Message non lu par RR VM 1992 »

Bravo pour l'analyse :sm3:

Une autre piste plus humide tel que :

- fuite d'eau au joint de pare-brise (en général ça rouille sous le TdB),
- et un connecteur est plein d'eau et disfonctionne... :idea:

Mais je n'y crois pas trop même s'il y a des cas de pare-brises mal remplacés par casseglace :mrgreen:
Avatar du membre
armens60
Habitué
Messages : 61
Enregistré le : 25/05/2015 8:17

Re: plus de veilleuse AV gauche sur Def TD4 de 2011

Message non lu par armens60 »

Bonjour à tous,

Tout d'abord un grand merci à ceux qui se sont intéressés à mon souci ... rien de méchant mais pénible quand même.
Merci LOLO pour ton analyse très complète. On sent derrière ta réponse quelques années de galère en tous genres ...
Donc on parle de lui, broche numéro 5 :
Ce qui me chiffonne, c'est que pour moi la couleur du fil correspond à la broche 3 en contrôlant depuis la veilleuse (vert foncé/ noir)
Vu le plan, il n'y a pas d'erreur possible, ce doit être la 5
Voilà déjà une piste à creuser ...

[
Le départ du Road-Book ( RB ou rouge liseré noir) qui nous intéresse, comme tu peux le voir sur la carte c'est F18.
Comme indiqué plus haut, pour moi, le fil est vert/noir ...
y'a un SHMILBLICK ...

Pour l'heure j'ai imprimé tes schémas électriques qui vont être très utiles.
Je vais continuer ce soir et déjà voir cette histoire de numérotation de broche ....

Merci à vous tous ...
Laurent
Avatar du membre
armens60
Habitué
Messages : 61
Enregistré le : 25/05/2015 8:17

Re: plus de veilleuse AV gauche sur Def TD4 de 2011

Message non lu par armens60 »

Pour la partie électrique, j'ai trouvé ce site qui peut être pratique:

http://**********
Avatar du membre
LØLØ
Modérateur
Messages : 6210
Enregistré le : 30/07/2006 15:41
Localisation : guainville (28 )
Contact :

Re: plus de veilleuse AV gauche sur Def TD4 de 2011

Message non lu par LØLØ »

Salut Laurent,
armens60 a écrit : Ce qui me chiffonne, c'est que pour moi la couleur du fil correspond à la broche 3 en contrôlant depuis la veilleuse (vert foncé/ noir)
y'a un SHMILBLICK ...
T'es sûr ?
Vert foncé liseré noir, cela rappel la couleur du lave glace mais... Il faut bien faire attention a la couleur principale ou dominante et celle du liseré.
Regarde ces schémas, sur le connecteur gris, broche 12 et 13, il y a deux nuances, proche de ce que tu dis, mais pas ce que tu dis un fil LGB broche 12 et BLG broche 13.
brochage C1265.jpg
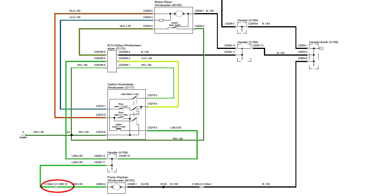
Schéma essuie-glace avant TD4 :
schema essuie glace TD4 01_2.jpg
Schéma essuie-glace arrière TD4 :
schema essuie glace  arrière TD4.jpg
A+
NB : Merci pour le lien tout était déjà archivé, mais effectivement, cela peut beaucoup t'aider, il faut juste acquérir le coup pour s'y retrouver.
2 solutions: la bonne et l'Anglaise
LUCAS: Il n'y a pas de contact où il le faut et il y en a un où il ne faut pas
On ne peut aller loin en amitié, si on n'est pas disposé à se pardonner les uns aux autres les petits défauts.
www.eternal-vehicles.fr
Avatar du membre
armens60
Habitué
Messages : 61
Enregistré le : 25/05/2015 8:17

Re: plus de veilleuse AV gauche sur Def TD4 de 2011

Message non lu par armens60 »

et bien je n'ai qu'un mot à dire ... MERCI

Effectivement, je me trompais de fil. C'est bien la borne 5 qui alimente ma veilleuse avant gauche.
Bonne nouvelle, le jus arrive bien côté C1264.
C'est coupé entre la veilleuse et C1265 (je parle comme un pro avec les références ...)

Il faut que je démonte mon extension d'aile pour acceder au faisceau qui est dans l'aile. Pour le coup c'est quand même moins compliqué que de démonter le TDB.

Laurent

PS: je dois vous avouer que je ne vois pas les couleurs .... c'est ma chérie qui m'aide. Finalement, elle est pire que moi :lol:
Avatar du membre
LØLØ
Modérateur
Messages : 6210
Enregistré le : 30/07/2006 15:41
Localisation : guainville (28 )
Contact :

Re: plus de veilleuse AV gauche sur Def TD4 de 2011

Message non lu par LØLØ »

armens60 a écrit : Il faut que je démonte mon extension d'aile pour acceder au faisceau qui est dans l'aile.
Salut,
Mouai... Pour résumer donc ton problème est entre ce connecteur C1265 broche 5 :
connecteur C1265 veilleuse.jpg
Et le connecteur d'ampoule de veilleuse C0538 broche 2 :
joue d'aile  td5 et td4.jpg
Il faudrait que tu regardes l'état du faisceau à l'entrée, entre la joue d'aile et le flanc d'aile, et à la sortie coté douille de veilleuse :
faisceau d'aile entrée td5 td4.jpg
Remarque la référence du faisceau au cas où ?
faisceau d'aile sortie td5 td4.jpg
Avant de tout démonter, contrôle entre le connecteur C1265 et l'entrée dans la joue d'aile, et entre la sortie et le connecteur du feu (C0538), en t'aidant d'une aiguille au bout de la cosse + du voltmètre, pour remonter jusqu'au connecteur. Tu parts de C0538-2 et tu remontes jusqu'a C1265-5, tu finiras bien par trouver l'endroit du défaut.
Si le problème est à l’intérieur du faisceau gainé, tire un autre fil.
Ausculte de très près le connecteur C0538, il peut y avoir un défaut, ce ne sera pas la première fois, que le cas se produit.
A+
2 solutions: la bonne et l'Anglaise
LUCAS: Il n'y a pas de contact où il le faut et il y en a un où il ne faut pas
On ne peut aller loin en amitié, si on n'est pas disposé à se pardonner les uns aux autres les petits défauts.
www.eternal-vehicles.fr
Avatar du membre
armens60
Habitué
Messages : 61
Enregistré le : 25/05/2015 8:17

Re: plus de veilleuse AV gauche sur Def TD4 de 2011

Message non lu par armens60 »

Salut,

Mon problème est résolu. Je vais passer pour un idiot mais ce n'est pas grave. On a ce qu'on mérite....

J'ai démonté hier mon extension d'aile car j'avais localiser la panne entre le C1265 et C0538.
Lorsque j'ai démonté ma veilleuse pour changer l'ampoule grillée, le connecteur est parti dans l'aile. J'ai réussi à le récupérer sauf que ce n'était pas le bon.
J'ai deux connecteurs identiques sauf pour la couleur:
Le C0528 blanc de la veilleuse avec le fil rouge et noir. maintenant ma veilleuse est fonctionnelle.
Le connecteur noir avec le fil vert foncé et noir. je ne sais pas à quoi il sert car tout est fonctionnel. Il devait être en attente ou servir à une option que je n'ai pas ....

je n'ai pas fait gaffe à la couleur quand j'ai récupéré le connecteur parti dans l'aile. si j'avais été plus observateur, je me serais rendu compte que du blanc il avais viré au noir...

Un grand merci pour coup de main qui n'a pas été inutile...loin de là.
J'ai à présent les schéma électrique du DEF et cela me semble un peu plus clair ...

Laurent
RR VM 1992

Re: plus de veilleuse AV gauche sur Def TD4 de 2011

Message non lu par RR VM 1992 »

armens60 a écrit :Salut,

Mon problème est résolu.../.....

Le connecteur noir avec le fil vert foncé et noir. je ne sais pas à quoi il sert car tout est fonctionnel. Il devait être en attente ou servir à une option que je n'ai pas ..../ ...

Laurent
Anti-brouillard par exemple ?

Il serait intérressant de voir sa correspondance sur les schémas électriques :wink:
Avatar du membre
LØLØ
Modérateur
Messages : 6210
Enregistré le : 30/07/2006 15:41
Localisation : guainville (28 )
Contact :

Re: plus de veilleuse AV gauche sur Def TD4 de 2011

Message non lu par LØLØ »

Salut,
Vous êtes vraiment distraits. Comme indiqué sur le schéma des essuies glace arriere, placé dans une inter précédente, c'est pour la pompe du lave glace arrière. Il y a deux prises, une dans chaque aile, selon le sens de la conduite ou les options du land elle est utilisée ou non. Voyez sur la photo de la joue d’aile, il y a le réservoir de lave glace avec ce connecteur cablé. C'est le même principe avec les connexions de soufflerie de chauffage, les anglais ne s'embêtent pas avec des faisceaux différents.
A+
2 solutions: la bonne et l'Anglaise
LUCAS: Il n'y a pas de contact où il le faut et il y en a un où il ne faut pas
On ne peut aller loin en amitié, si on n'est pas disposé à se pardonner les uns aux autres les petits défauts.
www.eternal-vehicles.fr
Avatar du membre
armens60
Habitué
Messages : 61
Enregistré le : 25/05/2015 8:17

Re: plus de veilleuse AV gauche sur Def TD4 de 2011

Message non lu par armens60 »

oui, distrait ...pour être gentil.
Merci du coup de main
Répondre

Retourner vers « Electricité • Electronique »