Def 200tdi : fusible veilleuses LH qui grille
Règles du forum
En naviguant sur le site http://www.landroverfaq.com vous reconnaissez avoir lu ses Conditions d’Utilisation, vous déclarez les comprendre et vous acceptez d’y être lié de manière inconditionnelle. Si tel n'est pas le cas, merci de quitter immédiatement ce site.
Vous pouvez joindre autant d'images que nécessaire à vos messages A LA CONDITION EXPRESSE d'utiliser l'hébergement fourni par le site.
L'administrateur effacera systématiquement tout message contenant des photos hébergées chez Imageschack, Casimage, Wistiti ou tout autre hébergeur tiers sans sommation ni justification.
En naviguant sur le site http://www.landroverfaq.com vous reconnaissez avoir lu ses Conditions d’Utilisation, vous déclarez les comprendre et vous acceptez d’y être lié de manière inconditionnelle. Si tel n'est pas le cas, merci de quitter immédiatement ce site.
Vous pouvez joindre autant d'images que nécessaire à vos messages A LA CONDITION EXPRESSE d'utiliser l'hébergement fourni par le site.
L'administrateur effacera systématiquement tout message contenant des photos hébergées chez Imageschack, Casimage, Wistiti ou tout autre hébergeur tiers sans sommation ni justification.
Def 200tdi : fusible veilleuses LH qui grille
Bonjour à tous,
sur mon def 110SW 200tdi de 1992, je m'aperçois au retour d'une sortie en Creuse (avec grosse baignade...... je ne sais pas si ca a un lien), que je n'ai plus d'éclairage des compteurs et autres indicateurs. Comme je n'ai pas de schéma électrique fidèle (200tdi....), je peste mais je m'aperçois par hasard que mes veilleuses AV et AR du coté gauche sont HS.
Je change le fusible Side Lamps LH, et bingo l'éclairage TDB revient. A surveiller...
... et quelques semaines plus tard je reprends le def, et rebelote au retour fusible grillé (veilleuses gauche, et éclairage TDB).
---> auriez vous des pistes à me donner?
Car j'ai commencé à regarder du coté de la prise d'attelage, mais je ne vois rien de choquant. J'ai remis un fusible OK, rallumé mes feux, et j'ai secoué la prise d'attelage, les connecteurs dans le petit caisson à l'AR-D, mais je ne parviens pas à faire griller le fusible.
J'ai donc finalement inversé les fils rouge/orange et rouge/noir qui partent vers la prise d'attelage, en me disant que si c'est le faisceau de la prise d'attelage qui déconne, ça me grillera les veilleuses, mais du coté droit cette fois. Je suis parti faire un tour, en prenant soin de prendre les dos-d'ane comme il faut pour secouer le def, mais rien. Tout fonctionne.
Help needed.... thank's lads.
Jul
sur mon def 110SW 200tdi de 1992, je m'aperçois au retour d'une sortie en Creuse (avec grosse baignade...... je ne sais pas si ca a un lien), que je n'ai plus d'éclairage des compteurs et autres indicateurs. Comme je n'ai pas de schéma électrique fidèle (200tdi....), je peste mais je m'aperçois par hasard que mes veilleuses AV et AR du coté gauche sont HS.
Je change le fusible Side Lamps LH, et bingo l'éclairage TDB revient. A surveiller...
... et quelques semaines plus tard je reprends le def, et rebelote au retour fusible grillé (veilleuses gauche, et éclairage TDB).
---> auriez vous des pistes à me donner?
Car j'ai commencé à regarder du coté de la prise d'attelage, mais je ne vois rien de choquant. J'ai remis un fusible OK, rallumé mes feux, et j'ai secoué la prise d'attelage, les connecteurs dans le petit caisson à l'AR-D, mais je ne parviens pas à faire griller le fusible.
J'ai donc finalement inversé les fils rouge/orange et rouge/noir qui partent vers la prise d'attelage, en me disant que si c'est le faisceau de la prise d'attelage qui déconne, ça me grillera les veilleuses, mais du coté droit cette fois. Je suis parti faire un tour, en prenant soin de prendre les dos-d'ane comme il faut pour secouer le def, mais rien. Tout fonctionne.
Help needed.... thank's lads.
Jul
Def 110SW 200Tdi de 1992
Re: Def 200tdi : fusible veilleuses LH qui grille
De l'eau dans la douille d'une ampoule côté gauche, avant ou arrière ?
- The Pater
- Modérateur
- Messages : 13982
- Enregistré le : 25/08/2004 8:19
- Localisation : 06°27'46"E 45°50'29"N
Re: Def 200tdi : fusible veilleuses LH qui grille
J'ai eu un problème similaire.
Dans mon cas, c'était une partie du faisceau arrière qui s'est dénudé et qui faisait court circuit.
A+
Dans mon cas, c'était une partie du faisceau arrière qui s'est dénudé et qui faisait court circuit.
A+
Ingénieur :
Personne faisant un travail divinatoire de précision basé sur des informations peu fiables données par des personnes peu qualifiées, voire ignorantes.
=>, magicien, devin, sorcier
Personne faisant un travail divinatoire de précision basé sur des informations peu fiables données par des personnes peu qualifiées, voire ignorantes.
=>, magicien, devin, sorcier
- LØLØ
- Modérateur
- Messages : 6210
- Enregistré le : 30/07/2006 15:41
- Localisation : guainville (28 )
- Contact :
Re: Def 200tdi : fusible veilleuses LH qui grille
Salut,
Juste en sortie du faisceau coté châssis arrière.
Démonte le feu arrière et vérifie que la douille et l'ampoule double filaments veilleuse/stop soit dans la bonne position et correctement positionné dans la douille.
Vérifie l'éclairage de plaque, qui est également prit sur le circuit des veilleuses gauches.
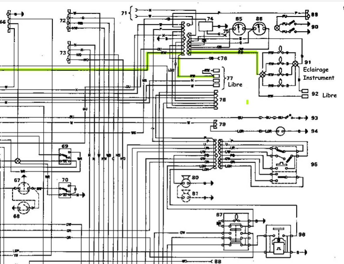
Les schémas d'origine du 200tdi, pas très claire, il vaut mieux utiliser ceux du 300 identique pour les couleurs et les implantations pour les 3/4 des éléments.
En trois parties car l'ensemble est malheureusement sur un scanne de mauvaise qualité réparti sur deux feuilles.
Premier quart : Second quart : Troisième quart : Légende: Par contre, ce que je ne comprend pas c'est lorsque tu parles de l'éclairage du tableau de bord éteint, et que celui ci est revenu lorsque tu as remis le fusible des veilleuses gauche ? Car comme tu peux le voir sur le schéma, il est en sortie du commutateur des feux.
Jette un œil sur le commutateur, car quelque chose m’échappe, ou peut-être il y a-t-il eu une modification.
A+
Juste en sortie du faisceau coté châssis arrière.
Démonte le feu arrière et vérifie que la douille et l'ampoule double filaments veilleuse/stop soit dans la bonne position et correctement positionné dans la douille.
Vérifie l'éclairage de plaque, qui est également prit sur le circuit des veilleuses gauches.
Les schémas d'origine du 200tdi, pas très claire, il vaut mieux utiliser ceux du 300 identique pour les couleurs et les implantations pour les 3/4 des éléments.
En trois parties car l'ensemble est malheureusement sur un scanne de mauvaise qualité réparti sur deux feuilles.
Premier quart : Second quart : Troisième quart : Légende: Par contre, ce que je ne comprend pas c'est lorsque tu parles de l'éclairage du tableau de bord éteint, et que celui ci est revenu lorsque tu as remis le fusible des veilleuses gauche ? Car comme tu peux le voir sur le schéma, il est en sortie du commutateur des feux.
Jette un œil sur le commutateur, car quelque chose m’échappe, ou peut-être il y a-t-il eu une modification.
A+
2 solutions: la bonne et l'Anglaise
LUCAS: Il n'y a pas de contact où il le faut et il y en a un où il ne faut pas
On ne peut aller loin en amitié, si on n'est pas disposé à se pardonner les uns aux autres les petits défauts.
www.eternal-vehicles.fr
LUCAS: Il n'y a pas de contact où il le faut et il y en a un où il ne faut pas
On ne peut aller loin en amitié, si on n'est pas disposé à se pardonner les uns aux autres les petits défauts.
www.eternal-vehicles.fr
Re: Def 200tdi : fusible veilleuses LH qui grille
Merci Lolo, pour les scans et le boulot fait dessus.
Oui, j'ai bien l'éclairage du TDB qui est HS quand les veilleuses gauche sont HS, et qui revient avec un fusible neuf.
Là, tout re-fonctionne. Mais pour combien de temps…?
Ce def n'a pas été trop bidouillé, tout fonctionnait normalement depuis 4 ans.
Je vais quand même jeter un oeil à l'éclairage de plaque et à la douille veilleuse/stop, mais ce ne sont pas des éléments qui ont été démontés récemment.
Je peux aussi inverser dans le caisson droit le circuit veilleuse gauche et droite pour voir la prochaine fois que ca saute si c'est à gauche ou à droite… mais les connecteur obus sont très difficiles à défaire.
Julien.
Oui, j'ai bien l'éclairage du TDB qui est HS quand les veilleuses gauche sont HS, et qui revient avec un fusible neuf.
Là, tout re-fonctionne. Mais pour combien de temps…?
Ce def n'a pas été trop bidouillé, tout fonctionnait normalement depuis 4 ans.
Je vais quand même jeter un oeil à l'éclairage de plaque et à la douille veilleuse/stop, mais ce ne sont pas des éléments qui ont été démontés récemment.
Je peux aussi inverser dans le caisson droit le circuit veilleuse gauche et droite pour voir la prochaine fois que ca saute si c'est à gauche ou à droite… mais les connecteur obus sont très difficiles à défaire.
Julien.
Def 110SW 200Tdi de 1992
- LØLØ
- Modérateur
- Messages : 6210
- Enregistré le : 30/07/2006 15:41
- Localisation : guainville (28 )
- Contact :
Re: Def 200tdi : fusible veilleuses LH qui grille
Salut,Molusk a écrit : Oui, j'ai bien l'éclairage du TDB qui est HS quand les veilleuses gauche sont HS, et qui revient avec un fusible neuf.
Quelque chose me chiffonne, car ce n'est pas un fonctionnement normal.
As tu le bouton qui te permet d'éteindre le tableau bord ou d'allumer le plafonnier ?
Quelle est la valeur du fusible de remplacement que tu utilises ?Là, tout re-fonctionne. Mais pour combien de temps…?
Normalement, les fils d'éclairages du tableau de bord sont des fils rouges avec un liseré blanc, et ils sont indépendant des circuits gauche ou droit car ils sont pris en amont, sur le 200; par contre sur le 300 l'éclairage du tableau de bord et de la console centrale est pris sur le circuit des veilleuses droit.Ce def n'a pas été trop bidouillé, tout fonctionnait normalement depuis 4 ans.
De quand date ton 200 ?
Car dans ce cas, je te dirais bien de contrôler ton allume cigare, ou de voir si se que tu mets dedans est bien adapté, et ne provoque pas un court-circuit.
Ou si le connecteur libre prévu pour le raccordement d'un autoradio en centre de la console ne se baladerait pas dans une flaque d'eau.
Et et ... la montre fonctionne-t'elle ?
Reprends ton œil, et refais un lancer dans la console centrale...Je vais quand même jeter un oeil à l'éclairage de plaque et à la douille veilleuse/stop, mais ce ne sont pas des éléments qui ont été démontés récemment.
Non, je ne pense pas que cela soit nécessaire.Je peux aussi inverser dans le caisson droit le circuit veilleuse gauche et droite pour voir la prochaine fois que ça saute si c'est à gauche ou à droite… mais les connecteur obus sont très difficiles à défaire.
A+
2 solutions: la bonne et l'Anglaise
LUCAS: Il n'y a pas de contact où il le faut et il y en a un où il ne faut pas
On ne peut aller loin en amitié, si on n'est pas disposé à se pardonner les uns aux autres les petits défauts.
www.eternal-vehicles.fr
LUCAS: Il n'y a pas de contact où il le faut et il y en a un où il ne faut pas
On ne peut aller loin en amitié, si on n'est pas disposé à se pardonner les uns aux autres les petits défauts.
www.eternal-vehicles.fr
Re: Def 200tdi : fusible veilleuses LH qui grille
Je ne pense pas. A quoi ressemble-t-il?LØLØ a écrit : As tu le bouton qui te permet d'éteindre le tableau bord ou d'allumer le plafonnier ?
7.5A (marron)LØLØ a écrit :Quelle est la valeur du fusible de remplacement que tu utilises ?
28/09/2012LØLØ a écrit : De quand date ton 200 ?
A part un chargeur de téléphone qui fonctionne, rien. J'ai bien un autoradio, je jetterai un oeil sur ce dernier et l'horloge.LØLØ a écrit : Car dans ce cas, je te dirais bien de contrôler ton allume cigare, ou de voir si se que tu mets dedans est bien adapté, et ne provoque pas un court-circuit.
Ou si le connecteur libre prévu pour le raccordement d'un autoradio en centre de la console ne se baladerait pas dans une flaque d'eau.
Et et ... la montre fonctionne-t'elle ?
A noter que l'horloge l'autre jour m'a fait un truc bizarre quand j'ai rebranché la batterie. Elle tournait à l'envers! En lui coupant le jus à nouveau j'ai réussi à la faire repartir dans le sens horaire.
Merci Lolo, je ferai des tests autour des pistes que tu évoques dès que je peux et te fais un retour.
Julien.
Def 110SW 200Tdi de 1992
- The Pater
- Modérateur
- Messages : 13982
- Enregistré le : 25/08/2004 8:19
- Localisation : 06°27'46"E 45°50'29"N
Re: Def 200tdi : fusible veilleuses LH qui grille
1992Molusk a écrit :28/09/2012LØLØ a écrit : De quand date ton 200 ?
C'est indiqué au début du tpic.
A+
Ingénieur :
Personne faisant un travail divinatoire de précision basé sur des informations peu fiables données par des personnes peu qualifiées, voire ignorantes.
=>, magicien, devin, sorcier
Personne faisant un travail divinatoire de précision basé sur des informations peu fiables données par des personnes peu qualifiées, voire ignorantes.
=>, magicien, devin, sorcier
- LØLØ
- Modérateur
- Messages : 6210
- Enregistré le : 30/07/2006 15:41
- Localisation : guainville (28 )
- Contact :
Re: Def 200tdi : fusible veilleuses LH qui grille
SalutThe Pater a écrit :
1992
C'est indiqué au début du topic.
Heu!
A ça, c'est les boutons dans le genou gauche :Molusk a écrit : Je ne pense pas. A quoi ressemble-t-il?
Sauf qu'il y a un petit plafonnier en pictogramme dessiné dessus :
OK, c'est une bonne valeur7.5A (marron)
28/09/2012LØLØ a écrit : De quand date ton 200 ?
UnTD4 remotorisé en 200, ce ci explique peut-être cela.
La partie allume cigare, peut très bien fonctionner, il faut contrôler la petit partie éclairage qui est sur le coté, et qui peut générer un court-circuit.A part un chargeur de téléphone qui fonctionne, rien.
Regarde comment est câble le fil rouge liseré blanc a son niveau.J'ai bien un autoradio, je jetterai un oeil sur ce dernier
Débranche là, surtout si tu vois le fil RW (rouge liseré blanc) sur son connecteur.A noter que l'horloge l'autre jour m'a fait un truc bizarre quand j'ai rebranché la batterie. Elle tournait à l'envers! En lui coupant le jus à nouveau j'ai réussi à la faire repartir dans le sens horaire.
Je ne perds pas de vue, le coté baignade non plus, contrôle quand même les feux en démontant les cabochons AV/AR sèche les si nécessaire avec un sèche cheveux, et sur l'arrière la douille double filament, joue souvent des tours car les ergots sont usés et le culot se positionne mal....et te fais un retour
A+
2 solutions: la bonne et l'Anglaise
LUCAS: Il n'y a pas de contact où il le faut et il y en a un où il ne faut pas
On ne peut aller loin en amitié, si on n'est pas disposé à se pardonner les uns aux autres les petits défauts.
www.eternal-vehicles.fr
LUCAS: Il n'y a pas de contact où il le faut et il y en a un où il ne faut pas
On ne peut aller loin en amitié, si on n'est pas disposé à se pardonner les uns aux autres les petits défauts.
www.eternal-vehicles.fr
Re: Def 200tdi : fusible veilleuses LH qui grille
Bonjour à tous,
quelques nouvelles. Tout fonctionne, je ne parviens pas à refaire sauter mon fusible… peut-être n'était ce que de l'humidité dans la prise d'attelage, qui s'était retrouvée immergée.
Sinon oui c'est bien 1992 et non 2012 ….
Et j'ai bien l'inter 3 positions pour le plafonnier.
Julien
quelques nouvelles. Tout fonctionne, je ne parviens pas à refaire sauter mon fusible… peut-être n'était ce que de l'humidité dans la prise d'attelage, qui s'était retrouvée immergée.
Sinon oui c'est bien 1992 et non 2012 ….
Et j'ai bien l'inter 3 positions pour le plafonnier.
Julien
Def 110SW 200Tdi de 1992
- LØLØ
- Modérateur
- Messages : 6210
- Enregistré le : 30/07/2006 15:41
- Localisation : guainville (28 )
- Contact :
Re: Def 200tdi : fusible veilleuses LH qui grille
Salut,Molusk a écrit : ... j'ai bien l'inter 3 positions pour le plafonnier.
Heu... alors peut-être que le hasard a voulu que le fusible saute pour une raison X et que simplement le bouton était sur la position plafonnier éteint a ce moment là.
A+
2 solutions: la bonne et l'Anglaise
LUCAS: Il n'y a pas de contact où il le faut et il y en a un où il ne faut pas
On ne peut aller loin en amitié, si on n'est pas disposé à se pardonner les uns aux autres les petits défauts.
www.eternal-vehicles.fr
LUCAS: Il n'y a pas de contact où il le faut et il y en a un où il ne faut pas
On ne peut aller loin en amitié, si on n'est pas disposé à se pardonner les uns aux autres les petits défauts.
www.eternal-vehicles.fr
- LØLØ
- Modérateur
- Messages : 6210
- Enregistré le : 30/07/2006 15:41
- Localisation : guainville (28 )
- Contact :
Re: Def 200tdi : fusible veilleuses LH qui grille
Salut,Molusk a écrit :pas compris
Oui moi aussi. Je ne comprends toujours pas le lien entre spécifiquement les veilleuses droites et l'éclairage du tableau de bord sur un land avant le 300. Donc j'essaie de trouver une explication.
A+
2 solutions: la bonne et l'Anglaise
LUCAS: Il n'y a pas de contact où il le faut et il y en a un où il ne faut pas
On ne peut aller loin en amitié, si on n'est pas disposé à se pardonner les uns aux autres les petits défauts.
www.eternal-vehicles.fr
LUCAS: Il n'y a pas de contact où il le faut et il y en a un où il ne faut pas
On ne peut aller loin en amitié, si on n'est pas disposé à se pardonner les uns aux autres les petits défauts.
www.eternal-vehicles.fr
Re: Def 200tdi : fusible veilleuses LH qui grille
Ce qui est clair, c'est que veilleuses gauches et illumination TDB sont sur le même fusible. Pourquoi, je n'en sais rien.LØLØ a écrit :Salut,Molusk a écrit :pas compris
Oui moi aussi. Je ne comprends toujours pas le lien entre spécifiquement les veilleuses droites et l'éclairage du tableau de bord sur un land avant le 300. Donc j'essaie de trouver une explication.
A+
Def 110SW 200Tdi de 1992
Re: Def 200tdi : fusible veilleuses LH qui grille
Vérification faite ce jour:
j'ai bien sur le meme fusible 7.5A les veilleuses gauche, l'eclairage de plaque, et les eclairages compteur.
Le plafonnier est sur un autre circuit.
jul
j'ai bien sur le meme fusible 7.5A les veilleuses gauche, l'eclairage de plaque, et les eclairages compteur.
Le plafonnier est sur un autre circuit.
jul
Def 110SW 200Tdi de 1992
- LØLØ
- Modérateur
- Messages : 6210
- Enregistré le : 30/07/2006 15:41
- Localisation : guainville (28 )
- Contact :
Re: Def 200tdi : fusible veilleuses LH qui grille
Salut,
Pour moi, il y aurait eu une modification de ton circuit d'alimentation d'éclairage du tableau de bord.
Pourquoi serait-il raccordé au circuit des veilleuses gauches je ne saurais l’expliquer, ( un dépannage suite a un problème...) Est ce que tout fonctionne correctement, électriquement parlant ?
Étant donné que sur le coté gauche, il y a déjà l'éclairage de plaque en plus des ampoules de clignotant, si j'avais eu a choisir, j'aurais mis l'éclairage du tableau de bord plutôt du coté droit cela aurait équilibré un peu les circuits gauche et droit.
Pour le plafonnier, c'est normal il est sur un +12V permanent et à l'époque on partait du principe que si tu allumais le plafonnier, il n'était pas nécessaire d'éclairer le tableau de bord, car cela faisait un double emplois.
A+
Pour moi, il y aurait eu une modification de ton circuit d'alimentation d'éclairage du tableau de bord.
Pourquoi serait-il raccordé au circuit des veilleuses gauches je ne saurais l’expliquer, ( un dépannage suite a un problème...) Est ce que tout fonctionne correctement, électriquement parlant ?
Étant donné que sur le coté gauche, il y a déjà l'éclairage de plaque en plus des ampoules de clignotant, si j'avais eu a choisir, j'aurais mis l'éclairage du tableau de bord plutôt du coté droit cela aurait équilibré un peu les circuits gauche et droit.
Pour le plafonnier, c'est normal il est sur un +12V permanent et à l'époque on partait du principe que si tu allumais le plafonnier, il n'était pas nécessaire d'éclairer le tableau de bord, car cela faisait un double emplois.
A+
2 solutions: la bonne et l'Anglaise
LUCAS: Il n'y a pas de contact où il le faut et il y en a un où il ne faut pas
On ne peut aller loin en amitié, si on n'est pas disposé à se pardonner les uns aux autres les petits défauts.
www.eternal-vehicles.fr
LUCAS: Il n'y a pas de contact où il le faut et il y en a un où il ne faut pas
On ne peut aller loin en amitié, si on n'est pas disposé à se pardonner les uns aux autres les petits défauts.
www.eternal-vehicles.fr
Re: Def 200tdi : fusible veilleuses LH qui grille
Sur un 200tdi, sur quel fusible devrait se trouver la ligne d'éclairage du TDB?
Def 110SW 200Tdi de 1992