Problèmes électriques suite inversion batterie Defender Td5

Bidouillages électriques, codes d'erreur ECU...

Modérateurs : The Pater, LØLØ

Règles du forum
En naviguant sur le site http://www.landroverfaq.com vous reconnaissez avoir lu ses Conditions d’Utilisation, vous déclarez les comprendre et vous acceptez d’y être lié de manière inconditionnelle. Si tel n'est pas le cas, merci de quitter immédiatement ce site.

Vous pouvez joindre autant d'images que nécessaire à vos messages A LA CONDITION EXPRESSE d'utiliser l'hébergement fourni par le site.

L'administrateur effacera systématiquement tout message contenant des photos hébergées chez Imageschack, Casimage, Wistiti ou tout autre hébergeur tiers sans sommation ni justification.
Avatar du membre
LandLover110
Habitué
Messages : 213
Enregistré le : 18/02/2011 18:27
Localisation : Amiens

Re: Problèmes électriques suite inversion batterie Defender

Message non lu par LandLover110 »

Bonjour LØLØ,

La réponse à VOLTA n'a pas tardé à surgir !

Effectivement, un bref aperçu des résultats montre par comparaison des 2 tableaux de mesures qu'il y a un problème sur la borne 13 du connecteur noir :
différence entre les mesures de Volta et les miennes.png
Donc il me reste à aller fureter derrière le tableau des instruments et à débrancher le faisceau de fils qui part vers les manomètres, dont le compteur ?
Quel risque pour celui-ci ? et pour les autres ? quelle est la procédure ?
(je commence à me méfier, je suis à bonne écol avec vous 2 : que dois-je débrancher en premier, pour éviter de "chahuter" l'électronique ?)

Bonne journée,
LandLover110
mécano Land Rover.png
Ps : merci pour tes précisions concernant les coupures batteries !
Cependant, tu indiques :
"Première règle fondamentale on évite toujours de débrancher une électronique sous tension on l’éteint d'abord. Dans notre cas on coupe le contact à la clef."
Dois-je prendre ça pour de l'humour :lol: ? ... j'ai beau essayer, mon moteur continue de tourner, avec la clé enlevée :wink: !
Avatar du membre
LØLØ
Modérateur
Messages : 6210
Enregistré le : 30/07/2006 15:41
Localisation : guainville (28 )
Contact :

Re: Problèmes électriques suite inversion batterie Defender

Message non lu par LØLØ »

Salut,
La réponse à VOLTA n'a pas tardé à surgir !
J'ai été content de voir cette mesure broche 13 du connecteur, comme mentionné précédemment, ta mesure ne me plaisait pas trop, donc le fruit était mur, il ne demandait qu'a tomber, revois ici le décorticage de ta mesure broche 13.
Donc il me reste à aller fureter derrière le tableau des instruments et à débrancher le faisceau de fils qui part vers les manomètres, dont le compteur ?
Il faut juste débrancher le connecteur du compteur lui même, comme sur la photo, les autres tu les laisse en place ainsi on aura également quelques indication, par les voyants
et les petits manomètre.
LØLØ a écrit :Mais c'est un point à contrôler en débranchant le compteur et en faisant un essais, voir si il tourne sans, et tester, si il s’arrête naturellement à chaque coupure du neiman.
Connecteur à defaire:
Image
Débranche juste la batterie avant de débrancher le compteur, car il y a un +12V permanent. Puis rebranche la pour faire le test.
Cependant, tu indiques :
"Première règle fondamentale on évite toujours de débrancher une électronique sous tension on l’éteint d'abord. Dans notre cas on coupe le contact à la clef."
Dois-je prendre ça pour de l'humour :lol: ? ... j'ai beau essayer, mon moteur continue de tourner, avec la clé enlevée :wink: !
Dans ton cas, tu appuis sur les freins; puis tu débranches la batterie; et enfin l'électronique. :mrgreen: :wink:
A+
2 solutions: la bonne et l'Anglaise
LUCAS: Il n'y a pas de contact où il le faut et il y en a un où il ne faut pas
On ne peut aller loin en amitié, si on n'est pas disposé à se pardonner les uns aux autres les petits défauts.
www.eternal-vehicles.fr
Avatar du membre
Volta
Habitué
Messages : 187
Enregistré le : 23/06/2006 1:14
Localisation : Grand-Couronne

Re: Problèmes électriques suite inversion batterie Defender

Message non lu par Volta »

:sm9:

Deux hypothèses: ou bien y'a un souci effectivement, ou bien j'ai fait un erreur de mesure...

Donc si j'ai trente secondes demain matin, je reprendrais la mesure sur la borne 13....
Mes hobbies: le dressage de puces et la couture sur tôle!
Avatar du membre
Volta
Habitué
Messages : 187
Enregistré le : 23/06/2006 1:14
Localisation : Grand-Couronne

Re: Problèmes électriques suite inversion batterie Defender

Message non lu par Volta »

:sm9:
Volta a écrit ::sm9:

Deux hypothèses: ou bien y'a un souci effectivement, ou bien j'ai fait un erreur de mesure...

Donc si j'ai trente secondes demain matin, je reprendrais la mesure sur la borne 13....
Eh M...e! C'est la deuxième hypothèse qui est la bonne! : Erreur de mesure! :sm4: :oops:

Borne 13 du connecteur noir, contact mis: 11,36V avec connecteur rouge branché!

Cela dit, au vu du schéma, comme dans le compteur le +12 Avant et après contact se côtoient, et que on sait que si le tdb est débranché il n'y a plus de panne, ça vaut le coup de faire un essai compteur débranché!
Mes hobbies: le dressage de puces et la couture sur tôle!
Avatar du membre
LandLover110
Habitué
Messages : 213
Enregistré le : 18/02/2011 18:27
Localisation : Amiens

Re: Problèmes électriques suite inversion batterie Defender

Message non lu par LandLover110 »

Bonjour à Tous,


Suite à la demande de LØLØ, j'ai débranché les deux connecteurs roses du compteur de vitesse (après avoir débranché ma batterie), et j'ai fait un test de démarrage / coupure de moteur : les 3 premiers essais ont été concluants : le moteur s'est arrété de tourner en ramenant la clé dans le Neiman en position I !
Bon ça y est, me suis-je dit, on a ENFIN trouvé l'origine de la panne !

Eh bin non ... parce que, dans mon empressement à faire le test, je n'ai pas décompté le temps de préchauffage (car quel que soit le moment où on démarre, moteur froid ou moteur chaud, sur un Defender, les bougies de préchauffage fonctionnent à chaque sollicitation du moteur, si j'ai bien tout compris ?), et au 4ème démarrage, le relai de préchauffage a "claqué" avec le bruit caractéristique du relais qui se met hors contact : la consommation de courant, due aux bougies de préchauffage, était suffisante pour fausser le test et éliminer les 4,7 volts qui alimentent l'ECU, donc le moteur ...

Donc retour à la case départ (et, au passage merci à Ludo, un contact du Bon coin, qui a gentiment accepté de réserver la vente de son compteur, le temps de cette vérification : désolé, mais il semble que mon compteur ne soit pas à l'origine de cette panne, et non, je ne serai pas acheteur de votre compteur ... je me permets ce message personnel, car je n'ai aucun moyen de re-contacter mon vendeur ; il a retiré son offre : un compteur de td5 de 2002 avec 135 000 km pour 100 €, ça ne devrait pas traîner ...)

ce soir, une discussion téléphonique avec Volta suggère de regarder à nouveau vers le boitier d'alarme ...
Il me reste à retrouver le coke EKA, avant d'aller fouiller dedans, sinon je risque bien une "mise à pied" !!!

@ +, bien amicalement !
Avatar du membre
LØLØ
Modérateur
Messages : 6210
Enregistré le : 30/07/2006 15:41
Localisation : guainville (28 )
Contact :

Re: Problèmes électriques suite inversion batterie Defender

Message non lu par LØLØ »

Salut,
:? dommage, et tant mieux, car cela nous permet de continuer de chercher, et d'explorer les méandres du faisceau du land TD5.
Deux tableaux résumant : les valeurs des tensions, leurs natures ( analogique; numérique; alimentation), leurs origines ou leur destinations. Pouvant servir de référence de comparaison avec les mesures de Volta et de LandLover.
Connecteur noir ECU TD5 C0658 :
connecteur Noir ECU.jpg
Connecteur rouge ECU TD5 C0158 :
connecteur ECU TD5 rouge.jpg
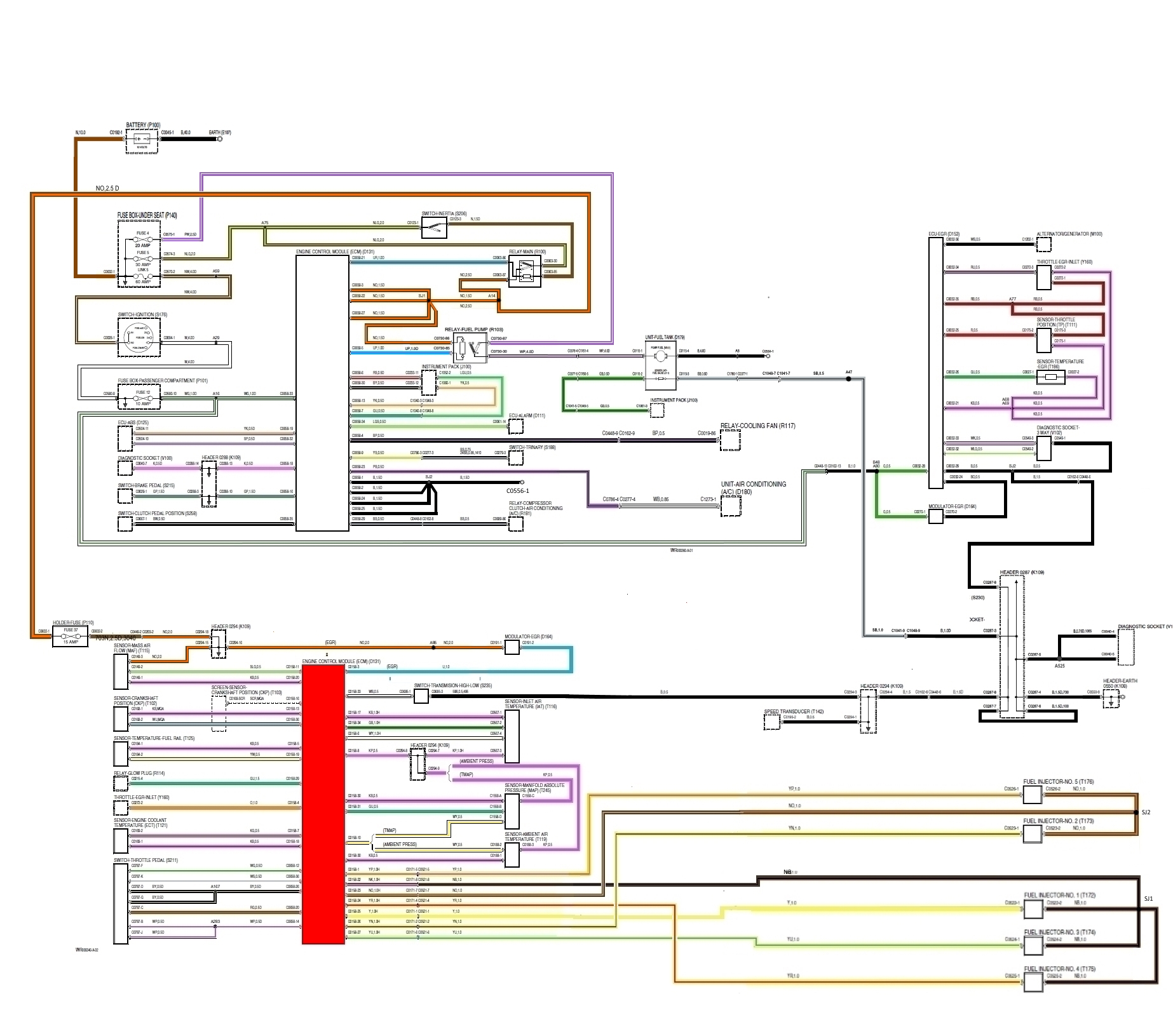
Pour nous aider dans nos recherches et analyses, un schéma global regroupant plusieurs pages des schémas du calculateur et de son environnement.
gestion moteur TD5.jpg
Une petite énigme au passage pour les possesseurs de TD5 de 2002 et après :
Où se trouve le fusible 37 de 15A qui n’existait pas sur les TD5 d'avant 2002 ? :wink:
A+
2 solutions: la bonne et l'Anglaise
LUCAS: Il n'y a pas de contact où il le faut et il y en a un où il ne faut pas
On ne peut aller loin en amitié, si on n'est pas disposé à se pardonner les uns aux autres les petits défauts.
www.eternal-vehicles.fr
Avatar du membre
Volta
Habitué
Messages : 187
Enregistré le : 23/06/2006 1:14
Localisation : Grand-Couronne

Re: Problèmes électriques suite inversion batterie Defender

Message non lu par Volta »

:sm9:


Volta a écrit ::sm9:

La deuxième chose: j'avais mis au frais une doc sur l'ECU TD5 concernant ce qu'on pouvait trouver en terme de tensions sur les broches de l'ECU...
Donc si ça peut être utile:
Doc ECU Volta.jpg
Doc ECU Volta2.jpg
Euh?!?... elle ne te plaisait pas ma doc, LØLØ.... :sm11: :mrgreen:
Volta a écrit : Une petite énigme au passage pour les possesseurs de TD5 de 2002 et après :
Où se trouve le fusible 37 de 15A qui n’existait pas sur les TD5 d'avant 2002 ? :wink:
Il serait sous le siège passager, sur un "holder" directement sur le câble...

Autre chose: j'ai été surpris de voir une ECU EGR, sur ton schéma. Je n'ai jamais vu ni entendu parler d'ECU EGR sur un TD5....
Je ne sais pas ce que prenaient les dessinateurs du schéma LR de 2002, si ça se buvait, se fumait ou se sniffait, mais ça devait être puissant! Je te parie qu'en fait il s'agit d'un bout de schéma des derniers 300TDI.... Qu'ils ont glissé dans le schéma du TD5 de 2002... :evil:
Alors, évidemment, ça aide vachement, quand tu veux tout regrouper!

Bon! pour revenir à nos moutons, comme on ne voit pas de "fuite" du + permanent vers le + Après contact, on peut imaginer qu'il s'agisse d'un élément qui ne consomme pas ce qu'il devrait quand on coupe le contact. Et ça en dehors d'un élément électronique, je ne vois pas....
ECU: Vu
Bloc voyants: Vu
Compteur: ?
ECU Alarme: ?(pourquoi pas... vu que le seul signe que Philippe a eu lors de l'inversion, a été la mise en route du Klaxon....)
Mes hobbies: le dressage de puces et la couture sur tôle!
Avatar du membre
LandLover110
Habitué
Messages : 213
Enregistré le : 18/02/2011 18:27
Localisation : Amiens

Re: Problèmes électriques suite inversion batterie Defender

Message non lu par LandLover110 »

On s'endort, les gars ! ... et on va pas y passer le réveillon !

Un petit trait d'humour, pour relancer nos 2 "Rouletabille" (en l'occurance, "Roule ton Land" !) ... et c'est le moment de placer cette expression bien française !

Sinon, je peux me dire que j'ai (eu) beaucoup de chance : mon Def tourne bien, pas de dysfonctionnement connu (sauf peut-être parfois des problèmes d'alarme, voir les anciens posts cet été en vacances ...), mais je reste méfiant et je ne peux pas lui faire confiance, tant que je n'aurais pas résolu le problème !

D'où ma relance auprès de LØLØ et VOLTA !

"Allez, on se reprend !", et on remet son nez dans l'étude des schémas électriques du Def Td5 : il va bien en ressortir quelque chose, de ce "brainstorming", d'autant que vous avez déjà éliminé bien des hypothèses !

Prochaine étude, le boitier d'alarme, peut-être ? L'ami VOLTA aurait-il prévu de passer par Amiens dans les prochains jours ? Sinon, je vais p'être faire un tour à Rouen, moi ...

Allez y les gars, on compte sur vous ! (enfin moi surtout ...), et Merci d'avance,
en attendant de vous souhaiter un "Happy Goodyear, meilleurs pneus !"
(Non, Mauresque, c'est pas d'la pub: la preuve, j'roule en BF G...rich !
Ah, ça c'en est ? bon, bin tu censureras !)
Defender Landlover 110
Defender Landlover 110

Salutations amicales à tous mes amis Landistes !

Un peu d'humour n'a jamais fait de mal, surtout par les temps qui courent ...
Avatar du membre
LØLØ
Modérateur
Messages : 6210
Enregistré le : 30/07/2006 15:41
Localisation : guainville (28 )
Contact :

Re: Problèmes électriques suite inversion batterie Defender

Message non lu par LØLØ »

landlover110 a écrit :On s'endort, les gars ! ...
Salut,
Oui mais cela n'empêche pas d'être actif, et même de poser des questions à des professionnels, donnant lieu a des conversations passionnantes, mais toujours chou blanc, malgré la qualité des interlocuteurs soit indépendant ou appartenant au réseau même land rover.
Volta a écrit : Compteur: ?
bloc compteur TD5.jpg
Bon là on a fait un petit pas dans le sens ou j'ai l'objet dans les mains, il me reste a trouver le temps de faire des mesures dessus pour le contrôler et bien en comprendre son fonctionnement.
Combien de kilomètre affiche ton compteur ?
ECU Alarme: ?(pourquoi pas... vu que le seul signe que Philippe a eu lors de l'inversion, a été la mise en route du Klaxon....)
L'objet doit-être plus dur à analyser ou simuler qu'un compteur sans un nanocom.
Volta a écrit : Euh?!?... elle ne te plaisait pas ma doc, LØLØ.... :sm11: :mrgreen:
:oops: Si si, mais dans la masse elle m'était sortie de la tête. En plus la tienne est en français.
A+
2 solutions: la bonne et l'Anglaise
LUCAS: Il n'y a pas de contact où il le faut et il y en a un où il ne faut pas
On ne peut aller loin en amitié, si on n'est pas disposé à se pardonner les uns aux autres les petits défauts.
www.eternal-vehicles.fr
Avatar du membre
LandLover110
Habitué
Messages : 213
Enregistré le : 18/02/2011 18:27
Localisation : Amiens

Re: Problèmes électriques suite inversion batterie Defender

Message non lu par LandLover110 »

Bonsoir LØLØ,


Loin de moi l'idée de vouloir te bousculer, pas plus d'ailleurs que VOLTA ... mais le jeu de mots était tentant, vu l'approche des fêtes de fin d'année !

J'ai bien conscience que sans vous deux, j'en serai encore à tâtonner pour savoir quoi faire ! Et le nombre de posts échangés, (plus d'une centaine !), le nombre de visiteurs (près de 6 000 ...) me confirme que j'ai frappé à la bonne porte !
... ... ... ...
Donc, j'ai relevé le compteur (sans jeu de mots ...) : mon Defender a aujourd'hui 239 925 km.

Je crois savoir que lorsqu'on change un tachymètre de Td5, il faut vérifier que le compteur du véhicule donneur ne doit pas dépasser en kilométrage celui du véhicule receveur, sinon, les informations contenues dans l'ECU sont corrigées sur le kilométrage le plus élevé ?
Avec le mien, peu de risques ...

A bientôt !
Prisca69
Habitué
Messages : 88
Enregistré le : 02/09/2011 18:54

Re: Problèmes électriques suite inversion batterie Defender

Message non lu par Prisca69 »

Bonsoir,
En voyant la photo de votre Def, je vois qu'il a été monté des phares additionnels. Mon idée est que ces phares sont probablement branchés sur des relais, qui eux sont probablement protégés par des diodes contre les courants de self. Si une de ces diodes était a moitié cramée, ne pourrait-elle pas laisser passer cette tension de env. 4 volts?
Pour en avoir le coeur net il suffirait de débrancher ces relais!
Je ne sais pas si cela a été déjà fait, si c'est le cas considerez ce message comme nul et supprimez le.
Loin de moi l'idée de m'initier dans ce combat des chefs,que j'apprecie d'ailleurs particulièrement, mais si je peux apporter une pierre à l'édifice, pourquoi pas!
Salutations
Avatar du membre
LØLØ
Modérateur
Messages : 6210
Enregistré le : 30/07/2006 15:41
Localisation : guainville (28 )
Contact :

Re: Problèmes électriques suite inversion batterie Defender

Message non lu par LØLØ »

LandLover110 a écrit : Je crois savoir que lorsqu'on change un tachymètre de Td5, il faut vérifier que le compteur du véhicule donneur ne doit pas dépasser en kilométrage celui du véhicule receveur, sinon, les informations contenues dans l'ECU sont corrigées sur le kilométrage le plus élevé ?
Salut,
Ah ?
Il n'y a pas de liaison entre l'ECU et le compteur autre que l'information vitesse broche 13. De prime abord, il ne semble pas y avoir de signaux permettant la communication d'une information kilométrage parcouru entre l'ECU et le bloc compteur.
Vois la réponse précédente .
Prisca69 a écrit : Mon idée est que ces phares sont probablement branchés sur des relais, qui eux sont probablement protégés par des diodes contre les courants de self.

Salut, le problème des relais et d'une diode malade à déjà été évoqué me semble t-il, mais tu fais bien de remettre le couvert, car sur les relais simple des lands, la surtension dut à la commutation des bobines des relais est atténuée par une résistance de 680 Ω :
relais resistance de protection.jpg
Mais voilà, pour être activé ou alimenté même dans le mauvais sens, il faut appuyer sur un bouton ou qu'un système automatique l'active par le + après contact quand on tourne la clef, sinon pas de courant dans la bobine du relais ou sa protection.
Par contre, dans la centrale clignotante il y a bien une Zener de protection:
Zener protection centrale.jpg
vois ce thème et les liens si tu es intéressé par les détails du système des clignotants probleme clignotant defender.
Si une de ces diodes était a moitié cramée, ne pourrait-elle pas laisser passer cette tension de env. 4 volts?
Oui, on est bien d'accord sur le principe, il faut pister et trouver toutes les diodes, et là, ce n'est pas évident, mais il est sur qu'en gardant le minimum syndical pour le fonctionnement du moteur, on pourrait isoler le problème. par exemple en déconnectant le faisceau d'éclairage arrière et avant au niveau du tablier, en enlevant la centrale clignotante et la temporisation d'essuie glace etc...
Pour en avoir le coeur net il suffirait de débrancher ces relais!
Oui, en débrancher le maximum d’élément possible
Je ne sais pas si cela a été déjà fait, si c'est le cas considérez ce message comme nul et supprimez le.
Bah, Oui, peut-être, déjà fait mais au bout d'un moment, quand on tourne en rond, il faut recommencer depuis le départ et c'est bien de le rappeler car il y a toujours quelques chose qui cloche.
Loin de moi l'idée de m'initier dans ce combat des chefs,que j’apprécie d'ailleurs particulièrement,
Il n'y a pas de chef, et encore moins de combat, c'est juste une grande grille de mots croisés que l'on se partage avec plaisir. :wink: Sauf peut-être pour LandLover110 qui commence à trouver le temps long.
mais si je peux apporter une pierre à l'édifice, pourquoi pas!
Merci Prisca69! Il est clair qu'un mot (pour ne pas dire maux), peut en révéler un autre... :mrgreen: :wink:
A+
2 solutions: la bonne et l'Anglaise
LUCAS: Il n'y a pas de contact où il le faut et il y en a un où il ne faut pas
On ne peut aller loin en amitié, si on n'est pas disposé à se pardonner les uns aux autres les petits défauts.
www.eternal-vehicles.fr
Avatar du membre
LandLover110
Habitué
Messages : 213
Enregistré le : 18/02/2011 18:27
Localisation : Amiens

Re: Problèmes électriques suite inversion batterie Defender

Message non lu par LandLover110 »

Bonsoir Prisca69 (et bonsoir LØLØ : tu es comme Lucky Luke, tu tires plus vite que ton ombre : j'ai pas eu le temps de répondre à Prisca 69, que tu as déjà donné un réponse ! je publie donc ma réponse à Prisca69 et j'ajoute mes commentaires, suite à la tienne)
Je ne sais pas si cela a été déjà fait, si c'est le cas considérez ce message comme nul et supprimez le.
Loin de moi l'idée de m'initier dans ce combat des chefs,que j’apprécie d'ailleurs particulièrement, mais si je peux apporter une pierre à l'édifice, pourquoi pas!
Il n'y a pas de mauvaises idées, tant qu'elles font avancer le débat : tout ce qui permet d’avancer pour la bonne cause est bon à prendre et tu es le bienvenu dans ce sujet !
(Je crois refléter l'esprit de ce forum, ouvert et constructif, en te remerciant de ta contribution (je ne suis pas un modérateur, juste un simple membre qui a fait une c...rie en rebranchant sa batterie, bêtement, sans savoir quelles en seraient les conséquences, mais je ne pensais pas que cela entraînerait autant de recherches et de débats aussi passionnés !

Concernant ta suggestion, je laisse à LØLØ le soin de confirmer (ou pas ?) cette hypothèse sur un plan scientifique : j'essaie dés demain de couper le moteur, relais des phares additionnels débranchés ; on verra bien !
Pour ce soir, ma batterie refuse (à nouveau ?) de fournir assez de « jus » pour démarrer : le fameux "tic, tic, tic, tic …" qui indique que le solénoïde ne peut s’enclencher sur la couronne moteur ! J'ai roulé avec en octobre (plus d'une heure, soit assez longuement pour la recharger) : y aurait-il une fuite de courant, en plus de la tension résiduelle (de 4, volts) qui est à l'origine de mes soucis ? La batterie est âgée d'un peu plus d'un an et mon Land dort au garage ; ce soir, avant de remettre en charge, le voltmètre indiquait 11,83 Volts (ça, c'est pour LØLØ ; j'ai pris le réflexe de mesurer le voltage,depuis que je viens sur ce forum !)

(j’ai cependant un doute sur ta remarque, Prisca69, car les phares additionnels ne fonctionnent que sur le circuit des feux de route et de croisement, donc ils ne sont pas alimentés en permanence sur le + batterie, ou je me trompe ?)

Concernant le tachymètre, il faudrait croiser tes infos avec celles de Volta, qui m'avait mis en garde à ce propos, mais je ne sais pas dans quel sens l'info sur le kilométrage est chargée : de l'ECU vers le compteur ou l'inverse (le but étant pour le constructeur de ne pas pouvoir "descendre " le kilométrage, en changeant de compteur ...

Pour info, j'ai en réserve une centrale clignotant neuve, car je pensais que la mienne, après tant de kilomètres, n'était plus suffisamment audible et à 130 km/h sur autoroute, je ne l'entends pas, sans doute à cause du tube d'échappement central qui "ronfle" un peu (j'ai viré le pot intermédiaire pour un peu de chevaux supplémentaires, et un son un peu plus "viril" ...) : le changement de centrale n'apporte pas d'amélioration de la sonorité et je pense ajouter un buzzer (à 2 € chez C.nr.d, pas la peine de s'en priver !) ; je cherche un schéma pour l'installer à proximité du commodo, si quelqu'un l'a déjà fait je suis preneur ! Mais on verra plus tard, inutile d'en rajouter au problème du moment ...

Pour le test de Prisca69, faut-il se contenter de débrancher les fusibles ? ou je dois déconnecter les relais ? Et pour aller plus loin, où se trouvent les connections des feux avant et des feux arrière, que je fasse le test jusqu'au bout ?

Merci Prisca69 et merci LØLØ !
J'aime encore mieux croiser les mots, que de croiser les doigts, en espérant que ça marche ! (juste pour faire un jeu de mots ... douteux !)
bury the hatchet
Habitué
Messages : 71
Enregistré le : 25/07/2012 14:24
Localisation : Daillens Vaud CH/ Guilliers Morbihan BZH

Re: Problèmes électriques suite inversion batterie Defender

Message non lu par bury the hatchet »

hello,
si tu as une alarme, ça aide a vider la batterie: j'en ai fait l'expérience avec mon Disco td5 et mon 110 td5. batterie de moins d'un an, pas d'utilisation pendant un mois, véhicule couchant dans le garage, décharge importante et pas moyen de démarrer.
Land Rover don't leaks oil, they're just marking their territories.
Avatar du membre
LØLØ
Modérateur
Messages : 6210
Enregistré le : 30/07/2006 15:41
Localisation : guainville (28 )
Contact :

Re: Problèmes électriques suite inversion batterie Defender

Message non lu par LØLØ »

bury the hatchet a écrit :hello,
si tu as une alarme, ça aide a vider la batterie: j'en ai fait l'expérience avec mon Disco td5 et mon 110 td5. batterie de moins d'un an, pas d'utilisation pendant un mois, véhicule couchant dans le garage, décharge importante et pas moyen de démarrer.
Salut,
Nous avons évoqué ce problème ici, et d’après les mesures, il faut 41 jours pour vider une batterie de 100A/h. Ce qui pourrait être intéressant si tu le peux, c'est de mesurer le courant consommé avec et sans alarme. Ainsi, on pourra comparer avec les valeurs de LandLover110, car on a des doutes sur son boitier d'alarme aussi.
A+
2 solutions: la bonne et l'Anglaise
LUCAS: Il n'y a pas de contact où il le faut et il y en a un où il ne faut pas
On ne peut aller loin en amitié, si on n'est pas disposé à se pardonner les uns aux autres les petits défauts.
www.eternal-vehicles.fr
bury the hatchet
Habitué
Messages : 71
Enregistré le : 25/07/2012 14:24
Localisation : Daillens Vaud CH/ Guilliers Morbihan BZH

Re: Problèmes électriques suite inversion batterie Defender

Message non lu par bury the hatchet »

oui, je pourrais faire ça sur le 110, car le Disco est avec la batterie vide. (je ne m'en sert plus: boîtoto hs :sm1: ) mais seulement après noël.

par contre, comment faire pour mesurer? :oops: je veux dire, où prendre la mesure?

même alarme désactivée, j'ai toujours le voyant rouge qui clignote au tdb.

édit, je viens de lire le lien, ok. juste à la batterie, c'est bien ça? euh... j'en ai deux dans le compartiment, je prends la mesure sur laquelle?
Land Rover don't leaks oil, they're just marking their territories.
Avatar du membre
LandLover110
Habitué
Messages : 213
Enregistré le : 18/02/2011 18:27
Localisation : Amiens

Re: Problèmes électriques suite inversion batterie Defender

Message non lu par LandLover110 »

Alors LØLØ, on complote dans mon dos ? Non, je blaaaaaaaaaaague, ce doit être mon esprit caustique (typiquement français ...) !
Bon , je vois que tout ça progresse, et ça me va bien !

La manip' étant aisée, un simple voltmètre, et le temps de retirer l'assise du siège et le cache batterie, la mesure est prise ! (je sais, je le fais en 12 secondes 5, avec l'entrainement ...) :
Peut-être que bury the hatchet en aurait le temps ? Merci par avance !
(j'avais un doute sur la traduction de cet avatar, et je suis allé sur ce site : http://www.epictimes.com/jerrydoyle/201 ... e-hatchet/ Y aurait-il un lien ?)

Pour info, j'ai donc rechargé la batterie pendant 24 heures (12,98 volts, dans les 30 secondes après avoir débranché mon chargeur, puis 12,86 volts ensuite ...), puis j'ai démarré, fusibles de les phares additionnels retirés du bornier : négatif, mon adjudant ! le problème reste entier ...
d'où ma question, pour bien réaliser ce test : faut-il débrancher tous les fils allant aux relais ?
20151215_193445.jpg
on voit mal, mais mes relais sont bien à l'abri, et mon bornier additionnel aussi ; le + batterie alimente les 4 relais, dont celui du compresseur du klacson additionnel :
pour rappel, lorsque j'ai inversé mes câbles, seul le klacson d'origine s'est manifesté et j'ai posé la question à mon garagiste, qui m'a répondu qu'un compresseur de klacson peut fonctionner dans les 2 sens (le mien n'est pas branché en direct sur l'alarme, mais en parallèle du klacson d'origine).

Ça peut faire avancer le Schmilblick ?
bury the hatchet
Habitué
Messages : 71
Enregistré le : 25/07/2012 14:24
Localisation : Daillens Vaud CH/ Guilliers Morbihan BZH

Re: Problèmes électriques suite inversion batterie Defender

Message non lu par bury the hatchet »

hello Landrover110,

oui, c'est vrai que ça prends peu de temps, mais en ce moment, je suis constamment au boulot (environ 15h/jour) jusqu'au 23, we compris.

pourquoi Bury the hatchet? parceque mon 100 ffr ex-mod, parce que j'aime aussi la chanson des Cranberries, et parce que je trouve qu'il est mieux d'enterrer la hache de guerre plutôt que de se foutre dessus :mrgreen:

sinon, comme dit plus haut, j'ai 2 batteries: je prends la mesure sur la principale, ou sur les deux?
Land Rover don't leaks oil, they're just marking their territories.
Avatar du membre
LØLØ
Modérateur
Messages : 6210
Enregistré le : 30/07/2006 15:41
Localisation : guainville (28 )
Contact :

Re: Problèmes électriques suite inversion batterie Defender

Message non lu par LØLØ »

bury the hatchet a écrit :, j'ai 2 batteries: je prends la mesure sur la principale, ou sur les deux?
Hugh!
Tu déconnectes le + de l'auxiliaire, et tu fais les mesures sur la principale.
Attention de ne pas laisser trainer et toucher la carrosserie avec la cosse du + de la batterie auxiliaire.
A+
2 solutions: la bonne et l'Anglaise
LUCAS: Il n'y a pas de contact où il le faut et il y en a un où il ne faut pas
On ne peut aller loin en amitié, si on n'est pas disposé à se pardonner les uns aux autres les petits défauts.
www.eternal-vehicles.fr
bury the hatchet
Habitué
Messages : 71
Enregistré le : 25/07/2012 14:24
Localisation : Daillens Vaud CH/ Guilliers Morbihan BZH

Re: Problèmes électriques suite inversion batterie Defender

Message non lu par bury the hatchet »

ok chef! :)
merci
Land Rover don't leaks oil, they're just marking their territories.
Répondre

Retourner vers « Electricité • Electronique »