Remplacement du contacteur de feux stop Def. 300 TDI
Règles du forum
En naviguant sur le site http://www.landroverfaq.com vous reconnaissez avoir lu ses Conditions d’Utilisation, vous déclarez les comprendre et vous acceptez d’y être lié de manière inconditionnelle. Si tel n'est pas le cas, merci de quitter immédiatement ce site.
Vous pouvez joindre autant d'images que nécessaire à vos messages A LA CONDITION EXPRESSE d'utiliser l'hébergement fourni par le site.
L'administrateur effacera systématiquement tout message contenant des photos hébergées chez Imageschack, Casimage, Wistiti ou tout autre hébergeur tiers sans sommation ni justification.
En naviguant sur le site http://www.landroverfaq.com vous reconnaissez avoir lu ses Conditions d’Utilisation, vous déclarez les comprendre et vous acceptez d’y être lié de manière inconditionnelle. Si tel n'est pas le cas, merci de quitter immédiatement ce site.
Vous pouvez joindre autant d'images que nécessaire à vos messages A LA CONDITION EXPRESSE d'utiliser l'hébergement fourni par le site.
L'administrateur effacera systématiquement tout message contenant des photos hébergées chez Imageschack, Casimage, Wistiti ou tout autre hébergeur tiers sans sommation ni justification.
Remplacement du contacteur de feux stop Def. 300 TDI
Bonjour aux mécanos !
Pour remplacer le contacteur de feux stop, avez-vous une astuce, un truc, pour libérer la pression qui s'exerce sur celui-ci lorsque vous revissez le nouveau contacteur dans son logement (si discret dans le compartiment moteur ...) ?
Pour le moment j'ai flingué le pas de vis (plastique) de deux contacteurs neufs sur la moitié de leur longueur...
Cordialement,
Tanguy
Pour remplacer le contacteur de feux stop, avez-vous une astuce, un truc, pour libérer la pression qui s'exerce sur celui-ci lorsque vous revissez le nouveau contacteur dans son logement (si discret dans le compartiment moteur ...) ?
Pour le moment j'ai flingué le pas de vis (plastique) de deux contacteurs neufs sur la moitié de leur longueur...
Cordialement,
Tanguy
- LØLØ
- Modérateur
- Messages : 6210
- Enregistré le : 30/07/2006 15:41
- Localisation : guainville (28 )
- Contact :
Re: Remplacement du contacteur de feux stop Def. 300 TDI
Salut,
Je ne suis pas mécano, mais effectivement vue sa situation géographique, entre le tablier et le support de pédalier de frein, il est très facile de le visser de travers. mais peut-être quand appuyant en en coinçant en position basse la pédale, il y a moins de contrainte sur le contacteur. Mais je pense qu'il y a un problème, car normalement le filetage plastique supporte la contrainte dut à l'enfoncement du contacteur.
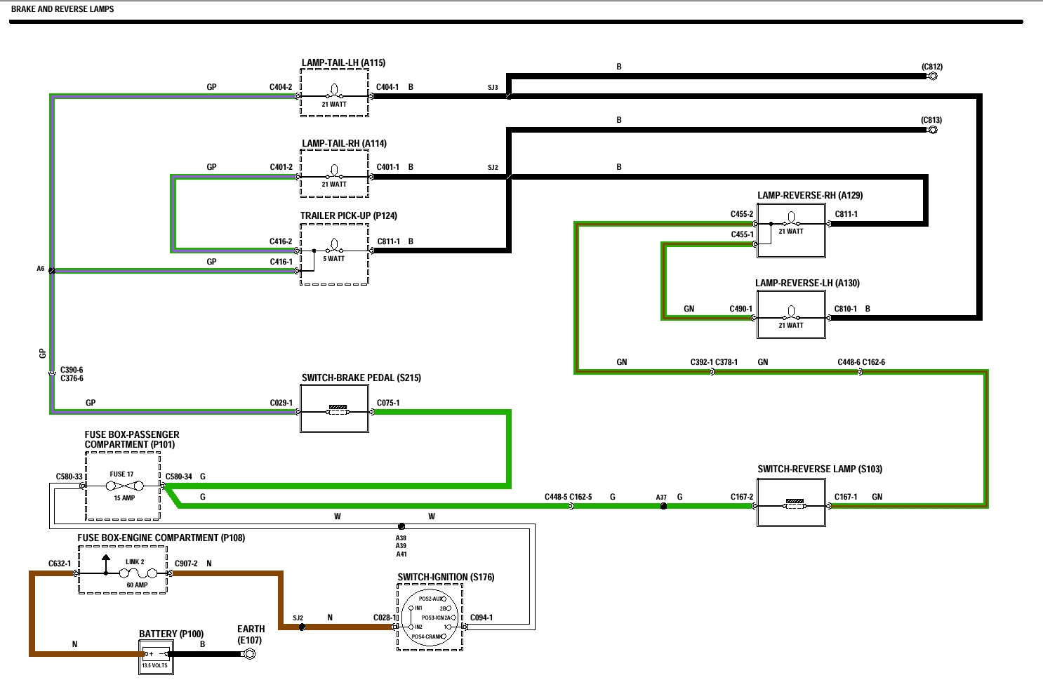
Le contacteur coté intérieur, pédalier enfoncé: Pour contrôler l'enfoncement lors du vissage du capteur, tu mets le contact et tu essais plusieurs positions d'enfoncement, jusqu’à l'extinction des feux stop, dés qu'ils s’éteignent, tu rajoutes un quart de tours, et tu serres le contre écrou délicatement. Au début, il faut brancher et débrancher les fils du contacteur pour pouvoir le tourner, jusqu’à ce que la position seuil d'extinction des feux stop soit déterminée. Il y a très peu de tours pour son montage, il est a peine vissé dans le pédalier. Avant de se lancer dans son changement, on peut tester le circuit des feux stop, en démontant les cosses du capteur et en plaçant un fil entre les deux, les stop doivent être allumés. Il faut faire attention, car ce capteur (S215) commute un 12V après contact (sur le fil tout vert ), d'où la cosse femelle coté faisceau. L'autre le vert liseré violet part vers les feux. A noter, qu'il n'est pas rare d'avoir des problèmes de feu recul simultanément avec les feux stop, car ils sont sur le même fusible d'une part et d'autre part le faisceau électrique passe en dessous le long de la cloche de boite, sur laquelle il s'abime par frottement provoquant coupure ou sapin noel ou fusible 17 qui saute à chaque fois que l'on passe la marche arrière par exemple, ce qui éliminera les feux stop. On peut distinguer sur la photo le fil vert. A+
Je ne suis pas mécano, mais effectivement vue sa situation géographique, entre le tablier et le support de pédalier de frein, il est très facile de le visser de travers. mais peut-être quand appuyant en en coinçant en position basse la pédale, il y a moins de contrainte sur le contacteur. Mais je pense qu'il y a un problème, car normalement le filetage plastique supporte la contrainte dut à l'enfoncement du contacteur.
Le contacteur coté intérieur, pédalier enfoncé: Pour contrôler l'enfoncement lors du vissage du capteur, tu mets le contact et tu essais plusieurs positions d'enfoncement, jusqu’à l'extinction des feux stop, dés qu'ils s’éteignent, tu rajoutes un quart de tours, et tu serres le contre écrou délicatement. Au début, il faut brancher et débrancher les fils du contacteur pour pouvoir le tourner, jusqu’à ce que la position seuil d'extinction des feux stop soit déterminée. Il y a très peu de tours pour son montage, il est a peine vissé dans le pédalier. Avant de se lancer dans son changement, on peut tester le circuit des feux stop, en démontant les cosses du capteur et en plaçant un fil entre les deux, les stop doivent être allumés. Il faut faire attention, car ce capteur (S215) commute un 12V après contact (sur le fil tout vert ), d'où la cosse femelle coté faisceau. L'autre le vert liseré violet part vers les feux. A noter, qu'il n'est pas rare d'avoir des problèmes de feu recul simultanément avec les feux stop, car ils sont sur le même fusible d'une part et d'autre part le faisceau électrique passe en dessous le long de la cloche de boite, sur laquelle il s'abime par frottement provoquant coupure ou sapin noel ou fusible 17 qui saute à chaque fois que l'on passe la marche arrière par exemple, ce qui éliminera les feux stop. On peut distinguer sur la photo le fil vert. A+
2 solutions: la bonne et l'Anglaise
LUCAS: Il n'y a pas de contact où il le faut et il y en a un où il ne faut pas
On ne peut aller loin en amitié, si on n'est pas disposé à se pardonner les uns aux autres les petits défauts.
www.eternal-vehicles.fr
LUCAS: Il n'y a pas de contact où il le faut et il y en a un où il ne faut pas
On ne peut aller loin en amitié, si on n'est pas disposé à se pardonner les uns aux autres les petits défauts.
www.eternal-vehicles.fr
Re: Remplacement du contacteur de feux stop Def. 300 TDI
Merci LØLØ, j'avais effectivement essayé en coinçant la pédale en position basse sans succès.
Il est vrai que je n'avais pas démonté le support de pédalier et avais essayé "à l'aveugle" de qui peut expliquer pourquoi j'ai fusillé les pas de vis.
S'il faut démonter le support, quelles précautions prendre ? déposer le maitre cylindre et purger ensuite ?
Cordialement,
Tanguy
Il est vrai que je n'avais pas démonté le support de pédalier et avais essayé "à l'aveugle" de qui peut expliquer pourquoi j'ai fusillé les pas de vis.
S'il faut démonter le support, quelles précautions prendre ? déposer le maitre cylindre et purger ensuite ?
Cordialement,
Tanguy
- LØLØ
- Modérateur
- Messages : 6210
- Enregistré le : 30/07/2006 15:41
- Localisation : guainville (28 )
- Contact :
Re: Remplacement du contacteur de feux stop Def. 300 TDI
Salut,Tanguy a écrit : S'il faut démonter le support, quelles précautions prendre ? déposer le maitre cylindre et purger ensuite ?
Non, ne démonte rien du tout, il faut des doigts de fée et de la patience c'est tout.
A+
2 solutions: la bonne et l'Anglaise
LUCAS: Il n'y a pas de contact où il le faut et il y en a un où il ne faut pas
On ne peut aller loin en amitié, si on n'est pas disposé à se pardonner les uns aux autres les petits défauts.
www.eternal-vehicles.fr
LUCAS: Il n'y a pas de contact où il le faut et il y en a un où il ne faut pas
On ne peut aller loin en amitié, si on n'est pas disposé à se pardonner les uns aux autres les petits défauts.
www.eternal-vehicles.fr
Re: Remplacement du contacteur de feux stop Def. 300 TDI
Ok, c'est bien noté et merci pour les photos.
Celle "coté intérieur, pédale enfoncée" me laisse penser que je ne dois pas avoir autant d'espace libre.
Je vérifierai et vous tiendrai au courant,
Merci encore,
Tanguy
Celle "coté intérieur, pédale enfoncée" me laisse penser que je ne dois pas avoir autant d'espace libre.
Je vérifierai et vous tiendrai au courant,
Merci encore,
Tanguy
Re: Remplacement du contacteur de feux stop Def. 300 TDI
Bonjour Lolo,
Pour faire le point, j'ai glissé une clé à pipe de 15 dans la gouttière de la pédale de frein (par dessous) pour repousser celle-ci puis dégagé le contacteur du capot pour passer les doigts. Le montage et les réglages ont été effectués en vingt minutes sans abimer le pas de vis du contacteur de feux stop.Ouf et merci pour les photos !
@+
Tanguy
Pour faire le point, j'ai glissé une clé à pipe de 15 dans la gouttière de la pédale de frein (par dessous) pour repousser celle-ci puis dégagé le contacteur du capot pour passer les doigts. Le montage et les réglages ont été effectués en vingt minutes sans abimer le pas de vis du contacteur de feux stop.Ouf et merci pour les photos !
@+
Tanguy
Re: Remplacement du contacteur de feux stop Def. 300 TDI
bonjour
j'ai l'impression que que sur mon disco 300 tdi BVA le contacteur est entièrement sous la pédale de frein.
est ce que je peux le démonter directement ? il semble se dévisser sans problème mais y a t il un ecrou derière la pédale ??? qui pourrait tomber ou m'obliger à tout démonter.....
le tout ce fait par l'intérieur.
merci
j'ai l'impression que que sur mon disco 300 tdi BVA le contacteur est entièrement sous la pédale de frein.
est ce que je peux le démonter directement ? il semble se dévisser sans problème mais y a t il un ecrou derière la pédale ??? qui pourrait tomber ou m'obliger à tout démonter.....
le tout ce fait par l'intérieur.
merci
disco aigle 300tdi automatique de 1996
def ford 2009 HT90 ( vendu)
def ford 2009 HT90 ( vendu)
Re: Remplacement du contacteur de feux stop Def. 300 TDI
re bonjour
je me répond à moi même.
avec trois mains et pleins de petits doigts, effectivement il y a un ecrou derrière la plaque , va pas être facile à remettre.
je me répond à moi même.
avec trois mains et pleins de petits doigts, effectivement il y a un ecrou derrière la plaque , va pas être facile à remettre.
disco aigle 300tdi automatique de 1996
def ford 2009 HT90 ( vendu)
def ford 2009 HT90 ( vendu)
Re: Remplacement du contacteur de feux stop Def. 300 TDI
Bonsoir à tous,
Depuis hier j'ai plus de feux de STOP,
J'ai commencer par regarder les fusibles et tout nickel.
après le branchement dans la benne arrière et encore rien du tout.
et pour finir j'ai démonter le contacteur et la rien du tout aussi
J'ai brancher les deux fils qui arrive au contacteur et rien de s'allume a l arrière
Est ce normal?
merci d'avance
Depuis hier j'ai plus de feux de STOP,
J'ai commencer par regarder les fusibles et tout nickel.
après le branchement dans la benne arrière et encore rien du tout.
et pour finir j'ai démonter le contacteur et la rien du tout aussi
J'ai brancher les deux fils qui arrive au contacteur et rien de s'allume a l arrière
Est ce normal?
merci d'avance
Re: Remplacement du contacteur de feux stop Def. 300 TDI
sur un déf 2,5 TD de 1988
- The Pater
- Modérateur
- Messages : 13981
- Enregistré le : 25/08/2004 8:19
- Localisation : 06°27'46"E 45°50'29"N
Re: Remplacement du contacteur de feux stop Def. 300 TDI
Rien du tout, cela veut dire que tu les as testé (le branchement, le contacteur) et qu'ils marchent, mais les feux stops ne fonctionnent pas ? ?pich a écrit : après le branchement dans la benne arrière et encore rien du tout.
et pour finir j'ai démonter le contacteur et la rien du tout aussi
Que tu n'aies pas de feux stop, non, ce n'est pas normalEst ce normal?
Il faut avancer pas à pas. Vérifier que tu as bien du 12V au support fusible. (je crois que le courant pour les feux stops passent par le Nieman, on vérifiera seulement si tu n'as pas de 12V au fusible).
Si 12V au fusible, alors vérifie ensuite au contacteur de feu stop.
Ensuite c'est direct les feux stop, donc vérifie que tu as du 12 V sur le support des ampoules.
Question : tes warnings fonctionnent bien ?
A+
Ingénieur :
Personne faisant un travail divinatoire de précision basé sur des informations peu fiables données par des personnes peu qualifiées, voire ignorantes.
=>, magicien, devin, sorcier
Personne faisant un travail divinatoire de précision basé sur des informations peu fiables données par des personnes peu qualifiées, voire ignorantes.
=>, magicien, devin, sorcier
- LØLØ
- Modérateur
- Messages : 6210
- Enregistré le : 30/07/2006 15:41
- Localisation : guainville (28 )
- Contact :
Re: Remplacement du contacteur de feux stop Def. 300 TDI
Salut,pich a écrit :Bonsoir à tous,
Depuis hier j'ai plus de feux de STOP,
J'ai commencer par regarder les fusibles et tout nickel.
après le branchement dans la benne arrière et encore rien du tout.
et pour finir j'ai démonter le contacteur et la rien du tout aussi
J'ai brancher les deux fils qui arrive au contacteur et rien de s'allume a l arrière
Est ce normal?
merci d'avance
Bien sur que non.
Donc tu as fait ce test ? : Si dans la benne, tu es sur du branchement des fils verts liseré violet, c'est à dire pas d'oxydation et contacts correctement serrés,
qu'au niveau du fils tout vert clair du contacteur que tu as bien un +12V après contact qui arrive bien : donc que le fusible repéré STOP de 10A est en bon état, d'où le fonctionnement correct, des clignotants et des manos, lorsque le contact est mis. Il te reste encore comme point névralgique à contrôler les connexions au niveau du tablier dans le compartiment moteur a droite du boitier de chauffage contre le tablier :
Coté faisceau vers l'habitacle : Coté faisceau vers l'arrière qui rentre dans le châssis : Tu peux séparer le petit connecteur de 4 plots du grand connecteur de 10 plots et tu vérifies que lorsque tu mets le shunt a la place du capteur de feu stop avec le contact mis, que tu as bien un 12V qui arrive jusque là, si tu n'as pas de multimètre, fabrique toi une lampe teste avec une ampoule 12V.
Contrôle l'état des fils et l'oxydation et quand tu les refermeras, monte les à la graisse DC4.
Met un 12 V directement sur le départ vers les feux stop arrière, et contrôle que les feux stop s'allument correctement, si ce n'est pas le cas, ramène un +12V directement sur le connecteur des feux stop dans le boitier a l'arrière droit de la benne.
Tu as un +12V permanent a ce niveau là, c'est le fil violet. Tu fais un shunt entre le connecteur des feux stops avec le fil violet et vois si les stops s'allument, si ils s’allument c'est que tu as un problème de liaison :
Soit dans le châssis, soit entre le boitier de benne arrière et la sortie du châssis; ou soit entre le connecteur de tablier et l'entrée du faisceau arrière dans le châssis.
A+
2 solutions: la bonne et l'Anglaise
LUCAS: Il n'y a pas de contact où il le faut et il y en a un où il ne faut pas
On ne peut aller loin en amitié, si on n'est pas disposé à se pardonner les uns aux autres les petits défauts.
www.eternal-vehicles.fr
LUCAS: Il n'y a pas de contact où il le faut et il y en a un où il ne faut pas
On ne peut aller loin en amitié, si on n'est pas disposé à se pardonner les uns aux autres les petits défauts.
www.eternal-vehicles.fr
Re: Remplacement du contacteur de feux stop Def. 300 TDI
Bonsoir,
Merci pour les renseignements, je vais contrôler tous ça ce weekend et je revient vers vous
Bonne soirée
Merci pour les renseignements, je vais contrôler tous ça ce weekend et je revient vers vous
Bonne soirée
Re: Remplacement du contacteur de feux stop Def. 300 TDI
Bonsoir à tous,
Après plusieurs recherche, j'ai enfin trouvé ma panne.
Il s'agissait de la cosse du fil vert liseré violet qui était presque débranché ou les cosses qui était écartées, dans le compartiment moteur.
J'ai tout débranché et rebranché et résultat tout re fonctionne à merveille
Merci a tous pour vos renseignements
Bonne fêtes de fin d'années et joyeux noël
Après plusieurs recherche, j'ai enfin trouvé ma panne.
Il s'agissait de la cosse du fil vert liseré violet qui était presque débranché ou les cosses qui était écartées, dans le compartiment moteur.
J'ai tout débranché et rebranché et résultat tout re fonctionne à merveille
Merci a tous pour vos renseignements
Bonne fêtes de fin d'années et joyeux noël
- LØLØ
- Modérateur
- Messages : 6210
- Enregistré le : 30/07/2006 15:41
- Localisation : guainville (28 )
- Contact :
Re: Remplacement du contacteur de feux stop Def. 300 TDI
Salut,
Donc ton problème, aurait pu se résumer à cette photo
:
A+
Donc ton problème, aurait pu se résumer à cette photo
2 solutions: la bonne et l'Anglaise
LUCAS: Il n'y a pas de contact où il le faut et il y en a un où il ne faut pas
On ne peut aller loin en amitié, si on n'est pas disposé à se pardonner les uns aux autres les petits défauts.
www.eternal-vehicles.fr
LUCAS: Il n'y a pas de contact où il le faut et il y en a un où il ne faut pas
On ne peut aller loin en amitié, si on n'est pas disposé à se pardonner les uns aux autres les petits défauts.
www.eternal-vehicles.fr
Re: Remplacement du contacteur de feux stop Def. 300 TDI
Salut lolo
oui tout à fait
merci encore
oui tout à fait
merci encore