Quizz 2024 du Pater.

Une question sur le site, une propositon pour l'améliorer ? On vous écoute !

Modérateurs : The Pater, LØLØ

Règles du forum
En naviguant sur le site http://www.landroverfaq.com vous reconnaissez avoir lu ses Conditions d’Utilisation, vous déclarez les comprendre et vous acceptez d’y être lié de manière inconditionnelle. Si tel n'est pas le cas, merci de quitter immédiatement ce site.

Vous pouvez joindre autant d'images que nécessaire à vos messages A LA CONDITION EXPRESSE d'utiliser l'hébergement fourni par le site.

L'administrateur effacera systématiquement tout message contenant des photos hébergées chez Imageschack, Casimage, Wistiti ou tout autre hébergeur tiers sans sommation ni justification.
Avatar du membre
The Pater
Modérateur
Messages : 13979
Enregistré le : 25/08/2004 8:19
Localisation : 06°27'46"E 45°50'29"N

Re: Quizz 2024 du Pater.

Message non lu par The Pater »

Lbarbar a écrit : 10/05/2024 0:16 Je tente une réponse: c'est l'arrière gauche qui est grippé
J'ai bien indiqué que j'avais vérifié le bon coulissement des pistons.

Donc, rien de grippé.

A+
Ingénieur :
Personne faisant un travail divinatoire de précision basé sur des informations peu fiables données par des personnes peu qualifiées, voire ignorantes.
=>, magicien, devin, sorcier
Avatar du membre
The Pater
Modérateur
Messages : 13979
Enregistré le : 25/08/2004 8:19
Localisation : 06°27'46"E 45°50'29"N

Re: Quizz 2024 du Pater.

Message non lu par The Pater »

Escanogat a écrit : 10/05/2024 7:03 Pour commencer lors du test au banc de freinage il aurait fallu nous préciser quel est le coté qui chauffe ou celui qui reste froid ainsi que le coté qui freine de trop par rapport à l'autre , rien qu'avec ça on sait ou il faut chercher.
J'ai bien indiqué que c'est le coté droit qui ne freine pas bien.

Et que la température des disque le confirme.
J'ai l'impression que le jeu de plaquettes en haut à droite sur la photo c'est celui qui freine voire qui chauffe mais de quel coté était-il monté ?
En haut à droite, c'est les deux plaquettes qui étaient du coté où cela freinait moins.
1) Soit il y a un étrier qui grippe .
J'ai vérifié le bon coulissement des pistons, rien de grippé.
2) Soit une autre possibilité un étrier monté avec les plaquettes dans le mauvais sens (au niveau des demi-cales anti bruit) .
Non, tout était monté dans le bon sens.
Et cela a bien freiné durant des années.

A+
Ingénieur :
Personne faisant un travail divinatoire de précision basé sur des informations peu fiables données par des personnes peu qualifiées, voire ignorantes.
=>, magicien, devin, sorcier
Lbarbar
Habitué
Messages : 138
Enregistré le : 04/08/2021 19:52

Re: Quizz 2024 du Pater.

Message non lu par Lbarbar »

les plaquettes de l'étrier droit se sont glacées par le dépôt de liquide de frein.
tu as changé les plaquettes, tu aurais pu les déglacer.
A force de donner des réponses je vais bien finir par donner la bonne! arrff!
Avatar du membre
The Pater
Modérateur
Messages : 13979
Enregistré le : 25/08/2004 8:19
Localisation : 06°27'46"E 45°50'29"N

Re: Quizz 2024 du Pater.

Message non lu par The Pater »

Lbarbar a écrit : 10/05/2024 13:34 les plaquettes de l'étrier droit se sont glacées par le dépôt de liquide de frein.
1) le liquide frein n'est pas allé sur les plaquettes

2) la différence des reflets entre les plaquettes dépendent de la position de l'appareil photo et du soleil

A+
Ingénieur :
Personne faisant un travail divinatoire de précision basé sur des informations peu fiables données par des personnes peu qualifiées, voire ignorantes.
=>, magicien, devin, sorcier
Avatar du membre
LØLØ
Modérateur
Messages : 6210
Enregistré le : 30/07/2006 15:41
Localisation : guainville (28 )
Contact :

Re: Quizz 2024 du Pater.

Message non lu par LØLØ »

Salut,
Est-ce que les petites tôles ressort anti vibrations sous les goupilles arrivent à entraver le déplacement des plaquettes si oxydées ou déformées ?
Hypothèse un peu tirée par les cheveux eu égard de la force exercée par les pistons, mais, il y a des traces de rouilles sur l’endroit où elles appuient sur la tranche des plaquettes du côté défaillant.
A+
2 solutions: la bonne et l'Anglaise
LUCAS: Il n'y a pas de contact où il le faut et il y en a un où il ne faut pas
On ne peut aller loin en amitié, si on n'est pas disposé à se pardonner les uns aux autres les petits défauts.
www.eternal-vehicles.fr
Avatar du membre
The Pater
Modérateur
Messages : 13979
Enregistré le : 25/08/2004 8:19
Localisation : 06°27'46"E 45°50'29"N

Re: Quizz 2024 du Pater.

Message non lu par The Pater »

LØLØ a écrit : 10/05/2024 17:35 Est-ce que les petites tôles ressort anti vibrations sous les goupilles arrivent à entraver le déplacement des plaquettes si oxydées ou déformées ?
J'avais repoussé les pistons en pinçant avec une multiprise l'ensemble étrier/piston/plaquette. Donc j'ai éloigné à chaque fois les plaquettes du disque.

Je peux affirmer que les tôles ressorts n'entravent pas le déplacement des plaquettes.


Avec ton message, je me suis rendu compte d'une chose.
La tôle ressort s'appuie sur la languette courbée à angle droit pour les plaquettes de l'étrier droit, et juste à coté pour les plaquettes de l'étrier gauche.
AMHA, cela n'a rien à voir avec le problème, mais je n'en suis pas sûr à 100%.

A+
Ingénieur :
Personne faisant un travail divinatoire de précision basé sur des informations peu fiables données par des personnes peu qualifiées, voire ignorantes.
=>, magicien, devin, sorcier
Avatar du membre
Normand 1400
Habitué
Messages : 2045
Enregistré le : 12/01/2006 13:16
Localisation : Pays de Caux profond

Re: Quizz 2024 du Pater.

Message non lu par Normand 1400 »

Marrant, ça! :D

Une fois, on a eu un truc du genre sur la 306 « Entreprise » hors d'âge de mon gars : pas assez de freinage à l'arrière au premier tour, puis déséquilibre au deuxième... :mrgreen:

C'était le répartiteur de freinage dont la commande d'asservissement à la charge s'était desserrée.

Après l'avoir réglé, repassage au banc et ... toujours pas bon!

Du coup, perception de l'artillerie métrologique : un côté ne montait presque pas assez en pression alors que l'autre suivait bien la courbe théorique.

Il a donc fallu démonter entièrement la chose, ce qui a révélé que la soupape commandant une voie commençait à gripper. Presque rien, mais comme ces bestioles-là sont du genre sensibles... :sm11:

Tout nettoyé, tout lubrifié et remonté au poil et ... nickel! :wink:

Sur nos modèles de Land, c'est un limiteur qui gère l'arrière et non un répartiteur asservi à la charge, donc si c'est lui qui était en cause, il ne restait que la possibilité du grippage sur une des voies, surtout après une longue période d'inactivité.
Avatar du membre
The Pater
Modérateur
Messages : 13979
Enregistré le : 25/08/2004 8:19
Localisation : 06°27'46"E 45°50'29"N

Re: Quizz 2024 du Pater.

Message non lu par The Pater »

Normand 1400 a écrit : 10/05/2024 21:21 Sur nos modèles de Land, c'est un limiteur qui gère l'arrière et non un répartiteur asservi à la charge, donc si c'est lui qui était en cause, il ne restait que la possibilité du grippage sur une des voies, surtout après une longue période d'inactivité.
té té té té,

Regarde bien comment est fait le système de freinage des Def 300 Tdi.... :wink:


A+
Ingénieur :
Personne faisant un travail divinatoire de précision basé sur des informations peu fiables données par des personnes peu qualifiées, voire ignorantes.
=>, magicien, devin, sorcier
Avatar du membre
jean-yves 26
Habitué
Messages : 2879
Enregistré le : 06/11/2004 16:30
Localisation : valence 26

Re: Quizz 2024 du Pater.

Message non lu par jean-yves 26 »

J'ai eu ce genre d'embrouilles sur ma Mustang , c'était le répartiteur à bille.
Cette foutue bille qui ne venait plus se positionner dans son logement mais venait partiellement obstruer une sortie arrière.

Je ne connais pas les 300 tdi ( je suis trop jeune pour ça :mrgreen: :mrgreen: ) mais les Ricains et les Britons même philosophie et génie mécanique.. :lol:
jean-yves 26
Avatar du membre
The Pater
Modérateur
Messages : 13979
Enregistré le : 25/08/2004 8:19
Localisation : 06°27'46"E 45°50'29"N

Re: Quizz 2024 du Pater.

Message non lu par The Pater »

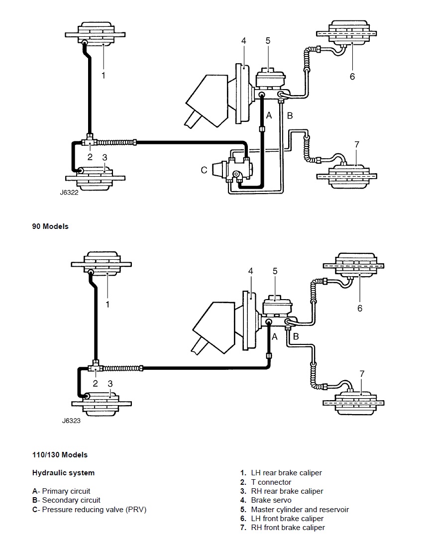
Bon,

Vu les dernières réponses, il me semble que ceci est nécessaire :
système freinage Defender 300tdi.jpg
Ma bonté me perdra !

A+
Ingénieur :
Personne faisant un travail divinatoire de précision basé sur des informations peu fiables données par des personnes peu qualifiées, voire ignorantes.
=>, magicien, devin, sorcier
Lbarbar
Habitué
Messages : 138
Enregistré le : 04/08/2021 19:52

Re: Quizz 2024 du Pater.

Message non lu par Lbarbar »

maitre cylindre défaillant circuit A :?
Avatar du membre
The Pater
Modérateur
Messages : 13979
Enregistré le : 25/08/2004 8:19
Localisation : 06°27'46"E 45°50'29"N

Re: Quizz 2024 du Pater.

Message non lu par The Pater »

Lbarbar a écrit : 11/05/2024 15:33 maitre cylindre défaillant circuit A :?
Et non.

Messieurs, messieurs, voyons.....

Il va falloir m'expliquer comment un maitre cylindre ou un PRV (réducteur de pression) pourraient provoquer un déséquilibre entre l'arrière gauche et l'arrière droit. :wink:

A+
Ingénieur :
Personne faisant un travail divinatoire de précision basé sur des informations peu fiables données par des personnes peu qualifiées, voire ignorantes.
=>, magicien, devin, sorcier
Avatar du membre
jean-yves 26
Habitué
Messages : 2879
Enregistré le : 06/11/2004 16:30
Localisation : valence 26

Re: Quizz 2024 du Pater.

Message non lu par jean-yves 26 »

Sur le pont arrière il doit y avoir un T , une jonction de ce T est pourri rouillé à l'intérieur...
Et puis les freins c'est pour les lâches :lol:
jean-yves 26
Ze Fifi
Habitué
Messages : 889
Enregistré le : 27/04/2005 10:08
Localisation : chaumont 52

Re: Quizz 2024 du Pater.

Message non lu par Ze Fifi »

Té ou tuyau ou étrier, car si l'autre coté fonctionne normalement la pression arrive au Té

Après les freins çà évite de reculer :sm11:
:)
Lbarbar
Habitué
Messages : 138
Enregistré le : 04/08/2021 19:52

Re: Quizz 2024 du Pater.

Message non lu par Lbarbar »

Lbarbar a écrit : 11/05/2024 15:33 Il va falloir m'expliquer comment un maitre cylindre ou un PRV (réducteur de pression) pourraient provoquer un déséquilibre entre l'arrière gauche et l'arrière droit.
ben...euh...mhmhmh....enfinn... pfffff...:mrgreen:

Coupelles de frein étrier droit hs qui bloquent la pression!
Avatar du membre
The Pater
Modérateur
Messages : 13979
Enregistré le : 25/08/2004 8:19
Localisation : 06°27'46"E 45°50'29"N

Re: Quizz 2024 du Pater.

Message non lu par The Pater »

jean-yves 26 a écrit : 11/05/2024 19:15 Sur le pont arrière il doit y avoir un T , une jonction de ce T est pourri rouillé à l'intérieur...
Ce T est en laiton, il est à l'intérieur, propre.
P5120010_DxO_web crop.jpg
Et puis les freins c'est pour les lâches :lol:
C'est pour cela que mes plaquettes sont changées à titre préventif ( moitié usée) après plus de 300 000 km à l'arrière.

A+
Ingénieur :
Personne faisant un travail divinatoire de précision basé sur des informations peu fiables données par des personnes peu qualifiées, voire ignorantes.
=>, magicien, devin, sorcier
Avatar du membre
The Pater
Modérateur
Messages : 13979
Enregistré le : 25/08/2004 8:19
Localisation : 06°27'46"E 45°50'29"N

Re: Quizz 2024 du Pater.

Message non lu par The Pater »

Ze Fifi a écrit : 11/05/2024 22:39 ........car si l'autre coté fonctionne normalement la pression arrive au Té
Exact.

A+
Ingénieur :
Personne faisant un travail divinatoire de précision basé sur des informations peu fiables données par des personnes peu qualifiées, voire ignorantes.
=>, magicien, devin, sorcier
Avatar du membre
The Pater
Modérateur
Messages : 13979
Enregistré le : 25/08/2004 8:19
Localisation : 06°27'46"E 45°50'29"N

Re: Quizz 2024 du Pater.

Message non lu par The Pater »

Lbarbar a écrit : 12/05/2024 9:40 Coupelles de frein étrier droit hs qui bloquent la pression!
Comme indiqué au début, j'ai vérifié le bon coulissement des pistons.

Tous les pistons coulissent parfaitement et repoussent les plaquettes quand on appuie sur les freins.

A+
Ingénieur :
Personne faisant un travail divinatoire de précision basé sur des informations peu fiables données par des personnes peu qualifiées, voire ignorantes.
=>, magicien, devin, sorcier
Avatar du membre
Normand 1400
Habitué
Messages : 2045
Enregistré le : 12/01/2006 13:16
Localisation : Pays de Caux profond

Re: Quizz 2024 du Pater.

Message non lu par Normand 1400 »

The Pater a écrit : 11/05/2024 7:35Regarde bien comment est fait le système de freinage des Def 300 Tdi.... :wink:
Effectivement, je n'ai pas vérifié le plan du montage Land avant de répondre, qui est différent de celui dont j'ai parlé : le modulateur Peugeot comporte une sortie pour chaque roue AR, chacune étant commandée par une soupape différente puisque l'idée est de conserver un freinage diagonal en mode dégradé... :oops:

Donc c'est pas ça.

Le changement de plaquettes a résolu le problème?
Avatar du membre
LeBaron88
Habitué
Messages : 220
Enregistré le : 15/04/2018 13:55
Localisation : Domremy la Pucelle

Re: Quizz 2024 du Pater.

Message non lu par LeBaron88 »

Les vis de fixation de l'étrier concerné sont-elles en bon état ?
Répondre

Retourner vers « La boite à idées »