Salut, suite a un mp de Bert j'ouvre ce thème pour partager ses soucis avec vous car la panne ne me saute pas franchement aux yeux:Bert a écrit :J'ai un S3 24 V FFR de 1983, ex armée GB, 2 1/4 essence.
Il ne chargeait plus, j'ai donc confié la génératrice (LUCAS 90A) à un électricien auto qui en plus de m'avoir soutiré 170 euros, a changé roulement, sortie stator, pont de diodes, balais et j'en passe.
Problème : ca ne charge toujours pas...
Tension prise aux bornes de la batterie : 24 volts (per exemple).
Moteur en marche, la tension va tomber en dessous des 24 volts et remonter tout doucettement, de 0,01 volt en 0,01 volt... et ce quelque soit le régime moteur (GULL annonçait 29 volts dans son post ! )
Par ailleurs, autre souci, je n'ai pas de voyant de charge (j'en ai peut-être un, mais où ?, voire une ampoule grillée :what: ), et mes jauges de temps eau, temps huile et jauge essence sont constamment à bloc, dès la mise sous contact... est-ce que tout cela peut-être lié ?
Merci d'avance.
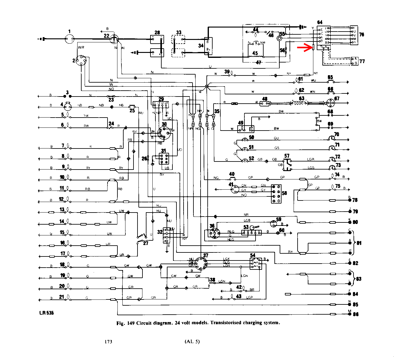
1) Schéma général: 2) Légendes: 3) Circuit de charge: Au vu de l'année du land, je pense que c'est le système de régulation transistorisé auquel nous avons à faire. Idées en vrac...
Je pense que dans un premier temps, je ne mettrai pas en cause le travail de réfection de la génératrice, car les électriciens auto ont en général des bancs test.
A 24V mesuré, effectivement, il n'y a pas de charge. pour une batterie 12V il faut 14V a 14,5V en sortie d'alternateur moteur tournant. Pour du 24V, il faut 28 à 29V Gull à raison.
Dans un premier temps je soupçonnerai bien le régulateur.
Quel est le type de régulateur as tu ? Des photos seraient pas mal, souvent dans le couvercle, il y a un schéma, mets nous la photo de l'intérieur aussi si tu le peux.
As tu les 4 batteries ou seulement les deux du véhicule rep 7 schéma 151.
As tu toujours les shunt-box Avec les ampèremètres, Il se peut que tu aies le shunt véhicule de grillé ou oxydé, dans ce cas tu l'inverses avec le shunts radio.
4) Intérieur de la boite des shunts N°Z5913/30, repéré 5 sur la figure 151 photo 3 : Si tu as un problème sur le shunt 6 de l'ampèremètre rep 6 de la fig 151 photo 3) il n'y a pas de charge possible.
Dans ce cas tu l'inverses avec le shunt 11 du mano 11 qui sert pour les radios. Le repère 1 c'est un fusible sur le circuit de charge des batteries radio, pas utile dans ton cas, si tu n'as pas ces batteries.
Vérifies au passage l'état des connexions, sertissages, et oxydation... Débranche les batteries avant de trifouiller dedans.
Par contre, quand tu me parles de tes 3 galvanomètres complètement à fond cela m'évoque un problème de masse, les retours se fond par les instruments, donc là oui il peut y avoir un lien ou une piste à explorer en premier même! Contrôle les tresses de masse batterie/châssis; châssis/bloc moteur et châssis/ tablier. De même derrière le tableau de bord ou planche à instruments, vérifies que toutes les petites masses sont reliées entre elles, d'un galvanomètre à l'autre, puisqu'elles partent sur le tablier, contrôle la masse sur la petite prise tableau de bord borne noire avec un ohmmètre voir si la continuité se fait bien entre la caisse, le châssis etc...
Bon, déjà un peu de boulot. D'autre idées peut être, Bisnouk; volta vous êtes où?
Bon courage
A+
